留言板

尊敬的读者、作者、审稿人, 关于本刊的投稿、审稿、编辑和出版的任何问题, 您可以本页添加留言。我们将尽快给您答复。谢谢您的支持!

姓名
邮箱
手机号码
标题
留言内容
验证码

TT-1托卡马克装置垂直场电源大功率脉冲电感的研制

范文迪 管锐 张健 黄懿赟

范文迪, 管锐, 张健, 等. TT-1托卡马克装置垂直场电源大功率脉冲电感的研制[J]. 强激光与粒子束, 2023, 35: 065006. doi: 10.11884/HPLPB202335.220393
引用本文: 范文迪, 管锐, 张健, 等. TT-1托卡马克装置垂直场电源大功率脉冲电感的研制[J]. 强激光与粒子束, 2023, 35: 065006. doi: 10.11884/HPLPB202335.220393
Fan Wendi, Guan Rui, Zhang Jian, et al. Development of high-power pulse inductor for vertical field power supply of TT-1 device[J]. High Power Laser and Particle Beams, 2023, 35: 065006. doi: 10.11884/HPLPB202335.220393
Citation: Fan Wendi, Guan Rui, Zhang Jian, et al. Development of high-power pulse inductor for vertical field power supply of TT-1 device[J]. High Power Laser and Particle Beams, 2023, 35: 065006. doi: 10.11884/HPLPB202335.220393

TT-1托卡马克装置垂直场电源大功率脉冲电感的研制

doi: 10.11884/HPLPB202335.220393
基金项目: 中泰TT-1托卡马克装置重建项目(P640895)
详细信息
    作者简介:

    范文迪,wendi.fan@ipp.ac.cn

    通讯作者:

    黄懿赟,yyhuang@ipp.ac.cn

  • 中图分类号: TL631.24

Development of high-power pulse inductor for vertical field power supply of TT-1 device

  • 摘要: 为满足等离子体放电需求,垂直场电源需串联脉冲电感来改变输出电流参数。针对TT-1装置垂直场电源对输出电流的要求,对脉冲电感进行了设计与研制。根据电感的运行工况及参数,通过感应系数法和累积温升法进行详细的数学分析和结构设计。基于理论设计,建立Ansys仿真模型对电感进行了磁场及温升的研究。最后完成电感的研制,根据电桥测量和实验波形,实际电感参数与理论分析高度吻合,并对电感进行大电流条件下的疲劳实验和温升实验,验证理论设计的可靠性。
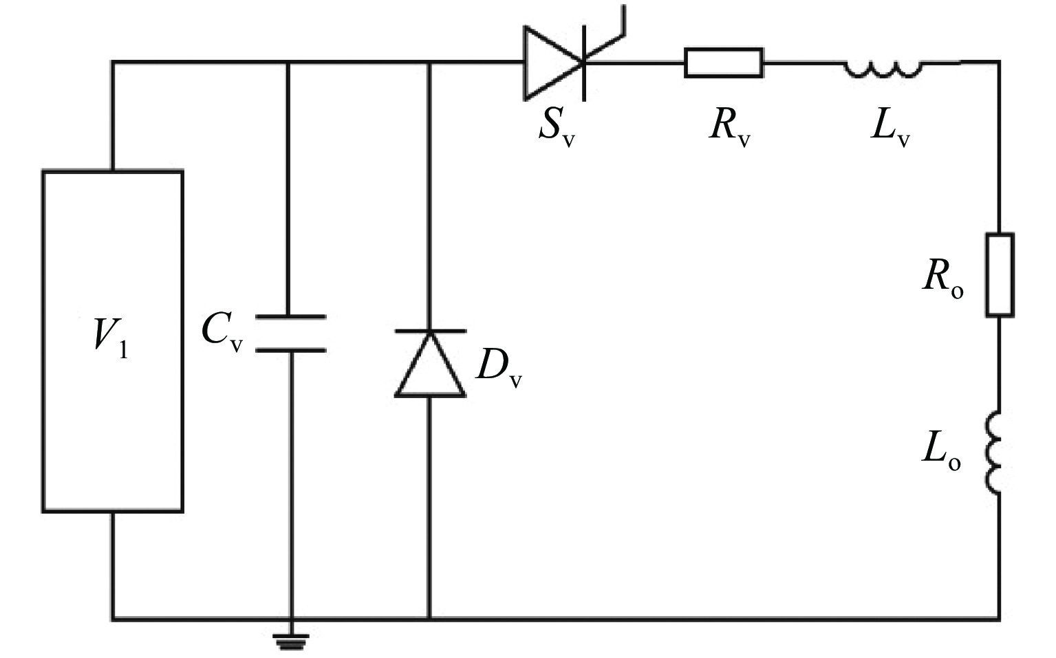
  • 图  1  垂直场电源电路拓扑图

    Figure  1.  Vertical field circuit topology

    图  2  脉冲电感电流仿真波形

    Figure  2.  Simulation waveform of pulse inductor current

    图  3  电感三种绕制方式

    Figure  3.  Three winding methods of inductor

    图  4  矩形导体线圈

    Figure  4.  Rectangular conductor coil

    图  5  电感的三维模型

    Figure  5.  Three dimensional model of inductor

    图  6  Maxwell仿真模型

    Figure  6.  Maxwell simulation model

    图  7  激励电路

    Figure  7.  Excitation circuit

    图  8  脉冲电感的磁场分布

    Figure  8.  Magnetic field distribution of pulse inductor

    图  9  脉冲电感的整体温升

    Figure  9.  Overall temperature rise of pulse inductor

    图  10  测试电路原理图

    Figure  10.  Schematic diagram of test circuit

    图  11  脉冲电源装置

    Figure  11.  Pulse power supply device

    图  12  通流实验电流波形图

    Figure  12.  Waveform diagram of pulse inductive current experiment

    图  13  温升实验最高温度位置

    Figure  13.  Maximum temperature position of pulse inductor temperature rise experiment

    表  1  TT-1装置垂直场电源参数

    Table  1.   Main working parameters of pulse inductor

    coil inductance Lo/mHcoil resistance Ro/mΩpulse capacitors Cv/mFcharging voltage Uo/Vpeak current Ip/kApeak current time tp/ms
    8.4673.697244.711
    下载: 导出CSV

    表  2  脉冲电感主要设计参数

    Table  2.   Main designing parameters of pulse inductor

    work cycle/minpulse discharge time/sinductance/mHwithstand voltage/kVmaximum working voltage/Vmaximum working current/ADC resistance/mΩduty cycle
    515.81039614693<251/300
    下载: 导出CSV

    表  3  铝和铜材料性能对比

    Table  3.   Comparison of properties between aluminum and copper

    atomic
    weight
    density/
    (kg·m−3)
    resistivity/
    (nΩ·m)
    resistance
    temperature
    coefficient/
    (nΩ·m−1·K−1)
    tensile
    strength/
    MPa
    positive
    modulus of
    elasticity/
    GPa
    linear
    expansion
    coefficient/
    (10−6K−1)
    specific
    heat
    capacity/
    (J·kg·−1·K−1)
    thermal
    conductivity/
    (W·m−1·K−1)
    aluminum36.98270028.30.1150~2006323900231
    copper63.54889017.770.09525350~47012017392436
    下载: 导出CSV
  • [1] 管锐, 周宇, 高宗球, 等. HT-6M托卡马克加热场脉冲电源的设计[J/OL]. 电源学报, 1-12. http://kns.cnki.net/kcms/detail/12.1420.TM.20220506.1120.002.html

    Guan Rui, Zhou Yu, Gao Zongqiu, et al. Design of pulsed power supply for HT-6M Tokamak heating field[J/OL]. Journal of Power Supply, 1-12. http://kns.cnki.net/kcms/detail/12.1420.TM.20220506.1120.002.html.
    [2] Jin Y S, Lee H S, Kim J S, et al. Compact 200 kJ pulse power system with a simple crowbar circuit[C]//Proceedings of the 14th IEEE International Pulsed Power Conference. 2003: 1239-1242.
    [3] 仝玮. 大型超导装置失超保护系统换流回路及其关键问题研究[D]. 合肥: 中国科学技术大学, 2021

    Tong Wei. Study on commutation circuit and key problems of quench protection system for large scale superconducting devices[D]. Hefei: University of Science and Technology of China, 2021
    [4] 李传. ITER极向场变流器高功率大电流电抗器的设计与研制[D]. 武汉: 华中科技大学, 2016

    Li Chuan. Research and design on high-power large-current reactor applied to ITER poloidal field converter power supply[D]. Wuhan: Huazhong University of Science and Technology, 2016
    [5] 王莹. 高功率脉冲电源[M]. 北京: 原子能出版社, 1991

    Wang Ying. High power pulse power supply[M]. Beijing: Atomic Energy Press, 1991
    [6] 王莹. 脉冲功率技术综述[J]. 电气技术, 2009(4):5-9

    Wang Ying. The summary for technology of pulsed power[J]. Electrical Engineering, 2009(4): 5-9
    [7] 李松乘, 鲁军勇, 程龙, 等. 电磁发射用脉冲电抗器应力分析及结构设计[J]. 国防科技大学学报, 2019, 41(4):39-45 doi: 10.11887/j.cn.201904006

    Li Songcheng, Lu Junyong, Cheng Long, et al. Stress analysis and structure optimization of pulse reactor for electromagnetic launch[J]. Journal of National University of Defense Technology, 2019, 41(4): 39-45 doi: 10.11887/j.cn.201904006
    [8] 刘佳, 董健年, 张小兵, 等. 电磁发射用电抗器温度场影响因素研究[J]. 弹道学报, 2014, 26(2):100-105 doi: 10.3969/j.issn.1004-499X.2014.02.021

    Liu Jia, Dong Jiannian, Zhang Xiaobing, et al. Research on factors influencing temperature of pulse inductor used in electromagnetic launch[J]. Journal of Ballistics, 2014, 26(2): 100-105 doi: 10.3969/j.issn.1004-499X.2014.02.021
    [9] 苏成. 小型化脉冲电感的研究[D]. 武汉: 华中科技大学, 2013

    Su Cheng. Research on a miniaturized pulsed inductor[D]. Wuhan: Huazhong University of Science and Technology, 2013
    [10] 卡兰塔罗夫, 采依特林. 电感计算手册[M]. 陈汤铭, 刘保安, 罗应立, 等译. 北京: 机械工业出版社, 1992

    Kalantarov. Inductance calculation manual[M]. Chen Tangming, Liu Baoan, Luo Yingli, et al, trans. Beijing: China Machine Press, 1992
    [11] 叶占刚. 干式空心电抗器的温升对其质量的影响[J]. 变压器, 1998, 35(3):31-33 doi: 10.19487/j.cnki.1001-8425.1998.03.008

    Ye Zhangang. Influence of temperature rise on quality of dry-type air-core reactor[J]. Transformer, 1998, 35(3): 31-33 doi: 10.19487/j.cnki.1001-8425.1998.03.008
    [12] 叶占刚. 干式空心电抗器的温升试验与绕组温升的计算[J]. 变压器, 1999, 36(9):6-12 doi: 10.19487/j.cnki.1001-8425.1999.09.002

    Ye Zhangang. Temperature rise test of dry-type air-core reactor and calculation of its winding temperature rise[J]. Transformer, 1999, 36(9): 6-12 doi: 10.19487/j.cnki.1001-8425.1999.09.002
    [13] 汪泉弟, 张艳, 李永明, 等. 干式空心电抗器周围工频磁场分布[J]. 电工技术学报, 2009, 24(1):8-13 doi: 10.3321/j.issn:1000-6753.2009.01.002

    Wang Quandi, Zhang Yan, Li Yongming, et al. The power frequency magnetic field distribution around dry-type air-core reactor[J]. Transactions of China Electrotechnical Society, 2009, 24(1): 8-13 doi: 10.3321/j.issn:1000-6753.2009.01.002
    [14] 褚凡武, 付颖, 王琦, 等. 不同工况下干式空心滤波电抗器稳态磁场及电磁力分布规律[J]. 高压电器, 2019, 55(11):41-47 doi: 10.13296/j.1001-1609.hva.2019.11.005

    Chu Fanwu, Fu Ying, Wang Qi, et al. Distributions of steady-state magnetic field and electromagnetic force of a dry-type air-core filter reactor under different operating conditions[J]. High Voltage Apparatus, 2019, 55(11): 41-47 doi: 10.13296/j.1001-1609.hva.2019.11.005
  • 加载中
图(13) / 表(3)
计量
  • 文章访问数:  894
  • HTML全文浏览量:  349
  • PDF下载量:  72
  • 被引次数: 0
出版历程
  • 收稿日期:  2021-11-02
  • 修回日期:  2023-03-28
  • 录用日期:  2023-03-28
  • 网络出版日期:  2023-04-03
  • 刊出日期:  2023-05-06

目录

    /

    返回文章
    返回