留言板

尊敬的读者、作者、审稿人, 关于本刊的投稿、审稿、编辑和出版的任何问题, 您可以本页添加留言。我们将尽快给您答复。谢谢您的支持!

姓名
邮箱
手机号码
标题
留言内容
验证码

HIAF-BRing快循环全储能脉冲电源高低压切换控制及其切换点平滑算法

李源 吴凤军 黄玉珍 王晓俊 谭玉莲 张华剑 朱芳芳 李雨航 王洁 郭世鼎 石峰 燕宏斌 高大庆

李源, 吴凤军, 黄玉珍, 等. HIAF-BRing快循环全储能脉冲电源高低压切换控制及其切换点平滑算法[J]. 强激光与粒子束, 2023, 35: 064001. doi: 10.11884/HPLPB202335.230037
引用本文: 李源, 吴凤军, 黄玉珍, 等. HIAF-BRing快循环全储能脉冲电源高低压切换控制及其切换点平滑算法[J]. 强激光与粒子束, 2023, 35: 064001. doi: 10.11884/HPLPB202335.230037
Li Yuan, Wu Fengjun, Huang Yuzhen, et al. High voltage and low voltage switching control and switching point smoothing algorithm of HIAF-BRing fast cycle full energy storage pulse power supply[J]. High Power Laser and Particle Beams, 2023, 35: 064001. doi: 10.11884/HPLPB202335.230037
Citation: Li Yuan, Wu Fengjun, Huang Yuzhen, et al. High voltage and low voltage switching control and switching point smoothing algorithm of HIAF-BRing fast cycle full energy storage pulse power supply[J]. High Power Laser and Particle Beams, 2023, 35: 064001. doi: 10.11884/HPLPB202335.230037

HIAF-BRing快循环全储能脉冲电源高低压切换控制及其切换点平滑算法

doi: 10.11884/HPLPB202335.230037
基金项目: 国家重点研发计划项目(2019YFA0405402)
详细信息
    作者简介:

    李 源,liyuan@impcas.ac.cn

    通讯作者:

    吴凤军,wufengjun@impcas.ac.cn

  • 中图分类号: TL503.5

High voltage and low voltage switching control and switching point smoothing algorithm of HIAF-BRing fast cycle full energy storage pulse power supply

  • 摘要: 应用于强流重离子加速器装置增强环(HIAF-BRing)的快循环全储能脉冲电源需要在极宽的输出电压范围内保持极高的控制精度,为此电源采用了高压功率单元和低压功率单元串联的拓扑方式,在低压段采用低压功率单元,电压升高之后切换到高压功率单元,通过高低压切换控制来实现电流全阶段的高精度输出。但是在样机实测中发现存在切换点的振荡问题,导致切换点处的输出电流绝对误差无法满足指标要求。本文提出了一种切换点平滑控制算法来平滑处理切换点占空比,给出了仿真结果,并且在HIAF-BRing快循环全储能脉冲电源样机上面实际验证了高低压切换控制方法及其切换点平滑控制算法的有效性。实验结果表明:100 A注入平台的输出电流绝对误差由±500 mA降至±50 mA,100 A注入平台的切换点处输出电流绝对误差由±1.16 A降至±120 mA,100 A注入平台输出精度较低的问题得以解决。
  • 图  1  HIAF-BRing二极铁电源的输出电流、输出电压和输出功率波形

    Figure  1.  Output current, output voltage and output power waveforms of HIAF-BRing dipole magnet power supply

    图  2  加速器电源中的二象限斩波器

    Figure  2.  Two-quadrant chopper in accelerator power supply

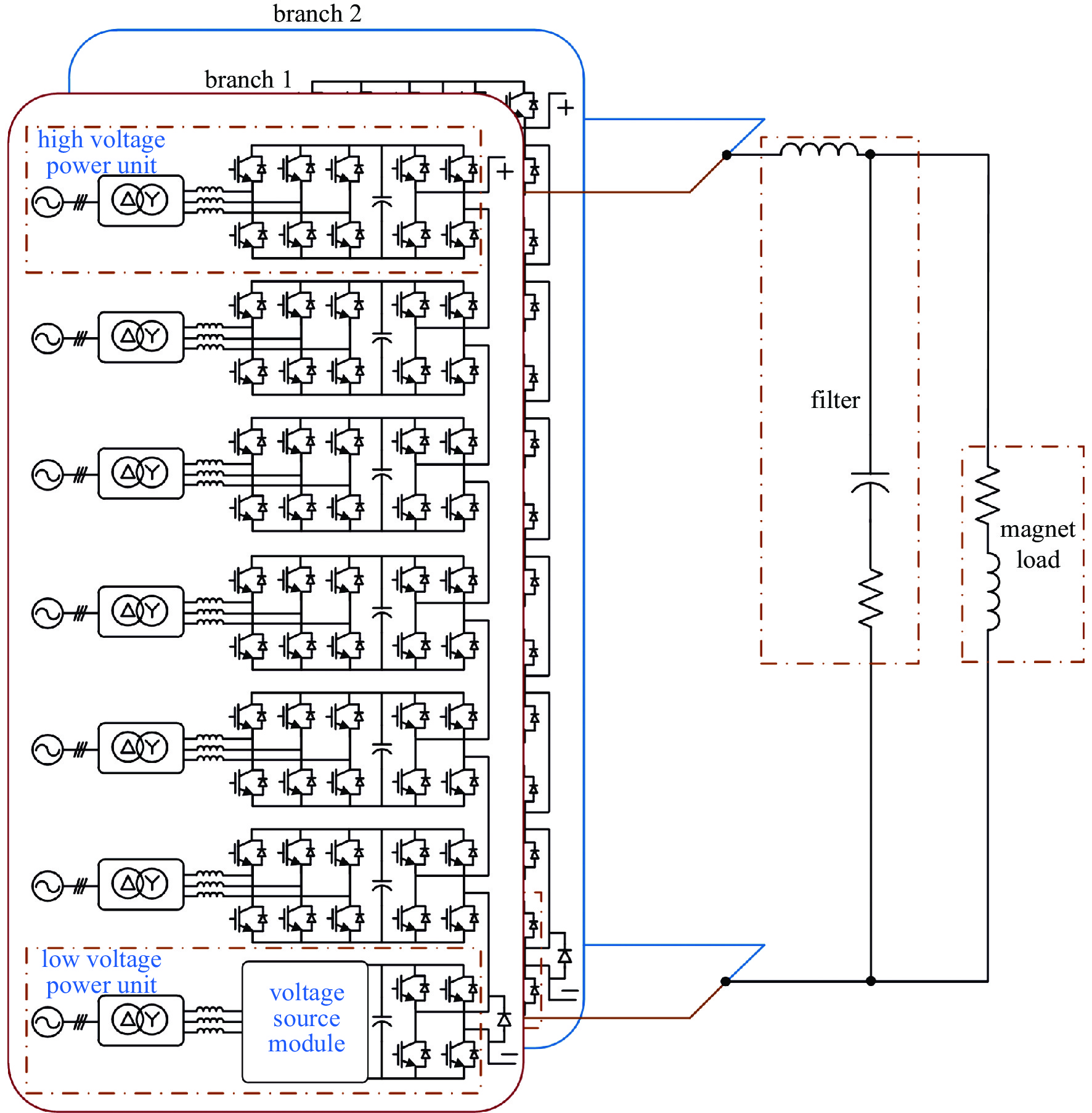
    图  3  HIAF-BRing快循环全储能脉冲电源拓扑图

    Figure  3.  Topology of HIAF-BRing fast cycle full energy storage pulse power supply

    图  4  以单支路为例的高低压切换控制方法对应的工作状态

    Figure  4.  Work states of high voltage and low voltage switching control method with single branch as an example

    图  5  高低压切换控制策略

    Figure  5.  High voltage and low voltage switching control strategy

    图  6  切换点处的振荡

    Figure  6.  Oscillation at the switching point

    图  7  切换点平滑控制算法

    Figure  7.  Switching point smoothing control algorithm

    图  8  仿真电路

    Figure  8.  Simulation circuit

    图  9  仿真控制原理

    Figure  9.  Simulation control principle

    图  10  加入高低压切换控制方法前后,100 A平台的输出电流波形

    Figure  10.  Output current waveform of 100 A platform before and after adding high voltage and low voltage switching control method

    图  11  在高低压切换控制方法下,加入切换点平滑控制算法前后的仿真对比

    Figure  11.  Simulation comparison before and after adding switching point smoothing control algorithm under method of high voltage and low voltage switching control

    图  12  HIAF-BRing快循环全储能脉冲电源样机和磁铁负载

    Figure  12.  Prototype and magnet load of HIAF-BRing fast cycle full energy storage pulse power supply

    图  13  加入高低压切换控制方法前后的100 A注入平台的实验结果

    Figure  13.  Experimental results of 100 A platform current before and after adding high voltage and low voltage switching control method

    图  14  加入切换点平滑控制算法前后的实验结果

    Figure  14.  Experimental results of 100 A platform before and after adding the switching point smoothing control algorithm

    图  15  电源的总输出电流波形和电流绝对误差波形

    Figure  15.  Total output current waveform and current absolute error waveform of power supply

    表  1  HIAF-BRing二极铁电源的参数

    Table  1.   Parameters for HIAF-BRing dipole magnet power supply

    magnet
    inductance/mH
    magnet
    resistance/mΩ
    maximum
    current/A
    maximum
    voltage/V
    current rise
    rate/(kA·s−1)
    current tracking
    absolute error/mA
    current platform
    absolute error/mA
    11636.439004618≥ ±38≤ ±200≤ ±200
    下载: 导出CSV

    表  2  FF1400R17IP4的相关参数

    Table  2.   Related parameters of FF1400R17IP4

    rise time/μsfall time/μs
    0.140.77
    下载: 导出CSV
  • [1] Yang Jiancheng, Xia Jiawen, Xiao Guoqing, et al. High Intensity heavy ion Accelerator Facility (HIAF) in China[J]. Nuclear Instruments and Methods in Physics Research Section B: Beam Interactions with Materials and Atoms, 2013, 317: 263-265. doi: 10.1016/j.nimb.2013.08.046
    [2] Li Peng, Yuan Youjin, Yang Jiancheng, et al. The collimation system design for the Booster Ring in the HIAF project[J]. Nuclear Instruments and Methods in Physics Research Section A: Accelerators, Spectrometers, Detectors and Associated Equipment, 2019, 920: 14-21.
    [3] 肖国青, 徐瑚珊, 王思成. HIAF及CiADS项目进展与展望[J]. 原子核物理评论, 2017, 34(3):275-283 doi: 10.11804/NuclPhysRev.34.03.275

    Xiao Guoqing, Xu Hushan, Wang Sicheng, et al. HIAF and CiADS National Research Facilities: Progress and Prospect[J]. Nuclear Physics Review, 2017, 34(3): 275-283 doi: 10.11804/NuclPhysRev.34.03.275
    [4] Mao Lijun, Yang Jiancheng, Gao Daqing, et al. Status of the HIAF accelerator facility in China[C]//27th Russian Particle Accelerator Conference. 2021: 23-27.
    [5] Gao Yunzhe, Ruan Shuang, Wang Geng, et al. The multi-phased beam dump scheme in BRing at the HIAF[J]. Radiation Detection Technology and Methods, 2022, 6(1): 111-121. doi: 10.1007/s41605-021-00304-2
    [6] Zheng Wenheng, Yang Jiancheng, Li Peng, et al. Design of proton beam collimation system for HIAF-BRing[J]. Radiation Detection Technology and Methods, 2022, 6(4): 519-529. doi: 10.1007/s41605-022-00351-3
    [7] Ren Hang, Yang Jiancheng, Shen Guodong, et al. A new multi-turn beam dump scheme design and simulation for HIAF-BRing machine protection[J]. Radiation Detection Technology and Methods, 2022, 6(4): 530-539. doi: 10.1007/s41605-022-00353-1
    [8] 阮爽, 杨建成, 任航, 等. 强流重离子加速器装置的增强器慢引出系统[J]. 强激光与粒子束, 2018, 30:105104 doi: 10.11884/HPLPB201830.180056

    Ruan Shuang, Yang Jiancheng, Ren Hang, et al. Slow extraction system for booster ring at HIAF[J]. High Power Laser and Particle Beams, 2018, 30: 105104 doi: 10.11884/HPLPB201830.180056
    [9] Chen Xiaoqiang, Yang Jiancheng, Xia Jiawen, et al. Study of eddy current effect in BRing at HIAF[J]. Nuclear Instruments and Methods in Physics Research Section A: Accelerators, Spectrometers, Detectors and Associated Equipment, 2018, 920: 37-42.
    [10] 高大庆, 周忠祖, 吴凤军, 等. 强流重离子加速器装置电源预研及进展[J]. 原子能科学技术, 2019, 53(10):2048-2054

    Gao Daqing, Zhou Zhongzu, Wu Fengjun, et al. R&D progress of HIAF power supply system[J]. Atomic Energy Science and Technology, 2019, 53(10): 2048-2054
    [11] Li Yuan, Wu Fengjun, Wang Xiaojun, et al. Structure and reliability design and experiment of HIAF-BRing dipole magnet pulse power supply[C]//IEEE International Power Electronics and Application Symposium (PEAS). 2021: 1-6.
    [12] Péron R, Bordry F, Burnet J P, et al. A 60MW pulsed power supply for particle accelerator: preliminary test results[C]//EPE-PEMC 2010. 2010.
    [13] Shimogawa T, Kurimoto Y, Morita Y, et al. A control system of new magnet power converter for J-PARC main ring upgrade[J]. IEEE Transactions on Nuclear Science, 2019, 66(7): 1236-1241. doi: 10.1109/TNS.2019.2899380
    [14] Sato H, Shintomi T, Koseki K, et al. Upgrade scheme for the J-PARC main ring magnet power supply[C]//European Particle Accelerator Conference. 2006: 2679-2681.
    [15] 吴凤军. 空间矢量PWM整流技术在重离子加速器电源中的研究与应用[D]. 兰州: 中国科学院大学(中国科学院近代物理研究所), 2016: 40-44

    Wu Fengjun. Research and application of space vector PWM rectification technology in the heavy ion accelerator power supply[D]. Lanzhou: University of Chinese Academy of Sciences (Institute of Modern Physics, Chinese Academy of Sciences), 2016: 40-44
    [16] Wu Fengjun, Gao Daqing, Shi Chunfeng, et al. A new type of accelerator power supply based on voltage-type space vector PWM rectification technology[J]. Nuclear Instruments and Methods in Physics Research Section A: Accelerators, Spectrometers, Detectors and Associated Equipment, 2016, 826: 1-5.
    [17] 王进军. 加速器电源的数字化研究与设计[D]. 兰州: 中国科学院大学(中国科学院近代物理研究所), 2009: 11-28

    Wang Jinjun. Digital power supply for accelerator researching and design[D]. Lanzhou: University of Chinese Academy of Sciences (Institute of Modern Physics, Chinese Academy of Sciences), 2009: 11-28
    [18] 黄玉珍. 基于FPGA的数字电源调节器研究与设计[D]. 兰州: 中国科学院大学(中国科学院近代物理研究所), 2010: 11-26

    Huang Yuzhen. Research and design of digital power supply regulator based on FPGA[D]. Lanzhou: University of Chinese Academy of Sciences (Institute of Modern Physics, Chinese Academy of Sciences), 2010: 11-26
    [19] 谭玉莲. HIAF-BRing电源样机数字控制器设计和实现[D]. 兰州: 中国科学院大学(中国科学院近代物理研究所), 2021: 23-69

    Tan Yulian. Design and implementation of power supply prototype digital controller in HIAF-BRing[D]. Lanzhou: University of Chinese Academy of Sciences (Institute of Modern Physics, Chinese Academy of Sciences), 2021: 23-69
    [20] Li Yuhang, Wang Xiaojun, Wu Fengjun, et al. Design of HIAF module power supply control board[C]//IEEE International Power Electronics and Application Symposium (PEAS). 2021: 1-4.
    [21] 谭玉莲, 吴凤军, 王晓俊, 等. HIAF-BRing电源样机模块故障联锁保护系统设计与实现[J]. 强激光与粒子束, 2021, 33:074002 doi: 10.11884/HPLPB202133.210034

    Tan Yulian, Wu Fengjun, Wang Xiaojun, et al. Design and implementation of module fault interlock and protection system of HIAF-BRing power supply prototype[J]. High Power Laser and Particle Beams, 2021, 33: 074002 doi: 10.11884/HPLPB202133.210034
  • 加载中
图(15) / 表(2)
计量
  • 文章访问数:  1274
  • HTML全文浏览量:  313
  • PDF下载量:  83
  • 被引次数: 0
出版历程
  • 收稿日期:  2023-01-23
  • 修回日期:  2023-03-03
  • 录用日期:  2023-03-03
  • 网络出版日期:  2023-03-11
  • 刊出日期:  2023-05-06

目录

    /

    返回文章
    返回