2019 Vol. 31, No. 11
Recommend Articles
Display Method:
2019,
31: 1-2.
2019,
31: 111001.
doi: 10.11884/HPLPB201931.190095
Abstract:
Based on the broad-band pulsed laser amplification model of neodymium glass, the relationship between energy extraction efficiency of the pulsed laser amplification and input fluence, pulse widths and spectral bandwidths (or wavelength distributions) was studied by numerical simulation. The calculation results show that the energy extraction efficiency of the broadband amplification in neodymium glass increases with the increase of the input luminous flux, and finally tends to a certain value. For the medium with uniform broadening, the energy extraction efficiency decreases with the increase of the bandwidth. For the medium with non-uniform broadening, the energy extraction efficiency increases gradually with the increase of the bandwidth, reaching the maximum value, after which it declines. For a mixed widened medium with a uniform widened to non-uniform widened linewidth ratio of 0.1, using a broadband laser can achieve an efficiency improvement of approximately 80% under saturated flux input conditions.
Based on the broad-band pulsed laser amplification model of neodymium glass, the relationship between energy extraction efficiency of the pulsed laser amplification and input fluence, pulse widths and spectral bandwidths (or wavelength distributions) was studied by numerical simulation. The calculation results show that the energy extraction efficiency of the broadband amplification in neodymium glass increases with the increase of the input luminous flux, and finally tends to a certain value. For the medium with uniform broadening, the energy extraction efficiency decreases with the increase of the bandwidth. For the medium with non-uniform broadening, the energy extraction efficiency increases gradually with the increase of the bandwidth, reaching the maximum value, after which it declines. For a mixed widened medium with a uniform widened to non-uniform widened linewidth ratio of 0.1, using a broadband laser can achieve an efficiency improvement of approximately 80% under saturated flux input conditions.
2019,
31: 111002.
doi: 10.11884/HPLPB201931.190177
Abstract:
Computer Controlled Surface Processing(CCOS) technology has been widely and successfully applied to the manufacture of optical components. In typical extreme optical manufacturing engineering, smoothing the surface errors is a very important process. Based on Presston equation, the tool influence function (TIF) of polishing pad is modeled, and the theoretical expression of TIF is obtained. Based on the parametric smoothing model, a multi-parameter time-dependent theoretical model is established. The results show that the surface error of components converges exponentially with the polishing process, and the convergence efficiency depends on the polishing parameters such as material parameters and volume removal rate. The smoothing curve of the theoretical model is simulated and analyzed, and the smoothing efficiency under different technological conditions is compared. The results show that the higher the material coefficient is, the higher the overall smoothing efficiency is. Similarly, the larger the volume removal rate of the polishing pad, the higher the smoothing efficiency of the surface error. A series of smoothing experiments with 3, 5 and 7 mm ripple errors were carried out. The results show that under the same polishing parameters, the smoothing efficiency of ripple with larger spatial frequency will be higher and the convergence curve will decline faster. Finally, the smoothing efficiencies of different material are compared, and the experimental results show that the smoothing efficiency of pitch pad is much higher than that of polyurethane polishing pad.
Computer Controlled Surface Processing(CCOS) technology has been widely and successfully applied to the manufacture of optical components. In typical extreme optical manufacturing engineering, smoothing the surface errors is a very important process. Based on Presston equation, the tool influence function (TIF) of polishing pad is modeled, and the theoretical expression of TIF is obtained. Based on the parametric smoothing model, a multi-parameter time-dependent theoretical model is established. The results show that the surface error of components converges exponentially with the polishing process, and the convergence efficiency depends on the polishing parameters such as material parameters and volume removal rate. The smoothing curve of the theoretical model is simulated and analyzed, and the smoothing efficiency under different technological conditions is compared. The results show that the higher the material coefficient is, the higher the overall smoothing efficiency is. Similarly, the larger the volume removal rate of the polishing pad, the higher the smoothing efficiency of the surface error. A series of smoothing experiments with 3, 5 and 7 mm ripple errors were carried out. The results show that under the same polishing parameters, the smoothing efficiency of ripple with larger spatial frequency will be higher and the convergence curve will decline faster. Finally, the smoothing efficiencies of different material are compared, and the experimental results show that the smoothing efficiency of pitch pad is much higher than that of polyurethane polishing pad.
2019,
31: 112001.
doi: 10.11884/HPLPB201931.190261
Abstract:
In order to further improve the final precision, efficiency and cost-effectiveness of ultra-precision surface modification, and optimize the process direction and process decision-making of ultra-precision self-positioning processing, this paper studies the point cloud fusion process of self-positioning processing algorithm for ultra-precision workpieces. Based on the evaluation, it proposes a self-positioning processing algorithm capability evaluation method based on SVD. Firstly, based on the kinematics method, the matrix representation of point cloud fusion is established. The transformation matrix representation of self-positioning results is established for the translation, rotation and compound motion, respectively.Then the self-positioning point cloud fusion transformation matrix is obtained. A singular value decomposition is performed to obtain a singular value list of the transformation matrix.finally, the largest singular value in the list is used to characterize the self-positioning processing algorithm. By analyzing the free-precision states of a certain type of ultra-precision blade (a total of 1078 sets of free-standing state) it is found that the proposed evaluation index can correctly characterize self-positioning under the condition of independent translation and independent rotation. For the independent translation, the self-positioning processing algorithm can be positioned normally, and the maximum singular deviation value is also less than the pre-set value. For the independent rotation, when the angle is less than 45°, the self-positioning machining can be correctly performed. The singular value difference also approaches zero. Above 45°, the algorithm's self-positioning machining capability deteriorates, and this feature can be correctly captured by the proposed indicators. For the composite motion consisting of translation and rotation, the proposed index shows that about 35% of the cases can be correctly self-positioned, and the rest can not be correctly self-homing. It indicates that the indicators established by the proposed method can correctly characterize the self-positioning machining algorithm.
In order to further improve the final precision, efficiency and cost-effectiveness of ultra-precision surface modification, and optimize the process direction and process decision-making of ultra-precision self-positioning processing, this paper studies the point cloud fusion process of self-positioning processing algorithm for ultra-precision workpieces. Based on the evaluation, it proposes a self-positioning processing algorithm capability evaluation method based on SVD. Firstly, based on the kinematics method, the matrix representation of point cloud fusion is established. The transformation matrix representation of self-positioning results is established for the translation, rotation and compound motion, respectively.Then the self-positioning point cloud fusion transformation matrix is obtained. A singular value decomposition is performed to obtain a singular value list of the transformation matrix.finally, the largest singular value in the list is used to characterize the self-positioning processing algorithm. By analyzing the free-precision states of a certain type of ultra-precision blade (a total of 1078 sets of free-standing state) it is found that the proposed evaluation index can correctly characterize self-positioning under the condition of independent translation and independent rotation. For the independent translation, the self-positioning processing algorithm can be positioned normally, and the maximum singular deviation value is also less than the pre-set value. For the independent rotation, when the angle is less than 45°, the self-positioning machining can be correctly performed. The singular value difference also approaches zero. Above 45°, the algorithm's self-positioning machining capability deteriorates, and this feature can be correctly captured by the proposed indicators. For the composite motion consisting of translation and rotation, the proposed index shows that about 35% of the cases can be correctly self-positioned, and the rest can not be correctly self-homing. It indicates that the indicators established by the proposed method can correctly characterize the self-positioning machining algorithm.
2019,
31: 112002.
doi: 10.11884/HPLPB201931.190098
Abstract:
A method to reduce the ripple errors is proposed by analyzing the generation of medium and high frequency errors. To break the regular distribution of the path, a random disturbance is added to the stepping direction of the grating path, and the errors of a specific frequency are effectively suppressed.The random path is analyzed based on the principle of information entropy, and it is concluded that the disturbance amplitude is the key factor to reduce the ripple errors.On this basis, the generated random perturbation path is smoothed and optimized to reduce the dynamic performance requirements of machine tools. The simulation results show that the optimized path can reduce the surface ripple errors effectively.
A method to reduce the ripple errors is proposed by analyzing the generation of medium and high frequency errors. To break the regular distribution of the path, a random disturbance is added to the stepping direction of the grating path, and the errors of a specific frequency are effectively suppressed.The random path is analyzed based on the principle of information entropy, and it is concluded that the disturbance amplitude is the key factor to reduce the ripple errors.On this basis, the generated random perturbation path is smoothed and optimized to reduce the dynamic performance requirements of machine tools. The simulation results show that the optimized path can reduce the surface ripple errors effectively.
2019,
31: 113001.
doi: 10.11884/HPLPB201931.190257
Abstract:
This paper presents a tunable bandpass filter (BPF) with the wide tuning range of center frequency and high selectivity. The wide frequency tuning range is achieved by a pair of simple varactors-tuned parallel coupled line resonators. Since the electromagnetic mixed coupling between resonators and frequency-variant source-load coupling are incorporated in this configuration, three self-adaptive transmission zeros (TZs) close to the tunable passband are obtained. Also, three TZs can almost keep the same relative location of passband to achieve continuous high selectivity and good out-of-band rejection over the whole frequency tuning range. Meanwhile, by selecting a proper coupling region, a constant fractional bandwidth (CFBW) in the frequency tuning process can be realized. For demonstration, a tunable 0.83-2.15 GHz BPF with a 9%±0.3% CFBW is designed, fabricated and measured. The experimental results show the proposed filter has the advantages of high selectivity and good out-of-band rejection.
This paper presents a tunable bandpass filter (BPF) with the wide tuning range of center frequency and high selectivity. The wide frequency tuning range is achieved by a pair of simple varactors-tuned parallel coupled line resonators. Since the electromagnetic mixed coupling between resonators and frequency-variant source-load coupling are incorporated in this configuration, three self-adaptive transmission zeros (TZs) close to the tunable passband are obtained. Also, three TZs can almost keep the same relative location of passband to achieve continuous high selectivity and good out-of-band rejection over the whole frequency tuning range. Meanwhile, by selecting a proper coupling region, a constant fractional bandwidth (CFBW) in the frequency tuning process can be realized. For demonstration, a tunable 0.83-2.15 GHz BPF with a 9%±0.3% CFBW is designed, fabricated and measured. The experimental results show the proposed filter has the advantages of high selectivity and good out-of-band rejection.
2019,
31: 113002.
doi: 10.11884/HPLPB201931.190021
Abstract:
The coupled field distribution of high power microwave in buildings is calculated by physical optics method. With the transmittivity of the wall and window, the approximate field distribution on the inner surface of wall can be calculated. Substituting the surface transmitted field distribution of the wall into the vector diffraction formula, we can get the transmitted field in the building. With the reflectivity of the floor, the approximate reflection field on the floor's surface can be calculated. Substituting the surface reflected field distribution of the floor into the vector diffraction formula, we can get the reflected field in the building. The superposition field is obtained by vector addition of transmission field and reflection field. The field distribution result of this method and that of the finite-difference time-domain method are in good agreement. The advantages of physical optics method lie in its clear physical image, small amount of computation and fast computation speed.The method is suitable for the calculation of coupled field distribution in large buildings.
The coupled field distribution of high power microwave in buildings is calculated by physical optics method. With the transmittivity of the wall and window, the approximate field distribution on the inner surface of wall can be calculated. Substituting the surface transmitted field distribution of the wall into the vector diffraction formula, we can get the transmitted field in the building. With the reflectivity of the floor, the approximate reflection field on the floor's surface can be calculated. Substituting the surface reflected field distribution of the floor into the vector diffraction formula, we can get the reflected field in the building. The superposition field is obtained by vector addition of transmission field and reflection field. The field distribution result of this method and that of the finite-difference time-domain method are in good agreement. The advantages of physical optics method lie in its clear physical image, small amount of computation and fast computation speed.The method is suitable for the calculation of coupled field distribution in large buildings.
2019,
31: 113003.
doi: 10.11884/HPLPB201931.190180
Abstract:
Aiming at the front door coupling effect of high-power microwave on millimeter wave fuze, the electromagnetic simulation software was used to irradiate a certain millimeter wave FM continuous wave fuze model, and the joint simulation was carried out with the front-end limiting circuit of the fuze. On this basis, orthogonal experiments are designed to analyze the influence level of signal parameters. When the high-power microwave signal frequency is aligned with the fuze working frequency, the simulation results show that the maximum coupling voltage at the end of the antenna can reach 188 V when the peak radiation field intensity is 60 kV/m. When the peak radiation field intensity is 40 kV/m, changing the characteristic parameters of the radiation signal and finds that the long pulse width signal is more likely to cause the thermal breakdown effect of the limiter; the rising time of the signal will affect the end of the antenna. When the peak value and pulse width of the coupled voltage waveform are fixed, the spike leakage voltage caused by the input signal with rise time of 5 ns is about 5.94 V, while the spike leakage voltage is 18.4 V when rise time is 0.1 ns, and the limiting circuit reaches saturation state faster. The orthogonal experiment shows that the spike leakage peak voltage is most affected by the rise time of the signal, and the signal peak is the largest, meanwhile the value has the second effect on it.
Aiming at the front door coupling effect of high-power microwave on millimeter wave fuze, the electromagnetic simulation software was used to irradiate a certain millimeter wave FM continuous wave fuze model, and the joint simulation was carried out with the front-end limiting circuit of the fuze. On this basis, orthogonal experiments are designed to analyze the influence level of signal parameters. When the high-power microwave signal frequency is aligned with the fuze working frequency, the simulation results show that the maximum coupling voltage at the end of the antenna can reach 188 V when the peak radiation field intensity is 60 kV/m. When the peak radiation field intensity is 40 kV/m, changing the characteristic parameters of the radiation signal and finds that the long pulse width signal is more likely to cause the thermal breakdown effect of the limiter; the rising time of the signal will affect the end of the antenna. When the peak value and pulse width of the coupled voltage waveform are fixed, the spike leakage voltage caused by the input signal with rise time of 5 ns is about 5.94 V, while the spike leakage voltage is 18.4 V when rise time is 0.1 ns, and the limiting circuit reaches saturation state faster. The orthogonal experiment shows that the spike leakage peak voltage is most affected by the rise time of the signal, and the signal peak is the largest, meanwhile the value has the second effect on it.
2019,
31: 113004.
doi: 10.11884/HPLPB201931.190145
Abstract:
This paper introduces the thermal simulation analysis and optimization design method of the miniaturized traveling wave tube (TWT) amplifier. Firstly, the thermal loss of TWT is analyzed. Then, based on the thermodynamic theory and ANSYS Icepak software, the TWT amplifier is modeled and simulated. According to the characteristics of the miniaturized TWT, the thermal optimization design of the water-cooled plate and the slow-wave structure are carried out respectively. On this basis, the comprehensive optimization design of the water-cooled plate and the slow-wave structure is carried out. Finally, the experimental verification is excuted. The experimental results are in agreement with the simulation results. The overall and local temperature distribution characteristics of the TWT amplifier have been significantly improved.
This paper introduces the thermal simulation analysis and optimization design method of the miniaturized traveling wave tube (TWT) amplifier. Firstly, the thermal loss of TWT is analyzed. Then, based on the thermodynamic theory and ANSYS Icepak software, the TWT amplifier is modeled and simulated. According to the characteristics of the miniaturized TWT, the thermal optimization design of the water-cooled plate and the slow-wave structure are carried out respectively. On this basis, the comprehensive optimization design of the water-cooled plate and the slow-wave structure is carried out. Finally, the experimental verification is excuted. The experimental results are in agreement with the simulation results. The overall and local temperature distribution characteristics of the TWT amplifier have been significantly improved.
2019,
31: 113005.
doi: 10.11884/HPLPB201931.190153
Abstract:
According to the electron beam parameters and Brillouin magnetic field formula and the axial magnetic flux density peak empirical formula of the periodic focusing system, the axial peak magnetic flux density of the permanent magnet focusing system is calculated. The simulation model of the permanent magnet focusing system of the four-beam travelling wave tube is established by Ansoft Maxwell 3D software. The structural dimensions of the model are parametrically analyzed, the influence of the structural dimension of the periodic permanent magnet focusing system on the magnetic field in the tunnel is studied, the optimal size matching of the magnetic focusing system is determined, and the periodic permanent magnet focusing system of the four-beam traveling wave tube is optimally designed. The axial magnetic flux density peak Bz=309 mT, the transverse magnetic flux density Bt=2.86 mT, Bt/Bz=0.92% on the central axis of the electron beam tunnel.
According to the electron beam parameters and Brillouin magnetic field formula and the axial magnetic flux density peak empirical formula of the periodic focusing system, the axial peak magnetic flux density of the permanent magnet focusing system is calculated. The simulation model of the permanent magnet focusing system of the four-beam travelling wave tube is established by Ansoft Maxwell 3D software. The structural dimensions of the model are parametrically analyzed, the influence of the structural dimension of the periodic permanent magnet focusing system on the magnetic field in the tunnel is studied, the optimal size matching of the magnetic focusing system is determined, and the periodic permanent magnet focusing system of the four-beam traveling wave tube is optimally designed. The axial magnetic flux density peak Bz=309 mT, the transverse magnetic flux density Bt=2.86 mT, Bt/Bz=0.92% on the central axis of the electron beam tunnel.
2019,
31: 113006.
doi: 10.11884/HPLPB201931.190176
Abstract:
This paper studies a high power radio-frequency combiner based on rectangular cavity power combination. The combiner can achieve direct coupling with the power amplifier modules, with high combining efficiency, large power capacity, and adjustable power capacity, which can well meet the current CiADS requirements for the gradient of the power capacity of solid state amplifier. The simulation results of the 12 in 1 combiner show that the amplitude and phase transmissions of each input port to the output port have good consistency, maximum deviation within 0.05 dB and 0.5° respectively. The power capacity of the solid state amplifier can be adjusted by changing the number of power amplifier modules.
This paper studies a high power radio-frequency combiner based on rectangular cavity power combination. The combiner can achieve direct coupling with the power amplifier modules, with high combining efficiency, large power capacity, and adjustable power capacity, which can well meet the current CiADS requirements for the gradient of the power capacity of solid state amplifier. The simulation results of the 12 in 1 combiner show that the amplitude and phase transmissions of each input port to the output port have good consistency, maximum deviation within 0.05 dB and 0.5° respectively. The power capacity of the solid state amplifier can be adjusted by changing the number of power amplifier modules.
2019,
31: 113201.
doi: 10.11884/HPLPB201931.190219
Abstract:
High-altitude electromagnetic pulse(HEMP) is a kind of transient electromagnetic wave which can be coupled into various electronic and electrical equipments through field lines or holes. To ensure that the security system of key departments can work normally under the electromagnetic pulse environment, it is necessary to carry out the electromagnetic pulse effect test against the security system, and analyze the weak link and survival ability of this kind of system under the electromagnetic pulse environment. According to the topology of nuclear security system, the electromagnetic pulse radiation test and pulse current injection test platform are set up, and the threshold and effect phenomena of the key components of the nuclear security system are obtained through the test. Furthermore, the failure mechanism of key components is analyzed based on the circuit principle of each component, and the weak link of typical nuclear security system is summarized, which provide data support for the protection and reinforcement design of the follow-up security system.
High-altitude electromagnetic pulse(HEMP) is a kind of transient electromagnetic wave which can be coupled into various electronic and electrical equipments through field lines or holes. To ensure that the security system of key departments can work normally under the electromagnetic pulse environment, it is necessary to carry out the electromagnetic pulse effect test against the security system, and analyze the weak link and survival ability of this kind of system under the electromagnetic pulse environment. According to the topology of nuclear security system, the electromagnetic pulse radiation test and pulse current injection test platform are set up, and the threshold and effect phenomena of the key components of the nuclear security system are obtained through the test. Furthermore, the failure mechanism of key components is analyzed based on the circuit principle of each component, and the weak link of typical nuclear security system is summarized, which provide data support for the protection and reinforcement design of the follow-up security system.
2019,
31: 113202.
doi: 10.11884/HPLPB201931.190158
Abstract:
The paper proposes a novel tightly coupled dipole array antenna element design, and combines the equivalent circuit to analyze and optimize antenna parameters. The design introduces frequency selective surface placed above the antenna aperture to replace the traditional dielectric superstrate for wideband and wide-angle impedance matching. The balun employs microstrip to coplanar parallel two-wire transition structure to achieve balanced feed and impedance transformation. A prototype is simulated and the results show that the design provides a 3∶1 (from 2 GHz to 6 GHz) bandwidth while scanning to 80° in E-plane and scanning to 45° in H-plane, with an active VSWR < 3. Besides, the cross-polarization isolation of the array at broadside is kept at 25 dB, but the antenna gain is reduced due to the loss of the resistive FSS. The antenna has a simple and compact structure, easy to fabricate, thus realizes miniaturization of a tightly coupled array.
The paper proposes a novel tightly coupled dipole array antenna element design, and combines the equivalent circuit to analyze and optimize antenna parameters. The design introduces frequency selective surface placed above the antenna aperture to replace the traditional dielectric superstrate for wideband and wide-angle impedance matching. The balun employs microstrip to coplanar parallel two-wire transition structure to achieve balanced feed and impedance transformation. A prototype is simulated and the results show that the design provides a 3∶1 (from 2 GHz to 6 GHz) bandwidth while scanning to 80° in E-plane and scanning to 45° in H-plane, with an active VSWR < 3. Besides, the cross-polarization isolation of the array at broadside is kept at 25 dB, but the antenna gain is reduced due to the loss of the resistive FSS. The antenna has a simple and compact structure, easy to fabricate, thus realizes miniaturization of a tightly coupled array.
2019,
31: 115001.
doi: 10.11884/HPLPB201931.190125
Abstract:
To meet the requirements of miniaturization of Marx generator and analyze the discharging process in field aspect, this paper introduces a new model of coaxial Marx generator and field-circuit co-simulation method. The coaxial configuration is based on ring component, avoiding field enhancement caused by structural eccentricity. Using field-circuit co-simulation function, charging and discharging process simulation is achieved by building structure and circuit model in CST software. Simulation results show the wave process in Marx generator. This method can offer help to insulation design and pulse analysis of Marx generator. The 5-stage Marx generator's volume is less than 0.015 m3, can be charged to 88 kV in 10 μs, the output pulse's peak voltage on 40 Ω load is 235 kV, peaking power is 1.4 GW, with 5.3 ns rise time, 11.2 ns pulse width.
To meet the requirements of miniaturization of Marx generator and analyze the discharging process in field aspect, this paper introduces a new model of coaxial Marx generator and field-circuit co-simulation method. The coaxial configuration is based on ring component, avoiding field enhancement caused by structural eccentricity. Using field-circuit co-simulation function, charging and discharging process simulation is achieved by building structure and circuit model in CST software. Simulation results show the wave process in Marx generator. This method can offer help to insulation design and pulse analysis of Marx generator. The 5-stage Marx generator's volume is less than 0.015 m3, can be charged to 88 kV in 10 μs, the output pulse's peak voltage on 40 Ω load is 235 kV, peaking power is 1.4 GW, with 5.3 ns rise time, 11.2 ns pulse width.
2019,
31: 115002.
doi: 10.11884/HPLPB201931.190206
Abstract:
This paper proposes a driving circuit for IGBTs with long duration gating signals output, by which only narrow pulses are transferred by the high-voltage isolation pulse transformer and no high-voltage isolation DC power supplies are utilized. Narrow positive pulse "turn-on" and negative pulse "turn-off" are both transferred by the pulse transformer which is smaller and lighter, comparing with that transferring long duration gating signals. The pulse width broadening circuit turns the IGBTs on at the rising edge of "turn-on" pulse and turns the IGBTs off at the rising edge of "turn-off" pulse, and it also stores energy from "turn-on" pulse, without high-voltage isolation DC power supplies. Narrow pulses generator and over-current protection circuit are interactively designed to produce negative voltage pulse on the gate of IGBTs, which reduces the turn off transition period and enhances the turn off reliability, whether the IGBTs are normally turned off or closed due to over-current protection. The proposed driving circuit is applied to the cascaded high-voltage Marx generator, and the pulse widths of "turn-on" and "turn-off" pulses are both 2 μs. Experimental results show that the Marx generator functions well with maximum voltage output of 20 kV and pulse width at 3.5~50 μs. When arcing generates at plasma load, the over-current protection circuit reacts quickly to turn off the IGBTs with high reliability. The performance of the driving circuit proves its capability of producing long duration gating signals for IGBTs with high reliability and practical validity.
This paper proposes a driving circuit for IGBTs with long duration gating signals output, by which only narrow pulses are transferred by the high-voltage isolation pulse transformer and no high-voltage isolation DC power supplies are utilized. Narrow positive pulse "turn-on" and negative pulse "turn-off" are both transferred by the pulse transformer which is smaller and lighter, comparing with that transferring long duration gating signals. The pulse width broadening circuit turns the IGBTs on at the rising edge of "turn-on" pulse and turns the IGBTs off at the rising edge of "turn-off" pulse, and it also stores energy from "turn-on" pulse, without high-voltage isolation DC power supplies. Narrow pulses generator and over-current protection circuit are interactively designed to produce negative voltage pulse on the gate of IGBTs, which reduces the turn off transition period and enhances the turn off reliability, whether the IGBTs are normally turned off or closed due to over-current protection. The proposed driving circuit is applied to the cascaded high-voltage Marx generator, and the pulse widths of "turn-on" and "turn-off" pulses are both 2 μs. Experimental results show that the Marx generator functions well with maximum voltage output of 20 kV and pulse width at 3.5~50 μs. When arcing generates at plasma load, the over-current protection circuit reacts quickly to turn off the IGBTs with high reliability. The performance of the driving circuit proves its capability of producing long duration gating signals for IGBTs with high reliability and practical validity.
2019,
31: 115003.
doi: 10.11884/HPLPB201931.190124
Abstract:
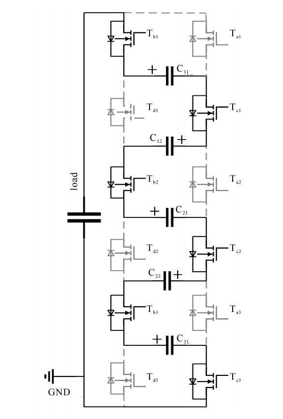
High-voltage multi-level technology has become a hot topic in biomedical and device physical properties. This paper proposes a new all-solid-state high-voltage multi-level generator structure. Compared with the traditional structure, the structure realizes the same level output with fewer switching tubes, which not only reduces the overall volume of the generator, but also saves cost and optimizes the electromagnetic compatibility of the system. In this paper, the structure design, working principle and control timing of resistive load and capacitive load are elaborated in detail. Finally, a maximum output 11-level tester is built. Experiments show that the high-voltage multi-level generator adopts improved type. Control timing can effectively eliminate the pre-pulse phenomenon, ensure the operating frequency of 2 kHz maximum amplitude ± 2 kV, stable operation in resistive and capacitive loads.
High-voltage multi-level technology has become a hot topic in biomedical and device physical properties. This paper proposes a new all-solid-state high-voltage multi-level generator structure. Compared with the traditional structure, the structure realizes the same level output with fewer switching tubes, which not only reduces the overall volume of the generator, but also saves cost and optimizes the electromagnetic compatibility of the system. In this paper, the structure design, working principle and control timing of resistive load and capacitive load are elaborated in detail. Finally, a maximum output 11-level tester is built. Experiments show that the high-voltage multi-level generator adopts improved type. Control timing can effectively eliminate the pre-pulse phenomenon, ensure the operating frequency of 2 kHz maximum amplitude ± 2 kV, stable operation in resistive and capacitive loads.
2019,
31: 115101.
doi: 10.11884/HPLPB201931.190081
Abstract:
A 325 MHz Spoke cavity at medium and low β is developed in institute of High Energy Physics (IHEP) for the CiADS linac. Through the study on the principle of designing a superconducting cavity, three kinds of Spoke cavities including single Spoke cavity, double Spoke cavity and 3-bar Spoke cavity, were designed by the CST MWS.Although both the 3-bar Spoke and the double Spoke have a 3-gap structure, their Spoke bars are different. In the process of cavity design, parametric modeling was used to construct the cavity shape. Then the cavity shape was optimized by the parametric sweep in the CST MWS to minimize ratio of peak electric field to accelerating gradient (EP/Eacc) while keeping ratio of peak magnetic field to accelerating gradient (BP/Eacc) at a reasonably low range. Through the comparison of RF performance parameters, a double Spoke structure was selected as the design, and further optimization for electromagnetic field of double Spoke cavity is carried out.
A 325 MHz Spoke cavity at medium and low β is developed in institute of High Energy Physics (IHEP) for the CiADS linac. Through the study on the principle of designing a superconducting cavity, three kinds of Spoke cavities including single Spoke cavity, double Spoke cavity and 3-bar Spoke cavity, were designed by the CST MWS.Although both the 3-bar Spoke and the double Spoke have a 3-gap structure, their Spoke bars are different. In the process of cavity design, parametric modeling was used to construct the cavity shape. Then the cavity shape was optimized by the parametric sweep in the CST MWS to minimize ratio of peak electric field to accelerating gradient (EP/Eacc) while keeping ratio of peak magnetic field to accelerating gradient (BP/Eacc) at a reasonably low range. Through the comparison of RF performance parameters, a double Spoke structure was selected as the design, and further optimization for electromagnetic field of double Spoke cavity is carried out.
2019,
31: 115102.
doi: 10.11884/HPLPB201931.190003
Abstract:
The simulations of dark-field imaging of high energy electron radiography show that the dark field imaging is distorted in the case of large angle selected. In order to eliminate distortion, an optimized scheme is proposed in this paper. The results of high Energy Electron Radiography (HEER) simulations by optimization show that the dark-field image has better areal density resolution when the thickness of aluminum target is less than 25 μm, and the spatial resolution of dark-field imaging is about several microns. In summary, dark-field imaging of high energy electron radiography is ideal to thin warm dense matter specimen diagnosis.
The simulations of dark-field imaging of high energy electron radiography show that the dark field imaging is distorted in the case of large angle selected. In order to eliminate distortion, an optimized scheme is proposed in this paper. The results of high Energy Electron Radiography (HEER) simulations by optimization show that the dark-field image has better areal density resolution when the thickness of aluminum target is less than 25 μm, and the spatial resolution of dark-field imaging is about several microns. In summary, dark-field imaging of high energy electron radiography is ideal to thin warm dense matter specimen diagnosis.
2019,
31: 115103.
doi: 10.11884/HPLPB201931.190014
Abstract:
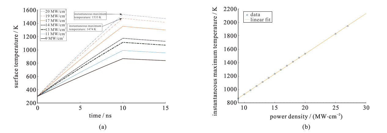
As an excellent photoemission material, GaAs is widely used to prepare cathode materials.Gallium arsenide is usually driven by 532 nm CW laser, which has much lower peak power than the nanosecond pulsed laser at the same average power. Therefore, high peak power laser irradiation can not be avoided when there is a need for some supercharges. Therefore, in the process of using GaAs cathode, it is necessary to measure its damage threshold.Based on the above background, the laser damage threshold of GaAs material is first obtained by calculation, then verified by software simulation. Finally, the difference is analyzed and compared with the experimental results. The numerical result is 17.811 MW/cm2, the simulation result is 19 MW/cm2, and the experimental result is 13.5 MW/cm2. After reasonable analysis, it is believed that the damage threshold of GaAs as photocathode material will be further reduced.
As an excellent photoemission material, GaAs is widely used to prepare cathode materials.Gallium arsenide is usually driven by 532 nm CW laser, which has much lower peak power than the nanosecond pulsed laser at the same average power. Therefore, high peak power laser irradiation can not be avoided when there is a need for some supercharges. Therefore, in the process of using GaAs cathode, it is necessary to measure its damage threshold.Based on the above background, the laser damage threshold of GaAs material is first obtained by calculation, then verified by software simulation. Finally, the difference is analyzed and compared with the experimental results. The numerical result is 17.811 MW/cm2, the simulation result is 19 MW/cm2, and the experimental result is 13.5 MW/cm2. After reasonable analysis, it is believed that the damage threshold of GaAs as photocathode material will be further reduced.
2019,
31: 115104.
doi: 10.11884/HPLPB201931.190163
Abstract:
The Shanghai Synchrotron Radiation Facility (SSRF) is a third-generation synchrotron radiation source with an energy of 3.5 GeV. The superconducting radio frequency cavities have been used to compensate the energy dissipation during synchrotron radiation. A 500 MHz superconducting niobium cavity which adopts the one side fluted beam pipe for higher order modes propagation has been developed to provide support for the operation of SSRF. To make sure this superconducting cavity can be used as a substitution in SSRF, it is necessary to complete the horizontal test after the vertical test was completed successfully. The cavity have been assembled into the cryogenic module with high-power input couplers, high-order mode absorbers, etc.This paper presents the development and installation process of horizontal test module. The high power test of the superconducting cavity have been performed and the static heat loss of the superconducting cavity cryogenic module have been calculated by Venturi tube calibration method. The results show that the performance of 500 MHz superconducting cavity developed by Shanghai Institute of Applied Physics exceeds the working needs of SSRF. When the cavity accelerating voltage of the superconducting cavity is up to 2 MV, the unloaded quality factor Q0 is 1.2×109 at 4.2 K, and the static loss power of the cryogenic module is 36.1 W. The horizontal test for the 500MHz superconducting cavity have been completed in Shanghai Institute of Applied Physics (SINAP).
The Shanghai Synchrotron Radiation Facility (SSRF) is a third-generation synchrotron radiation source with an energy of 3.5 GeV. The superconducting radio frequency cavities have been used to compensate the energy dissipation during synchrotron radiation. A 500 MHz superconducting niobium cavity which adopts the one side fluted beam pipe for higher order modes propagation has been developed to provide support for the operation of SSRF. To make sure this superconducting cavity can be used as a substitution in SSRF, it is necessary to complete the horizontal test after the vertical test was completed successfully. The cavity have been assembled into the cryogenic module with high-power input couplers, high-order mode absorbers, etc.This paper presents the development and installation process of horizontal test module. The high power test of the superconducting cavity have been performed and the static heat loss of the superconducting cavity cryogenic module have been calculated by Venturi tube calibration method. The results show that the performance of 500 MHz superconducting cavity developed by Shanghai Institute of Applied Physics exceeds the working needs of SSRF. When the cavity accelerating voltage of the superconducting cavity is up to 2 MV, the unloaded quality factor Q0 is 1.2×109 at 4.2 K, and the static loss power of the cryogenic module is 36.1 W. The horizontal test for the 500MHz superconducting cavity have been completed in Shanghai Institute of Applied Physics (SINAP).
2019,
31: 115105.
doi: 10.11884/HPLPB201931.190028
Abstract:
The China Spallation Neutron Source (CSNS) accelerator mainly consists of a linear accelerator, a 1.6 GeV rapid cycling synchrotron (RCS), a low energy transport line and a high energy transport line. Among them, there are twelve types of corrector magnets, a total of 74 sets. In order to complete the measurement of the corrector magnets quickly and efficiently, the rotating coil measurement system is used. This paper will introduce the measurement principle, the magnetic measurement system, and a comparison of the measurement results in detail, which is helpful for efficient measurement of mass magnets.
The China Spallation Neutron Source (CSNS) accelerator mainly consists of a linear accelerator, a 1.6 GeV rapid cycling synchrotron (RCS), a low energy transport line and a high energy transport line. Among them, there are twelve types of corrector magnets, a total of 74 sets. In order to complete the measurement of the corrector magnets quickly and efficiently, the rotating coil measurement system is used. This paper will introduce the measurement principle, the magnetic measurement system, and a comparison of the measurement results in detail, which is helpful for efficient measurement of mass magnets.
2019,
31: 115106.
doi: 10.11884/HPLPB201931.190167
Abstract:
In order to study the physical characteristics of high power beam in front of target, the European spallation neutron source plans to develop two beam diagnostic prototypes, including a multi-wire beam profile monitor and a beam halo monitor. Online testing of the prototypes will be conducted on the 3 GeV proton beam transmission line (3NBT) at J-PARC of Japan. In view of the small installation pipe on dump of 3NBT, and the drive mechanism of the prototype should have a large stroke, a multi-wire beam profile monitor of multipoint position suitable for small pipe is proposed, which is integrated with beam halo probe in one prototype. The prototype has compact structure and can realize independent drive of two monitors. The deformation of the monitors and their transmission rods has been analyzed by using ANSYS Workbench. The development of the prototype is completed. To ensure the reliability of the prototype, the off-line testing, such as optical image measurement of wire spacing, vacuum leak detecting, small aperture pass testing and on-off testing has been completed.
In order to study the physical characteristics of high power beam in front of target, the European spallation neutron source plans to develop two beam diagnostic prototypes, including a multi-wire beam profile monitor and a beam halo monitor. Online testing of the prototypes will be conducted on the 3 GeV proton beam transmission line (3NBT) at J-PARC of Japan. In view of the small installation pipe on dump of 3NBT, and the drive mechanism of the prototype should have a large stroke, a multi-wire beam profile monitor of multipoint position suitable for small pipe is proposed, which is integrated with beam halo probe in one prototype. The prototype has compact structure and can realize independent drive of two monitors. The deformation of the monitors and their transmission rods has been analyzed by using ANSYS Workbench. The development of the prototype is completed. To ensure the reliability of the prototype, the off-line testing, such as optical image measurement of wire spacing, vacuum leak detecting, small aperture pass testing and on-off testing has been completed.
2019,
31: 116001.
doi: 10.11884/HPLPB201931.190220
Abstract:
Aiming at the low accuracy of nuclear waste detection under radiation environment, this paper proposes a nuclear waste detection algorithm named Dense-Dilated-YOLO V3 based on deep learning convolution neural network. The experimental results show that Dense-Dilated-YOLO V3 increases the network receptive field without increasing the parameters, effectively avoids the loss of image information, extracts more detailed features of the target in the radiation environment, and accurately detects the target under radiation environment. The rate reached 93.29%, which was 5.53% higher than the original algorithm, and the recall rate reached 91.73%, with an increase of 8.28%. It solved the problem of low accuracy of nuclear waste detection under complex radiation environment, and has better detection effect. It provides a new approach for nuclear waste detection.
Aiming at the low accuracy of nuclear waste detection under radiation environment, this paper proposes a nuclear waste detection algorithm named Dense-Dilated-YOLO V3 based on deep learning convolution neural network. The experimental results show that Dense-Dilated-YOLO V3 increases the network receptive field without increasing the parameters, effectively avoids the loss of image information, extracts more detailed features of the target in the radiation environment, and accurately detects the target under radiation environment. The rate reached 93.29%, which was 5.53% higher than the original algorithm, and the recall rate reached 91.73%, with an increase of 8.28%. It solved the problem of low accuracy of nuclear waste detection under complex radiation environment, and has better detection effect. It provides a new approach for nuclear waste detection.

Email alert
RSS
