ISSN:1001-4322
CN:51-1311/O4
Charged by:Sichuan Association for Science and Technology
Sponsored by:China Academy of Engineering Physics, Chinese Nuclear Society, Sichuan Nuclear Society
Most DownloadedMore >
- A fast analysis method of electromagnetic bandgap structure
- Development of laser technology in Research Center of Laser Fusion
- Attenuation characteristics of electromagnetic wave penetrating walls
- Application of high power microwave vacuum electron devices
- Generation and propagation characteristics of vacuum pulse discharge metal plasma
- Design of 77 GHz vehicle millimeter long- and medium-range radar antenna array
- Development of interface options of hybrid reactor driven with fast Z-pinch neutron source
Most CitedMore >
Recommend ArticlesMore >
Just Accepted manuscripts are peer-reviewed and accepted for publication. They are posted online prior to technical editing formatting for publication and author proofing.
Display Method:
, Available online ,
doi: 10.11884/HPLPB202638.250392
Abstract:
Background Purpose Methods Results Conclusions
Typically, radiation detectors require an additional coupled scintillator layer to convert incident radiation rays into optical signals, which are then received by the detector. Compared to other types of glass, lead fluoride (PbF2) glass has a high refractive index, and when electrons pass through a lead fluoride crystal, they generate Cherenkov light. As a result, lead fluoride itself can function as a scintillator.
Using a lead fluoride crystal as the optical window of a detector enables it to both generate and detect light. This optimizes the optical transmission and detection performance, shortens the conversion time from the reaction medium to photons, improves the detector’s efficiency, and provides an experimental foundation for future applications in ultrafast detection.
After cleaning components such as the cathode input window, ceramic parts, and anode of the photomultiplier tube, a transition indium sealing film layer is deposited on the cathode input window. The ceramic and metal components are then sealed and assembled into a tube shell using a hydrogen furnace. Indium sealing solder is melted into the tube shell’s indium sealing groove, and the tube shell is laser-welded to the anode. The processed tube shell, microchannel plate (MCP), and anode are assembled according to the designed structure. After assembly, the tube shell components and cathode window are mounted on a transfer-type cathode activation and exhaust station. Cathode activation and MCP electron scrubbing processes are then performed. Upon completion of these steps, the tube shell and cathode window are sealed together using indium sealing, resulting in the fabrication of an MCP-type photomultiplier tube bare tube.
Two PbF2-window MCP-PMTs were successfully prepared, and their electrical performance, including quantum efficiency and operating voltage, can be measured.
By integrating lead fluoride crystals, fast-time-response microchannel plates, and a fast-time coaxial conical anode, this study has successfully addressed key technical challenges in the preparation of lead fluoride crystals as the optical window for photomultiplier tubes. Post-fabrication performance tests indicate that core parameters such as quantum efficiency, gain, and rise time are generally comparable to those of conventional fast-time-response MCP-PMTs.
, Available online ,
doi: 10.11884/HPLPB202638.260019
Abstract:
Backgrounds Purpose Methods Results Conclusions
Multilayer film optics allow for the accurate characterization of high-energy-density plasmas produced in ICF implosions by capturing critical information—temporal, spatial, and spectral—of X-rays, thereby enabling dynamic monitoring of the target. Such comprehensive diagnostics are essential for validating numerical models and understanding the key physics that ultimately determine implosion performance.
To address critical X-ray diagnostic applications in ICF research, this paper presents the design, fabrication, characterization, and implementation of high-performance multilayer film optics and systems capable of achieving imaging resolution better than 5 μm, including three critical components: Kirkpatrick-Baez (KB) mirrors, off-axis aspheric mirrors, and Wolter microscopes.
Key advancements were achieved in X-ray optics, ranging from multi-channel KB mirrors for dual-mode diagnostics, precision-manufactured off-axis aspheres, and comprehensively engineered Wolter microscopes.
Key achievements include a spatial resolution of sub-5 μm using the multi-channel KB mirror system, an exceptional surface figure of 1.56 nm RMS and roughness <0.3 nm on a 50 mm length off-axis asphere via ion beam figuring, and the successful implementation of a full-process methodology for Wolter microscopes.
Breakthroughs in the high-precision manufacturing of multilayer film optics and systems will provide robust technical support for plasma diagnostics in domestic ICF experiments.
, Available online ,
doi: 10.11884/HPLPB202638.250497
Abstract:
Background Purpose Methods Results Conclusions
Extremely weak magnetic field measurements in life science require near-zero magnetic environments, typically provided by magnetically shielded rooms (MSRs) constructed of high permeability materials. The shielding performance can be improved by demagnetization technologies.
Conventional AC attenuation demagnetization does not allow for rapid determination and optimization of demagnetization parameters through magnetization state assessment. In contrast, pulse demagnetization can directly reflect the magnetization state through measuring and controlling the magnetic flux linkage. Therefore, this study proposes a flux-controlled pulse demagnetization method for MSR demagnetization equilibrium to regulate the demagnetization process precisely.
The equivalent circuit model is established by considering the losses and the ambient magnetic field, and the flux linkage offset is introduced to correct the control parameters. On this basis, the magnetic properties of the material are measured, and a finite element model of the MSR is established to analyze its theoretical performance limit.
By testing the residual magnetic field inside the MSR, it has been demonstrated that this method can achieve an average residual magnetic field as low as 3.1 nT in the central area of the double-layer MSR.
The comparison with the conventional demagnetization can illustrate the improvement of pulse demagnetization in static magnetic shielding performance. The average residual magnetic field is improved by 46.6% for 120 complete demagnetization cycles.
, Available online ,
doi: 10.11884/HPLPB202638.250305
Abstract:
Background Purpose Methods Results Conclusions
Among the existing path planning algorithms, the search-based A* algorithm is highly dependent on grid maps and incurs large computational memory overhead at high resolutions. Meanwhile, the sampling-based RRT algorithm and RRT* algorithm suffer from low search efficiency and long path planning time.
Aiming at the shortcomings of existing algorithms and the requirement for real-time path planning, a brand-new hybrid algorithm strategy is proposed.
Firstly, based on the A* algorithm’s dependence on grid maps, an omnidirectional optional path search perspective is put forward. Secondly, in view of the strong randomness and low search efficiency of sampling-based algorithms, a global optimal path search direction and a new efficient node selection method are proposed. Near obstacles, the idea of a simple and convenient wall-following algorithm is adopted to avoid falling into local minima while further shortening the running time of path planning.
Simulation results show that in obstacle environments of different complexities, compared with the traditional A* algorithm, RRT algorithm, and RRT* algorithm, the new hybrid algorithm reduces the path planning time by more than 96%, shortens the generated path length to varying degrees, and decreases the average number of iterations by more than 98%.
The Mixed algorithm demonstrates excellent adaptability in three typical environments: it can rapidly generate near-optimal paths in open and regular environments; it also achieves high planning efficiency in cluttered but wide-passage environments; and it can efficiently find short paths even in challenging environments with narrow passages. Comparisons with the A*, RRT, and RRT* algorithms further verify that the Mixed algorithm performs outstandingly in terms of both path quality and search efficiency.Therefore, this algorithm can significantly improve the efficiency of path planning and provide strong support for the efficient autonomous path planning of UAV obstacle avoidance.
, Available online ,
doi: 10.11884/HPLPB202638.250494
Abstract:
Background Purpose Methods Results Conclusions
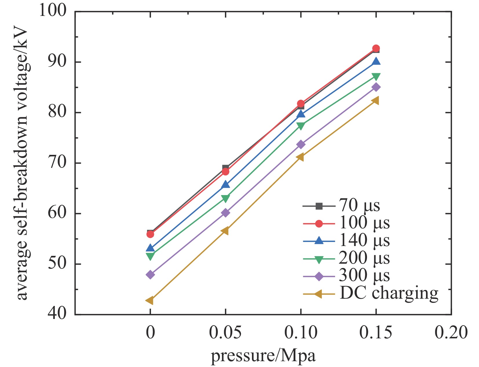
The fast linear transformer driver (FLTD) is a pulsed power technology route that is developing rapidly worldwide at present. The fast linear transformer driver contains a large number of gas switches. Self discharge of switches during charging causes severe iMPacts on the driver.
Shortening the original charging process from tens of seconds to tens to hundreds of microseconds reduces the withstand voltage time of switches, lowering the pre-fire rate.
In this paper, a resonant circuit is used to generate pulse voltages with adjustable front edges on gas switches, an experimental platform for gas switches under pulse charging mode is designed and built, and the breakdown characteristics of multi-gap gas switches used in LTD under pulse charging mode are experimentally studied.
Results show that under pulse charging conditions, the average self-breakdown voltage of gas switches is higher than that under DC charging conditions with the same parameters. The trigger discharge characteristics are similar to those under DC conditions. The switch trigger delay and jitter results are basically the same under the operating coefficient of 65%–75%. After more than 5 000 pulse charging tests under the 90% operating coefficient, the pre-fire rate of the switch is basically consistent with the Weibull fitting results. According to the distribution model, the pre-fire rate can be reduced to 10−6 under the 60% operating coefficien
Experiments verify the effect of pulse charging on improving the reliability of gas switches. In this charging mode, the self-breakdown voltage is increased and the pre-fire rate is reduced, which lays a foundation for the feasibility of applying pulse charging technology in LTD modules.
, Available online ,
doi: 10.11884/HPLPB202638.260001
Abstract:
Background Purpose Methods Results Conclusions
With the growing demand for fast-rising high-voltage pulses in industrial, medical, and plasma-related applications, solid-state Marx generators are increasingly used as pulse sources. However, the limited switching performance of semiconductor devices and constraints of circuit topology pose significant challenges for the design of solid-state Marx generators capable of producing very steep rising time.
This study investigates the factors that determine the rise time of solid-state Marx generators and, on this basis, develops a generator that meets the performance requirements for fast-rising pulses.
A discharge-circuit model of a semiconductor-switched solid-state Marx generator was established, and simulations of parasitic elements were carried out in LTspice to identify their influence on the pulse rise time. In addition, the characteristic impedance of a coaxial output structure was incorporated into the simulations. Guided by these results, a solid-state Marx generator using dual parallel switching paths and a coaxial output structure was designed.
Simulation results indicate that the series parasitic inductance of the circuit, the gate-drive resistance, and the Miller capacitance of the switches have the greatest impact on the rise time. By selecting appropriate MOSFETs and choosing a coaxial inner conductor with a characteristic impedance of 177.4 Ω for a 200 Ω load, a coaxial solid-state Marx generator was realized that delivers 10 kV/50 A pulses with a measured rise time of 7.6 ns.
Based on this analysis and design, a high-performance high-voltage pulse generator has been developed. The results provide a useful reference for further shortening the rise time of solid-state Marx generators, broadening their application range, and promoting their use as alternatives to conventional gas-switch Marx generators.
, Available online ,
doi: 10.11884/HPLPB202638.250487
Abstract:
Background Purpose Methods Results Conclusions
The propagation of high-power lasers through the atmosphere is subject to thermal blooming effects, which arise from wavelength-dependent atmospheric absorption and subsequent refractive index perturbations. Supercontinuum lasers, characterized by broad spectral bandwidths, introduce additional complexity due to differential absorption and attenuation across their spectral components.
This study aims to develop a numerical simulation method for the thermal blooming effect during atmospheric propagation of supercontinuum lasers, with particular focus on accounting for the differential atmospheric absorption and attenuation across various wavelengths within the supercontinuum spectrum.
Based on Maxwell’s wave equations for light propagation and the fluid dynamics equations for atmospheric thermal absorption, a numerical simulation model was established using a multi-layer phase screen Fourier transform method and a multi-wavelength incoherent superposition approach. A thermal blooming phase screen was constructed by integrating the spectral distribution of the supercontinuum laser source with principles of atmospheric radiative transfer to characterize the cumulative thermal effects from atmospheric absorption at each wavelength component. The reliability of the simulation model was verified by comparing its results with existing theoretical outcomes for single-wavelength laser atmospheric thermal blooming.
Using the proposed numerical simulation model, preliminary simulations were conducted on the atmospheric thermal blooming effects of supercontinuum lasers at different emission powers. Key parameters such as typical on-target intensity distribution, centroid offset, Strehl ratio, and energy distribution curves for atmospheric propagation were calculated. The results reveal the unique intensity distribution and certain beam characteristics of the supercontinuum laser.
The numerical method proposed in this paper provides a foundational research tool for studying the thermal blooming effects in high-power supercontinuum laser atmospheric propagation.
, Available online ,
doi: 10.11884/HPLPB202638.250389
Abstract:
Background Purpose Methods Results Conclusions
The Single-Channel Electron Multiplier (CEM), as a high-gain electrovacuum device, is widely utilized in fields such as mass spectrometry and space exploration. Currently, domestically produced CEMs often face challenges including relatively low gain and inconsistent performance.
To address these issues, this study undertakes the development of high-gain CEMs through both simulation and experimental approaches.
For the simulation, a three-dimensional model of the CEM was established using CST Studio Suite, incorporating the finite integration technique, the Monte Carlo method, and the Furman secondary electron emission model. This model systematically simulated the electron trajectories and multiplication processes within the channel.
The simulation results indicate that the electron multiplication characteristics of CEMs are significantly influenced by structural parameters and functional thin films. The optimal structural parameters were identified as a funnel diameter of 13 mm, a channel diameter of 1.2 mm, a straight-channel length of 14 mm, and a bending radius of 15.5 mm.Experimentally, the fabricated CEM channels exhibited consistent morphology with a low film roughness of approximately 0.65 nm, indicating good process consistency and high smoothness of the inner walls, which aligns well with the theoretical design. A comparison between two CEMs with different structural parameters revealed that the optimized structure achieved a nearly fivefold increase in gain under the same operating voltage. Furthermore, after depositing an approximately 5 nm thick Al2O3 functional film on the inner channel wall via atomic layer deposition, the gain of the CEM increased by approximately 20 times under the same voltage, underscoring the critical role of functional films with a high secondary electron emission coefficient in enhancing gain.
Through theoretical simulation and performance optimization analysis, this study provides key parameter optimization guidelines and a technical foundation for the localized design of CEMs.
, Available online ,
doi: 10.11884/HPLPB202638.250241
Abstract:
Background Purpose Methods Results Conclusions
Radiation protection and the safety of radiation sources are critical in industrial applications. The Basic Standard for Protection against Ionizing Radiation and Safety of Radiation Sources is a key technical standard in China, establishing personal dose limits for occupational exposure and the public. Ensuring that the radiation dose from the transport of radioactive sources remains below these limits is essential. Cobalt-60 (60Co) sources are widely used in industrial applications, and their transport containers must provide adequate shielding to minimize radiation exposure.
This study aims to evaluate and optimize the shielding performance of a cobalt source container to ensure compliance with national standards and to protect personnel during transportation. The research focuses on analyzing the shielding effectiveness under different loading configurations and verifying the container's performance against regulatory requirements.
The shielding analysis was conducted using the Monte Carlo method and MESH grid mapping. The study considered the activity of individual radioactive sources and their loading configurations, focusing on four eccentric loading schemes. The dose rate levels were analyzed at various angles, and MESH grids were used to visualize the spatial distribution of dose rates on accessible platforms.
The analysis demonstrated that the cobalt source container meets the national standard (GB). The dose rate levels at different angles and positions were found to be consistent with regulatory limits. The MESH grid visualization provided a clear understanding of the dose rate distribution, confirming the container's shielding performance under the tested configurations.
The research validates the shielding effectiveness of the cobalt source container and provides a systematic approach for evaluating and optimizing shielding designs. The findings contribute to ensuring safe transport of radioactive sources and compliance with radiation protection standards.
, Available online ,
doi: 10.11884/HPLPB202638.250479
Abstract:
Background Purpose Methods Results Conclusions
Avalanche transistors are extensively employed in microwave devices, pulse power supplies, and various other applications. Owing to their capability of generating instantaneous high power, significant thermal management challenges arise. The active region of an avalanche transistor operates at the micrometer scale, where classical Fourier's law of heat conduction becomes inadequate due to the breakdown of phonon diffusive transport assumptions. At such microscopic dimensions, the heat transfer mechanism deviates markedly from that at macroscopic dimensions. The Boltzmann Transport Equation (BTE) of phonon scattering, which remains valid across multiple spatiotemporal scales, provides a robust framework for modeling non-Fourier thermal transport phenomena.
This study aims to propose a new electrothermal coupling method for simulating the working process semiconductor devices, in order to capture the non-Fourier heat conduction effect within semiconductor materials at the micro-nanoscale, where phonon ballistic transport dominates.
In this study, the phonon BTE is adopted as the governing equation, and the Lattice-Boltzmann Method (LBM) is employed for spatial and temporal discretization to establish a mesoscopic numerical model of non-Fourier heat conduction at the microscale. This model is applied to simulate the transient thermal behavior of avalanche transistors, with input conditions derived from TCAD-based electrothermal coupling simulations.
The internal temperature field of the avalanche transistor predicted by the non-Fourier conduction model is higher than that of the traditional Fourier conduction model.
These findings highlight the importance of incorporating non-Fourier heat conduction effect into the thermal analysis of micro-nano scale devices.
, Available online ,
doi: 10.11884/HPLPB202638.260049
Abstract:
Background Purpose Methods Results Conclusions
In high-power coherent beam combining systems based on segmented-mirror-splitters (SMS), thermal effects arising from parasitic absorption in optical components are a critical factor that limits steady-state combining performance.
To address the limited understanding of the mechanisms underlying thermally induced performance degradation in high-power two-stage cascaded SMS systems,
we established a 28-channel optical-thermal-mechanical multi-physics coupling model using the finite element method. Numerical simulations were performed to analyze the thermally induced wavefront distortion and the sequential coherent superposition of multiple beams within the zig-zag optical path.
The results indicate that the accumulation of laser power along the combining direction leads to a significantly higher thermal load on the second-stage segmented mirror than on the first stage. Consequently, an asymmetric temperature gradient induces substantial beam quality degradation along the combining direction.
Furthermore, parametric optimization demonstrates that reducing the substrate thickness can effectively suppress thermal distortion, thereby enhancing combining efficiency and improving beam quality. Meanwhile, although increasing the sub-beam spacing reduces thermal effects and enhances combined power, it simultaneously intensifies the anisotropic beam quality degradation.
, Available online ,
doi: 10.11884/HPLPB202638.250495
Abstract:
Background Purpose Methods Results Conclusions
Pulse thyristors operate under high-current pulse conditions, where repeated combined electromagnetic and thermal stresses cause localised overheating. This leads to electrothermal erosion of the aluminum layer, accelerating thermal fatigue failure of the thyristor.
This study aims to establish an electrothermal characterization model to evaluate the electro-erosion effect, thereby providing reliable technical support for the quantitative assessment of pulse thyristor electrical erosion failures.
A micro-scale contact interface electrothermal characteristic characterization model for pulse thyristors was established. This model comprehensively considers factors such as surface roughness, applied pressure, electrode patterns, and carrier diffusion, and was simulated under pulsed operating conditions. Furthermore, an accelerated aging test for thyristor electro-erosion was designed to validate the simulation's accuracy.
Experimental observations revealed that after 140 repeated discharges, significant aluminum layer erosion appeared on the outer ring of the switch anode surface. When the discharge cycles reached 400, silicon pits emerged closer to the gate position.
The experimental results successfully validated the model's predictive accuracy regarding the failure mechanisms of electrical erosion. This proposed model provides reliable technical support for the quantitative assessment of pulse thyristor electrical erosion failures.
, Available online ,
doi: 10.11884/HPLPB202638.250406
Abstract:
Background Purpose Methods Results Conclusion
With the development of high power microwave combining technology, light miniaturization and precise triggering become the important development direction of high power pulse generator. High-power Marx pulse generator has obvious advantages in light miniaturization. Precise triggering is the next research focus.
In order to solve the difficulty of Marx pulse generator based on gas switch in synchronization, the photoconductive semiconductor switch(PCSS) type V/n trigger gas switch for trigger of Marx generator is studied in this paper, aiming to realize the trigger delay jitter of the Marx pulse generator less than 2 ns under the condition of repetition frequency.
First of all, the feasibility of precise triggering of Marx pulse generator based on 2 stage of PCSS type V/n gas switch is analyzed theoretically, then circuit simulation and experimental verification are carried out.
The circuit simulation results show that the Marx pulse generator based on the two-stage proposed trigger switch can acquire a trigger delay jitter less than 2 ns, which conforms to the theoretic analysis. A four-stage PFL-Marx pulse generator based on 2 stage of PCSS type V/n gas switch is developed. Test result shows that the developed Marx generator has a trigger delay jitter of 1.3 ns at 10Hz/100 pulses.
The results show that the PCSS type V/n gas switch can realize a trigger delay jitter of nanosecond range of Marx pulse generator. The research in this paper provided a feasible technical means for the precise trigger and power combination of high power Marx pulse generator.
, Available online ,
doi: 10.11884/HPLPB202638.250308
Abstract:
Background Purpose Methods Results Conclusions
With the rapid development of the low-altitude economy, the number and speed of aircraft in partially open airspace are sharply increasing, intensifying the challenges of collision avoidance and safety management. Real-time perception of high-speed targets is therefore essential. However, existing sensors cannot meet the strict constraints of power, payload, and cost, highlighting the need for lightweight and energy-efficient alternatives.
Aircraft accumulate electrostatic charges through triboelectric effects between blades or skins and atmospheric particles such as dust, ice crystals, or raindrops, as well as through jet charging from engine exhausts. These charges disturb the surrounding electrostatic field, which can be detected by electrostatic sensors. Previous studies have demonstrated trajectory and velocity detection using flat plates, cylindrical electrodes, vector field sensors, and even self-powered or deep learning–assisted approaches. Yet, such electrode arrays are typically bulky, aerodynamically intrusive, and unsuitable for low-altitude platforms. To address these gaps, this study introduces a bio-inspired electrostatic sensing approach.
Inspired by sharks’ Lorenzini ampullae, a conformal hemispherical electrode array was deployed to provide directional diversity and enhance spatial resolution. Theoretical modeling examined the effects of electrode orientation, target distance, and velocity on induction signals. A laboratory system was constructed using an electromagnetic launcher and attitude control module to fire charged metal spheres within a 4 m arena. A robotic platform equipped with the hemispherical array collected signals under two modes: central crossing and regional coverage. A symbolic regression model is then trained on the dataset to reconstruct the trajectory direction of flying targets.
Models trained solely on central crossing data exhibited overfitting and poor generalization. In contrast, models trained on regional coverage data achieved consistent accuracy across datasets, with omnidirectional prediction errors below 7.71°and variations within 1°, demonstrating strong robustness and generalization.
This work presents a bio-inspired electrostatic sensing method for detecting charged flying targets. The system achieves accurate omnidirectional trajectory prediction with low error and minimal energy demand. The approach is passive, lightweight, low-cost, and easy to integrate, offering considerable potential for low-altitude airspace safety management. Future studies will focus on improving trajectory prediction accuracy and extracting multidimensional flight information.
, Available online ,
doi: 10.11884/HPLPB202638.250361
Abstract:
Background Purpose Methods Results Conclusions
As a high-energy radiation source, X-ray sources have been widely used in many research areas, such as radiation detection, radiation effects and surface thermodynamic effects. Bremsstrahlung diodes can produce X-ray sources with adjustable energy spectrum and pulse width.
In order to improve the quality of X-ray source, the physical process of electron beam generation and transmission to target in Bremsstrahlung diode needs to be studied deeply.
In this paper, the generation and transmission characteristics of the electron beam in a bremsstrahlung diode which is called the low impedance nested double-ring diode are numerically simulated using the all electromagnetic PIC(Particle-in-Cell) code. Evolution of the electron beam propagation characteristics during the voltage pulse rise process is investigated emphatically, and the physical characteristics and operation principles of the diode are analyzed and summarized.
When the peak diode voltage is 1.5 MV, simulation results showed that the total beam current obtained on the target is about 2.47 MA, the impedance is 0.6 Ω and the maximum intensity of the self-magnetic field in the diode reaches 1.7 T. The typical physical images such as the spatial distribution of electric field and angular self-magnetic field in the diode, the distribution of electrons in real space and phase space, the distribution of electron numbers versus the electron energy, the radial position, and impact angles on the anode target surface are given by simulations. The influence of diode voltage waveform and end axial gap length on diode impedance, current and electron beam trajectory are also obtained by simulations when the other structural parameters are fixed.
The simulation results will be used as the input parameters for subsequent calculation of X-ray dose and spatial distribution generated by electron bremsstrahlung using the Monte Carlo (MC) code.
, Available online ,
doi: 10.11884/HPLPB202638.250397
Abstract:
Background Purpose Methods Results Conclusions
The rapid growth of the new energy vehicle industry has led to a surge in retired lithium-ion batteries. Efficient separation of electrode sheets and separators is crucial for high-quality material recovery, yet electrostatic adhesion formed during long-term storage significantly hinders this process. Existing mechanical and chemical separation methods suffer from material damage, high cost, or environmental risks, creating a demand for cleaner and more efficient technologies.
This study investigates a non-contact electrostatic elimination method based on ion wind and evaluates its effectiveness in reducing electrostatic adhesion between electrode sheets and separators in lithium battery recycling.
An electro-hydrodynamic–particle coupled numerical model was established using a sequential multiphysics coupling strategy. The model integrates corona discharge, turbulence, fluid flow, particle tracking, and electrostatic field interactions. Simulations were conducted at applied voltages of 10 kV, 13 kV, and 15 kV with a discharge duration of 20 s to analyze ion wind velocity, particle migration, surface charge decay, and electrostatic attraction force.
Ionic wind velocities reached 0.089 m/s, 0.65 m/s, and 1.97 m/s at 10 kV, 13 kV, and 15 kV, respectively. The generated ion wind transported charged particles toward oppositely charged electrode sheets, promoting charge neutralization. Within 20 s, the positive surface charge decreased from 1 μC to 0.851 μC, 0.789 μC, and 0.770 μC, while the negative charge decreased from −1 μC to −0.872 μC, −0.800 μC, and −0.782 μC. The electrostatic attraction force correspondingly declined from 0.127 N to 0.093 N, 0.079 N, and 0.076 N.
Ionic wind generated by corona discharge effectively reduces electrostatic adhesion between electrode sheets and separators, and its neutralization performance improves with increasing discharge voltage. The findings provide a theoretical basis for optimizing electrostatic control in lithium battery recycling processes.
, Available online ,
doi: 10.11884/HPLPB202638.250374
Abstract:
Background Purpose Methods Results Conclusions
Linear Transformer Driver (LTD) are among the most critical and complex systems in Z-pinch device, and reliability assessment is a central issue in the demonstration of device design schemes.
This study aims to establish a probabilistic model for switch self-breakdown and capacitor failure based on the basic components of the power source, and to propose a hierarchical analysis method for system-level reliability quantification.
Probability models for switch self-breakdown and capacitor failure were developed based on fundamental components such as switches and capacitors. A top-down hierarchical analysis approach was adopted to construct reliability models for the brick layer, LTD cavity layer, and LTD branch layer, along with a fault-domain boundary calculation method. System-level reliability was quantified using Monte Carlo simulations based on performance-margin reliability theory.
The results indicate that when the allowable number of faults in both the LTD cavity layer and the branch layer is greater than one—and neglecting special cases such as simultaneous nanosecond-scale switch failures (extremely low probability) and multiple adjacent cavity failures—the system reliability does not exceed the product of the reliability of the IVA secondary and the fault-isolation switch. A single unintended switch discharge coupling voltage nearly doubles the failure probability of other switches within the same cavity, while its impact on switches in other cavities is on the order of 10−4 and on capacitors about 10−6. This coupling effect can be ignored in system reliability calculations only when the allowable number of faults in both the cavity and branch layers exceeds one. As component reliability improves, enhancing switch reliability below 0.9996 significantly affects system reliability, whereas improving capacitor reliability only noticeably influences the system when switch reliability is relatively low.
The proposed hierarchical reliability modeling and Monte Carlo simulation approach provides a systematic framework for evaluating ultra-large-scale LTD systems in Z-pinch devices. The findings highlight the conditional negligible effects of coupling voltages and offer guidance for prioritizing component reliability improvements in engineering design.
, Available online ,
doi: 10.11884/HPLPB202638.250349
Abstract:
Background Purpose Methods Results Conclusions
Low-light environments directly result in insufficient image brightness, obscured details, and significant noise, which lead to a sharp decline in the performance of traditional feature matching algorithms and a surge in the false matching rate.
A novel preprocessing algorithm integrating the Illumination Enhancement Algorithm (IEA) and Discrete Wavelet Transform (DWT) is proposed, aiming to provide high-quality input for subsequent feature matching through multi-stage image optimization.
The algorithm utilizes IEA to adaptively enhance the overall brightness and local contrast of the image. Through DWT multi-scale decomposition, it preserves the main structure of the separated low-frequency components and performs threshold processing on high-frequency components in different directions, thereby achieving edge enhancement and noise reduction. Finally, the optimized image is input into the SURF algorithm to complete feature extraction and matching. To verify the effectiveness of the proposed algorithm, image feature matching experiments were conducted under extremely low-light, faintly low-light, and low-light environments.
The experimental results show that compared with the single IEA or DWT preprocessing methods, the proposed algorithm achieves the most significant effect, with the average number of correct feature matching pairs reaching 261, which is a 6.53-fold increase.
The new preprocessing algorithm IEA-DWT can effectively solve the core problems of blurred details and noise interference in image feature matching in low-light environments, and provides reliable technical support for feature matching in low-light scenes.
, Available online ,
doi: 10.11884/HPLPB202638.250364
Abstract:
Background Purpose Methods Results Conclusions
The integration of free-electron laser, strong magnetic field, and ultralow-temperature environments is a core direction of multi-disciplinary frontier research. As the key component of the free-electron laser-microwave power source system, solid-state high-voltage modulators directly determine the performance and operational stability of the Free Electron Laser & High Magnetic Field Device.
This study aims to develop a high-voltage solid-state modulator that meets the parameter requirements of the Device, establish a refined circuit-magnetic circuit model for its topology, and verify the model’s accuracy to support subsequent research on the modulator system and klystrons.
Guided by the Device’s specifications, the modulator topology was determined based on the inductive superposition principle. The discharge unit scheme was designed, and a fractional-ratio pulse transformer was selected to achieve a 1:345 voltage boost ratio. A refined model was constructed, including modular discharge unit modeling, fractional-ratio pulse transformer modeling based on magnetic reluctance theory, and klystron modeling. Dummy load experiments and klystron load tests were conducted to validate the model.
The fabricated modulator achieves the designed parameters of 310 kV, 320 A, 10 μs pulse width, and 10 Hz repetition frequency. Experimental and simulated waveforms show excellent agreement in the pulse leading edge and flat-top regions, with nearly complete overlap, which initially verifies the model’s accuracy.
The developed modulator meets the operational requirements of the Free Electron Laser & High Magnetic Field Device, and the established refined model exhibits high reliability. This work lays a solid foundation for in-depth research on the modulator system and klystrons, and provides essential experimental support for multi-disciplinary frontier studies relying on the Device.
, Available online ,
doi: 10.11884/HPLPB202638.250344
Abstract:
Background Purpose Methods Results Conclusions
The spatial distribution of the neutron-induced gamma radiation field generated within the ground medium by intense pulsed neutrons is critically dependent on the neutron source location and the chemical composition of the soil. These distributional variations give rise to differential radiological hazards for personnel.
The objective of this study is to quantitatively assess the environmental levels of neutron-induced gamma radiation across diverse scenarios—specifically incorporating variations in neutron source location and ground medium composition—to facilitate research on intense pulsed neutron radiation environments and to inform evidence-based development of radiation protection protocols for personnel.
Based on an atmospheric stratification model, a two-step Monte Carlo simulation methodology was implemented to quantify the dose distribution of neutron-induced radioactivity within the ground medium and the temporal evolution of dose rates at representative locations across diverse soil compositions. Subsequently, empirical formulas characterizing the dose contributions of individual radionuclides were derived through curve-fitting analysis. Numerical simulations were performed for three representative soil compositions to derive nuclide-specific activation coefficients, facilitating rapid estimation of activated atom populations within the soil matrix. The average dose contributions of individual radionuclides were quantitatively evaluated based on dose contribution per unit mass. Furthermore, two novel safety metrics—the Soil Safety Residence Index and Safety Residence Distance —were proposed to systematically assess the safety of the induced radioactivity environment caused by intense pulsed neutron under varying soil conditions across multiple temporal scales.
Results demonstrate that, for neutron source heights below 1000 m, the dose exhibits an exponential dependence on source altitude, while the activation coefficient shows pronounced variation with horizontal projection distance. Manganese (Mn) was identified as the element contributing the highest dose per unit mass. Soils with low aluminum (Al) content yielded a higher Soil Safety Residence Index, whereas soils enriched in manganese (Mn) and sodium (Na) exhibited shorter Safety Residence Distances, indicating elevated radiological risk under equivalent exposure conditions.
This study confirms that the spatial distribution and temporal evolution of the gamma radiation field generated by intense pulsed neutrons are governed by source geometry and the chemical composition of the soil medium. Manganese (Mn) is identified as the predominant radionuclide contributing to dose per unit mass, underscoring the imperative for enhanced radiological protection protocols in manganese-enriched soil environments. Moreover, the Soil Safety Residence Index and Residence Distance serve as rapid, quantitative metrics to inform appropriate radiation protection strategies for personnel across diverse soil conditions.
, Available online ,
doi: 10.11884/HPLPB202638.250445
Abstract:
Background Purpose Methods Results Conclusions
Drift step recovery diodes are widely applied as high power semiconductor opening switches due to their fast recovery behavior and stable operation. When combined with magnetically saturated transformers, they provide an effective solution for generating high voltage nanosecond pulses. However, the pulse formation process is jointly influenced by magnetic saturation, resonant behavior, and circuit parameters, which increases the difficulty of parameter selection and compact implementation.
This study aims to investigate a DSRD based magnetically saturated transformer pulse source and to clarify the role of key parameters in the pulse formation process. The objective is to establish a practical parameter design approach that supports compact structure, high repetition operation, and stable output performance.
The operating principle of the DSRD is first analyzed, and a pumping circuit is designed by combining the device characteristics with the boosting and magnetic saturation properties of the transformer. Based on classical models of magnetically saturated transformers and LC resonance, the relationships among saturation time, secondary current rise rate, and peak current are analyzed qualitatively and calculated quantitatively. These calculations are used to determine the parameter range of the experimental prototype. Circuit simulations are carried out under a repetition frequency of 1 kHz to verify the feasibility of the proposed topology and parameter configuration. Experimental investigations are then conducted to study the influence of transformer turns ratio, core cross sectional area, primary and secondary capacitances, and core material on the pulse output characteristics.
The experimental results show that, with a charging voltage of 700 V, the developed pulse source generates a high voltage pulse with an amplitude of approximately 15.9 kV and a rise time of about 11.7 ns across a 75 Ω resistive load. Stable operation is achieved at a repetition frequency of 1 kHz. The experimental observations are consistent with theoretical analysis and simulation results.
The proposed analysis and design approach provides practical guidance for parameter selection in DSRD based magnetically saturated transformer pulse sources. The results support compact implementation and reliable operation under high repetition conditions, and offer reference for further optimization of high voltage nanosecond pulse systems.
, Available online ,
doi: 10.11884/HPLPB202638.250307
Abstract:
Background Purpose Methods Results Conclusions
The iLinac superconducting linear accelerator in the Heavy Ion Accelerator Facility (HIAF) must operate stably for extended periods in a cryogenic vacuum environment, facing risks such as cavity quenches and helium pressure anomalies. Traditional FPGA or PLC-based protection schemes suffer from poor coordination or millisecond-level delays, resulting in inadequate performance for meeting microsecond-level protection requirements.
Design of a radio frequency integrated protection system to address issues such as low coordination efficiency, insufficient resource utilization, and high latency, thereby achieving microsecond-level reliable protection.
A ZYNQ SoC-based architecture combines FPGA parallel processing (for interlocks) and ARM management. Fiber-optic I/O multiplexes multi-source signals, reducing interface count by 75%. Reliability is assessed via MTBF/MTTR analysis.
Experiments indicate that the response time of the fiber-optic interface is less than 1.78 μs, and that of dry-contact signals is below 130 μs. The system enables real-time monitoring of the full-link status of critical signals and provides visual control based on the CS-Studio platform. It has been successfully deployed in the HIAF iLinac superconducting segment and is operating stably.
The system provides microsecond response, high reliability, and centralized monitoring, offering a reusable solution for superconducting accelerator protection.
, Available online ,
doi: 10.11884/HPLPB202638.250365
Abstract:
Background Purpose Methods Results Conclusions
Lightning is a transient electrical discharge that occurs during thunderstorms. The current generated by lightning can reach up to 200 kA, causing significant damage to aircraft, overhead power lines, electronic information equipment, and field military equipment. Therefore, the lightning strike test is necessary.
To address the requirements of the pulse current generators in the lightning strike test, a modular device for generating the lightning current is designed and developed in this study, which is used to simulate the direct effects and indirect effects of lightning current.
The modular lightning current simulation device is mainly composed of four modules A, B, C, and D, which can respectively generate the component A initial lightning current, component B intermediate current, component C continuous current, and component D restrike current of the lightning current. The electrical parameters of the four modules are designed based on the theoretical analysis and the circuit simulation. Module A and Module D adopt the multi-branch parallel discharge scheme of energy storages capacitor and gas switches. The thyristor is used in module B, and module C adopts the scheme to combine the super capacitor and the solid-state switch to cut off the current directly. Considering the requirements of different scenarios for the loading distance, the loading distance can be adjusted within the range of 5 meters to 30 meters by controlling the cable parameters, wave-shaping resistance and loading chamber.
The modular device is developed and the preliminary experimental test is carried out. The current waveform output meets the requirements of the lightning current waveform in GJB 1389A-2005. The modular device is integrated into the standard container, which provides support for the lightning strike test of various equipment in different sites.
This work designs and develops a modular lightning current simulation device through theoretical analysis, circuit simulation, and experimental testing. The device can generate the lightning current waveforms that meet the standard, which provide support for the lightning strike tests.
, Available online ,
doi: 10.11884/HPLPB202638.250319
Abstract:
Background Purpose Methods Results Conclusions
The service life of optical glass is a critical factor determining the stable operation of high-power laser systems. Currently, fused silica glass exhibits relatively short service life under laser irradiation, which severely limited the stable operation and development of high-power laser systems. The primary reason for the short service life of fused silica glass is laser-induced damage after triple-frequency laser irradiation and the fused silica components unusable due to degradation.
To address the issue of short service life of current optical glass in high-energy laser systems, An insensitive optical glass has been developed. Insensitive optical glass exhibits optical properties comparable to fused silica glass but demonstrates longer service life under intense laser irradiation. Its chemical composition is similar to traditional glass, yet it possesses a unique mesoscopic structure. The advantages of insensitive optical glass over traditional glass include higher laser damage growth threshold and slower laser damage progression. When initial damage occurs in the glass, subsequent laser irradiation results in slower laser damage progression in insensitive optical glass, thereby extending its service life.
The insensitive optical glass was prepared in the laboratory and synthesized using a liquid-phase method to produce nanoscale glass powder, and then vitrified. Research on the damage growth of insensitive optical glass was conducted based on 355 nm laser irradiation. The laser damage threshold and damage growth threshold of the glass were measured using the R:1 method, which involves gradually increasing the laser energy from values significantly below the initial damage threshold for the same test point until laser damage occurs, recording the laser energy density at which damage is induced for each test point.
The damage growth of the insensitive optical glass was studied based on 355 nm lasers. The results show that the laser damage growth threshold of insensitive optical glass is 7-12 J/cm2, and the threshold of zero probability laser damage growth is 7 J/cm2, which is twice than that of fused silica glasses under the same conditions. Under high laser fluence (>12 J/cm2), the insensitive optical glass exhibits exponential growth, with a slower growth rate than fused silica glasses and a growth coefficient only 0.53 times that of fused silica glasses. The research on insensitive optical glasses provides a new approach to solve the problem of short service life of third harmonic optical glasses in high-energy laser systems.
This article conducts research on the growth of laser damage in insensitive optical glass. The characteristics of high threshold and slow growth of laser damage in insensitive optical glass were verified. It provides a new approach to solve the problem of short service life of third harmonic optical glass in high-energy laser devices.
, Available online ,
doi: 10.11884/HPLPB202638.250460
Abstract:
Background Purpose Methods Results Conclusions
Reverse blocking diode thyristors (RBDTs) are attractive solid-state switches for pulsed power systems because of their high blocking capability and high di/dt turn-on potential. In practical DSRD-triggered operation, the rising-edge voltage slew rate (dv/dt) of the trigger pulse is a key waveform parameter that can alter the initial carrier injection and regenerative turn-on process, and therefore affects the switching transient and current build-up.
This work aims to quantify how the output dv/dt of a silicon-based drift step recovery diode (Si DSRD) influences the turn-on characteristics of an RBDT, and to identify the dv/dt range where further increase brings diminishing improvement under a fixed pulsed power circuit configuration.
A numerical analysis model of an Si DSRD-triggered RBDT was established by combining TCAD device simulation with an equivalent external circuit. In the simulations, the trigger pulse parameters other than the rising-edge dv/dt were kept constant to isolate the dv/dt effect, and the RBDT turn-on delay time, current rise time, and peak current were evaluated for multiple dv/dt conditions. An Si DSRD-based trigger circuit was then built for experimental verification. Different dv/dt levels were obtained by adjusting trigger-circuit parameters (including the pulse transformer core and turns as well as the shaping capacitor), and the trigger voltage across the RBDT and the corresponding current waveforms were measured to extract the same turn-on metrics.
Both simulation and experiment show that increasing the Si DSRD output dv/dt shortens the RBDT turn-on delay time and current rise time, while the peak current exhibits a slight increase under the tested circuit parameters. When dv/dt is raised beyond a certain range, the reductions in delay and rise time become progressively smaller and tend to saturate, indicating diminishing sensitivity of the turn-on transient to further dv/dt enhancement. The overall trends obtained from TCAD and measurements are consistent across the investigated dv/dt range.
The voltage rise rate of the Si DSRD trigger waveform is an effective control parameter for tailoring the RBDT turn-on transient, mainly reflected in reduced delay and faster current build-up, with a saturation tendency at higher dv/dt. The reported TCAD–experiment comparison provides a practical basis for selecting dv/dt levels and designing Si DSRD-based trigger conditions for RBDT switching in pulsed power applications.
, Available online ,
doi: 10.11884/HPLPB202638.250446
Abstract:
Background Purpose Methods Results Conclusions
Vacuum breakdown under intense electromagnetic fields in Relativistic Backward Wave Oscillator (RBWO) critically compromise the reliability of high power microwave sources. To meet increasingly demanding power capacity requirments, it is essential to further enhance the performances of resistance to vacuum breakdown. The processes of lectron emission and electron beam bombardment are closely associated with the physical interactions at the material surface. Furthermore, studies have indicated that refining the grain size of titanium suifaces may significantly increase their ability to withstand intense electromagnetic field-induced vacuum breakdown.
Given that surface self-nanocrystallization is a highly effective approach for improving the mechanical properties of metallic materials, particularly through grain fefinement at the nanometer scale, this article proposes a novel strategy utilizing surface self-nanocrystallization technology to suppress vacuum breakdown in RBWO under intense electromagnetic fields. Experimental validation was conducted to evaluate the effectiveness of this method in inhibiting vacuum breakdown under such extreme conditions.
This paper employs commercially pure titanium (TA2) as the research object, utilizing ultrasonic peening (USP) and microshot peening (MSP) as two distinct nanoparticle surface processing techniques. The nanostructural effects were characterized through scanning electron microscopy coupled with X-ray diffraction analysis. Subsequently, field emission testing apparatus and an X-band RBWO were employed to conduct comparatice experiments on field electron emission characteristics and vacuum breakdown performance high power microwave generation, respectively.
USP produces a gradient nanocrystalline layer extending 2-3 μm beneath the surface, with grain size refined to approximately 40 nm. MSP generates a more extensive gradient nanocrystalline layer reaching 30 μm in depth, with surface grains refined to about 48 nm. After undergoing MSP and USP treatment, TA2 exhibits a sequential reduction in the field emission current under the identical electric field, the tail erosion in the output microwave waveforms vanishes, and damage in the high-field region of the slow wave structure is mitigated.
The results demonstrate that both MSP and USP treatments successfully refine the surface grain size of TA2 to the nanoscale range of several tens of nanometers, forming a gradient nanostructured layer. Such surface self-nanocrystallization effectively suppresses field-induced electron emission and vacuum breakdown under intense electromagnetic fields. Notably, the USP treatment exhibits particularly pronounced inhibitory effects. This methodology provides technical support for further enhancing the power capacity of high power microwave generators based on RBWO.
, Available online ,
doi: 10.11884/HPLPB202638.250366
Abstract:
Background Purpose Methods Results Conclusions
The compensated pulsed alternator (CPA) is a pulsed power source that integrates rotor inertial energy storage, electromechanical energy conversion and power regulation. It connects the prime mover and the electromagnetic launch load directly as a “unit component”, reducing many intermediate links. It has the advantages of high output voltage, high power density, high frequency of repetition and long service life, and is regarded as the most promising pulsed power source for electromagnetic launch systems.
The air-core CPA (ACCPA) overcomes the limitations of ferromagnetic material saturation on magnetic field strength and rotational speed, significantly improving the motor’s energy storage density and power density. The Halbach permanent magnet array (HPMA) possesses a magnetic shielding, eliminating the need for a rotor core while generating an air-gap magnetic flux density (AGMFD) waveform with good sinusoidal characteristics. Therefore, this paper investigates the application of a double-layer HPMA rotor, which is simple in structure, strong in integrity, and easy to optimize, in the topological structure of ACCPA.
Without considering magnetic saturation, an analytical calculation model for the no-load electromagnetic field in an ACCPA was established using the subdomain model method in polar coordinates. Starting from the basic theory of electromagnetic fields, this method used the vector magnetic potential method to establish Laplace’s equations (for no- curl fields) or Poisson’s equations (for curl fields) for four subdomains respectively. By combining the boundary conditions between adjacent subdomains, the equations were solved jointly to obtain the mathematical expression for the no-load AGMFD of the motor, and the distribution of the no-load AGMFD was analyzed.
This analytical model could directly reflect the relationship between the no-load AGMFD distribution of the motor and its design parameters. The analytical model’s calculation results were highly consistent with the results of finite element analysis, verifying the accuracy of the analytical model. Its calculation results could relatively accurately reflect the static and steady-state performance of the motor.
The relationship between the four main parameters of the motor and the amplitude and sinusoidal characteristics of the radial and tangential components of the no-load AGMFD is studied, which can provide technical support for the subsequent optimization of the motor’s no-load air-gap magnetic field and further calculation design.
, Available online ,
doi: 10.11884/HPLPB202638.250454
Abstract:
Background Purpose Methods Results Conclusions
To address the challenge of achieving central fueling in future fusion reactors, this study carried out fueling experiments on the Compact Torus (CT) injection system based on pulse high-power technology. A CT is a high-density plasma blob with self-organized magnetic confinement, and its characteristics make it an ideal carrier for central fueling in fusion devices.
The CT injection system is a novel fueling device centered on such plasma blobs. Driven by a pulsed high-power power supply, the system generates stable CT plasma within coaxial electrodes, which undergoes secondary acceleration to form a high-density plasma blob capable of long-distance stable propagation.
System discharge tests show that the peak discharge current of CT is 300 kA, the average electron density is \begin{document}$ 1.2\times {10}^{22}{\text{ m}}^{-3} $\end{document} , the velocity is 220 km/s, and it has a stable spheromak structure.
When applied to the EAST tokamak experiment, the results indicate that after CT injection, the plasma stored energy increases by 18%, the plasma density rises by 22%, and the plasma density rise rate is \begin{document}$ 0.4\times {10}^{20}{\text{ m}}^{-3}{\text{s}}^{-1} $\end{document} , and attains a fueling efficiency of 39%.
Comparative studies with conventional gas puffing (GP) and supersonic molecular beam injection (SMBI) reveal that CT injection outperforms these techniques in terms of injected particle number, fueling efficiency, and particle confinement time during single-shot injections.
, Available online ,
doi: 10.11884/HPLPB202638.250312
Abstract:
Background Purpose Methods Results Conclusions
Owing to their simple configuration, stable operating behavior, and high electronic efficiency, magnetrons have been extensively employed in high-power microwave applications. Nevertheless, the output capability of a single microwave source is inherently constrained, making it difficult to satisfy the increasing demands of high-power applications. Magnetron array configurations offer an effective approach for enhancing the peak power of microwave systems.
To address the demand for frequency controllability and output consistency in large-scale magnetron arrays, this work integrates the advantages of injection locking and mutual coupling locking and proposes an injection-locking-based amplitude consistency control scheme for coupled magnetron arrays.
Five magnetrons are interconnected through directional couplers and coaxial lines to form a cascaded mutually coupled structure, in which an external signal is injected solely into the central magnetron to pull and control the operating frequency of the entire array via coupling paths. High-power experimental measurements were performed to systematically collect and analyze the output signals under five operating conditions, including free-running operation, mutual coupling only, and external injection at frequencies of 2.466 GHz, 2.465 GHz, and 2.464 GHz.
The experimental results indicate that introducing an external injection signal under the mutually phase-locked condition modifies the overall frequency characteristics of the cascaded magnetron array, thereby affecting the amplitude distribution of the array output signals. Moreover, effective regulation of the output amplitude of the magnetron array can be realized by tuning the frequency and power of the injected signal. The dispersion of output amplitudes under different conditions is quantitatively characterized using the sample variance of the power spectral density peak of the output signal, and the results show that, at an injection power of 100 W, the variance decreases from 1.868 to 0.446, indicating a significant improvement in amplitude consistency.
This approach offers strong scalability and practical applicability and is well suited for coherent power combining and phase-scanning applications in large-scale magnetron array systems.
, Available online ,
doi: 10.11884/HPLPB202638.250473
Abstract:
Background Purpose Methods Results Conclusions
Advanced sheet electron beam vacuum electron devices, particularly Ka-band traveling-wave tubes, are required to meet increasingly stringent broadband operational demands. However, energy leakage and impedance mismatch at millimeter-wave output interconnections remain major challenges that limit transmission efficiency and bandwidth performance.
To address these challenges, this work aims to design and validate a broadband, high-efficiency output circuit for a Ka-band sheet beam TWT. A novel non-contact double-layer choke-mode output circuit with an air-gap configuration is proposed to suppress leakage and enable broadband operation.
The design is based on the fundamental theory of conventional rectangular waveguides. The output circuit structure is carefully optimized, and matching stepped waveguides are introduced to improve impedance matching and reduce reflections. A comprehensive electromagnetic simulation model is developed and analyzed using High-Frequency Structure Simulator (HFSS). Furthermore, cold-test measurements are conducted on a fabricated prototype to experimentally verify the design.
HFSS simulation results show that the choke grooves effectively suppress parasitic leakage while enabling broadband transmission. The proposed output circuit achieves an absolute bandwidth of 11.9 GHz with a return loss better than −20 dB. The simulated transmission efficiency reaches 93.3%, corresponding to a relative bandwidth of 36.9%, which satisfies broadband operation requirements. Experimental cold-test results are in good agreement with the simulations, confirming the validity of the design.
Both simulation and experimental results demonstrate that the proposed choke-mode output circuit exhibits wide operating bandwidth, high transmission efficiency, low reflection, and effective voltage depression capability. The structure also shows strong anti-interference performance and operational reliability, making it well suited for high-power, broadband millimeter-wave sheet beam TWT applications.
, Available online ,
doi: 10.11884/HPLPB202638.250358
Abstract:
Background Purpose Methods Results Conclusions
In the 2024 series of Beirut explosions in Lebanon, terrorists hid trace high-explosive materials in electronic products to carry out attacks, exposing the shortcomings of the current detection system. Existing trace detection technologies cannot penetrate the casings of electronic products, while in bulk detection technologies, CT has limitations in imaging plate-like components such as mobile phones, and conventional X-ray security inspectors lack sufficient resolution. Neither of these can meet the detection needs. Computed Lamography (CL) technology is suitable for detecting plate-like components but lacks specialized research on trace explosives.
This study aims to explore the adaptation path of dual-energy CL technology to trace explosive detection and provide a technical solution for the accurate identification of hidden explosives in electronic products.
A simulation model of a mobile phone containing trace TNT and an R-value measurement model were built using Geant4 to obtain dual-energy X-ray projection data. In MATLAB, the POCS-TVM algorithm was used for image reconstruction, and the ratio of attenuation coefficients (R-value) was calculated to determine the effective atomic number of substances for explosive identification.
CL technology overcame the imaging limitations of CT for plate-like components. The R-value-based algorithm showed that the effective atomic number of TNT was 7.1388 , which fell within the range of 7.1-7.4 for explosives. Additionally, the correlation coefficient of the fitted curve for low-high energy projection data reached 0.999.
This study verifies the feasibility of dual-energy CL for trace explosive detection, provides a new technical path for identifying hidden explosives in electronic products, and is of great significance for enhancing nuclear security and anti-terrorism security inspection capabilities.
, Available online ,
doi: 10.11884/HPLPB202638.250398
Abstract:
Background Purpose Methods Results Conclusions
SiC-based light-initiated multi-gate semiconductor switches (LIMS) deliver superior response speeds due to the faster injection of photo-generated carriers compared to conventional electrically injected carriers. They can be used in a variety of applications, including radars, accelerators, and pulse sources.
Regarding the problems such as the long falling edge and slow turn-off speed of LIMS, an anode structure design with turn-off capability is proposed.
The model and its parameters are calibrated based on experimental data, and the simulation is used to study the conduction characteristics of devices with a turn-off anode structure.
The simulation results show that devices with a turn-off anode structure can achieve positive feedback in the pnpn configuration following laser activation, thereby increasing the conduction current. When the laser pulse ends, the recombination of photo-generated carriers and the extraction of carriers from the base region by the turn-off anode structure significantly enhance the turn-off speed of the device.
With a 4 kV anode bias and a peak current of several hundred amperes, the modified LIMS reduces the full-width-at-half-maximum of the current pulse from 0.79 µs to <100 ns and shortens the turn-off time to 0.6 µs. These results indicate suitability for repetitive operation at kilohertz frequencies and above.
, Available online ,
doi: 10.11884/HPLPB202638.250367
Abstract:
Background Purpose Methods Results Conclusions
High-energy flash X-ray photography has important applications in the hydrodynamic experiments. As an important means of generating multi-pulse X-ray, the technical scheme of multi-pulse linear induction accelerators (LIA) of each countries have their own characteristics.
Based on requirements for the compactness, mobility, and high reliability of multi-pulse LIAs, the project team is exploring various novel multi-pulse power source technologies that can be used for multi-pulse LIAs.
In this paper, a 100 kV four-pulse generation technology is explored, that is, a low-pressure pseudo-spark switch of tens of kV is used to drive the Blumlein line of tri-coaxial cables to generate multi-pulse high voltage, and the multi-pulse high voltage of tens of kV is superimposed by an induction voltage adder to generate a multi-pulse high voltage of 100 kV. The same four sets of pulse high voltage generators are used to output multi-pulse high voltage of 100 kV, which are converged by a coaxial high-voltage diode to obtain four-pulse high voltage output of 100 kV.
Simulation and experimental results show that the scheme could generate four-pulse high voltage of more than 100 kV with adjustable pulse interval.
This compact and movable 100 kV four-pulse high voltage generator is expected to become a new multi-pulse power source for multi-pulse LIAs.
, Available online ,
doi: 10.11884/HPLPB202638.250450
Abstract:
Background Purpose Methods Results Conclusions
Unmanned aerial vehicles (UAVs) pose significant military threats and civil security risks, and microwave technology has become a core counter-UAV means due to its low cost, area-effect engagement, and all-weather capability. Research on UAV microwave effects is the foundation for counter-UAV equipment development and protection design.
This paper aims to systematically review the research progress of UAV microwave effects, clarify existing challenges, and provide directional references for future studies.
By combing through domestic and foreign relevant research, this review summarizes the characteristics of different microwave effects, analyzes key influencing factors, and sorts out current research limitations and development trends.
Front-door effects involve coupling through intentional electromagnetic channels (e.g., data links) with low-noise amplifiers as sensitive components, and thresholds are related to frequency matching; back-door effects rely on unintentional channels (e.g., cables, housing gaps) with cables as the main path, but relevant research is insufficient; system-level effects show hierarchical failure, affected by UAV models, microwave parameters, and attitudes. Current research faces “black box” coupling mechanisms, fragmented methods, and inadequate connection with protection design.
Future research should focus on multi-path collaborative coupling modeling, complex scenario assessment, and countermeasure-protection collaborative technologies. This review provides a systematic reference for the field, supporting counter-UAV equipment development and safe UAV application.
, Available online ,
doi: 10.11884/HPLPB202638.250242
Abstract:
Background Purpose Methods Results Conclusions
Precise γ-ray spectrum analysis is essential for nuclide identification and activity quantification, but faces significant challenges when using low-resolution detectors such as CLYC scintillators in complex radiation fields. The limited energy resolution of these detectors often leads to overlapping peaks and obscured characteristic spectral features, which complicates accurate spectrum interpretation.
This study aims to overcome the inherent energy resolution limitations of CLYC detectors by developing a spectrum deconvolution method that can recover clear spectral information and separate overlapping peaks in complex γ-ray spectra.
A detector energy response matrix was constructed by combining Monte Carlo simulations to calculate γ-ray energy response functions with an interpolation method. Response functions were derived across the 0~3 MeV energy range at intervals of 0.05 MeV to ensure high precision. Spectrum deconvolution was then performed using the Maximum Likelihood Expectation Maximization (MLEM) algorithm, which was then applied to analyze the original complex spectrum.
The method was validated by unfolding the spectra of a 226Ra source, a mixed 60Co - 137Cs source, and the complex spectrum of 152Eu. The unfolded spectrum exhibited well-resolved characteristic peaks, effective separation of severely overlapping spectral regions, and stable quantitative results for characteristic peak areas.
The proposed approach significantly enhances the precision of γ-ray spectrum analysis with CLYC detectors. It successfully reveals the energy and intensity information of incident γ-rays, mitigates the detector’s resolution limitations, and provides a reliable method for analyzing spectrum in complex radiation environment.
, Available online ,
doi: 10.11884/HPLPB202638.250281
Abstract:
Background Purpose Method Results Conclusions
When using the Monte Carlo method for radiation shielding simulations, the efficiency is low. Employing specific variance reduction techniques is one of the methods to accelerate radiation shielding simulations, while another more universal approach is to use large-scale parallel technology to enhance the simulation speed from the hardware aspect. At present, due to the enormous demand for computing power triggered by the development of artificial intelligence technology, major supercomputing platforms have steadily improved their support for large-scale GPU parallel architectures. To adapt to the current and future GPU parallel architectures of supercomputing platforms, it is necessary to develop Monte Carlo transport algorithms suitable for GPU platforms.
This paper aims to accelerate fixed-source calculation of the NECP-MCX Monte Carlo particle transport code by utilizing GPU parallel, thereby enhancing the efficiency of radiation shielding transport simulations.
This paper analyzes the characteristics of the GPU event-based parallel algorithm under the fixed-source mode. The GPU event-based parallel algorithm has been preliminarily implemented within the NECP-MCX code and was tested and analyzed using a simple fixed-source problem.
The results show that the maximum number of simultaneous simulated events is positively correlated with the simulation speed. Sorting particle information can accelerate the simulation by 28%, and the GPU parallel implementation is 25 times faster than the single-core CPU implementation.
The initial implementation shows significant potential for acceleration; however, further research is essential to fully exploit its capabilities and optimize performance.
, Available online ,
doi: 10.11884/HPLPB202638.250342
Abstract:
Background Purpose Methods Results Conclusions
In all-solid-state Marx pulse generators, the isolated gate driver plays a critical role in ensuring reliable high-voltage and high-speed switching. Conventional isolation driving schemes based on magnetic-core transformers often suffer from large volume, high cost, and poor integration, which limit further miniaturization and system-level integration.
To address these issues, this study proposes a synchronous isolated gate driving scheme based on a PCB-embedded coreless transformer, aiming to reduce driver size and cost while improving integration and manufacturability for all-solid-state Marx pulse generator applications.
The proposed coreless transformer was first modeled, and its key electromagnetic parameters were extracted using Q3D electromagnetic simulation and validated through experimental measurements. Based on theoretical analysis and LTspice simulations of the driving circuit, the operating principles and driving sequence characteristics were investigated and compared with those of conventional magnetic-core transformer-based drivers. Finally, a prototype driving system was developed and experimentally evaluated.
Simulation and experimental results show that the proposed PCB coreless transformer-based driving scheme exhibits a wide dynamic driving range, excellent electrical isolation performance, and good compatibility with standard PCB manufacturing processes. The experimental waveforms are consistent with theoretical analysis and simulation results, confirming the correctness of the proposed design and modeling approach.
The proposed synchronous isolated driving scheme based on a PCB coreless transformer provides an effective solution to the challenges of volume, cost, and integration in conventional isolation drivers for all-solid-state Marx pulse generators. The results demonstrate its feasibility and strong potential for practical engineering applications in compact and highly integrated pulsed power systems.
, Available online ,
doi: 10.11884/HPLPB202638.250378
Abstract:
Background Purpose Methods Results Conclusions
High-fidelity neutronics simulation of nuclear reactor cores, particularly those with complex geometries such as the AP1000, remains computationally challenging. Efficient deterministic methods that can achieve Monte Carlo-level accuracy are highly desirable for design and analysis.
This study aims to develop, apply, and validate the FLASH code, which implements an advanced Fission Response Function (FRF) algorithm, for performing efficient and accurate full-core, pin-wise neutronics calculations of the AP1000 reactor core.
The FRF database was generated through reference-state simulations using the Serpent Monte Carlo code. To enhance accuracy in complex geometries, the methodology incorporated a local inter-assembly environmental correction factor to address fuel assembly heterogeneity and a predictor-corrector scheme to precisely simulate reflector environmental effects. The performance of the FLASH code was validated against reference Monte Carlo solutions under Hot Zero Power (HZP) conditions.
The validation results demonstrated high accuracy. Deviations in the effective multiplication factor (keff) were within +220 pcm for all 2D axial slices and +209 pcm for the full 3D core calculation. The root-mean-square error (RMSE) was below 1.1% for the 2D pin power distribution, while the 3D pin power RMSE was 1.05% and the 3D assembly power RMSE was 0.67%. In terms of efficiency, the FLASH code completed the pin-wise full-core 3D calculation for the AP1000 in 106 seconds using 64 CPU cores.
The developed FLASH code, based on the FRF algorithm with integrated correction schemes, successfully bridges the gap between efficiency and high fidelity. It provides a rapid and accurate computational tool for AP1000 core analysis, confirming the practicality and effectiveness of the proposed methodology for detailed reactor physics calculations.
, Available online ,
doi: 10.11884/HPLPB202638.250386
Abstract:
This paper briefly reviews the series of work carried out by the research team from the Laser Fusion Research Center, China Academy of Engineering Physics, based on the Xingguang-III and Shenguang-II Upgrade laser facilities, in the field of laser-driven neutron source generation and applications. In terms of generation mechanisms, it highlights explorations of several technical approaches, including enhancing photo-nuclear neutron production efficiency through novel target design, increasing neutron yield based on the target normal sheath acceleration mechanism, and obtaining high-quality neutron sources via collisionless electrostatic shock acceleration. On the application front, preliminary experimental studies have been conducted in areas such as fast neutron radiography, material radiation effects, and nuclear material detection, demonstrating the potential application value of such neutron sources as short-pulse, high-flux sources. With continuous advancements in laser technology and ongoing optimization of generation mechanisms, this new type of neutron source is expected to play an increasingly important role in basic scientific research, nuclear energy technology development, and industrial applications, providing new research tools and technical support for the development of related disciplines.
This paper briefly reviews the series of work carried out by the research team from the Laser Fusion Research Center, China Academy of Engineering Physics, based on the Xingguang-III and Shenguang-II Upgrade laser facilities, in the field of laser-driven neutron source generation and applications. In terms of generation mechanisms, it highlights explorations of several technical approaches, including enhancing photo-nuclear neutron production efficiency through novel target design, increasing neutron yield based on the target normal sheath acceleration mechanism, and obtaining high-quality neutron sources via collisionless electrostatic shock acceleration. On the application front, preliminary experimental studies have been conducted in areas such as fast neutron radiography, material radiation effects, and nuclear material detection, demonstrating the potential application value of such neutron sources as short-pulse, high-flux sources. With continuous advancements in laser technology and ongoing optimization of generation mechanisms, this new type of neutron source is expected to play an increasingly important role in basic scientific research, nuclear energy technology development, and industrial applications, providing new research tools and technical support for the development of related disciplines.
, Available online ,
doi: 10.11884/HPLPB202638.250330
Abstract:
Background Purpose Methods Results Conclusions
With the continuous advancement of photoelectric applications such as LiDAR, three-dimensional sensing, and free-space communication towards longer distances, larger fields of view, and higher precision, large-spot, nanosecond-pulse lasers are progressively emerging as a critical type of light source, owing to their advantages in far-field uniform illumination and weak signal detection.
To address the challenges of amplitude distortion and sampling difficulties in beam quality measurements of large-spot, nanosecond-pulse lasers caused by optical path shaping distortions, transient capture limitations, and coherence requirements, this paper proposes a beam quality measurement system tailored for nanosecond pulsed large-aperture lasers.
The system employs a three-dimensional stepping platform combined with a photodetector to reconstruct the spatial intensity distribution of the beam, and incorporates a multi-channel peak-hold circuit to accurately latch pulse peaks, thereby ensuring transient fidelity in amplitude acquisition. To mitigate non-ideal conditions such as partial beam truncation and incomplete boundaries, a circle-fitting method is introduced as a complement to the second-moment calculation of energy, enhancing the robustness of beam size evaluation.
Experiments employing a typical vertical-cavity surface-emitting laser (VCSEL) were conducted through multi-position 3D axial scanning, comparing the consistency of beam size and energy distribution measured by different methods.
The results verify the measurement reliability and applicability of the proposed system under large-spot, nanosecond-pulse conditions, offering an effective means for laser beam quality assessment in related applications.
, Available online ,
doi: 10.11884/HPLPB202638.250424
Abstract:
Background Purpose Methods Results Conclusions
Diamond is considered a promising candidate for photoconductive semiconductor switches (PCSSs) due to its exceptional material properties.
However, the development of high-performance diamond PCSSs is primarily impeded by their high on-state resistance and relatively low breakdown voltage. This study aims to improve the performance of the diamond PCSSs.
Passivated with Si3N4, vertical PCSSs were fabricated using nitrogen-doped single-crystal diamonds with different doping concentrations and thicknesses. The doping concentrations of diamond samples were analyzed. The photoresponse of the PCSSs was characterized under 532 nm laser excitation over a range of DC bias voltages.
The experimental results showed that the nitrogen-doped diamond PCSSs present a large on/off ratio (~1011) along with sub-nanosecond rise and fall times. Among them, the diamond PCSS device with the highest nitrogen doping concentration exhibited the minimum on-state resistance. By reducing material thickness, a peak output power of 128 kW was achieved at a bias voltage of 4 kV (corresponding to the electric field strength of 110 kV/cm), with the PCSS exhibiting an on-state resistance of 28.9 Ω, further improving the device performance.
Through the design of nitrogen doping concentration, reduction of substrate thickness, and application of Si3N4 passivation, this work successfully developed diamond PCSSs with good performance, paving the way for the development of high-performance diamond PCSSs.
, Available online ,
doi: 10.11884/HPLPB202638.250168
Abstract:
Background Purpose Methods Results Conclusions
Gamma and thermal neutron imaging are important non-destructive testing methods, which are complementary in many aspects. The thermal neutron and Gamma bimodal imaging can combine the advantages of both. Compares with single beam imaging, the bimodal imaging has the ability to identify different substances and the sensitivity to both nuclides and elements simultaneous.
Utilizing the reaction between protons and target material producing neutrons and Gamma together, based on the 18 MeV cyclotron accelerator being developed by the Institute of Atomic Energy, this paper designs a bimodal imaging neutron source by simulation.
Beryllium with a high (p, n) reaction cross-section is selected as the neutron target to generate neutrons. To obtain thermal neutrons with higher flux, polyethylene is used as the neutron moderator and reflector. By the different spatial distributions of thermal neutrons and Gamma, these two types of radiation are separately extracted from different directions. Besides, by designing the neutron and Gamma exits on polyethylene, high neutron flux and Gamma beams are simultaneously obtained.
After simulation optimization, the thermal neutron flux at the thermal neutron outlet can reach 1.78×1010 n/(cm2·s) , and the gamma dose at the gamma outlet can reach 2.23×104 rad/h.
This paper design a neutron source for thermal-neutron-gamma imaging based on the 18 MeV/1 mA cyclotron accelerator. The design efficiently extracts thermal neutron flux and gamma flux from a single target, implementing a single-target-dual-source configuration.
, Available online ,
doi: 10.11884/HPLPB202638.250453
Abstract:
Background Purpose Methods Results Conclusions
Solid-state linear transformer drivers (SSLTDs), featuring modular architecture, solid-state implementation, high reliability, and high repetition-rate capability, have become an important development direction in pulsed-power technology.
This paper proposes and develops a compact SSLTD based on a stacked Blumlein pulse generation module (SBPGM) and experimentally validates its performance.
The SBPGM integrates a hybrid pulse-forming network composed of high-voltage ceramic capacitors and the distributed inductance of PCB traces, a series--parallel IGBT switching array, and inductively isolated gate-driver circuits. The proposed common-ground bipolar-charging SBPGM topology eliminates the need for high-voltage isolation within an individual module and equalizes the driver insulation voltage stress, thereby significantly improving the compactness and reliability of the overall system.
Circuit simulations of a single SBPGM verify the voltage-doubling behavior and the desired high-voltage isolation characteristics, producing a 10.8 kV output under a charging voltage of 5.5 kV. Based on this module, a 30-stage SSLTD prototype is constructed. With a per-stage charging voltage of 5 kV and a 90 Ωwater load, the prototype generates a 279 kV quasi-square pulse with a peak current of 3.1 kA, a pulse width of 77 ns, and a rise time of 22.4 ns at a repetition rate of 50 Hz, corresponding to a peak power of 0.9 GW.
This SSLTD adopts a modular, scalable architecture. The SBPGMs are electrically and mechanically consistent yet independent, enabling straightforward voltage scaling and simplified implementation. Experiments confirm compact size and high power density, demonstrating the potential of high-repetition-rate all-solid-state pulsed-power sources.
, Available online ,
doi: 10.11884/HPLPB202638.250395
Abstract:
Background Purpose Methods Results Conclusions
Alumina (Al2O3) ceramics are extensively employed as insulating components in vacuum electronic devices. However, under high voltage, charge accumulation on their surface can easily lead to surface flashover, which severely degrades the insulation performance of the device and affects its operation. Therefore, enhancing the vacuum surface insulation performance of Al2O3 ceramics holds significant academic value and practical implications. Surface coating represents a widely adopted strategy for enhancing the insulation performance of Al2O3 ceramics. Nevertheless, the specific influence of the glass phase within the coating on the insulating properties remains largely unexplored.
The present work is dedicated to exploring how the glass phase in coatings affects the vacuum insulation performance of Al2O3 ceramics.
A Cr2O3-based coating was fabricated on the surface of Al2O3 ceramics, and the effects of the glass phase within the coating on phase structure, surface morphology, secondary electron emission coefficient (SEE), surface resistivity, and the vacuum insulation performance of the coated ceramics were systematically investigated.
The results indicate that Al element from the substrate diffuses into the coating under high-temperature firing. The content of Cr2O3 phase in the coating exhibits a gradual decrease and eventually disappears with the rise of the glass phase content, causing it to fully react with the ceramic substrate to form Al2-xCrxO3 (0<x<2)、Mg(Al2-yCry)O4 (0<y<2), along with small amounts of ZnAl2O4 and (Na,Ca)Al(Si,Al)3O8. The coating improves the surface grain homogeneity and the density of the ceramic surface, although variations in the glass phase content have a negligible effect on its microstructure. Additionally, the Cr2O3 coating reduces both the SEE coefficient and the surface resistivity of the Al2O3 ceramic. However, as the glass phase content in the coating increases, both the SEE coefficient and surface resistivity of the coated ceramics exhibit a gradual upward trend. The optimal insulation performance is achieved when the glass phase content reaches 20%. At this point, the vacuum surface hold-off strength attains 119.63 kV/cm.
Modulation of the glass phase content in the surface coating enables the tunability of the vacuum surface insulation performance of the Al2O3 ceramics, with the performance improvement stemming from the decreased SEE coefficient and the appropriate surface resistivity.
, Available online ,
doi: 10.11884/HPLPB202638.250444
Abstract:
Background Purpose Methods Results Conclusions
The rapid advancement of high-power pulse technology towards practical application imposes higher demands on the self-breakdown stability of high-voltage gas switches.
This paper proposes a pre-ionization cathode switch concept, which utilizes an auxiliary annular blade edge to regulate initial electrons and an annular hemisphere to conduct the main current. A 300 kV-level pre-ionization annular cathode gas switch was designed.
With a switch gap of 35 mm, the field enhancement factor at the blade edge of the pre-ionization switch was designed to be 6.2, resulting in a ratio of 3.2 compared to the field enhancement factor at the hemisphere. Experimental investigations on the breakdown characteristics under microsecond-level pulses were conducted.
The results indicate that in nitrogen at 0.5 MPa and a repetition rate of 1 Hz, the pre-ionization gas switch achieved an average breakdown voltage of 322.5 kV with a amplitude jitter of 0.44%. Compared to a pure annular hemispherical switch, the pre-ionization switch exhibits a 17.6% reduction in breakdown voltage and an 82% decrease in amplitude jitter.
The experimental study demonstrates that this pre-ionization gas switch offers significant advantages in achieving high voltage and low jitter.
, Available online ,
doi: 10.11884/HPLPB202638.250291
Abstract:
Background Purpose Methods Results Conclusions
Boron Neutron Capture Therapy (BNCT) is an innovative binary targeted cancer treatment technology with high relative biological effect and cell-scale precision, but its clinical application is limited by the long computation time of traditional Monte Carlo methods for dose calculation and insufficient dosimetric research on head tumors.
This study aims to address these challenges by optimizing the Monte Carlo algorithm and developing pre-processing/post-processing modules, verifying the accuracy of the computational system, and analyzing the dosimetric characteristics of BNCT for head tumors.
Based on NECP-MCX, three acceleration strategies voxel geometry fast tracking, transport-counting integration, MPI parallel optimization were adopted to improve computational efficiency. Pre-processing (DICOM image parsing, material-boron concentration mapping, 3D voxel modeling) and post-processing (dose-depth curve, Dose-Volume Histogram (DVH), dose distribution cloud map) modules were developed. Both NECP-MCX and MCNP were used to calculate the dose distribution of a head tumor case (RADCURE-700) for comparison.
The single-dose calculation time was reduced from 2 hours to 9.4 minutes. The dose curves, DVH, and cloud maps from the two programs showed good consistency with relative deviations below 5% within 10 cm depth. BNCT achieved a tumor target volume D90 of 60 Gy in 63 minutes, with healthy tissue dose below 12.5 Gy.
The optimized NECP-MCX system realizes efficient and accurate dose calculation for BNCT. The consistent results validate its reliability, and the dosimetric analysis demonstrates BNCT’s potential for head tumor treatment, providing methodological support for clinical treatment planning.
, Available online ,
doi: 10.11884/HPLPB202638.250245
Abstract:
Background Purpose Methods Results Conclusions
Neutron multiplicity measurement technology, as a core method in the field of non-destructive testing, plays a critical role in determining the mass of fissionable material (235U). However, it suffers from technical bottlenecks such as prolonged measurement cycles and measurement deviations under non-ideal conditions.
This paper aims to explore feasible pathways for integrating neutron multiplicity measurement methods with neural network technology. The goal is to provide new research perspectives for advancing neutron multiplicity measurement technology toward greater efficiency and intelligence.
Leveraging Geant4 and MATLAB software, an Active Well Coincidence Counter (AWCC) simulation model is constructed to achieve high-precision simulation of the entire active neutron multiplicity measurement process. Building upon this, three neural networks—Backpropagation Neural Network (BPNN), Convolutional Neural Network (CNN), and Long Short-Term Memory network (LSTM)—are developed using the PyTorch framework to analyze and investigate neutron multiplicity distribution data.
Compared with traditional calculation methods based on the active neutron multiplicity equation, neural network models represented by CNN and LSTM demonstrate significant advantages in measurement accuracy and efficiency. Specifically, in terms of relative error metrics, neural network models can reduce errors to lower levels; in the time dimension of measurement, they substantially shorten data processing cycles, effectively overcoming the timeliness constraints inherent to traditional approaches.
This achievement fully validates the theoretical feasibility and technical superiority of the neural network-based neutron multiplicity measurement approach, providing a novel solution for advancing neutron multiplicity detection toward greater efficiency and intelligence. Subsequent work will enhance the adaptability and noise resistance of neural network models for complex data by increasing simulation scenario complexity and introducing diversified factors such as noise interference and geometric variations. Meanwhile, building upon simulation studies, physical experimental validation will be conducted using AWCC instrumentation to drive the transition of neural network-based neutron multiplicity measurement technology from simulation to engineering application.
Articles in press have been peer-reviewed and accepted, which are not yet assigned to volumes /issues, but are citable by Digital Object Identifier (DOI).
Display Method:
, Available online ,
doi: 10.11884/HPLPB202638.250337
Abstract:
Background Purpose Methods Results Conclusions
As an important branch of electromagnetic launch, multi-stage synchronous induction coil gun has become one of the hotspots of launch research because of its non-contact, linear propulsion and high efficiency. Among them, the armature outlet velocity is an important index, which is affected by many factors such as the structural parameters, material properties and coil circuit parameters. However, the existing research lacks theoretical analysis on various factors.
The purpose of this paper is to analyze theoretical approaches for improving the armature outlet velocity, and to explore the factors affecting it.
Based on the equivalent circuit model, this paper derives the analytical formula of armature induced eddy current and investigates these factors affecting the outlet velocity via finite element simulation.
Theoretical analysis shows that reducing the total inductance of the coil-armature equivalent circuit can increase the armature outlet velocity. Simulation results show that under the same initial electrical energy, reducing the number of turns of coils, reducing the cross-sectional shape factor of the rectangular wire, increasing the thickness and length of armature, and reducing the line inductance can improve the armature outlet velocity. Considering various factors, the simulated outlet velocity of 32 kg armature driven by 5-stage coil can reach 202.1 m/s, and the launch efficiency is 33.3%. The influence of various factors on the armature is in line with the theoretical analysis results.
The research content of this paper provides some theoretical support for the design of multi-stage synchronous induction coil gun scheme.
, Available online ,
doi: 10.11884/HPLPB202638.250243
Abstract:
Background Purpose Methods Results Conclusions
The traditional Monte-Carlo (MC) method faces an inherent trade-off between geometric modeling accuracy and computational efficiency when addressing real-world irregular terrain modeling.
This paper proposes a fast MC particle transport modeling method based on irregular triangular networks for complex terrains, addressing the technical challenge of achieving adaptive and efficient MC modeling under high-resolution complex terrain scenarios.
The methodology consists of three key phases: First, high-resolution raster-format terrain elevation data are processed through two-dimensional wavelet transformation to precisely identify abrupt terrain variations and extract significant elevation points. Subsequently, the Delaunay triangulation algorithm is employed to construct TIN-structured terrain models from discrete point sets. Finally, the MCNP code’s “arbitrary polyhedron” macrobody definition is leveraged to establish geometric planes, with Boolean operations applied to synthesize intricate geometric entities, thereby realizing rapid automated MC modeling for high-resolution complex terrains.
The results demonstrate that the proposed method accurately reproduces terrain-induced effects on radiation transport, achieving high-fidelity simulations while significantly compressing the number of cells and enhancing computational efficiency.
This methodology represents a novel approach for large-scale radiation field modeling under complex terrain constraints, demonstrating broad applicability to MC particle transport simulations in arbitrary large-scale complex terrain scenarios.
, Available online ,
doi: 10.11884/HPLPB202638.250219
Abstract:
Background Purpose Method Results Conclusions
With the continuous development of nuclear power technology, reactor design has put forward higher requirements for the accuracy, efficiency and multi-functionality of nuclear computing software. The current mainstream Monte Carlo software has deficiencies in the balance between reactor radiation shielding design and nuclear design calibration, which restricts the critical simulation efficiency of the reactor core. Therefore, CNPRI has specifically developed the 3D Monte Carlo software LARCH 1.0 to meet the actual needs of nuclear power engineering design.
This study aims to optimize the particle energy search mechanism in Monte Carlo simulation and address the pain point of low efficiency in traditional search methods; thereby based on the optimized search method, the delta-tracking algorithm is further improved to enhance the efficiency of core critical calculation and provide efficient and accurate calculation support for reactor design.
During the development of the LARCH software, the core technological innovation lies in the adoption of a unified energy grid design to replace the traditional binary search and logarithmic search methods. Through the standardization and unification of the energy grid, the number of searches in the particle energy matching process is reduced, and the time consumption of a single search is shortened. Based on the unified energy grid technology, we further developed and optimized the delta-tracking algorithm to achieve the improvement of computing efficiency. By designing a targeted numerical verification scheme, the LARCH 1.0 software and the traditional Monte-Carlo software were compared and tested in reactor problem simulations.
The optimized technical solution has achieved remarkable results. The search method based on the unified energy grid has significantly reduced the time cost of particle energy search compared with the traditional method. Based on this, the optimized delta-tracking algorithm has increased the critical computing efficiency of the Monte-Carlo software core by approximately 25%.
The unified energy grid method and the optimized delta-tracking algorithm adopted by the LARCH 1.0 3D Monte-Carlo software provide an effective technical path for the efficiency improvement of the Monte Carlo software and significantly enhance the critical calculation efficiency of the reactor core. The application potential of this software indicates that it can provide more efficient and reliable numerical simulation tools for reactor design. More extensive engineering verification and functional iterations will be further carried out subsequently.
, Available online ,
doi: 10.11884/HPLPB202638.250234
Abstract:
Background Purpose Methods Results Conclusions
With the development of neutron calculation methods and improved modeling capabilities, the errors introduced by model approximations and discretization methods in nuclear reactor physics calculations have gradually decreased. However, nuclear data, due to the challenges in measurement, have become the key input parameter affecting computational accuracy.
In this study, a nuclear data adjustment module based on sensitivity analysis and the generalized linear least squares algorithm was developed within the self-developed sensitivity and uncertainty analysis platform, SUPES.
First, sensitivity analysis was used to determine the relationship between system responses and input parameter variations. Next, similarity analysis was applied to select experimental setups with high similarity at the neutron physics level. Finally, the generalized linear least squares algorithm was employed to minimize the error between computed and measured values, resulting in nuclear data adjustments.
The adjustment of the ACE format continuous energy database was performed on 22 cases from the critical benchmark HEU-MET-FAST-078. The numerical results show that the root mean square error of the effective multiplication factor (keff) was reduced from 3.10×10−3 to 1.53×10−3.
The comparison and analysis verified the correctness of the developed nuclear data adjustment module.
, Available online ,
doi: 10.11884/HPLPB202638.250393
Abstract:
Background Purpose Methods Results Conclusions
The retention and diffusion of helium on the surface of the first wall is one of the key problems in the study of magnetic confinement fusion. Laser-induced breakdown spectroscopy is the most promising technique for in-situ diagnosis of the first wall. Compared with the optical spectral range, laser-induced extreme ultraviolet spectroscopy has more advantages in sensitivity, noise suppression and accuracy.
To meet the requirement for high precision on-site measurement of helium impurity lines in magnetic confinement fusion, a ultra-high resolution EUV spectroscopy system was developed.
The grazing incidence Czerny-Turner structure was used in the spectrometer, and the luminous flux and spectral resolution were adjusted through an adjustable incidence slit. The ray tracing simulation was carried out using a self-developed optical design software. And the wavelength calibration and performance testing were carried out by microwave plasma light source.
The simulation results show that the spectral resolution is better than 20 000, and the experimental results indicate that the spectrometer achieves a spectral resolution of 0.001 4 nm at He II (30.3786 nm).
The spectrometer can meet the requirement for high-precision measurement of helium extreme ultraviolet spectral lines, and it is expected to provide an important theoretical support for the research on the helium retention and diffusion in the first wall.
, Available online ,
doi: 10.11884/HPLPB202638.250369
Abstract:
Background Purpose Methods Results Conclusions
The self-absorption effect of target materials plays a crucial role in shaping the performance of laser-driven X-ray sources, directly impacting their energy spectrum and angular distribution, which are critical parameters for applications such as high-resolution backlighting and radiographic diagnostics.
This study aims to systematically investigate how key parameters, including the electron source position relative to the wire target end-face, the diameter of the wire target, and the atomic number of the target material, affect the energy spectrum and angular distribution of emitted X rays.
A series of Geant4-based Monte Carlo simulations were performed using a validated wire target model. Key parameters were varied: electron source offset (50–150 μm), wire diameter, and target material (Cu, Mo, W, Au). The simulation model was benchmarked against experimental data obtained from the Xingguang-III laser facility.
The results indicate that varying the electron source position within the studied range has a negligible influence on both the photon energy spectrum and angular distribution. In contrast, increasing the wire diameter leads to enhanced absorption of low-energy photons, resulting in noticeable spectral hardening and a broadening of the angular distribution due to increased multiple scattering. Furthermore, higher-Z target materials (W, Au) significantly enhance the high-energy photon yield but concurrently induce greater angular divergence.
The findings provide quantitative insights into the self-absorption mechanism and its differential impact across parameters. This study offers concrete guidance for optimizing target design: selecting appropriate wire diameter and high-Z materials can tailor the spectral hardness and brightness, while mindful management of angular broadening is necessary for applications requiring high directivity.
, Available online ,
doi: 10.11884/HPLPB202638.250351
Abstract:
Background Purpose Methods Results Conclusions
Water-dielectric self-breakdown switches are critical components in pulsed power devices such as the 10 MA facility. The plate-sphere electrode structure is specifically designed to achieve simultaneous multi-channel discharge, which is essential for minimizing switch inductance and reducing timing jitter.
This study investigates the factors affecting multi-channel formation in a water-dielectric, three-electrode plate-sphere self-breakdown switch operating at 3 MV, with the aim of validating the theoretical formation criterion.
Theoretical analysis was conducted based on the specific parameters of the switch structure, focusing on key temporal characteristics influencing discharge behavior. Experimental validation was performed at the nominal breakdown voltage of 3 MV, utilizing diagnostic techniques to observe the development of discharge arcs across all electrode pairs.
The calculated characteristic value for multi-channel formation was determined to be 8.6 ns, exceeding twice the measured switch jitter time of 3 ns, thereby satisfying the theoretical criterion. Observations confirmed that discharge arcs initiated nearly synchronously at the three sphere electrodes and propagated toward the plate electrodes, with complete multi-channel formation achieved within approximately 30 ns.
The study validates the criterion for multi-channel discharge in the plate-sphere switch structure. The design effectively enables simultaneous formation of multiple discharge channels within tens of nanoseconds, meeting essential requirements for high-performance pulsed power devices and contributing to improved operational stability.
, Available online ,
doi: 10.11884/HPLPB202638.250327
Abstract:
Background Purpose Methods Results Conclusions
In the voltage multiplication process of a spiral generator based on the principle of vector inversion, its voltage efficiency is constrained by losses such as switching loss, transmission line loss and leakage inductance loss.
To quantitatively investigate the impact of key design parameters––including coil turn number n, dielectric/electrode thickness, average dielectric diameter D, magnetic core permeability, and switch position on leakage loss and overall efficiency.
This study employs a field-circuit collaborative simulation method for modeling and analysis.
The simulation results demonstrate that utilizing a high-permeability magnetic core can significantly enhance voltage efficiency; increasing D/n ratio improves output efficiency; while a higher turn number n boosts output voltage amplitude, it concurrently reduces voltage efficiency; enlarging the average diameter D enhances voltage efficiency but at the cost of increased device volume; reducing dielectric thickness benefits efficiency, though excessively thin layers risk insulation breakdown; and positioning the switch at the middle of the coil, rather than at the end, substantially increases voltage efficiency.
Furthermore, an in-depth analysis of the electromagnetic energy conversion process after switch closure reveals that a high-efficiency spiral generator must achieve complete conversion of magnetic energy into electric field energy while ensuring the electric fields in the active and passive layers are oriented in the same direction, which is essential for optimal performance.
, Available online ,
doi: 10.11884/HPLPB202638.250363
Abstract:
Background Purpose Methods Results Conclusions
In recent years, emerging application fields such as FLASH radiotherapy and flash radiography have created an urgent demand for high-repetition-rate linear induction accelerators (LIA) capable of operating at kHz-level frequencies. Whether the magnetic cores of induction accelerator cavities can effectively reset between repetitive pulses has become one of the critical factors determining the feasibility of high-repetition-rate LIA.
This paper focuses on the reset methods for magnetic cores in high-repetition-rate pulsed induction accelerator cavities.
Through high-voltage experiments and circuit simulations, various rapid reset methods for both amorphous and nanocrystalline magnetic cores were investigated and comparatively analyzed. Based on this work, experimental tests were conducted on the interpulse reset effectiveness of accelerator cavity cores using self-developed high-repetition-rate pulsed induction accelerator modules.
Research results indicate that nanocrystalline magnetic cores are more suitable for high-repetition-rate induction accelerator cavities. Different reset methods can achieve magnetic core reset at varying repetition frequencies.
Utilizing the inductor-isolated DC reset method, the existing device configuration can meet the reset requirements for nanocrystalline magnetic cores at a 10 kHz repetition rate. By leveraging the self-recovery capability of low-remanence nanocrystalline magnetic cores, automatic reset of accelerator cavity cores can be achieved at 100 kHz repetition rates.
, Available online ,
doi: 10.11884/HPLPB202638.250328
Abstract:
Background Purpose Methods Results Conclusions
The PFN (pulsed forming network)-Marx generator shows robust capabilities for enhancing the output efficiency and miniaturization level of pulsed power system, and offers the most significant potential for compact and lightweight design.
This study aims to develop a compact PFN-Marx generator that is capable of generating high-power pulses with flat-top duration, while maintaining low output jitter.
A tailored pulsed forming module (PFM) was developed by employing a non-uniform PFN sections reduced to 2, aiming for enhanced compactness. The influence of key circuit parameters on its output waveform was investigated. A PFN-Marx generator was designed and assembled by employing the PFMs and low-jitter plane-triggering-electrode gas switches et al.
The effects of key circuit parameters on the pulse shaping was quantitatively analyzed, and waveform tailoring of the PFM was achieved. The PFM could output a high-voltage pulse with a pulse width and flat-top duration (90%−90%) of about 150 ns and 80 ns, respectively. Once assembled into the Marx generator, it could deliver a 190 kV, 3.4 GW high pulsed power to a 10.6 Ω resistive load, while maintaining a flat-top duration of about 80 ns. When operating at a repetition rate of 50 Hz, it exhibits highly consistent output waveforms, with an output jitter as low as 2.4 ns.
A compact PFN-Marx generator was developed by employing a 2-sections tailored PFM that is capable of generating high-power pulses with flat-top duration. It is helpful for the development of compact Marx generator with the required waveform and low output jitter.
, Available online ,
doi: 10.11884/HPLPB202638.250362
Abstract:
Background Purpose Methods Results Conclusions
The rapid development of high-power microwave application technology presents significant challenges for the reliability and installability of pulsed power drivers.
The design methodology of a compact, lightweight Tesla-type pulsed power driver based on high-energy-density liquid dielectric Midel 7131 and a dual-width pulse-forming line (PFL) is introduced.
There was a key breakthrough in the miniaturization of the integrated Tesla transformer and PFL assembly. Through optimization of the electrical length of the short pulse transmission line and its impedance matching characteristics, longstanding challenges associated with conventional single-cylinder PFLs and extended transmission lines using transformer oil dielectrics have been effectively resolved. A high-elevation, high-vacuum oil impregnation technique was developed for the Tesla transformer, successfully mitigating partial discharge in oil-paper insulation systems and thereby enhancing the power rating and operational reliability of the PFL.
The developed pulsed power driver delivers a peak output power of 20 GW, a pulse duration of 50 ns, a pulse flat-top fluctuation of less than 2%, and a maximum repetition rate of 50 Hz. The system has demonstrated stable operation over continuous one-minute durations, accumulating approximately 200 000 pulses with consistent performance. The driver’s overall dimensions are 4.0 m (L)×1.5 m (W)×1.5 m (H), with a total mass of approximately 5 metric tons.
Compared to the conventional 20 GW Tesla-type pulsed power generator, this driver has achieved significant improvements in power density and miniaturization.
Column
Display Method:
2026, 38: 041001.
doi: 10.11884/HPLPB202638.250370
Abstract:
Background Purpose Methods Results Conclusions
Laser self-mixing interferometry (SMI) is a highly sensitive and non-contact technique widely used for micro-displacement measurement. However, traditional displacement reconstruction methods typically involve complex phase unwrapping calculations, which increases computational difficulty and limits the efficiency of signal processing in practical applications.
This study aims to propose a novel micro-displacement reconstruction method for semiconductor laser SMI based on convolutional neural networks (CNN). The objective is to achieve direct and accurate reconstruction of micron-scale displacement while bypassing the tedious phase unwrapping process.
The proposed method involves segmenting the SMI signal and using the window-averaged displacement as the label for training the CNN. The architecture of the network consists of three sets of convolutional layers, pooling layers, and Rectified Linear Unit (ReLU) functions. Specifically, the convolutional layers are utilized to extract local displacement features from the SMI signal, the pooling layers are designed to compress feature information and enhance noise immunity, and the ReLU functions help highlight critical displacement features within the signal.
In theoretical simulations, SMI signals with 10 dB noise were input into the trained CNN, resulting in a displacement reconstruction RMSE of 5.3 × 10−8. In experimental tests, SMI signals containing system noise were processed by the network, yielding a reconstructed displacement RMSE of 2.1 × 10−7. The simulation and experimental results demonstrate consistent performance.
Both theoretical and experimental results indicate that the convolutional neural network can effectively achieve micron-level displacement reconstruction by analyzing the temporal segments of SMI signals. This method provides an efficient alternative for semiconductor laser self-mixing interference systems by eliminating the need for complex phase-based algorithms.
2026, 38: 041002.
doi: 10.11884/HPLPB202638.250301
Abstract:
Background Purpose Methods Results Conclusions
Simultaneous and accurate detection of multiple physical and biochemical parameters, such as refractive index (RI) and temperature, is critically important in complex sensing environments, including biological analysis and cancer cell detection. Photonic crystal fiber sensors based on surface plasmon resonance (PCF-SPR) have attracted considerable attention due to their high sensitivity and compact structure. However, achieving ultra-wide RI detection ranges, effective temperature compensation, and low cross-sensitivity within a single fiber platform remains a significant challenge, particularly when higher-order mode excitation and polarization selectivity are required.
The purpose of this study is to propose and numerically investigate a dual-channel PCF-SPR sensor capable of simultaneous RI and temperature sensing over an ultra-wide range, while achieving polarization-resolved mode excitation and reduced cross-interference between sensing channels.
An anchor-shaped asymmetric photonic crystal fiber with orthogonally polished semi-circular surfaces is designed. Gold (Au) and polydimethylsiloxane (PDMS) thin films are selectively deposited on different polished surfaces to construct two independent SPR sensing channels. Polarization-resolved excitation of high-order modes is achieved through structural asymmetry and selective coating. A full-vector finite-element method based on COMSOL Multiphysics is employed to analyze mode distributions, loss spectra, and resonance wavelength shifts. Key structural parameters, including air-hole geometry and metal-dielectric layer thicknesses, are systematically optimized to enhance plasmonic coupling strength and mode confinement.
Simulation results indicate that the x-polarized channel coated with Au and PDMS exhibits dual sensitivity to RI and temperature, whereas the y-polarized channel coated only with Au responds exclusively to RI variations of another analyte. The proposed sensor achieves an ultra-wide RI detection range from 1.21 to 1.44, with a maximum RI sensitivity of 14 500 nm/RIU. The temperature sensing range spans from −100 ℃ to 100 ℃, and a peak temperature sensitivity of 4 nm/℃ is obtained. Clear polarization-dependent resonance characteristics and effective channel decoupling are demonstrated.
The proposed dual-channel anchor-shaped PCF-SPR sensor combines ultra-wide RI detection, temperature sensing capability, and polarization-resolved selectivity within a compact fiber structure. Its high sensitivity, flexible channel configuration, and strong resistance to cross-interference make it a promising platform for real-time multi-parameter sensing in complex biological and chemical applications, such as cancer cell detection and biochemical analysis.
2026, 38: 041003.
doi: 10.11884/HPLPB202638.250270
Abstract:
Background Purpose Methods Results Conclusions
Although quartz exhibits excellent light transmittance, the significant difference in thermal expansion coefficients between quartz and metal sealing materials has long been a critical technical bottleneck, leading to interface stress concentration and vacuum sealing failures in low-leakage quartz windows.
This study addresses the urgent demand for ultra-high vacuum precision optical systems by conducting systematic research on sealing technologies for high-performance quartz vacuum windows.
To overcome this challenge, this paper innovatively proposes using magnetron sputtering technology to sequentially deposit a Ti/Mo/Cu/Ag multilayer film system on the quartz welding surface, thereby creating a gradient functional metallization layer with thermal stress buffering capability that achieves effective surface metallization.
Scanning electron microscopy observations revealed continuous, dense, and structurally uniform film layers. Nanoindentation experiments further demonstrated a bonding strength of approximately 3.83 N between the metallized layer and quartz substrate, indicating robust adhesion. Experimental results show that vacuum window components fabricated using this metallization scheme achieve leakage rates below 10−12 Pa·L/s.
This achievement has broad applications in synchrotron radiation, quantum measurement, and space exploration, providing crucial technical support for the development of high-performance vacuum devices.
2026, 38: 041004.
doi: 10.11884/HPLPB202638.250303
Abstract:
Background Purpose Methods Results Conclusions
Pinhole cameras based on the principle of pinhole imaging are widely used in high-energy-density physics experiments to monitor laser-target interaction regions. However, traditional pinhole cameras often suffer from signal acquisition failures due to the lack of online aiming capability, especially for small targets such as wire targets in facilities like the Xingguang-Ⅲ laser system.
This study aims to develop an X-ray online-aiming pinhole camera for the Xingguang-Ⅲ laser facility to address the challenge of precise target alignment under vacuum conditions and enhance the reliability of signal acquisition.
An integrated design combining a visible-light CCD and an X-ray CCD was implemented. A revolver-type pinhole adjustment device was developed to switch between aiming apertures and imaging pinholes with a concentricity error below 3.5 µm. High-precision two-dimensional pointing adjustments (pitch and tilt) were achieved using a motorized stage, with a targeting accuracy of 15 µm. The visible-light CCD enabled real-time target imaging, while different aperture sizes on a precision adjustment disk facilitated coarse-to-fine aiming.
The camera was tested on the Xingguang-Ⅲ laser facility using a Cu planar target irradiated by a picosecond laser. Clear X-ray spot images were obtained, with a peak intensity of 52 040 and a background noise of approximately 2 500. The full width at half maximum of the spot was 43 µm horizontally and 38 µm vertically, confirming successful online aiming and imaging performance.
The developed X-ray online-aiming pinhole camera fulfills the operational requirements of the Xingguang-Ⅲ laser facility. It enables real-time, high-precision target alignment under vacuum, significantly improving the success rate of signal acquisition in high-energy-density physics experiments.
2026, 38: 041005.
doi: 10.11884/HPLPB202638.250439
Abstract:
Background Purpose Methods Results Conclusions
Radar protective enclosures often attenuate electromagnetic waves and reduce the received signal level, especially in high-frequency shallow-layer detection. This attenuation can narrow the usable bandwidth and weaken target responses in practical deployments.
This study aims to design a miniaturized, high-transmittance Frequency Selective Surface (FSS) that restores transmission through an enclosure while keeping a compact unit cell for integration and manufacturing.
We designed a resonant unit that coupled upper and lower metal patches with a metal grid. We used an equivalent-circuit model to describe the structure and to link physical geometry to coupling capacitance and resonance. We then ran full-wave simulations to quantify transmission, bandwidth, and electrical size. We fabricated samples and measured them with microwave test equipment to verify the simulated response under realistic conditions.
The simulations showed stable transmission above 90% across the 9.5–10.5 GHz. The design achieved miniaturization, and the unit electrical size was approximately one-thirteenth of the operating wavelength. The measurements confirmed transmission above 90% across 9.6–10.3 GHz. The measured curves matched the simulated trends and resonant features, which supported the circuit-based interpretation.
The proposed miniaturized FSS provides high transmission with a compact footprint and good practical tolerance to deployment constraints. It offers a direct design reference for high-frequency radar enclosures require both electromagnetic transparency and structural compatibility.
2026, 38: 042001.
doi: 10.11884/HPLPB202638.250346
Abstract:
In indirect-drive laser inertial confinement fusion (ICF), the precise calculation of X-ray drive intensity at the capsule is crucial for accurately predicting the implosion performance of deuterium-tritium fuel capsules. Achieving this requires detailed radiation-hydrodynamic simulations that accurately capture processes such as laser-to-X-ray conversion and X-ray absorption losses at the hohlraum walls. However, since the inception of the National Ignition Campaign at the National Ignition Facility (NIF), radiation-hydrodynamic simulations have consistently overestimated the experimentally measured X-ray drive flux intensity at the capsule, reflecting the widespread presence of hohlraum energy deficits. Although extensive experimental studies have been conducted at NIF along with continuous optimization of its radiation-hydrodynamic simulation models, the challenging issue of hohlraum energy deficit remains unresolved, constituting one of the critical barriers to achieving high-gain inertial confinement fusion. This paper systematically reviews the critical research developments regarding hohlraum energy deficit at NIF and introduces the methods adopted by NIF and China for characterizing the X-ray radiation flux intensity at the capsule.
In indirect-drive laser inertial confinement fusion (ICF), the precise calculation of X-ray drive intensity at the capsule is crucial for accurately predicting the implosion performance of deuterium-tritium fuel capsules. Achieving this requires detailed radiation-hydrodynamic simulations that accurately capture processes such as laser-to-X-ray conversion and X-ray absorption losses at the hohlraum walls. However, since the inception of the National Ignition Campaign at the National Ignition Facility (NIF), radiation-hydrodynamic simulations have consistently overestimated the experimentally measured X-ray drive flux intensity at the capsule, reflecting the widespread presence of hohlraum energy deficits. Although extensive experimental studies have been conducted at NIF along with continuous optimization of its radiation-hydrodynamic simulation models, the challenging issue of hohlraum energy deficit remains unresolved, constituting one of the critical barriers to achieving high-gain inertial confinement fusion. This paper systematically reviews the critical research developments regarding hohlraum energy deficit at NIF and introduces the methods adopted by NIF and China for characterizing the X-ray radiation flux intensity at the capsule.
2026, 38: 042002.
doi: 10.11884/HPLPB202638.250403
Abstract:
This paper focuses on the element doping technology of low-density polymer foams for inertial confinement fusion (ICF) experiments and summarizes their research status and development trends. As key target materials for ICF, low-density polymer foams can optimize radiation transport, suppress hydrodynamic instability, and achieve diagnostic functions by introducing doping elements such as chlorine, argon, and germanium. The paper systematically analyzes the principles, advantages, disadvantages, and application bottlenecks of two major types of doping technologies: physical doping (particle dispersion, physical vapor deposition) and chemical doping (copolymerization, monomer functionalization, polymer substitution), with an emphasis on core issues such as uniformity control and doping precision. Finally, it discusses cutting-edge directions including composite doping, two-photon polymerization, and ion implantation, providing technical references for the high-performance and precise preparation of ICF target materials and facilitating the development of high-repetition-rate ICF experiments.
This paper focuses on the element doping technology of low-density polymer foams for inertial confinement fusion (ICF) experiments and summarizes their research status and development trends. As key target materials for ICF, low-density polymer foams can optimize radiation transport, suppress hydrodynamic instability, and achieve diagnostic functions by introducing doping elements such as chlorine, argon, and germanium. The paper systematically analyzes the principles, advantages, disadvantages, and application bottlenecks of two major types of doping technologies: physical doping (particle dispersion, physical vapor deposition) and chemical doping (copolymerization, monomer functionalization, polymer substitution), with an emphasis on core issues such as uniformity control and doping precision. Finally, it discusses cutting-edge directions including composite doping, two-photon polymerization, and ion implantation, providing technical references for the high-performance and precise preparation of ICF target materials and facilitating the development of high-repetition-rate ICF experiments.
2026, 38: 043001.
doi: 10.11884/HPLPB202638.250297
Abstract:
Background Purpose Methods Results Conclusions
With the rapid development of low-Earth orbit (LEO) satellite communications, there is a pressing need for circularly polarized phased arrays that offer wide-angle scanning capability while maintaining a low profile, which remains a significant challenge in current designs.
This study aims to design a low-profile, wide-beam circularly polarized antenna element and its corresponding wide-angle scanning array to address the limitations of narrow scan angles and high profiles in existing solutions.
A double-layer antenna element was designed, utilizing corner perturbation and cross-slots to achieve left-hand circular polarization, while the beamwidth was broadened via an upper parasitic structure and metallic posts based on pattern superposition. A 4×4 array was constructed by rotating these elements, with annular open slots integrated into the ground plane to suppress mutual coupling.
The proposed antenna element exhibits a 3-dB axial ratio beamwidth greater than 175°, a gain beamwidth of 120°, and a profile of only 0.07λ0. Simulations of the 4×4 array demonstrate a scan coverage of ±60°, with axial ratio consistently below 2 dB and a stable gain fluctuation of 3.38 dB throughout the scanning range.
The designed antenna and array effectively achieve wide-angle circularly polarized scanning with low profile and stable performance, offering a promising solution for LEO satellite communication terminals and other integrated systems requiring wide spatial coverage.
2026, 38: 043002.
doi: 10.11884/HPLPB202638.250237
Abstract:
Background Purpose Methods Results Conclusions
With the advancement of high-power microwave (HPM) technology, there is a growing demand for HPM antennas with beam scanning capabilities.
This paper focuses on beam-scanning technology in the HPM field and proposes a novel circularly-polarized all-metal beam-scanning lens antenna based on the Risley-prism principle, aiming to address the challenges of wide-angle beam scanning and high power handling capacity (PHC).
By introducing circular slots and metamaterial structures into hexagonal units, a circular polarization orthogonal conversion efficiency(the conversion efficiency of incident left-hand/right-hand circularly polarized (LHCP/RHCP) waves to their orthogonal RHCP/LHCP waves) of over 99% at the central frequency and a continuous phase tuning range of 0° to 360° are achieved. After arraying, the two-layer lens, together with the radial line slot array (RLSA) antenna, constitutes the beam scanning antenna system. Specifically, the first lens converts the circularly polarized hollow beam radiated by the feed antenna into a solid beam while achieving a 25.66° beam-deflection synchronously. The second lens further deflects the beam, and two-dimensional beam scanning within a conical angle of ±60° can be realized by independently rotating the two layers of lenses.
A beam scanning lens antenna operating at 14.25 GHz with an axial length of 5.6λ is designed and simulated. During the scanning process, the gain varies within the range of 34.7–37.9 dB, the reflection coefficient remains consistently below −25 dB, and the maximum aperture efficiency exceeds 79%. The PHC of the beam scanning antenna exceeds 1 GW.
The antenna proposed in this paper exhibits excellent beam scanning performance and high PHC, demonstrating great potential for applications in the HPM field.
2026, 38: 043003.
doi: 10.11884/HPLPB202638.250331
Abstract:
Background Purpose Methods Results Conclusions
With the development of pulse power technology and plasma physics, high-power microwave technology has developed rapidly, giving rise to various types of high-power microwave sources. Among them, the relativistic magnetron stands out as one of the most promising high-power microwave sources due to its high power conversion efficiency, compact structure, and tunable frequency. At present, the investigations of the relativistic magnetron mainly focus on microwave generation mechanisms, operation characteristics and radiation characteristics at relatively low frequency bands, such as L-band and S-band. The operating characteristics of the relativistic magnetron at higher frequencies are scarcely studied.
A Ku-band coaxial relativistic magnetron (RM) is designed in this paper to broaden working frequency range of this type of high-power microwave (HPM) source, further expanding its application scope.
A coaxial magnetron structure with 18 inner cavities is applied in this tube. A particle-in-cell (PIC) simulation has been carried out with the coaxial-axial output.
The high power microwave with power of 108 MW was detected at 14.613 GHz with a power conversion efficiency of about 43% when the applied voltage was 180 kV, the current was 1.4 kA, the inducing magnetic field was about 0.4 T, and the mode of output microwave in coaxial waveguide is TE01 mode.
The simulation results show that the presented tube has a relative high conversion efficiency with low guiding magnetic field and more compact structure, which is convenient for decreasing the volume and weight of the system.
2026, 38: 043004.
doi: 10.11884/HPLPB202638.250414
Abstract:
Background Purpose Methods Results Conclusions
The W-band constitutes a critical atmospheric window in the millimeter-wave spectrum, with significant importance for advanced applications such as high-capacity communications, high-resolution imaging, and high-precision sensing. As essential components within core millimeter-wave transmitter and receiver systems, filters fundamentally determine transceiver performance. However, conventional designs frequently face challenges in simultaneously achieving high electrical performance and favorable manufacturability, representing a key obstacle in contemporary W-band filter development.
This work aims to develop a low-loss, low-order, and readily fabricable waveguide quasi-elliptic bandpass filter for the W-band. The goal is to maximize structural simplicity while maintaining high performance, thereby addressing the requirements of next-generation highly integrated transceiver systems.
The proposed filter employs a novel H-plane offset magnetic coupling configuration, which simplifies the input–output coupling mechanism. Guided by quasi-elliptic filtering theory, transmission zeros are generated on both sides of the passband through the excitation of TE201/TE102 and TE301/TE102 hybrid modes in two respective resonant cavities, resulting in enhanced out-of-band suppression. The filter is implemented in a split-block architecture and fabricated via high-precision computer numerical control (CNC) milling.
Measured results demonstrate an operational passband from 91.5 GHz to 98 GHz, corresponding to a 3 dB fractional bandwidth of 7%, with an in-band insertion loss as low as 0.4 dB and a return loss greater than 15 dB. Except for a slight deviation observed at the upper band edge, the experimental data show strong agreement with simulation, confirming the design’s manufacturability, integration compatibility, and high-frequency performance.
A compact, low-loss W-band quasi-elliptic filter has been successfully realized using only two hybrid-mode cavities. The presented design exhibits notable advantages in terms of fabrication ease, integration suitability, and electrical performance, providing a viable solution for advanced millimeter-wave system applications.
2026, 38: 044001.
doi: 10.11884/HPLPB202638.250282
Abstract:
Background Purpose Methods Results Conclusion
The China Institute of Atomic Energy has designed of a 9.5 MeV ultra-compact cyclotron to support the independence of Positron Emission Tomography (PET) cyclotrons. A high-performance control system is critical for the equipment, as the stability of the acceleration field directly impacts beam quality.
In order to ensure the stable acceleration of the accelerator beam, this study aims to develop a Low-Level Radio Frequency (LLRF) control algorithm based on a fully digital hardware platform.
To enhance control precision and increase the feedback rate, a high-speed Digital Down-Conversion (DDC) demodulation system was designed. Addressing the issue where the IQ sequence after digital down-conversion may be distributed in arbitrary quadrants, an innovative quadrant preprocessing module was developed to extend applicability across the Cartesian plane. A position-type Proportion-Integral-Derivative (PID) tuning loop was implemented for automatic frequency compensation, integrating adaptive protection, timed detection, and one-click startup. Furthermore, a robust cross-clock-domain data path was constructed to ensure accurate and stable amplitude regulation.
Closed-loop tests verified the reliability of the demodulation system. During the joint commissioning with the accelerator, a stable internal target beam current of 100 μA was successfully extracted. The system achieved a cavity voltage amplitude stability of 0.047% (RMSE) and maintained a detuning angle of 0.46°(RMSE).
The experimental results demonstrate that the proposed LLRF system fully meets the control requirements of the accelerator. The design ensures high stability and precision, providing reliable technical support for the operation of the 9.5 MeV ultra-compact cyclotron.
2026, 38: 045001.
doi: 10.11884/HPLPB202638.250079
Abstract:
Background Purpose Methods Results Conclusions
In recent years, magnetized laser-plasma research has gained significant importance in multiple frontier fields such as magneto-inertial confinement fusion, magnetic reconnection, collisionless shocks, and magnetohydrodynamic instabilities. Pulsed magnetic field devices have become the mainstream experimental approach, as they can generate magnetic field parameters that meet experimental requirements in terms of strength, spatial scale, and duration. Such devices have been integrated into multiple large-scale laser facilities worldwide, and our research group has also successfully developed several pulsed magnetic field systems adaptable to laser setups of different scales. However, existing devices still face two major challenges: first, strong electromagnetic interference affects data acquisition and equipment safety; second, advances in physical experiments demand higher magnetic field strengths.
This study presents a novel coaxial-structure pulsed magnetic field device, designed to optimize the circuit configuration for suppressing electromagnetic interference (EMI) and enhancing magnetic field strength, thereby providing a more reliable high-field environment for magnetized laser-plasma experiments.
The experiment employs an all-coaxial architecture to enhance electromagnetic compatibility. Multiple soft coaxial cables are connected in parallel to link a 5 μF high-voltage coaxial capacitor with a rigid coaxial transmission line inside the vacuum target chamber, thereby minimizing system inductance.
At 40 kV charging voltage, a discharge current with a peak intensity of 105 kA, a rise time of 1.2 μs, and a flat top width of 1.4 μs is produced, which generates an intense magnetic field of 22 T in the center of a three-turn magnetic field coil of 12 mm diameter. Compared with our previous pulsed intense magnetic field device, the present device can generate larger current and stronger magnetic field, while the free-space EM noise and potential jitter (voltage fluctuation) of the vacuum chamber are significantly reduced.
Experimental results demonstrate that the key performance of this device has reached the mainstream advanced level of international counterparts, such as relevant systems from the U.S. LLNL, France's LULI, and Germany’s HZDR. This device combines high magnetic field strength, microsecond-level flat-top stability, and low electromagnetic interference, providing precisely controllable strong magnetic field experimental conditions—previously difficult to achieve—for frontier research areas such as magneto-inertial confinement fusion, laboratory astrophysics, magnetohydrodynamic instabilities, and pulsed laser deposition coating.
2026, 38: 045002.
doi: 10.11884/HPLPB202638.250264
Abstract:
Background Purpose Methods Results Conclusions
The quasi-square wave output characteristic of a PFN-Marx generator is a pair of contradictions with the compactness of the setup. With the higher requirement of the compactness of the setup, the inter stage electromagnetic coupling of PFN wave transmission becomes increasingly significant, which has a significant effect on the pulse modulation characteristics of the PFN and further affects the quasi-square wave output characteristics of the generator.
It is necessary to investigate the electromagnetic coupling during the wave transmission process of the PFN-Marx generator and derive the corresponding calculation formulas. This allows for the avoidance of specific electromagnetic couplings during the design phase, ensuring both the quality of the output waveform and the compactness of the device.
This paper presents an electromagnetic coupling analysis of the PFN during the discharging process of PFN Marx generator. Firstly, the electromagnetic coupling phenomena in the PFN and between the PFNs are analyzed by theoretical derivation, and the calculation formulas are obtained. Then, the 3D model of the typical PFN Marx generator is built up for field circuit simulation. Finally, a single-stage generator and a multi-stage generator are built for experimental verification.
The experimental results verify the theoretical analysis and simulation results, showing good consistency. The preliminary design optimization directions for the PFN-Marx generator can be outlined as follows: 1. Maintain appropriate inter-wire spacing; 2. Increase design redundancy to compensate for electromagnetic coupling; 3. Keep the transmission lines neat and regular to minimize unnecessary electromagnetic coupling.
Based on the above results, the understanding of electromagnetic coupling in the wave transmission of PFN-Marx generator can be improved, so as to avoid partial electromagnetic coupling in design and improve the square wave output ability of PFN-Marx generator. This paper can provide technical reference for the development of quasi-square wave technology and compact technology of the PFN-Marx generator.
2026, 38: 045003.
doi: 10.11884/HPLPB202638.250322
Abstract:
Background Purpose Methods Results Conclusions
Series resonant capacitor charging power supply is widely used in the field of pulse power due to its high efficiency, high power density, and short-circuit resistance. However, its traditional PFM constant current charging control method leads to significant charging losses and reduced efficiency, which is particularly prominent in the early stages of charging.
A multimodal hybrid constant-current charging control strategy is proposed to enhance both the charging efficiency and input power utilization.
This strategy achieves smooth transitions of charging voltage while reducing charging losses and improving efficiency through collaborative control of half-bridge mode (early charging stage), hybrid mode (mid charging stage), and full-bridge mode (late charging stage). In addition, the conversion of working modes is achieved by multiplexing power devices, which not only meets the requirements of high-voltage charging but also reduces system costs.
Based on this approach, a 650 V/1 A charging power supply prototype has been designed and built. Experimental results demonstrate that, compared to conventional PFM control, the proposed strategy significantly improves overall charging efficiency, achieving a maximum efficiency of 96.4%.
This method not only provides an effective solution for capacitor energy storage charging systems with high efficiency and low cost, but its modal switching mechanism is also transferable to the design of other resonant converters, demonstrating broad engineering applicability.
2026, 38: 045004.
doi: 10.11884/HPLPB202638.250399
Abstract:
Background Purpose Methods Results Conclusions
High-power pulsed applications increasingly require power supplies capable of high-current bipolar output and flexible controllability. However, achieving high power density while maintaining pulse precision and current-sharing stability remains a significant challenge pulsed source design.
This work aims to design and implement a compact, integrated bipolar pulsed current supply system that utilizes a paralleled silicon carbide (SiC) MOSFET full-bridge architecture to meet the demands of medium-voltage, high-power pulsed applications.
The proposed system integrates the main power stage, isolated drivers, auxiliary power supplies, and protection module on a single printed circuit board (PCB), featuring both high power density and good scalability.
Experimental results demonstrate that, under DC bus voltages ranging from 50 V to 300 V, the peak output current exhibits excellent linear correlation with the bus voltage, while pulse-width adjustment enables continuously controllable peak current with a maximum enhancement of 37%. The system is capable of delivering bipolar pulse currents up to ±300 A, confirming the compatibility of high-current output with compact integration. In addition, at a 500\begin{document}$ \mathrm{\; ns} $\end{document} pulse width, the four-device paralleled branch achieves a current-sharing imbalance factor of 12.87%, validating the effectiveness of the cooperative gate-drive scheme and the use of independent gate resistors.
These findings indicate that the proposed compact integrated design successfully balances high-current bipolar pulsed output and parameter adjustability, providing experimental evidence and design guidance for the miniaturization and engineering implementation of medium-voltage and high-power pulse sources.
2026, 38: 049001.
doi: 10.11884/HPLPB202638.250467
Abstract:
Background Purpose Methods Results Conclusions
The projection sequence of Hadamard speckle patterns directly influences the image reconstruction quality and efficiency of computational ghost imaging under undersampled conditions. Optimizing the speckle sorting strategy is an effective approach to achieving high-quality imaging at low sampling rates.
This study aims to address the oscillation of quality metrics observed during the sampling process of traditional sorting strategies and to further enhance the signal-to-noise ratio and convergence stability within the low-sampling-rate regime.
A recursive cross (RC) sorting strategy based on the Hadamard basis is proposed. By inversely deconstructing hierarchical subspaces and utilizing an even-index mapping mechanism, this method interleaves and reorganizes speckles with orthogonal texture features, thereby disrupting the continuous accumulation of unidirectional features in the sampling sequence. Numerical simulations under both ideal and Gaussian noise environments, along with optical experiments, were conducted to validate the proposed method.
Simulation results demonstrate that the RC strategy effectively eliminates the oscillation of evaluation metrics observed in Russian Dolls sorting as the sampling rate increases across the full 0–100% range, achieving a smooth evolution and robust convergence of imaging quality. Particularly in the low-sampling-rate range of 0–10%, the peak signal-to-noise ratio of the reconstructed images shows a maximum improvement of approximately 101.7% compared to Hadamard natural sorting and 11.4% compared to laser model speckle sorting, with a maximum gain of about 3.4 dB.
By optimizing the sampling path of spectral energy, the RC sorting strategy improves the data acquisition efficiency of ghost imaging, potentially offering an effective technical pathway for realizing rapid and real-time ghost imaging applications.
2026, 38: 049002.
doi: 10.11884/HPLPB202638.250298
Abstract:
Background Purpose Methods Results Conclusions
The reaction kinetics in lasers often involves a lot of excited state species. The mutual effects and numerical stiffness arising from the excited state species pose significant challenges in numerical simulations of lasers. The development of artificial intelligence has made neural networks (NNs) a promising approach to address the computational intensity and instability in excited state reaction kinetics (ESRK).
However, the complexity of ESRK poses challenges for NN training. These reactions involve numerous species and mutual effects, resulting in a high-dimensional variable space. This demands that the NN possess the capability to establish complex mapping relationships. Moreover, the significant change in state before and after the reaction leads to a broad variable space coverage, which amplifies the demand for NN’s accuracy.
To address the aforementioned challenges, this study introduced successful sequence-to-sequence learning from large language learning into ESRK to enhance prediction accuracy in complex, high-dimensional regression. Additionally, a statistical regularization method was proposed to improve the diversity of the outputs. NNs with different architectures were trained using randomly sampled data, and their capabilities were compared and analyzed.
The proposed method is validated using a vibrational reaction mechanism for hydrogen fluoride, which involves 16 species and 137 reactions. The results demonstrate that the sequential model achieves lower training loss and relative error during training. Furthermore, experiments with different hyperparameters reveal that variation in the random seed can significantly impact model performance.
In this work, the introduction of the sequential model successfully reduced the parameter count of the conventional wide model without compromising accuracy. However, due to the intrinsic complexity of ESRK, there remains considerable room for improvement in NN-based regression tasks for this domain.
2026, 38: 044002.
doi: 10.11884/HPLPB202638.250340
Abstract:
Background Purpose Methods Results Conclusions
The C-band photocathode radio frequency (RF) electron gun, with an ultra-high accelerating gradient exceeding 150 MV/m, is a key technology for generating high-brightness electron beams in fourth-generation light sources. However, its output beam features picosecond-scale ultrashort pulses, a wide charge dynamic range of 50 pC to 2500 pC, and an ultra-low transverse emittance of 0.18 mm·mrad@100 pC. Existing measurement methods developed for L/S-band systems can hardly meet the stringent requirements on measurement accuracy and bandwidth for such beams.
This study aims to develop a high-precision beam measurement system adapted to the characteristics of the C-band electron gun, based on the test platform of the South Advanced Light Source (SAPS).
Firstly, a flange-mounted active integrating charge transformer (Active-ICT) was independently developed to address the challenge of narrow-pulse charge measurement, and a cross-calibration method based on a set of commercial high-sensitivity ICT and terminator was proposed, achieving a measurement linearity better than ±1% full scale (FS). Secondly, to mitigate the significant influence of space charge force in ultra-low emittance measurement, the slit parameters and drift length of the double-slit emittance meter were optimized via Astra simulation, confining the systematic error within 10% in the emittance range of 0.15-0.25 mm·mrad. Thirdly, an optical path combining double-slit collimation and a sector dipole magnet was designed to suppress noise floor interference in energy spread measurement.
Preliminary beam experiments were conducted with the established system. The results show that the measured photocurrent and dark current are in good agreement with Faraday cup measurements, and the beam energy curves obtained under different accelerating gradients are highly consistent with beam dynamics simulation results, verifying the reliability and measurement accuracy of the system.
This work solves the key beam diagnostics technical bottlenecks in the commissioning of domestic C-band photocathode RF electron guns, and provides core technical support for the engineering development of similar high-gradient injectors.
Design of windows for multi-scale turbulence collective scattering diagnostic system on HL-3 Tokamak
2026, 38: 046001.
doi: 10.11884/HPLPB202638.250317
Abstract:
Background Purpose Methods Results Conclusions
The study of multi-scale turbulence and related anomalous transport under high-performance plasma operation remains an important topic in the research of magnetic confinement fusion. The parameter range of plasmas in the tokamak experiment determines that far-infrared laser collective scattering is the optimal diagnostic method for multi-scale turbulence diagnostics.
This paper discusses the overall design parameters of the diagnostic system and provide a detailed introduction to the design of the windows for the multi-scale turbulence collective scattering (MSTCS) diagnostic system on the HL-3 Tokamak.
The laser beam entrance window of the MSTCS diagnostic system is located in the mid-plane port #6 of the HL-3 tokamak, and the scattered light beams exit from the windows in the mid-plane port #12. The design aspects of the windows include the material selection, clear aperture calculation, window thickness design, mechanical design, and surface quality requirements. Several interrelated factors need to be considered in the design process. These include the diagnostic wavenumber range, wavenumber resolution, wavenumber purity of the scattering data, laser beam transmission coefficients, and the requirements for vacuum sealing and safety.
On the basis of these considerations, a corresponding design scheme was formulated. The technical details of the analysis and design process as well as the design results are presented.
The MSTCS diagnostic system has been successfully installed on HL-3, and preliminary experimental data confirm the vacuum safety and optical performance of the diagnostic windows, thereby validating the overall design.
2026, 38: 049003.
doi: 10.11884/HPLPB202638.250323
Abstract:
Titanium and its alloys are the predominant base materials for oral implants. However, challenges such as prolonged osseointegration periods and limited success rates persist due to their inherent low surface bioactivity. Femtosecond laser processing has emerged as an innovative, non-thermal, and high-precision surface modification technique, offering a novel approach to precisely tailor the micro-nano topography, chemical composition, and biological performance of implant surfaces. This review summarizes research advances in femtosecond laser surface treatment of titanium implants over the past five years. It systematically elaborates on methods for constructing specific surface architectures by regulating parameters such as laser power, wavelength, scanning strategies, and pulse patterns. Furthermore, it introduces hybrid processing strategies that combine femtosecond laser with techniques like hydroxyapatite deposition, sandblasting, and 3D printing, highlighting their synergistic effects. By comparing femtosecond laser processing with conventional surface treatment technologies (e.g., sandblasting and acid etching, electrochemical deposition, plasma sputtering), this paper analyzes its unique advantages in terms of processing precision, heat-affected zone, biocompatibility, and long-term stability. Finally, current challenges (e.g., equipment cost, processing efficiency) are summarized, and future development directions are proposed, including personalized implant manufacturing, multifunctional surface construction, and integration with other advanced technologies.
Titanium and its alloys are the predominant base materials for oral implants. However, challenges such as prolonged osseointegration periods and limited success rates persist due to their inherent low surface bioactivity. Femtosecond laser processing has emerged as an innovative, non-thermal, and high-precision surface modification technique, offering a novel approach to precisely tailor the micro-nano topography, chemical composition, and biological performance of implant surfaces. This review summarizes research advances in femtosecond laser surface treatment of titanium implants over the past five years. It systematically elaborates on methods for constructing specific surface architectures by regulating parameters such as laser power, wavelength, scanning strategies, and pulse patterns. Furthermore, it introduces hybrid processing strategies that combine femtosecond laser with techniques like hydroxyapatite deposition, sandblasting, and 3D printing, highlighting their synergistic effects. By comparing femtosecond laser processing with conventional surface treatment technologies (e.g., sandblasting and acid etching, electrochemical deposition, plasma sputtering), this paper analyzes its unique advantages in terms of processing precision, heat-affected zone, biocompatibility, and long-term stability. Finally, current challenges (e.g., equipment cost, processing efficiency) are summarized, and future development directions are proposed, including personalized implant manufacturing, multifunctional surface construction, and integration with other advanced technologies.
Conference topicMore >
Wechat: qjgylzs

Email alert
RSS
