2020 Vol. 32, No. 8
				Recommend Articles
			
			
						            2020, 32: 081001.
						             
					            	doi: 10.11884/HPLPB202032.200113 
			    					
							
						            2020, 32: 085001.
						             
					            	doi: 10.11884/HPLPB202032.200163 
			    					
							
                Display Method:
    			
	    		
	    		
	    		
	    		
  				
   			
    	
		            2020,
		            32: 1-2.
		             
	            	
				
		            2020,
		            32: 081001.
		             
	            	doi: 10.11884/HPLPB202032.200113 
   					
				
		        Abstract: 
IDDES coupled with J-B model and dual time step LU-SGS method has been adopted to carry out numerical simulation research on unsteady aerodynamic loads on a turret. Flow around the turret will separate, and the separation angle at the zenith is greater than 90°. When the flow bypasses the turret, unsteady flow field structures such as horseshoe vortex and shedding vortex street will form, resulting in unsteady aerodynamic loads. Power spectral density of pulsating static pressure at the zenith lies in the inertial sub-region of isotropic and uniform turbulence at 1.6-40.0 kHz, which basically satisfies Kolmogrov’s −5/3 law. Aerodynamic force is mainly drag force, fluctuation amplitude of transverse force is large, while aerodynamic moment is mainly pitching moment, fluctuation amplitude of rolling moment is also large, but yaw moment can be ignored. The power spectra of aerodynamic force and moment are mainly concentrated below 1 kHz, there are obvious peak frequencies, and the dominant frequency is about 230 Hz (Strouhal number is 0.15). At the beginning of the design of the acquisition tracking pointing (ATP) system, unsteady characteristics of aerodynamic loads on the turret should be considered, and resonant failure problem caused by peak frequencies, especially the dominant frequency, should be avoided.
		       
		        
		        
		        
			  
			IDDES coupled with J-B model and dual time step LU-SGS method has been adopted to carry out numerical simulation research on unsteady aerodynamic loads on a turret. Flow around the turret will separate, and the separation angle at the zenith is greater than 90°. When the flow bypasses the turret, unsteady flow field structures such as horseshoe vortex and shedding vortex street will form, resulting in unsteady aerodynamic loads. Power spectral density of pulsating static pressure at the zenith lies in the inertial sub-region of isotropic and uniform turbulence at 1.6-40.0 kHz, which basically satisfies Kolmogrov’s −5/3 law. Aerodynamic force is mainly drag force, fluctuation amplitude of transverse force is large, while aerodynamic moment is mainly pitching moment, fluctuation amplitude of rolling moment is also large, but yaw moment can be ignored. The power spectra of aerodynamic force and moment are mainly concentrated below 1 kHz, there are obvious peak frequencies, and the dominant frequency is about 230 Hz (Strouhal number is 0.15). At the beginning of the design of the acquisition tracking pointing (ATP) system, unsteady characteristics of aerodynamic loads on the turret should be considered, and resonant failure problem caused by peak frequencies, especially the dominant frequency, should be avoided.
		            2020,
		            32: 081002.
		             
	            	doi: 10.11884/HPLPB202032.200082 
   					
				
		        Abstract: 
Wavefront sensor-based beam cleanup adaptive optical system is the main equiment to improve the beam quality of high-energy laser systems. However, the system is complicated and bulky because it requires to measure wavefront and needs a strong beacon source. To solve the above problems, this paper proposes a wavefront sensorless adaptive optical system which utilizes the deformable-mirror eigen modes and the characteristics of the far-field spot for processing and analyzing thus to correct the square beam. The eigenmode decomposition of the deformable mirror’s influnce function is used, and the mean square radius of the far-field spot is used as the metric function. The relationship between the eigenmode coefficient of the wavefront and the metric function is established. The measurement of the metric function is used to calculate voltage. Simulation analysis and experimental verification of the correction method show that the method can effectively achieve the correction of static aberrations and improve the energy concentration of the far-field spot.
		       
		        
		        
		        
			  
			Wavefront sensor-based beam cleanup adaptive optical system is the main equiment to improve the beam quality of high-energy laser systems. However, the system is complicated and bulky because it requires to measure wavefront and needs a strong beacon source. To solve the above problems, this paper proposes a wavefront sensorless adaptive optical system which utilizes the deformable-mirror eigen modes and the characteristics of the far-field spot for processing and analyzing thus to correct the square beam. The eigenmode decomposition of the deformable mirror’s influnce function is used, and the mean square radius of the far-field spot is used as the metric function. The relationship between the eigenmode coefficient of the wavefront and the metric function is established. The measurement of the metric function is used to calculate voltage. Simulation analysis and experimental verification of the correction method show that the method can effectively achieve the correction of static aberrations and improve the energy concentration of the far-field spot.
		            2020,
		            32: 081003.
		             
	            	doi: 10.11884/HPLPB202032.200059 
   					
				
		        Abstract: 
Yb-doped fibers are the key materials in high power lasers, its application performance will significantly decrease after irradiation with high-energy rays. Therefore, it is necessary to conduct in-depth research on the performance changes of Yb-doped fiber materials under irradiation. A series of optical fiber preforms and optical fibers were prepared by modified chemical vapor deposition combined with rare-earth chelate-doping method. The high-power output performance of the optical fibers and the optical properties of preforms before and after irradiation were studied. The experimental results show that the high-power output of Yb-doped fiber significantly decreased after low-dose irradiation. It can be seen from the absorption spectra that the main reason is that after irradiation, the Al-related defect concentration in the Yb-doped fiber materials increases, and the absorption loss in the visible region increases. Ce ions doping can reduce the increase of Al-oxygen hole centers (Al-OHCs) color center defects caused by radiation, reduce the decrease of Yb ions fluorescence lifetime, and suppress the radiation darkening of Yb-doped fibers to a certain extent.
		       
		        
		        
		        
			  
			Yb-doped fibers are the key materials in high power lasers, its application performance will significantly decrease after irradiation with high-energy rays. Therefore, it is necessary to conduct in-depth research on the performance changes of Yb-doped fiber materials under irradiation. A series of optical fiber preforms and optical fibers were prepared by modified chemical vapor deposition combined with rare-earth chelate-doping method. The high-power output performance of the optical fibers and the optical properties of preforms before and after irradiation were studied. The experimental results show that the high-power output of Yb-doped fiber significantly decreased after low-dose irradiation. It can be seen from the absorption spectra that the main reason is that after irradiation, the Al-related defect concentration in the Yb-doped fiber materials increases, and the absorption loss in the visible region increases. Ce ions doping can reduce the increase of Al-oxygen hole centers (Al-OHCs) color center defects caused by radiation, reduce the decrease of Yb ions fluorescence lifetime, and suppress the radiation darkening of Yb-doped fibers to a certain extent.
		            2020,
		            32: 081004.
		             
	            	doi: 10.11884/HPLPB202032.200076 
   					
				
		        Abstract: 
The damage growth threshold of fused silica optical elements under single-wavelength irradiation and dual-wavelength laser irradiation was studied based on image processing methods. Through real-time acquisition of the damage image and the spot spatial energy distribution, the energy density at the location where the damage growth occurs was obtained. Aiming at the experimental data of the damage growth of fused silica optical elements under\begin{document}$3\omega $\end{document} ![]()
![]()
\begin{document}$3\omega $\end{document} ![]()
![]()
\begin{document}$1\omega $\end{document} ![]()
![]()
		       
		        
		        
		        
			  
			The damage growth threshold of fused silica optical elements under single-wavelength irradiation and dual-wavelength laser irradiation was studied based on image processing methods. Through real-time acquisition of the damage image and the spot spatial energy distribution, the energy density at the location where the damage growth occurs was obtained. Aiming at the experimental data of the damage growth of fused silica optical elements under
		            2020,
		            32: 081005.
		             
	            	doi: 10.11884/HPLPB202032.200025 
   					
				
		        Abstract: 
The linearly polarized phase vortex beam has a unique spiral phase distribution and central singularity. The topological charge of the vortex beam can be integral and fractional. The integral vortex beam has a ring light intensity distribution with dark spots in the center, while the fractional vortex beam has a unique radial gap, which belongs to the non-rotational symmetric beam and has astigmatic characteristics. In this paper, the astigmatism coefficient is proposed to characterize the astigmatism characteristics of vortex beam. A linearly polarized phase vortex beam is generated by using a spiral phase plate. Its beam quality and astigmatism characteristics are measured. The propagation characteristics and beam quality of vortex beam with different topological charge is numerically simulated, and the astigmatism coefficient changing with topological charge is analyzed. The results indicate that when the topological charge is integer, the beam has no astigmatism and the astigmatism coefficient is zero; when the topological charge is semi-odd, the astigmatism characteristic of the beam is obvious, and the astigmatism coefficient reaches the maximum; as the integral part of topological charge increased, the maximum value of astigmatism coefficient decreases.
		       
		        
		        
		        
			  
			The linearly polarized phase vortex beam has a unique spiral phase distribution and central singularity. The topological charge of the vortex beam can be integral and fractional. The integral vortex beam has a ring light intensity distribution with dark spots in the center, while the fractional vortex beam has a unique radial gap, which belongs to the non-rotational symmetric beam and has astigmatic characteristics. In this paper, the astigmatism coefficient is proposed to characterize the astigmatism characteristics of vortex beam. A linearly polarized phase vortex beam is generated by using a spiral phase plate. Its beam quality and astigmatism characteristics are measured. The propagation characteristics and beam quality of vortex beam with different topological charge is numerically simulated, and the astigmatism coefficient changing with topological charge is analyzed. The results indicate that when the topological charge is integer, the beam has no astigmatism and the astigmatism coefficient is zero; when the topological charge is semi-odd, the astigmatism characteristic of the beam is obvious, and the astigmatism coefficient reaches the maximum; as the integral part of topological charge increased, the maximum value of astigmatism coefficient decreases.
		            2020,
		            32: 082001.
		             
	            	doi: 10.11884/HPLPB202032.200057 
   					
				
		        Abstract: 
In experiments of strong magnetic field generation by laser irradiating capacitor-coil target, the coil current would be above 20 kA in ~50 ps. The coil resistance under this extreme condition can be obtained by comparing the current from experiments and the numerical model for magnetic field generation, which is three orders higher than that at room temperature. The result is reasonable when the coil resistivity and skin effect are considered. Coil resistance with pulsed strong electric current is important for investigating high magnetic field generation by using capacitor-coil target.
		       
		        
		        
		        
			  
			In experiments of strong magnetic field generation by laser irradiating capacitor-coil target, the coil current would be above 20 kA in ~50 ps. The coil resistance under this extreme condition can be obtained by comparing the current from experiments and the numerical model for magnetic field generation, which is three orders higher than that at room temperature. The result is reasonable when the coil resistivity and skin effect are considered. Coil resistance with pulsed strong electric current is important for investigating high magnetic field generation by using capacitor-coil target.
		            2020,
		            32: 083001.
		             
	            	doi: 10.11884/HPLPB202032.200093 
   					
				
		        Abstract: 
To meet the needs of the wireless transfer system for the high-efficiency high-power millimeter wave power source, the high-efficiency technology research of high-power continuous wave klystron was carried out, and the efficiency of the klystron was effectively improved by using the depressed-collector technology. This paper mainly introduces the design scheme of the depressed collector of a Ka-band high-power CW extended interaction klystron (EIK), including the investigation of electron energy distribution and behavior characteristics, the setting of the initial condition, the structure and the setting of the electrode voltage of the collector, and the design and calculation results of a single-stage depressed collector and a two-stage depressed collector for this high-power EIK. The results of PIC show that the recovery efficiency of the EIK with single-stage and two-stage depressed collector are 41% and 68.8% respectively, the net power conversion efficiency of this EIK is raised from a base value of 27.5% to 54.8% by using a two-stage depressed collector, which shows that it is feasible to improve the efficiency of high-power klystron by adopting the depressed collector technology.
		       
		        
		        
		        
			  
			To meet the needs of the wireless transfer system for the high-efficiency high-power millimeter wave power source, the high-efficiency technology research of high-power continuous wave klystron was carried out, and the efficiency of the klystron was effectively improved by using the depressed-collector technology. This paper mainly introduces the design scheme of the depressed collector of a Ka-band high-power CW extended interaction klystron (EIK), including the investigation of electron energy distribution and behavior characteristics, the setting of the initial condition, the structure and the setting of the electrode voltage of the collector, and the design and calculation results of a single-stage depressed collector and a two-stage depressed collector for this high-power EIK. The results of PIC show that the recovery efficiency of the EIK with single-stage and two-stage depressed collector are 41% and 68.8% respectively, the net power conversion efficiency of this EIK is raised from a base value of 27.5% to 54.8% by using a two-stage depressed collector, which shows that it is feasible to improve the efficiency of high-power klystron by adopting the depressed collector technology.
		            2020,
		            32: 083002.
		             
	            	doi: 10.11884/HPLPB202032.200062 
   					
				
		        Abstract: 
Electron optical system is an very important part of folded waveguide traveling wave tube. An electron optical system of a 220 GHz travelling wave tube is designed. The theoretical analysis is based on Pierce electron gun theory and synthesis iteration proposed by Vaughan, and numerical simulation of optical gun is completed by 3D software. The beam is focused by uniform permanent magnetic focusing system, and the uniform permanent magnet design is obtained by theoretical analysis and simulation. Then the uniform permanent magnet is machined and tested. The test result is in agreement with the design result. The electron gun and permanent magnetic focusing system are completely simulated, Which indicates that the beam transmission rate is 100%. The beam tunnel of the device is 0.3 mm in diameter over a length of 31 mm. The electron optical system is machined and tested, and the test result shows the beam transmission rate is 91% at voltage of 20 kV.
		       
		        
		        
		        
			  
			Electron optical system is an very important part of folded waveguide traveling wave tube. An electron optical system of a 220 GHz travelling wave tube is designed. The theoretical analysis is based on Pierce electron gun theory and synthesis iteration proposed by Vaughan, and numerical simulation of optical gun is completed by 3D software. The beam is focused by uniform permanent magnetic focusing system, and the uniform permanent magnet design is obtained by theoretical analysis and simulation. Then the uniform permanent magnet is machined and tested. The test result is in agreement with the design result. The electron gun and permanent magnetic focusing system are completely simulated, Which indicates that the beam transmission rate is 100%. The beam tunnel of the device is 0.3 mm in diameter over a length of 31 mm. The electron optical system is machined and tested, and the test result shows the beam transmission rate is 91% at voltage of 20 kV.
		            2020,
		            32: 083003.
		             
	            	doi: 10.11884/HPLPB202032.200120 
   					
				
		        Abstract: 
In this work, we have performed investigation on the susceptibility of automotive engine speed sensor to electrical fast transient (EFT) pulse via injection method. The criterion for determining the susceptibility threshold was proposed on the basis of the function and electromagnetic effects of speed sensor. A Hall speed sensor was taken as the research object. Using our self-developed speed test device, EFT pulses were injected into the speed sensor through its power wire and signal wire, respectively, and the failure thresholds were correspondingly obtained. The failure of speed sensor shows random property under the interference of EFT pulse. And the failure rate conforms to the cumulative distribution function of normal distribution. When the EFT was injected into the sensor from its power wire instead of from the signal wire, the breakdown threshold was much lower and breakdown bandwidth was narrower. Moreover, the repetition frequency affected the susceptibility of speed sensor significantly. With the increase of repetition frequency, the susceptibility of speed sensor decreased, and eventually became stable.
		       
		        
		        
		        
			  
			In this work, we have performed investigation on the susceptibility of automotive engine speed sensor to electrical fast transient (EFT) pulse via injection method. The criterion for determining the susceptibility threshold was proposed on the basis of the function and electromagnetic effects of speed sensor. A Hall speed sensor was taken as the research object. Using our self-developed speed test device, EFT pulses were injected into the speed sensor through its power wire and signal wire, respectively, and the failure thresholds were correspondingly obtained. The failure of speed sensor shows random property under the interference of EFT pulse. And the failure rate conforms to the cumulative distribution function of normal distribution. When the EFT was injected into the sensor from its power wire instead of from the signal wire, the breakdown threshold was much lower and breakdown bandwidth was narrower. Moreover, the repetition frequency affected the susceptibility of speed sensor significantly. With the increase of repetition frequency, the susceptibility of speed sensor decreased, and eventually became stable.
		            2020,
		            32: 083004.
		             
	            	doi: 10.11884/HPLPB202032.200100 
   					
				
		        Abstract: 
The spatial high-resolution synthetic aperture radar (SAR) puts forward very high requirements for bandwidth, output power and amplitude-phase consistency of the pulsed TWT amplifier. The kW class pulsed TWT amplifier based on broadband power combining is the key technology for space SAR applications. This paper studies the wideband high amplitude-phase consistency control technology and wideband power combining technology of the proposed amplifier. The space amplifier dual-channel power combining integrated architecture is proposed. More than 95% synthesis efficiency is achieved within 3 GHz bandwidth, and consistency of multiple products is less than ±10°.
		       
		        
		        
		        
			  
			The spatial high-resolution synthetic aperture radar (SAR) puts forward very high requirements for bandwidth, output power and amplitude-phase consistency of the pulsed TWT amplifier. The kW class pulsed TWT amplifier based on broadband power combining is the key technology for space SAR applications. This paper studies the wideband high amplitude-phase consistency control technology and wideband power combining technology of the proposed amplifier. The space amplifier dual-channel power combining integrated architecture is proposed. More than 95% synthesis efficiency is achieved within 3 GHz bandwidth, and consistency of multiple products is less than ±10°.
		            2020,
		            32: 084001.
		             
	            	doi: 10.11884/HPLPB202032.200042 
   					
				
		        Abstract: 
The accelerator vacuum control system of China Spallation Neutron Source (CSNS) is designed to be responsible for vacuum data acquisition, equipment monitoring and gate valve control and interlock, which is an important guarantee for safe operation, fault diagnosis and ultra-high vacuum. This paper introduces the vacuum requirements of the accelerator, and the vacuum control system design and implementation. Based on the experimental physics and industrial control system (EPICS) software framework, the Yokogawa PLC is used to control and interlock equipment, the MOXA IPC monitors the vacuum status, the EPICS PV data directly enters the BEAST alarm server and the channel archiver, providing convenience and reliable guarantee for the staff to discover and solve problems in time, as well as carry out subsequent data analysis and machine research. At present, the vacuum control system has been installed and debugged on site, and has been put into operation. The results show that the system has the characteristics of high stability, high reliability and friendly operator interface, which satisfies the operational needs.
		       
		        
		        
		        
			  
			The accelerator vacuum control system of China Spallation Neutron Source (CSNS) is designed to be responsible for vacuum data acquisition, equipment monitoring and gate valve control and interlock, which is an important guarantee for safe operation, fault diagnosis and ultra-high vacuum. This paper introduces the vacuum requirements of the accelerator, and the vacuum control system design and implementation. Based on the experimental physics and industrial control system (EPICS) software framework, the Yokogawa PLC is used to control and interlock equipment, the MOXA IPC monitors the vacuum status, the EPICS PV data directly enters the BEAST alarm server and the channel archiver, providing convenience and reliable guarantee for the staff to discover and solve problems in time, as well as carry out subsequent data analysis and machine research. At present, the vacuum control system has been installed and debugged on site, and has been put into operation. The results show that the system has the characteristics of high stability, high reliability and friendly operator interface, which satisfies the operational needs.
		            2020,
		            32: 084002.
		             
	            	doi: 10.11884/HPLPB202032.190459 
   					
				
		        Abstract: 
The ion energy analyzer (IEA), also known as the retarding potential analyzer (RPA), is widely used as an important tool for measuring plasma energy in situ and is widely used in ionospheric detection satellites. The ion energy of the ionosphere is too low to be stabilized, thus the measurement characteristics of the IEA can’t be effectively studied through experiments. As there is no such problem in simulation, simulation has become a powerful tool for studying IEA. This paper analyzes the low-energy ion measurement characteristics of the IEA through the simulation software COMSOL, introduces the working principle of the IEA, and gives a comprehensive formula derivation for the ion measurement process. Based on simulation and analysis of three candidate design schemes, one of the schemes whose transmission curve is closest to the ideal step function is chosen. In theory, the measurement results of this scheme have the least error. The comprehensive error analysis results at various ion temperatures also show that the gap between the measurement results and the theoretical value of the scheme is narrow. The ion energy distribution can be measured more accurately. Finally, the effects of electric field distortion, plasma sheath, grid alignment and ion temperature are studied. According to these simulations, some experimental phenomena can be reasonably explained.
		       
		        
		        
		        
			  
			The ion energy analyzer (IEA), also known as the retarding potential analyzer (RPA), is widely used as an important tool for measuring plasma energy in situ and is widely used in ionospheric detection satellites. The ion energy of the ionosphere is too low to be stabilized, thus the measurement characteristics of the IEA can’t be effectively studied through experiments. As there is no such problem in simulation, simulation has become a powerful tool for studying IEA. This paper analyzes the low-energy ion measurement characteristics of the IEA through the simulation software COMSOL, introduces the working principle of the IEA, and gives a comprehensive formula derivation for the ion measurement process. Based on simulation and analysis of three candidate design schemes, one of the schemes whose transmission curve is closest to the ideal step function is chosen. In theory, the measurement results of this scheme have the least error. The comprehensive error analysis results at various ion temperatures also show that the gap between the measurement results and the theoretical value of the scheme is narrow. The ion energy distribution can be measured more accurately. Finally, the effects of electric field distortion, plasma sheath, grid alignment and ion temperature are studied. According to these simulations, some experimental phenomena can be reasonably explained.
		            2020,
		            32: 084003.
		             
	            	doi: 10.11884/HPLPB202032.200003 
   					
				
		        Abstract: 
The accurate measurement and installation of magnet position and attitude in the new generation particle accelerator depends on the comprehensive use of various technologies. To achieve accurate positioning of magnets in the global coordinate system, and fast and precise installation and measurement, thus to build a fourth-generation synchrotron radiation source with high brightness and low emissivity, the National Synchrotron Radiation Laboratory researchers conducted a pre-research on the Hefei Advanced Lightsource Facility (HALF). As an important research content of alignment measurement system, a reference network for alignment (RNA) is proposed. To ensure the accuracy of the alignment measurement, the deformation requirements of the mechanical system of the RNA are very high. Therefore, we performed a static simulation of the entire mechanical system with ANSYS software, and optimized the alignment reference plate based on the analysis results to meet the requirements of working conditions, and laid a solid foundation for subsequent pre-research.
		       
		        
		        
		        
			  
			The accurate measurement and installation of magnet position and attitude in the new generation particle accelerator depends on the comprehensive use of various technologies. To achieve accurate positioning of magnets in the global coordinate system, and fast and precise installation and measurement, thus to build a fourth-generation synchrotron radiation source with high brightness and low emissivity, the National Synchrotron Radiation Laboratory researchers conducted a pre-research on the Hefei Advanced Lightsource Facility (HALF). As an important research content of alignment measurement system, a reference network for alignment (RNA) is proposed. To ensure the accuracy of the alignment measurement, the deformation requirements of the mechanical system of the RNA are very high. Therefore, we performed a static simulation of the entire mechanical system with ANSYS software, and optimized the alignment reference plate based on the analysis results to meet the requirements of working conditions, and laid a solid foundation for subsequent pre-research.
		            2020,
		            32: 084004.
		             
	            	doi: 10.11884/HPLPB202032.200054 
   					
				
		        Abstract: 
As a crucial part of particle accelerator control system, Lattice Server middlelayer serve as a bridge between the high-level physics application and accelerator physics. According to Hefei Advanced Light Factory’s (HALF) demands, we have carried out a research of lattice middlelayer technology in the HALF pre-research project, and developed the Lattice Server program for beam optical parameter measurement in Python. To verify the Lattice Server frame’s practicability, we developed a set of beam optical parameter measurement applications based on Python for Hefei Light Source II (HLS-II). The results of the beam optical parameter measurement are accurate, which indicate that the Lattice Server middlelayer realized the interaction between the high-level applications and accelerator control system, and the Lattice Server frame is practical.
		       
		        
		        
		        
			  
			As a crucial part of particle accelerator control system, Lattice Server middlelayer serve as a bridge between the high-level physics application and accelerator physics. According to Hefei Advanced Light Factory’s (HALF) demands, we have carried out a research of lattice middlelayer technology in the HALF pre-research project, and developed the Lattice Server program for beam optical parameter measurement in Python. To verify the Lattice Server frame’s practicability, we developed a set of beam optical parameter measurement applications based on Python for Hefei Light Source II (HLS-II). The results of the beam optical parameter measurement are accurate, which indicate that the Lattice Server middlelayer realized the interaction between the high-level applications and accelerator control system, and the Lattice Server frame is practical.
		            2020,
		            32: 084005.
		             
	            	doi: 10.11884/HPLPB202032.200084 
   					
				
		        Abstract: 
A rapid cycling synchrotron (RCS) with a 7 MeV linac has been under construction. The negative hydrogen ion beam H- beam injected into RCS adopts the multi-turn charge exchange injection scheme. The stripper foil system which is able to replace detective foils and adjust foil position accurately in vacuum is needed. This paper presents a foil exchange system based on steel belt transmission for its high accuracy and stability. By calculating cross section, we can estimate the stripping efficiency according to particle kinetic energy and give appropriate foil thickness. Foil temperature rise and stress which are the main reasons leading to foil rupture are analyzed using finite element method and the lifetime model is combined with experiments to predict foil lifetime of our program. The stripping efficiency reaches 99.0% when the foil thickness is 40 nm. The maximum temperature point of the foil is 755.5 K. In conclusion, the mechanical system and foil property satisfy the project requirement.
		       
		        
		        
		        
			  
			A rapid cycling synchrotron (RCS) with a 7 MeV linac has been under construction. The negative hydrogen ion beam H- beam injected into RCS adopts the multi-turn charge exchange injection scheme. The stripper foil system which is able to replace detective foils and adjust foil position accurately in vacuum is needed. This paper presents a foil exchange system based on steel belt transmission for its high accuracy and stability. By calculating cross section, we can estimate the stripping efficiency according to particle kinetic energy and give appropriate foil thickness. Foil temperature rise and stress which are the main reasons leading to foil rupture are analyzed using finite element method and the lifetime model is combined with experiments to predict foil lifetime of our program. The stripping efficiency reaches 99.0% when the foil thickness is 40 nm. The maximum temperature point of the foil is 755.5 K. In conclusion, the mechanical system and foil property satisfy the project requirement.
					Upgrade of low level RF system based on Micro Telecom Computing Architecture (MTCA) for HLS-II LINAC
							
				
		        
		            2020,
		            32: 084006.
		             
	            	doi: 10.11884/HPLPB202032.200080 
   					
				
		        Abstract: 
The performance of Hefei Light Source II (HLS-II) has improved a lot after major maintenance and reconstruction. To further provide continuous and stable light, the RF system of the HLS-II LINAC needs to be upgraded for top-off mode. It is required that the RF power source have long-time stability and reliability, but the old analog low level RF system(LLRF) can’t meet the requirement. Hence a digital low level RF control system based on Micro Telecom Computing Architecture(MTCA) is designed and implemented to control the amplitude and phase of the RF power source. This system is composed of digital board cards based on FPGA, RF board cards, MTCA chassis and a frequency synthesis system. It works at 2856 MHz of S band, with phase and amplitude stability up to 0.2° and 0.04% respectively, which meets the top-off mode requirement of 0.25° RMS phase jitter of the digital low-level RF system in the HLS-II LINAC.
		       
		        
		        
		        
			  
			The performance of Hefei Light Source II (HLS-II) has improved a lot after major maintenance and reconstruction. To further provide continuous and stable light, the RF system of the HLS-II LINAC needs to be upgraded for top-off mode. It is required that the RF power source have long-time stability and reliability, but the old analog low level RF system(LLRF) can’t meet the requirement. Hence a digital low level RF control system based on Micro Telecom Computing Architecture(MTCA) is designed and implemented to control the amplitude and phase of the RF power source. This system is composed of digital board cards based on FPGA, RF board cards, MTCA chassis and a frequency synthesis system. It works at 2856 MHz of S band, with phase and amplitude stability up to 0.2° and 0.04% respectively, which meets the top-off mode requirement of 0.25° RMS phase jitter of the digital low-level RF system in the HLS-II LINAC.
		            2020,
		            32: 084007.
		             
	            	doi: 10.11884/HPLPB202032.200051 
   					
				
		        Abstract: 
The ion irradiation will cause different degrees of radiation damage to the target material. One of the important physical parameters to evaluate the radiation damage is dpa, that is, the displacements per atom. The Monte Carlo method based SRIM simulation program, which describes the collision and energy loss between ions and the target, is widely used to calculate many parameters related to particle beam irradiation. The number of atomic shifts per unit depth per incident particle can also be calculated as an important parameter in dpa. In this paper, the single element target material is simulated by two common models of SRIM program. The NRT mathematical model based on damage energy is used to calculate the number of displacements indirectly and the output file is used to get the displacements number directly. The results show that for the single element target, the displacements calculated by the mathematical model are basically the same under the two modes of SRIM Quick damage and SRIM Full cascade, which can be used to calculate the dpa reliably. The displacements obtained directly from the output file of the two modes have about two-fold difference. To get the reliable dpa parameters, it is necessary to select the appropriate calculation mode according to different irradiations.
		       
		        
		        The ion irradiation will cause different degrees of radiation damage to the target material. One of the important physical parameters to evaluate the radiation damage is dpa, that is, the displacements per atom. The Monte Carlo method based SRIM simulation program, which describes the collision and energy loss between ions and the target, is widely used to calculate many parameters related to particle beam irradiation. The number of atomic shifts per unit depth per incident particle can also be calculated as an important parameter in dpa. In this paper, the single element target material is simulated by two common models of SRIM program. The NRT mathematical model based on damage energy is used to calculate the number of displacements indirectly and the output file is used to get the displacements number directly. The results show that for the single element target, the displacements calculated by the mathematical model are basically the same under the two modes of SRIM Quick damage and SRIM Full cascade, which can be used to calculate the dpa reliably. The displacements obtained directly from the output file of the two modes have about two-fold difference. To get the reliable dpa parameters, it is necessary to select the appropriate calculation mode according to different irradiations.
		            2020,
		            32: 085001.
		             
	            	doi: 10.11884/HPLPB202032.200163 
   					
				
		        Abstract: 
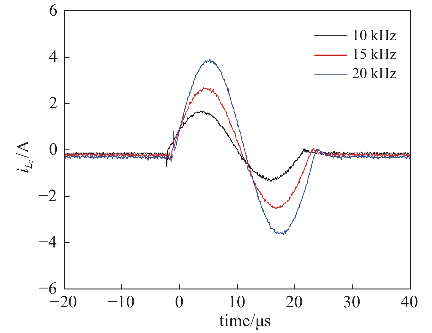
The resonant circuit can realize soft switching and reduce switching loss, and is widely used in the field of power electronics. The resonant circuit can generate pulse-shaped voltage in a specific mode. Compared with other pulse generator topologies, it has the advantages of fewer switches, lower switching loss and lower electromagnetic interference (EMI). The resonant circuit usually requires a half-bridge or full-bridge converter to generate a square wave excitation. This paper proposes a pulse circuit that combines a pulse transformer and a single-switch resonant circuit. The main circuit only needs to use a semiconductor switch to produce high voltage pulses via the resonant circuit and the pulse trausformer on the secondary side with zero current switching (ZCS). This paper theoretically analyzes the working process of the circuit, and sets up prototype to carry out the load experiment. The test results show that a sinusoidal pulse voltage with a frequency of 10−20 kHz and an amplitude of 5−10 kV is realized on a dielectric barrier discharge (DBD) load. The pulse circuit has simple structure, stable operation and low cost.
		       
		        
		        
		        
			  
			The resonant circuit can realize soft switching and reduce switching loss, and is widely used in the field of power electronics. The resonant circuit can generate pulse-shaped voltage in a specific mode. Compared with other pulse generator topologies, it has the advantages of fewer switches, lower switching loss and lower electromagnetic interference (EMI). The resonant circuit usually requires a half-bridge or full-bridge converter to generate a square wave excitation. This paper proposes a pulse circuit that combines a pulse transformer and a single-switch resonant circuit. The main circuit only needs to use a semiconductor switch to produce high voltage pulses via the resonant circuit and the pulse trausformer on the secondary side with zero current switching (ZCS). This paper theoretically analyzes the working process of the circuit, and sets up prototype to carry out the load experiment. The test results show that a sinusoidal pulse voltage with a frequency of 10−20 kHz and an amplitude of 5−10 kV is realized on a dielectric barrier discharge (DBD) load. The pulse circuit has simple structure, stable operation and low cost.
		            2020,
		            32: 085002.
		             
	            	doi: 10.11884/HPLPB202032.200072 
   					
				
		        Abstract: 
To determine the range and the influence factor of structure coefficient and, the relation between structure coefficient and influence factor, numerical simulations and analysis of magnetically driven flyer plate experiments on PTS facility are carried out. The numerical simulations show that the magneto-hydrodynamic code can correctly simulate each magnetically driven flyer plate experiment on PTS facility. The structure coefficient of magnetically driven two-sided flyer plate experiment is about 0.7−0.8 and the structure coefficient of one-sided experiment is about 0.80−0.85. The structure coefficient is independent of the measured experimental current, and only determined by the initial structure of experiment load. The structure coefficient is related to the initial widths of anode and cathode, the initial gap between anode and cathode, and the sum of depths of flyer plates on anode and cathode. When the initial widths of anode and cathode and the initial gap between anode and cathode are fixed, the greater sum depths of flyer plates on anode and cathode, the greater the structure coefficient of magnetically driven flyer plate experiment.
		       
		        
		        
		        
			  
			To determine the range and the influence factor of structure coefficient and, the relation between structure coefficient and influence factor, numerical simulations and analysis of magnetically driven flyer plate experiments on PTS facility are carried out. The numerical simulations show that the magneto-hydrodynamic code can correctly simulate each magnetically driven flyer plate experiment on PTS facility. The structure coefficient of magnetically driven two-sided flyer plate experiment is about 0.7−0.8 and the structure coefficient of one-sided experiment is about 0.80−0.85. The structure coefficient is independent of the measured experimental current, and only determined by the initial structure of experiment load. The structure coefficient is related to the initial widths of anode and cathode, the initial gap between anode and cathode, and the sum of depths of flyer plates on anode and cathode. When the initial widths of anode and cathode and the initial gap between anode and cathode are fixed, the greater sum depths of flyer plates on anode and cathode, the greater the structure coefficient of magnetically driven flyer plate experiment.
 
		         
					
 Email alert
Email alert RSS
RSS 
				  
	
	