2021 Vol. 33, No. 3
In fields of practical applications such as the optical fiber communications, optical fiber lasers, and optical fiber sensinIn fields of practical applications such as the optical fiber communication, the optical fiber laser, and the optical fiber sensing, it is necessary to focus on the mode problems in optical fibers. Mode division multiplexing is an effective method to improve the information capacity of optical communication. Interference between modes is the basic method for the most of optical fiber sensing. Mode controlling technique is one of the key technologies for beam quality control of high-power fiber lasers. Therefore, research on the theory of optical fiber modes, modes’ generation, modes’ conversion, and mode characterization technology are of great significance and practical application value. In this paper, we discuss the mode and beam quality of the optical fiber, analyze the methods of multiple modes’ generation and conversion, and summarize the mode characterization methods by means of incoherent, coherent and low-coherence measurement. Currently, the fiber mode characterization is a hot research topic. Among a variety of characterization methods, the spatial and spectral imaging method (S2) and the spatial and spectral double Fourier transform method (F2) have significant advantages. Without knowing the geometric parameters of the fiber in advance, we can obtain characteristics such as the mode field distribution, the mode power ratio, and the group time delay. Results indicate that the F2 method is better for characterizing mode field distributions of high-power fiber lasers.
Based on the Huygens-Fresnel integral and Rytov’s phase structure function, we formulated the average intensity and signal-to-noise ratio of a direction-detection imaging system in turbulent media. This paper presents the average intensity and signal-to-noise ratio (SNR) of diffused target scattering wave through turbulent atmosphere. The analytical expressions show the dependence of the average intensity and SNR on imaging lens, the turbulence strength and the object size. If the target size and lens size increase, or turbulent atmosphere decreases, signal-to-noise will increase.
To study the damage effects of lightning electromagnetic pulses on the UAV airborne GPS module, the understanding of the transient interference, permanent damage process and the damage threshold of GPS modules by lightning electromagnetic pulses was obtained, through a combination of simulation and experimental analysis. Based on the analysis results of lightning current, CST was used to simulate the complex electromagnetic field and coupling voltage on the GPS cable. The data communication ports of the typical airborne GPS module was subjected to a lightning pulse injection test. The research results show that: with the continuous enhancement of the injected lightning pulse, the influence on the GPS output waveform kept on increasing. And finally, the function to transmit position information was lost and physical damage occurred. The lightning impulse damage threshold of the GPS data input port is 314.5 V, the lightning impulse damage threshold of the GPS data output port is 235.2 V.
To meet the demand of high-power and wide-band signal sources for G-band vacuum electronic devices, the research on G-band third harmonic amplifier is carried out. The amplifier utilizes the third harmonic current in the nonlinear beam-wave interaction of E-band TWT, and realizes G-band electromagnetic wave amplification by cascading harmonic interaction section. The design scheme of high performance and practical G-band wide-band high-power source adopts folded waveguide slow wave structure with modified circular bends, and the G-band third harmonic amplifier is simulated and optimized by using the microwave tube simulator package (MTSS) software. The result shows that the device can obtain harmonic output power greater than 3.6 W in the range of 15 GHz, with conversion gain>33.3 dB and electronic efficiency>0.36%. Compared with other miniaturized terahertz radiation sources in this band, it has superior performance in terms of output power and bandwidth, and thus provides a design basis for the subsequent research of G-band third harmonic amplifier.
This paper presents a 5.8 GHz high-efficiency dual-polarized rectenna for microwave wireless power transmission. The rectenna consists of a 5.8 GHz dual-polarized receiving antenna and a 5.8 GHz class-F rectifier. A metallic probe is used to integrate the receiving antenna and the rectifier. The receiving antenna is a 2×2 microstrip array antenna and the metal ring loading technology is adopted to improve the rectenna’s impedance bandwidth and robustness. The metal probe instead of the conventional microwave connector and cable is utilized to realize the integration of receiving antenna and rectifier circuit, thus simplifying the structure and reducing the weight, loss and cost of the rectifier antenna. A prototype of the dual-polarized rectenna is fabricated and its rectifying efficiency is measured and compared with the linear-polarized rectenna with the same aperture area. The measured results show that the maximum conversion efficiency of the dual-polarized rectifying antenna reaches 76.8% under the optimum incident power density of 1.47 mW·cm−2. Compared to the linear-polarized rectenna, when the polarization direction of the incident wave varies from 0° to 90°, the conversion efficiency of the rectenna antenna is always above 62% with stable DC output and the rectenna antenna exhibits excellent all-polarization receiving rectification performance.
This paper compares the E-field distributions of two horizontally polarized radiation-wave simulator with different wire grating structure. The antenna wires of one simulator are uniformly distributed on the ground, while the other simulator’s antenna wires are converged to several groups at the end. Meanwhile, the influences of wire number and group number on the radiated field are discussed. Results show that the E-fields below the bicone apex are not affected by the wire grating structure. While in other positions, the E-field characteristics of the two simulators are different: when the wire number is the same, the simulator with uniform wire will increase the E-field amplitude by 5% to 20%, but its rise time increases about 10% at the same time; the simulator whose antenna wires are converged shows lower E-field amplitude, but its rise time is shorter. Besides, the latter is easy to establish in practice. On the other hand, increasing the wire number and wire group is helpful to improve the radiation amplitude, but the improvement reduces gradually. If the wire number increases from 24 to 96, the rise time can be improved by about 10%, but the half width of radiated E-field shows little difference. The increase of group number will lead to longer rise time. Taking into account the variation law of the E-field and the complexity to establish, the wire number of the simulator with uniform wire can be set to 48, and for the simulator whose antenna wires are converged, the group number can be set to 16.
To solve the problem that the data link of the unmanned aerial vehicle (UAV) is vulnerable to electromagnetic interference during the flight and cause the link interruption, we took a certain data link of UAV as our research object, and proposed an experimental method of injection effect based on front door coupling. On this basis, we developed the effect experiment for the data link of UAV. We derived the sensitivity threshold curve of the data link and determined the sensitivity threshold, analyzed the work principle of RF front end circuit of the data link and the signal transmission process of the receiver under the effect of electromagnetic interference, revealed the mechanism of combined frequency interference and out of band saturation interference on data link, and finally carried out the experimental verification. Based on the test results, we put forward the corresponding protective methods from the aspects of the circuits level and adaptive control respectively.
In this paper, a compact broadband Rotman lens beamforming network based on equal optical path difference is proposed. The beamforming network is intended for applications in a multi-beam antenna array of 5G millimeter-wave (mm-wave) communication. Firstly, the theoretical design of the Rotman lens is introduced in detail. A power divider is used to replace the standard single-port feeding mode to generate a high-directional beam, reducing the scattering of the lens’ internal energy and the energy loss at adjacent ports. The Chebyshev multi-stub matching converter is used to optimize the original tapered array output port. To ensure a wide frequency band, the original matching port size is reduced, and the overall size of the lens is reduced by 20%. Measurement results of the improved model, show that the working frequency band of the lens is 16.5−33.8 GHz, of which S11 is better than 15 dB at 17.2−32.0 GHz, and the scanning angle is ±30°. The lens has a simple and compact structure, can effectively provide a stable phase difference signal for adjacent array elements, and achieve the goal of 5G millimeter-wave array multi-beam.
Extended interaction klystron adopts multi-gap distributed interaction resonantor and all metal planar structure, which makes the interaction circuit short and the gain per length high. Its planarization structure is compatible with modern micromachining technology, which has made it a research hotspot to develop terahertz high-power source. Further extending the bandwidth of the extended interaction amplifier becomes the key technology to expand its application. A G-band 5-cavity multi-gap beam-wave interaction circuit is designed in this paper. Stagger tuning technology is used to expand the cluster bandwidth and filter loading technology is used to expand the output circuit bandwidth. Structural parameter optimization and output characteristic simulation by CST show that when the electron beam voltage is 19 kV, the current is 300 mA and the input power is 120 mW, the output power is 222 W, the electron efficiency is 3.89%, the gain is 32.67 dB, and the 3 dB instantaneous bandwidth reaches 1.5 GHz.
Superconducting elliptical cavity is a thin-walled structure formed by stamping parts and electron beam welding, and there are inevitable deformations in the machining process, like cell tilt, cell off-axis and cell length deviation. Thus, the axial electric field flatness of the elliptical cavity is affected, and then the operating electric field gradient is reduced. Therefore, pre-tuning is necessary after the elliptical cavity finish processing. The pre-tuning of elliptical cavity is to improve the axial electric field flatness by reshaping the elliptical cavity, including the correction of cell tilt and off-axis, and the correction of cell length. This paper presents the simulation of possible deformation of elliptical cavity by COMSOL multiphysics software and analyzes the influence of cell deformation and tuning displacement on electric field flatness is analyzed, it can provide data reference for CSNS-II elliptical cavity pre-tuning and guide the designing and developing of pre-tuning machine. In addition, it determines the requirements of mechanical deformation to ensure the machining quality of elliptical cavity to meet the actual engineering requirements of CSNS-II.
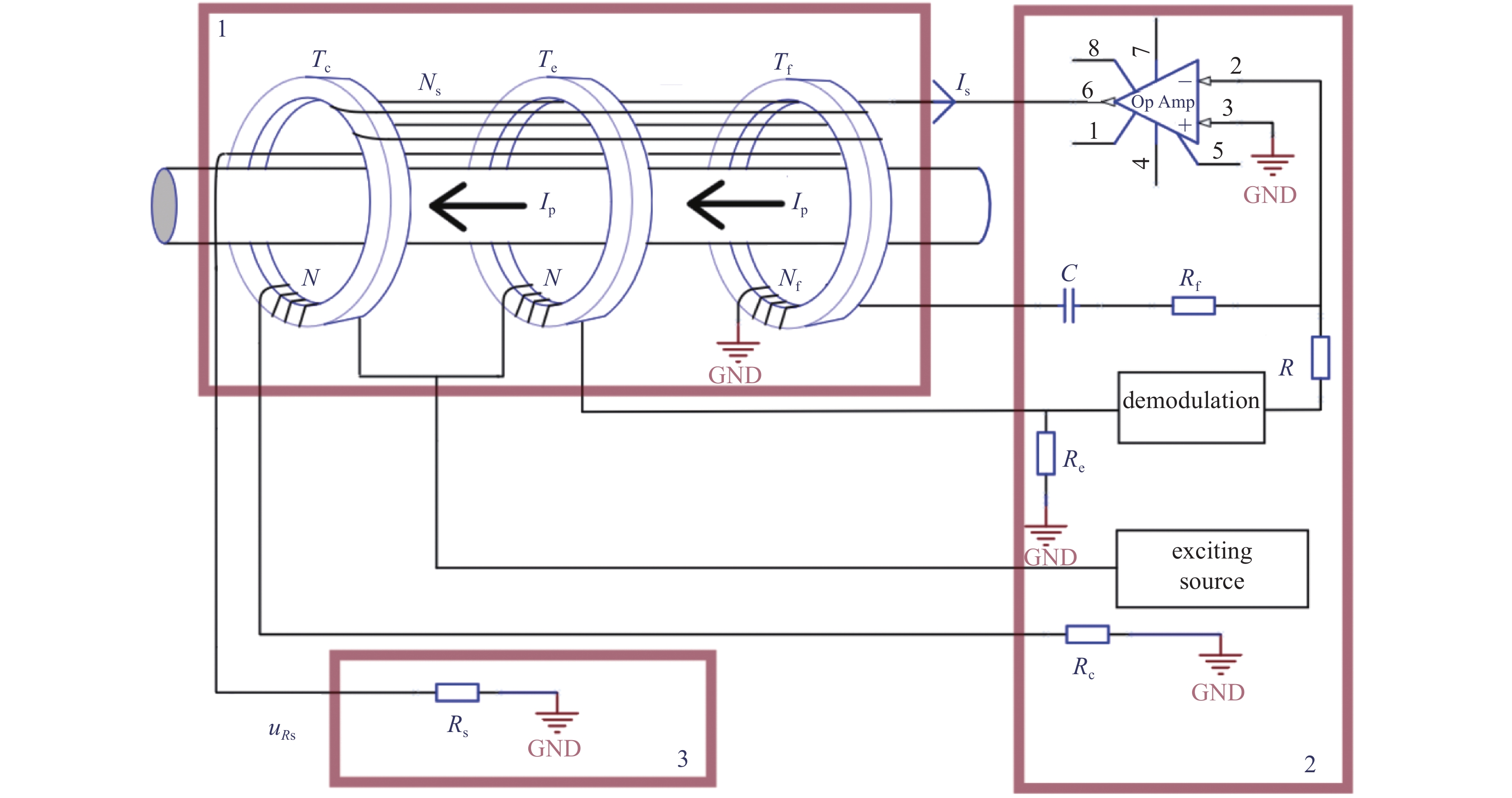
To further improve the temperature characteristics of magnetic modulation DCCT (Direct Current Current Transducer), the effects of various parts on the DCCT performance about temperature coefficient are found out by dividing the magnetic modulation DCCT into parts with grey correlation theory; at the same time, a comprehensive evaluation method of temperature coefficient of magnetic modulation DCCT is proposed. According to the working principle of magnetic modulation DCCT, DCCT is divided into three parts: printed circuit board (PCB), coil and sampling resistance. The temperature coefficients of them of the whole DCCT, PCB, coil and sampling resistance are measured respectively; then, temperature coefficient of each part of the 7 tested DCCT is calculated by using the grey correlation theory, and the correlation coefficients between the parts are obtained. Based on factors of the temperature characteristics and actual requirements, a concept DCCT is set as the reference. Using the grey correlation theory, the temperature comprehensive evaluation of the 7 tested magnetic modulation DCCTs is provided. The results provide a direction to reduce the temperature sensitivity of DCCT.
As the installation foundation of magnet support, the plinth is critical for the stability of the whole support unit. Different fabrication and installation processes of plinths make significant differences in performance of the support unit. Based on the stringent requirements of advanced synchrotron light source for the mechanical stability of magnets, the plinth installation pouring experiment was carried out. Several concrete construction techniques commonly applied in practice were tested with the plinths of uniform shape and size. The natural frequency of each plinth was measured by hammering method and its stability was evaluated. It is concluded from the test result that secondary grouting can effectively improve the stability of the plinth and the plinth of epoxy-based grouting shows better performance in stability than that of cement-based grouting. Based on the natural frequency test result, the influence of the plinth installation on the system mode is analyzed with the support system of High Energy Photon Source as an example. The experimental results have certain reference value for the plinth design of similar machines.
In particle-in-cell simulation of plasma, TA and Nanbu models have been widely used for Coulomb collision. Both models require all particles to collide. In this paper, a cross-section-based method is introduced to give a probability of Coulomb collision for each particle pair and accelerate the computation. To test this method, the relaxations of an electron gas due to e-e collisions were simulated. Comparing the simulated with the theoretical values of velocity distribution function, electron temperature, the ratio of electron temperature in x, y direction to electron temperature, the accuracy of the cross-section-based method was verified. The calculation efficiency of this method can be improved by more than 40% than the TA model at the same small time step. Furthermore, at a large time step, the simulations show agreement with the theoretical solutions, the efficiency is also improved than the Nanbu model. The simulation about the equilibration of electron and ion temperature showes that this method is also suitable for e-i collisions. Therefore in the acceleration of simulating Coulomb collision, this method has two advantages as follows: first, there is a small number of particles to collide within a step, and second, it is suitable for large time steps.
The magnetie field adjustable rod (Trim-rod) and its driving system are the important auxiliary device for beam debugging in CYCIAE-230. To get the magnetic field playing a key role in maintaining the beam alignment and extraction, 16 sets of Trim-rods and driving systems were developed. First, the precise linear actuator from Thomson of The United States was used as the mechanical actuator, whose repeated positioning accuracy is ±0.01 mm. Second, the position sensor adopted the linear displacement electronic ruler from Novotechnik of Germany. The repeated positioning accuracy of the electronic ruler is 0.002 mm. In addition, a negative feedback control loop based on PLC module and linear displacement sensor was adopted in Trim-rods movement regulation. In fact, the positioning accuracy and repeatable precision of Trim-rod drive system were 0.05 mm and ±0.02 mm, respectively. Moreover, the system weat through the electrostatic discharge test, electrical fast transient/Brust test and surge immunity test, all met the requirement of YY 0505-2012/IEC 6060 1-1-2:2004. It is proved that the developed Trim-rod driving system can get high positioning accuracy and repeatable precision in high-dose ionizing radiation, high-density magnetic field and narrow space. It is very significant for radial oscillation amplitude minimization, avoiding coherent oscillation and increasing high beam extraction efficiency.
Vacuum arc discharges with deuteride cathode have many applications, such as nondestructive examination, oil logging, and neutron activation analysis. Deuteride cathode releases many gases during discharge, which is quite different from metal cathode. The discharges display some unique characteristics. A maguifying lens and an ICCD camera are used to observe the luminous spots of vacuum arc discharge. The space resolution of this system is about 5 μm, and the time resolution is about 2 ns. The arc current has a full width at half maximum (FWHM) of about 0.9 μs, and its waveform is half cycle sinusoidal. The results show that the luminous spots merge together into a big one in most cases. Sometimes there are two or more luminous spots due to droplets. The area of the luminous spot grows as arc current increases. The cathode spots’ merging is helpful to increase plasma density and improve discharge efficiency.
Synchrotron light source is one of the most powerful tools in modern science and technology. Shanghai Synchrotron Radiation Facility (SSRF), located in Shanghai, China, is an advanced 3.5 GeV 3rd-generation medium energy light source. The 3rd-generation synchrotron radiation light source will provide high brilliance and high stability synchrotron radiation to fulfill the advanced experimental conditions in frontier researches. To achieve highly stable radiation, it is important to have highly stable beam orbit. Thus we adopted machine learning method to control and feedback the orbit. Using this neural network-based orbit correction method, which doesn’t rely on the response matrix, we can establish a nonlinear mapping relationship between correctors and the orbit distortions and perform continuous online retraining. This new method can significantly improve the orbit stability of SSRF.
There are formidable difficulties to generate intense pulsed hard X-ray. The lack of high fidelity high fluence X-ray source has become a restriction factor of SGEMP effect research. The method for intense large-area pulsed hard X- ray production by using a series diode and the radiation parameters are presented in this paper. Flash II accelerator was refined to generate a fast rise time voltage pulse, and a two-stage series diode was developed for coupling electrical energy of high-voltage generator to a low endpoint voltage bremsstrahlung diode via two diodes in series. The X-rays generated by each diode added in space to improve intensity. A dynamic support system was invented to solve the insulation problem of the floating electrode and double-ring cathodes were designed to improve emission uniformity. The experimental results show that the two-stage series diode can work stably under ~700 kV voltage and ~310 kA current, the average energy of X rays is 87 keV, and the fluence is about 36 mJ/cm2 over 500 cm2 area with dose uniformity 2∶1 at 5 cm from the last converter.
To reduce damped oscillation in the existing short-arc pulsed xenon lamp power supply, this paper proposes a short-arc xenon flash lamp driving power supply design based on the flyback topology method and RC isolation trigger network. The driving power supply adopts 24 V input, the main voltage generates 700−1000 V continuously adjustable output through the flyback topology. The pulse trigger voltage circuit adopts a two-stage cascade boost circuit to produce 5−7 kV pulse output. The main voltage and the pulse trigger voltage pass through the RC isolation trigger network to drive the pulse xenon lamp. This paper designs and implements various modules of the drive power supply, compares the RC isolation trigger network simulation with the actual trigger waveform, and analyzes the charge and discharge waveforms of the main voltage at different voltages. The experimental results show that the driving power supply designed has a 100% success rate for lighting the short-arc pulsed xenon lamp, which verifies the feasibility of the designed driving power supply. The driving power supply has a longest total charge and discharge time of 5.63 ms, which can provide a high flashing frequency for short-arc xenon flash lamps. In addition, the driving power supply can reduce the damping oscillation range from 32.24% to 4.7%, effectively suppressing the damping oscillation caused by discharge, avoid recharging the energy storage capacitor, and effectively improve the discharge times and life of the energy storage capacitor and the short-arc xenon flash lamp.
The research on the diffusion behavior of tritium in zirconium alloy is a crucial problem for nuclear power plant radiation safety evaluation. Based on the basic model of tritium diffusion, a one-dimensional simulation program for the behavior of tritium diffusion was established in this work. The simulation program was verified by typical experiments, and the simulation results were in good agreement with the experimental results. The effects of different concentration and temperature distribution of tritium on the diffusion behavior of tritium in zirconium alloy cladding materials were analyzed. The results show that the increase of tritium concentration in P-C gap lead to the increase of tritium diffusion flux and permeability flux in and out of cladding. Due to the relatively low diffusion coefficient of the coated oxide layer, the existence of the coated oxide layer limits the tritium permeability greatly. The effect of temperature on the diffusion rate of tritium is exponential. The higher the temperature is, the faster the diffusion rate is. The relative low temperature of the oxide layer on the outer surface of zirconium alloy limits the rate of tritium permeation out of the cladding tube. Thermally induced diffusion due to temperature gradient is beneficial to limit the permeation flux of tritium diffusing out of the zirconium cladding.
Aiming at the key technical issues of the reference radiation field size of isotropic sources, GB/T 12162 series of GB standards stipulates the size of the reference radiation field when using an isotropic source. However, there is no specific regulation for the size of the irradiation under collimation. To reduce the influence of scattering in the gamma reference radiation field when used for radiation detection or monitoring instrument verification and value calibration, Monte Carlo simulation was carried out to explore the effect of the size change of the irradiation chamber on the energy distribution and dose rate value during the radiation source collimation. The boundary conditions of the collimated gamma radiation irradiation chamber were obtained, and the details of the gamma reference radiation field boundary research method and related standards are established and improved. The study provides a new method or approach for the size design of the irradiation chamber under the collimated irradiation state.
HL-2A device makes use of a pulse generator set to provide energy to the thyristor power supply, which is phase-controlled, thus the quality of the synchronization signal will directly affect the control accuracy of the power supply. The synchronization signal of the thyristor power supply in HL-2A device is taken from the synchronous transformer. The power supply mode of the pulse generator unit with rectifier load makes the synchronization signal not only have serious distortion, but also have the characteristics of a wide frequency range. Considering the characteristics of the synchronization signal, point-by-point Butterworth filter is implemented to eliminate waveform distortion, and then high quality synchronization signal is obtained by real-time calculation of frequency and phase reconstruction. Based on NI CompactRIO device, a real-time processing system for synchronization signal of thyristor phase-controlled power supply is designed. The experimental results show that the system can effectively solve the problem of serious distortion and wide-range frequency change of synchronization signal.
A kind of energy-storage power supply using high power lithium iron phosphate batteries with good safety characteristics as energy storing elements was developed for mobile platforms. This kind of power supply has high performance battery sampling and equalizer modules as well as charging/discharging management system, which enhance its reliability and prolong its life. During the development process, a large number of engineering experiments and tests were conducted to assess its transportation safety, environmental adaptability, maintainability and reliability. As a result, the reliability of the energy storage power supply system has been verified after more than 12 months’ running of 21 energy storage power supplies in high temperature areas where the temperature exceeded 55 ℃.
This paper presents the ammonia gas sensor of optical fiber dislocation type based on single-walled carbon nanotubes (SWCNTs)-polymer self-assembled composite film. Alone with high-Q resonator, the film has a large number of free carboxyl groups and a large specific surface area, which provides strong interaction between light and the film, as well as high adsorption and selectivity to ammonia. The spectrum from the sensor varies with the effective refractive index affected by the ammonia concentration. In the low concentration range of (10−37)×10−6, the ratio of the spectral change to the ammonia concentration difference (i.e. the sensitivity) is of 13.25 pm/10−6, a detection limit is 3.77×10−6 with good linearity. This work provides an effective method for developing low-concentration and high-selectivity ammonia sensors.
 
		         
					
 Email alert
Email alert RSS
RSS 
				  
	
	