2023 Vol. 35, No. 6
The loading capability is a bottle-neck challenge in both the construction and operation of high-power laser facilities. Under high-fluence, nanosecond laser irradiation in the ultraviolet regime, damage sites are constantly witnessed initiating and growing on the rear surface of fused silica, severely limiting the loading capability of high-power lasers. Optics recycling which is based on improving the damage resistance of fused silica and mitigating the as-grown damage sites is currently the major strategy for improving the loading capability. This paper introduces the recent progress in the laws and mechanism of laser-induced damage in fused silica, the essential techniques supporting the optical recycling strategy and the new materials and techniques developed to improve the loading capability of high-power laser facilities.
The study of UV laser induced damage dynamics is the key to exploring correlating evolution of optical elements’ microstructure and macroscopic properties. In optical elements damage process on the rear surface, the laser energy deposition causes the material to explode with high pressure and high temperature to break through the rear surface, and it is accompanied with explosion plume and jet particles. The explosion plume is greatly affected by the initial laser energy deposition. The study of the explosion plume can help a lot in analyzing the material state change and response mechanism at the initial stage of damage. In this paper, explosion plume on the rear surface is investigated using a two-color interferometric time-resolved side-viewed imaging system. Assisted with the observation of the collected ejection, the material species, distributions and thermodynamic behaviors of ejections are presented. Based on findings, the key transition nodes of the response behaviors during laser induced damage formation are captured and the temporal evolvement of plume is described.
Due to the significant influence of metal impurity ions on the damage properties of crystals and the limitation of experimental conditions, the effect mechanism of Fe and its cluster defects remains unclear. In this paper, Fe and its cluster defects in KDP and ADP crystals are simulated by the method of first-principles, to determine their effects on crystal structure and optical properties. It is found that Fe atom entered into KDP and ADP crystals mainly by replacing P atom to form FeO4 group, and the relatively stable form is Fe3+. In addition, the magnetic condition has little effect on the structure and energy of the crystal, and the damage threshold of the crystal is mainly affected by the obvious optical absorption in the range of 200−300 nm. The cluster defects form when there is impurity of Fe, which could be recombined with VO through charge compensation, but hardly with VOH. The influence of the cluster defects is mainly the effect of Fe on the crystal structure and properties.
The outgassing of non-metallic materials in optical vacuum system will produce molecular contamination, which will lead to the decrease of transmittance of optical elements, and then aggravate laser-induced damage and reduce the load capacity of high-power laser facilities. In this paper, it is proposed to optimize the sealing materials in the laser environment, and carry out the experimental study of thermal vacuum baking. The results show that fluoroelastomer 246 has low outgassing, and temperature has great influence on the degassing effect of the material, and the vacuum baking degassing of the sealing ring has little influence on the optical characteristics. Compared with the sealing ring without vacuum baking, the average UV transmittance change decreased by 1 order of magnitude, and the average damage density decreased by 56%. This technology can be used in high-power laser facilities for precision cleaning and other optical cleaning systems.
To replace the gas in the slab cassette of slab amplifier more quickly, thus to transport micro aerosol particles produced by xenon lamp irradiation, and prolong the operating life Nd:glass, this paper proposes several different designs of gas flow channel on the baffle of slab cassette and compares their purging effects. Based on computational fluid dynamics (CFD) and dispersed phase model (DPM), the purge flow field in the chamber was obtained, and the purging process of micro contaminant particles was simulated. Through comparative analysis, it is found that the time required to achieve a cleanliness of 100 class is significantly different for different apertures and arrangements of the holes. When the hole diameter is 14 mm, and the holes on the upper and lower baffles are orderly round through-holes, the purging time to achieve 100 class is 205 s, and the gas pressure loss in the cassette is 424.3 Pa. Finally, gas purging experiments of a 4×2 combined slab amplifier show that a purging time of 2−3 min is needed to achieve 100-class cleanliness by the optimized design.
In the discharge pumping process of xenon lamp, there is a significant pyrolysis process of the materials in the cavity of the slab amplifier under the irradiation of high intensity xenon light, which produces a large number of micron sized suspended particles. For the online cleanliness control of the amplifier, a series of effective measures were taken, including the selection of materials conducive to the cleanliness control, elimination of blind holes and welds, deep pickling and etching, high-pressure spray cleaning and final light cleaning. The experimental results show that after 100 times of light cleaning, the aerosol particles in the chamber are between 300 and 1000, which is close to the cleanliness level of the American National Ignition Facility (NIF) Project; After the operation of the generator is completed, the amplifier chamber is purged with a mixture of nitrogen and oxygen of about 0.4 m/s, and the aerosol particles can recover to zero within 2 minutes.
A sealed plasma electrode pockels cell (PEPC) has been developed for use on the petawatt and exawatt class laser system that can be used in high-contrast optical switch, as required for suppression of self-oscillation, isolation from retroreflected pulses, and control of output beams. The initial concentration of Ne in the discharge cell is more than 99.9%, which prevents the discharge electrodes from reacting with O2 comparing with unsealed PEPC. The theoretical lifetime of the sealed PEPC is more than 40 years as the leak rate of the sealed PEPC is smaller than 1.0×10−10 Pa∙m3∙s−1. The experimental results show that, the discharge electrodes in the sealed PEPC are still as fresh as new after firing 200,000 times and the time jitter is still below 6.4 ns.
From the point of view of electromagnetic radiation safety assessment technology of hot bridge wire electro-explosive devices (EEDs), several test methods of electromagnetic radiation safety assessment of hot bridge wire EEDs in recent years have been reviewed, and the direction of research to focus on is pointed out. It is pointed out that the use of a high-precision, fast-response new fiber-optic temperature measurement device to monitor the temperature rise response of the hot bridge wire EEDs under external strong field irradiation, through extrapolation to determine the critical stimulus of the tested EEDs, to assess the electromagnetic radiation safety of the hot bridge wire EEDs is an effective measure to break through the bottleneck of the existing test and evaluation technology; as the response time of the bridge wire is much shorter than that of the fiber optic temperature measurement device, to accurately measure the temperature, further study be made should to solve this prolblem, thus to meet the practical needs of the actually installed hot bridge wire EEDs’ electromagnetic radiation safety assessment.
To meet the research demand of high-power microwave system for wide frequency ratio dual-band antenna, this paper proposes a high-power circularly polarized reflectarray antenna that can work in C/X dual-band. The antenna unit adopts the form of substrate buried patch, and the patch part consists of an elliptical ring patch nested with an elliptical patch in the inner to realize the radiation of low frequency (C-band) and high frequency (X-band) respectively. This nested cell form enables the antenna to achieve a wide frequency ratio, at the same time, because the cell has no abrupt structure and it is buried in the substrate to avoid the emergence of triple junction, it has a high power capacity. The two patches of high and low frequency bands rotate around the axis to adjust the reflection phase, which can meet the reflection phase adjustment of 360° on the basis of small reflection loss. Based on the above dual-band radiation unit, design and optimization of a 20×20 rectangular grid reflectarray antenna with an aperture size of 400 mm×400 mm are made. While the antenna works at 4.3 GHz, the gain is 22.2 dBi, the aperture efficiency is 40.2%, and the power capacity is 10.4 MW in air condition. At 10.4 GHz, the antenna has a gain of 29.9 dBi, an aperture efficiency of 40.5%, and a power capacity of 12.2 MW in air condition. the frequency ratio between high and low working frequencies of the antenna reaches 2.4, and it has the characteristics of high efficiency and high power capacity.
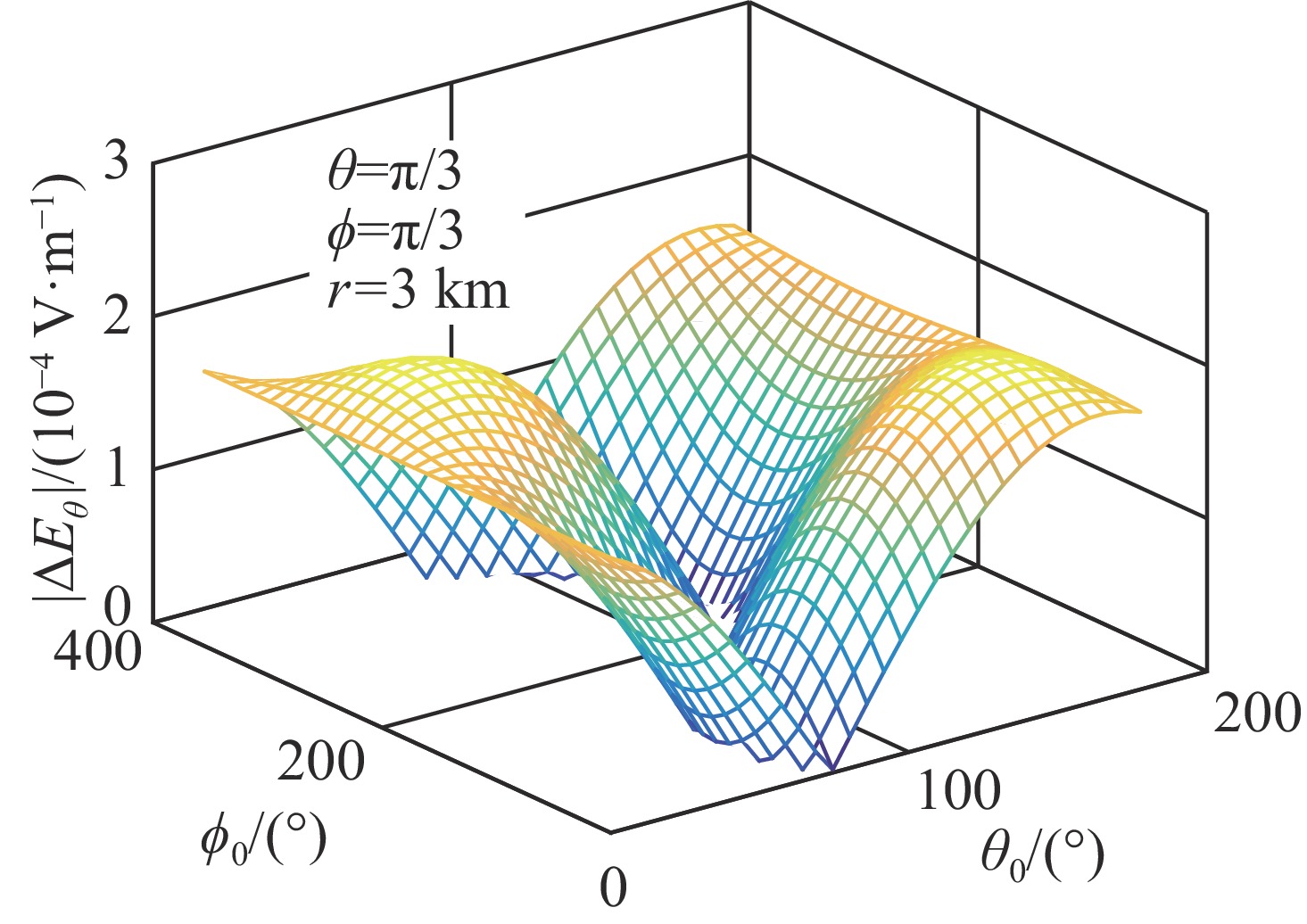
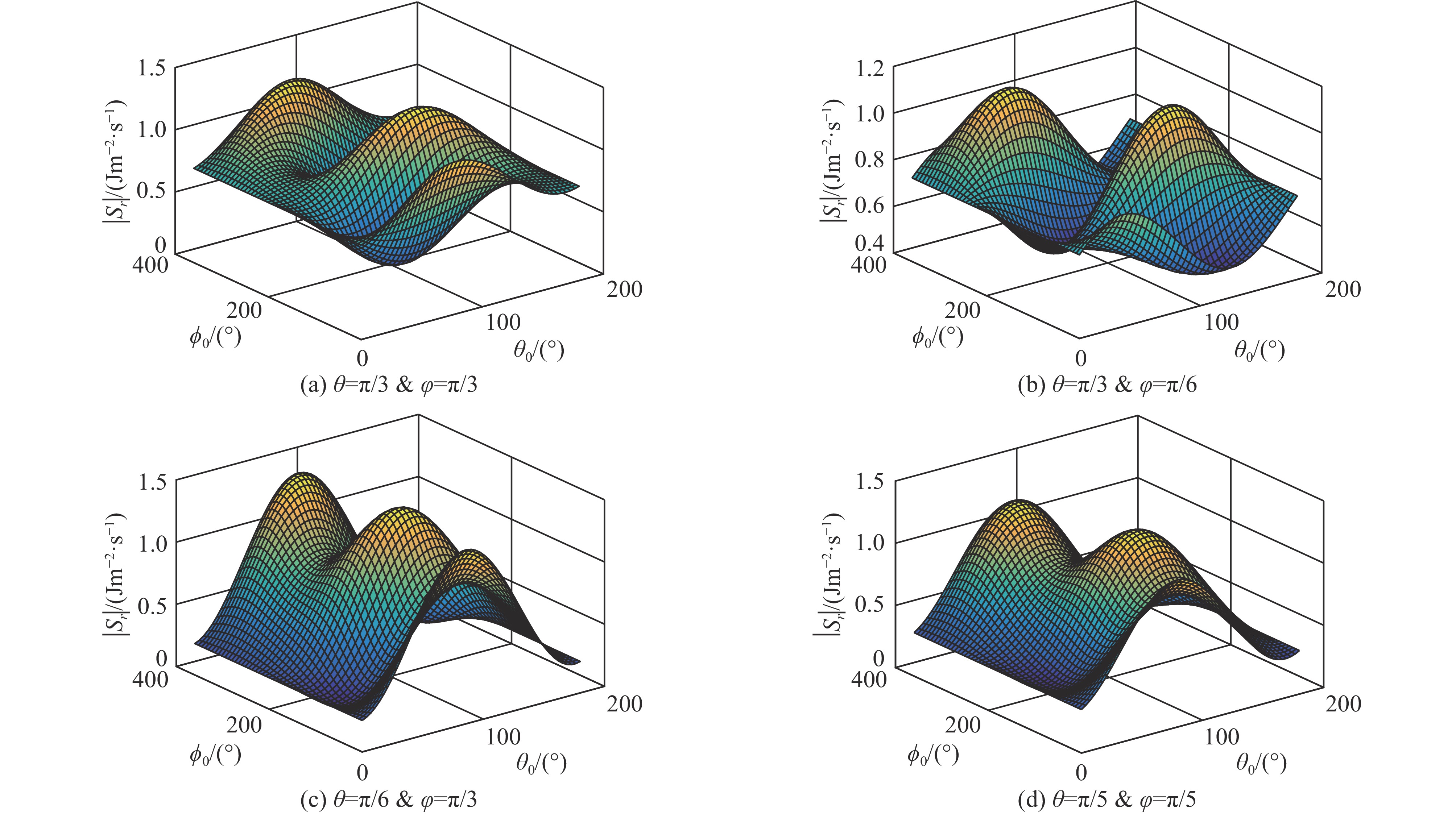
This article aims at the radiation property of the electromagnetic sources buried in heavy rainfall. Based on general Maxwell equations and analytical analysis, the Lorentz gauge of the anisotropic medium is proposed, the non-homogeneous wave equation of vector potential is obtained, the exact solutions of the vector potential of these medium are obtained, and their validity is proved. The radiation field of the current element in the anisotropic medium is obtained. When the anisotropic medium is changed into the isotropy material, the radiation field obtained is consistent with the available references. Based on the anisotropic parameters of gypsum crystal and heavy rain medium, the radiation characteristics of current element are physically simulated and analyzed. It is found that the anisotropy of the medium has a significant effect on the electromagnetic source radiation and the radiation of the electromagnetic source in heavy rainfall has the weak anisotropy.
The fast cycle full energy storage pulse power supply for the High Intensity heavy ion Accelerator Facility-Booster Ring (HIAF-BRing) needs to maintain extremely high control accuracy in a very wide range of output voltage. For this reason, the power supply adopts the topology of high voltage power units and low voltage power unit in series. The low voltage power unit is used in low voltage stage, after voltage rises, it is switched to high voltage power units, thus high precision output of current at all stages is realized through high voltage and low voltage switching control. However, in the test of prototype, it is found that there is an oscillation problem at switching point, resulting in that the absolute error of output current at switching point cannot meet the requirements. In this paper, a switching point smoothing control algorithm is proposed to smooth switching point duty cycle, and the simulation results are given. The effectiveness of high voltage and low voltage switching control method and its switching point smoothing control algorithm is verified on the HIAF-BRing fast cycle full energy storage pulse power supply prototype. The experimental results show that the absolute error of output current of 100 A injection platform is reduced from ±500 mA to ±50 mA, the absolute error of output current at switching point of 100 A injection platform is reduced from ±1.16 A to ±120 mA, and the problem of low output accuracy of 100 A injection platform is solved.
To accurately locate patients in the process of heavy ion therapy for cancer, a method of coordinate unification between treatment room and the robot system of heavy ion therapy system based on the laser tracker and its supporting software Spatial Analyzer is proposed. First, we determine the coordinates of the calibration point in the flange center coordinate system by geometric fitting method. Second, the coordinate transformation between the robot flange coordinate system and the base coordinate system is accomplished by simple calculation. Finally, the transformation matrix between the treatment room coordinate system and the robot coordinate system is calculated by using the best fitting algorithm in Spatial Analyzer software. The unification of the coordinate system is completed, and the accuracy of the unified coordinate system is verified. The practical application in HIMM (Heavy Ion Medical Machine) shows that the coordinate unification method simplifies the conversion between treatment room and the robot system of heavy ion therapy system. Moreover, the calibration accuracy is good and the calibration efficiency is high. This method of coordinate unification is easy to operate in heavy ion therapy system and other industrial applications.
The energy deposition of wire is a critical parameter in determining the effectiveness of the explosion during the electrical wire explosion. Based on developing a continuous wire-feeding electrical explosion device, a method was proposed to increase wire energy deposition with electrical explosion carrier wire. According to the phase transition theory of metal wire in the process of electrical explosion and the nonlinear time-varying nature of bypass parallel resistance, the resistance-energy segmentation model of wire load was established. The electrical explosion experiments were carried out separately using the carrier and bare wire. The discharge waveforms during the wire electrical explosion process were collected synchronously and analyzed to investigate the mechanism associated with the electrical explosion of the carrier wire and the variation of the energy deposition. The results show that in the early stage of wire electrical explosion, due to the insulation of the carrier ribbon, the parallel bypass resistance is greater than that of the bare wire, thus the resistance of the carrier wire is higher than that of the bare wire. With the progress of ohmic heating, the liquid metal in the carrier wire accumulates from both ends to the middle in the axial direction, which accelerates the phase transition process of electrical explosion, reduces the equivalent resistance, delays the breakdown process along the surface, and obtains more energy.
In response to the lack of standard nanosecond high-voltage pulse power supply, this paper carries out the circuit analysis, structural design and performance testing of high-stability nanosecond high-voltage pulse power supply. By establishing the equivalent circuit model of nanosecond pulse generator, the circuit parameters of 5-stage primary pulse generation and the influence law of one-stage compression steepening gap on the characteristics of nanosecond pulse are obtained by simulation. The nanosecond high-voltage pulse power supply structure design and low jitter corona stabilization switching characteristics are studied to establish a nanosecond pulse power supply system with highly stable output. Development of a nanosecond resistive voltage divider and establishment of a scale factor calibration method based on a combination of nanosecond and microsecond scale transfer calibration tests are made to accurately obtain the scale factor of the nanosecond resistive voltage divider. The pulse power supply output characteristics test results show that the nanosecond pulse power supply system can output exponential nanosecond pulses with a rise time of 2.3 ns±0.5 ns and an amplitude range of 10−60 kV; the relative standard deviation of the output pulse voltage in the full amplitude range is within ±1.5%.
As a key component of pulse power device, the self-breakdown probability of gas switch and the jitter of trigger discharge delay have a crucial impact on the whole pulse power system. Reducing the working coefficient of the switch is beneficial to improve the stability of the switch, but the delay jitter will increase accordingly. Aiming at the application requirements of 10 MA level high-current devices used in magnetically driven experiments, a three-electrode gas switch with high field distortion coefficient and stable operation under low operating coefficient was designed and its performance was studied. The simulated and experimental results show that when the trigger voltage is equal to the charging voltage, the field distortion coefficient is close to 4, and when the switch operating coefficient is higher than 60%, the switch has low delay jitter with the root mean square of less than 3 ns. Combined with the proposed switch, a two-stage Marx energy storage module was designed. When discharged under the condition of charging voltage ±50 kV and short circuit, its peak discharge current can reach 150 kA with a period of 2 μs. After thousands of discharge experiments, no obvious ablation occurred on the surface of the switch electrodes, and it worked normally. When the working coefficient was 68.5%, there were no self-discharge phenomena in a total of 4 000 rounds, and the self-breakdown probability is lower than 2.5×10−4. The above results show that the switch can meet the needs of high current devices with 300-400 simultaneously working switches.
To achieve high energy storage density and compact design of pulsed power source, a high power dual-spiral Blumlein pulse forming line (BPFL) using glycerol as energy storage medium is developed. The dual-spiral BPFL has a spiral middle cylinder and a spiral inner cylinder. Firstly, based on the consideration of insulation stability and energy storage density, the outer line and the inner line dimensions of the BPFL are calculated respectively. The output pulse width and line impedance are increased by adding the spiral on the middle cylinder and inner cylinder. Secondly, the transient field configuration in the BPFL is simulated by using the EM/circuit co-simulation software, and the transmission process of voltage wave in the BPFL is analyzed by the transient field distribution. The simulation results of the transmission delay in the outer line and the inner line are carried out. On this basis, the number of spiral turns in the middle cylinder and inner cylinder, and the inductance of the switch that affect the quality of the output waveform are analyzed. Finally, a 10 GW experimental platform based on dual-spiral BPFL is built according to the simulation optimization results. A pulse transformer is used to charge the BPFL to 600 kV. The device operated for 10 s under the frequency of 10 Hz. A quasi-square pulse with peak voltage of 712 kV and full width at half maximum (FWHM) of 136 ns was generated on a 50 Ω load. The ratio of single pulse energy to BPFL volume is 10.8 kJ/m3. And the peak-peak jitter of the pulse flat top is 3.8%, which has a high fitness with the simulation results.
The problems of energy density diagnosis of compression plasma flows are introduced in this paper. Based on the energy dissipation analysis and the heat conduction calculation model, aiming at the errors caused by vaporization, an energy density correction method based on measured mass loss is proposed, and the input energies required to lose the same mass are deduced through the finite element calculation of surface receding. The energy density correction is evaluated, and the corrected energy density obtained by this method is in good agreement with the experimental results. However, to obtain more accurate energy density, it is necessary to correct the energy density for shielded plasma and recoil stress wave or develop a more accurate energy density diagnosis method.
To meet the demand of plasma discharge, pulse inductor should be connected to the vertical field power supply to change the output current parameters. To satisfy the need of the output current of the vertical field power supply of the TT-1 device, pulse inductor was designed and developed. According to the operating conditions and parameters of the inductor, the detailed mathematical analysis and structural design were carried out by the induction coefficient method and cumulative temperature rise method. Based on the theoretical design, an Ansys simulation model was established to study the magnetic field and temperature rise of the inductor. Finally, the inductor was developed. According to the bridge measurement and experimental waveform, the actual inductance parameters agree well with the theoretical analysis. The experiment of fatigue and temperature was carried out on the inductor under the condition of high current to verify the reliability of the theoretical design.
Fishtail Divertor (FTD), a new divertor concept, is a significant research object of EAST tokamak divertor system. To meet the requirements of sinusoidal current precision and variable frequency, the combination of Inductance and Capacitance (LC) series resonance theory and high-frequency Pulse Width Modulation (PWM) technology is put forward. A sine wave power supply with multi frequency points (10-3800 Hz) and current up to 8000 A is developed. The FTD power supply adopts DC switching power technology, Sinusoidal Pulse Width Modulation (SPWM) technology and LC series resonance theory. The operating points of output current include 10 Hz at 8000 A, 20 Hz at 6000 A, 30 to 110 Hz at 5000 A and 1300 Hz to 3800 Hz at 2400 A. The output current accuracy can reach 5% by the current feedback and frequency feedback control strategy. The test results demonstrate that the FTD power supply can meet the system requirements, and it can provide reference for the design of other divertor power supply.
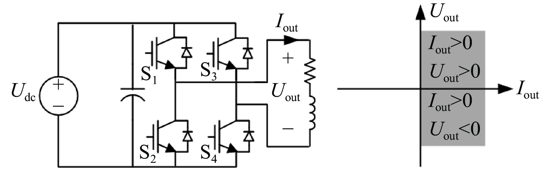
A new dual control strategy is proposed to solve the problem of large output voltage ripple of traditional three-phase three-level inverters with small duty cycle mode. By controlling the voltage of the DC bus and the duty ratio of the inverter, this strategy can realize controllable adjustment of the output DC voltage in a large range. The MATLAB/Simulink system simulation model of 200 kV/15 A inverter DC high-voltage power supply was established, and the above control strategy was used to realize that the ripple was less than ±1% when the output voltage was 200 kV and 20 kV respectively. It is verified that the new control strategy is effective in a wide range of output voltage. The output voltage ripple can meet the load requirements.
For broadband communication signal detection problem, as the current signal detection algorithm based on deep learning is not suitable for dealing with large bandwidth and large wide broadband signals, and there is the inherent deviation in signal frequency parameter estimation, we put forward intelligent broadband communication signal detection algorithm based on spectrum decomposition, thus to complete highly accurate detection of narrow-band signal in large bandwidth receiving signal. First, the broadband signal is transformed into a grayscale time-frequency spectrum which is subsequently decomposed into a sub-spectrum suitable for the input size of the target detection network. Then, the anchor-free YOLOx target detection algorithm is used to detect the narrowband signal targets in the sub-spectrum. Finally, the signal detection results of the sub-spectrum are fused to obtain the detection results of the time-frequency parameters of the narrow-band signal. Experimental results show that the proposed algorithm can adapt to the complex noise environment. Compared with other deep learning algorithms and traditional energy detection algorithms, the proposed algorithm has higher signal detection accuracy, lower false alarm probability, smaller average error of signal parameter estimation, and stronger robustness, practicability and versatility.
To solve the problem that “cat’s eye” target is difficult to recognize at night, a contour matching algorithm based on normalized central moment is proposed. Firstly, the median filter is used to denoise the image, and the fixed threshold segmentation is used to complete the image segmentation, so that the “cat’s eye” target is separated from part of the background. Roberts edge detection is used to extract the edges of all targets. Finally, the contour matching algorithm based on the normalized central moment is adopted, which is not affected by translation and contraction. All the circular targets in the image are extracted, and the real targets are identified by area discrimination. The minimum peripheral circle is drawn for the identified targets, and the coordinates of the center of the circle are used to locate them. The feasibility of this method is verified by experiments and comparisons of “cat’s eye” images under different illumination intensities, and the effectiveness of this method is verified by target recognition evaluation index. Experimental results show that the global accuracy of this method can reach 92.1%, and it can successfully identify the “cat’s eye” target under different illumination intensity at night.
 
		         
					
 Email alert
Email alert RSS
RSS 
				  
	
	