2025 Vol. 37, No. 6
Recommend Articles
2025, 37: 061002.
doi: 10.11884/HPLPB202537.250004
Display Method:
2025,
37: 1-2.
2025,
37: 061001.
doi: 10.11884/HPLPB202537.250096
Abstract:
Mid-infrared lasers hold significant application demands in fields such as medicine, communications, and national defense. In recent years, research on mid-infrared fiber lasers has attracted extensive attention worldwide. This work demonstrates a high-power mid-infrared light source at 4.16 μm utilizing HBr gas-filled anti-resonant hollow-core fiber (AR-HCF). By employing a homemade 2 μm single-frequency fiber amplifier as the pump source and utilizing the intrinsic absorption of gas molecules to achieve population inversion, we have realized over 10 W continuous wave mid-infrared output through backward gas-filling method in large-mode-area (AR-HCF). This optimized configuration simultaneously enhances the optical-to-optical conversion efficiency and effectively suppresses thermal accumulation limitations. At the maximum incident pump power of 63.8 W, the system achieves a maximum continuous output power of 10.37 W with corresponding slope efficiency of approximately 16.8%. The beam quality measurement reveals M2<1.1 at maximum power operation. This research verifies the substantial capability of fiber gas lasers to generate high-power mid-infrared radiation, providing valuable insights for advancing the development and investigation of mid-infrared fiber laser technologies.
Mid-infrared lasers hold significant application demands in fields such as medicine, communications, and national defense. In recent years, research on mid-infrared fiber lasers has attracted extensive attention worldwide. This work demonstrates a high-power mid-infrared light source at 4.16 μm utilizing HBr gas-filled anti-resonant hollow-core fiber (AR-HCF). By employing a homemade 2 μm single-frequency fiber amplifier as the pump source and utilizing the intrinsic absorption of gas molecules to achieve population inversion, we have realized over 10 W continuous wave mid-infrared output through backward gas-filling method in large-mode-area (AR-HCF). This optimized configuration simultaneously enhances the optical-to-optical conversion efficiency and effectively suppresses thermal accumulation limitations. At the maximum incident pump power of 63.8 W, the system achieves a maximum continuous output power of 10.37 W with corresponding slope efficiency of approximately 16.8%. The beam quality measurement reveals M2<1.1 at maximum power operation. This research verifies the substantial capability of fiber gas lasers to generate high-power mid-infrared radiation, providing valuable insights for advancing the development and investigation of mid-infrared fiber laser technologies.
2025,
37: 061002.
doi: 10.11884/HPLPB202537.250004
Abstract:
Laser wireless energy transmission technology has the advantages of high power, long transmission distance, non-contact operation, and simultaneous energy and information transmission, and is expected to become a revolutionary energy transmission method, showing great application potential in consumer electronics, drones, aerospace and other fields. In this paper, the core module of laser wireless energy transmission technology and its development status in the fields of ground, aerospace and underwater at home and abroad are analyzed, and the technical challenges are summarized. Finally, the future development trend of laser wireless energy transmission system is discussed.
Laser wireless energy transmission technology has the advantages of high power, long transmission distance, non-contact operation, and simultaneous energy and information transmission, and is expected to become a revolutionary energy transmission method, showing great application potential in consumer electronics, drones, aerospace and other fields. In this paper, the core module of laser wireless energy transmission technology and its development status in the fields of ground, aerospace and underwater at home and abroad are analyzed, and the technical challenges are summarized. Finally, the future development trend of laser wireless energy transmission system is discussed.
2025,
37: 061003.
doi: 10.11884/HPLPB202537.240433
Abstract:
The output characteristics of a narrow line width optical parametric oscillator with KTP as the nonlinear crystal pumped by a 532 nm wavelength all-solid-state quasi-continuous-wave Nd:YAG laser are studied. A quartz etalon is inserted into the resonant cavity to compress the output laser line width. Through theoretical analysis, the transmission spectra line width of the etalon for the idler wave within the pulsed optical parametric oscillator’s resonant cavity is estimated. Based on the calculation results, the parameters of the etalon for experimental use are designed. By inserting another KTP crystal into the optical parametric oscillator resonant cavity to perform intracavity frequency doubling on the idler, a tunable yellow laser output with a wavelength tuning range of 574.5-577.2 nm and a pm-level line width is achieved. At a repetition rate of 10 kHz and an average pump power of 30 W, the peak wavelength of the frequency doubled yellow light is 575.81 nm, with a corresponding average output power of 155 mW and a pulse width of about 35 ns. The line width at the peak wavelength is only 0.8 pm, and the beam quality factor in the x and y directions is measured respectively as 1.286 and 1.807.
The output characteristics of a narrow line width optical parametric oscillator with KTP as the nonlinear crystal pumped by a 532 nm wavelength all-solid-state quasi-continuous-wave Nd:YAG laser are studied. A quartz etalon is inserted into the resonant cavity to compress the output laser line width. Through theoretical analysis, the transmission spectra line width of the etalon for the idler wave within the pulsed optical parametric oscillator’s resonant cavity is estimated. Based on the calculation results, the parameters of the etalon for experimental use are designed. By inserting another KTP crystal into the optical parametric oscillator resonant cavity to perform intracavity frequency doubling on the idler, a tunable yellow laser output with a wavelength tuning range of 574.5-577.2 nm and a pm-level line width is achieved. At a repetition rate of 10 kHz and an average pump power of 30 W, the peak wavelength of the frequency doubled yellow light is 575.81 nm, with a corresponding average output power of 155 mW and a pulse width of about 35 ns. The line width at the peak wavelength is only 0.8 pm, and the beam quality factor in the x and y directions is measured respectively as 1.286 and 1.807.
2025,
37: 061004.
doi: 10.11884/HPLPB202537.240444
Abstract:
This paper reports on a room-temperature Yb:YAG rod laser with high power and high beam quality. The oscillator utilizes a moderately doped Yb:YAG rod crystal (Yb3+ 2.0 at atomic fraction of %) and employs quasi-continuous-wave end-pumping. At a repetition rate of 100 Hz, it achieved a 22 W linearly polarized laser output, with a slope efficiency of 53.5% and an optical-to-optical efficiency of 47.4%, while maintaining a beam quality of M2 = 1.22. Using acousto-optic Q-switching, the laser produced a 20.8 W pulse output with an energy of 9.9 mJ and a beam quality of M2 = 1.39, demonstrating the laser's capability for high-repetition-rate Q-switched pulse output.
This paper reports on a room-temperature Yb:YAG rod laser with high power and high beam quality. The oscillator utilizes a moderately doped Yb:YAG rod crystal (Yb3+ 2.0 at atomic fraction of %) and employs quasi-continuous-wave end-pumping. At a repetition rate of 100 Hz, it achieved a 22 W linearly polarized laser output, with a slope efficiency of 53.5% and an optical-to-optical efficiency of 47.4%, while maintaining a beam quality of M2 = 1.22. Using acousto-optic Q-switching, the laser produced a 20.8 W pulse output with an energy of 9.9 mJ and a beam quality of M2 = 1.39, demonstrating the laser's capability for high-repetition-rate Q-switched pulse output.
2025,
37: 061005.
doi: 10.11884/HPLPB202537.240407
Abstract:
This paper conducts a detailed study on the influence of second-harmonic parasitic effects in non-collinear ultra-broadband degenerate optical parametric amplification (OPA), which is pumped by frequency-doubled Ti:sapphire lasers. We considered both walk-off compensation and non-walk-off compensation scenarios. The study reveals that, under the non-walk-off compensation method, by appropriately increasing the non-collinear angle between the pump and signal beams, the impact of second-harmonic parasitic effects on the signal’s output spectrum can be effectively reduced while ensuring broad-spectrum amplification of the signal. The evolution of the signal’s output spectrum and output flux is investigated for different pump spectral bandwidths, clarifying the requirements for the pump spectral bandwidth given a specific signal output spectral bandwidth. The research findings provide design guidelines for generating ultra-broadband, high-temporal contrast femtosecond seed based on degenerate OPA.
This paper conducts a detailed study on the influence of second-harmonic parasitic effects in non-collinear ultra-broadband degenerate optical parametric amplification (OPA), which is pumped by frequency-doubled Ti:sapphire lasers. We considered both walk-off compensation and non-walk-off compensation scenarios. The study reveals that, under the non-walk-off compensation method, by appropriately increasing the non-collinear angle between the pump and signal beams, the impact of second-harmonic parasitic effects on the signal’s output spectrum can be effectively reduced while ensuring broad-spectrum amplification of the signal. The evolution of the signal’s output spectrum and output flux is investigated for different pump spectral bandwidths, clarifying the requirements for the pump spectral bandwidth given a specific signal output spectral bandwidth. The research findings provide design guidelines for generating ultra-broadband, high-temporal contrast femtosecond seed based on degenerate OPA.
2025,
37: 061006.
doi: 10.11884/HPLPB202537.240346
Abstract:
Aiming at the problems of low extraction accuracy and weak anti-interference ability of line structure light centroids in turbid water bodies, this study proposes an improved internal advancement algorithm, which aims to enhance the accuracy and robustness of the extraction of line structure light centroids in complex environments. Firstly, the median filter is used to preprocess the image to suppress the noise, and combined with the eight-neighborhood method to quickly locate the starting point of the light stripe; subsequently, the grayscale neighborhood attribute method is introduced to dynamically estimate the pixel width of the current line of the line structured light, and based on this range, the maximum interclass variance method is applied to adaptively determine the binarized threshold value, which effectively reduces the background interference; finally, the grayscale gravity method is used to calculate the initial centroid in the constrained range of pixel widths and use this as the basis to advance upward and downward to search for the center point of the line structured light. Comparison tests are conducted in various turbid water environments and different structured light patterns. The results show that compared with the original internal advancement algorithm, the root mean square error of the improved algorithm is reduced by 13.33%, and the running speed of the algorithm is increased by 69.07% compared with Steger’s algorithm, thus realizes the balance between accuracy and speed.
Aiming at the problems of low extraction accuracy and weak anti-interference ability of line structure light centroids in turbid water bodies, this study proposes an improved internal advancement algorithm, which aims to enhance the accuracy and robustness of the extraction of line structure light centroids in complex environments. Firstly, the median filter is used to preprocess the image to suppress the noise, and combined with the eight-neighborhood method to quickly locate the starting point of the light stripe; subsequently, the grayscale neighborhood attribute method is introduced to dynamically estimate the pixel width of the current line of the line structured light, and based on this range, the maximum interclass variance method is applied to adaptively determine the binarized threshold value, which effectively reduces the background interference; finally, the grayscale gravity method is used to calculate the initial centroid in the constrained range of pixel widths and use this as the basis to advance upward and downward to search for the center point of the line structured light. Comparison tests are conducted in various turbid water environments and different structured light patterns. The results show that compared with the original internal advancement algorithm, the root mean square error of the improved algorithm is reduced by 13.33%, and the running speed of the algorithm is increased by 69.07% compared with Steger’s algorithm, thus realizes the balance between accuracy and speed.
2025,
37: 061007.
doi: 10.11884/HPLPB202537.240392
Abstract:
The influence of grating height on the diffraction efficiency of SU-8 micron gratings was studied.The diffraction efficiency of gratings with heights of 6-8 μm, 12-16 μm, and 6-30 μm was simulated and analyzed using rigorous coupled wave theory. The simulation results show that when the grating height is 6 μm, the 0th order diffraction efficiency is the lowest and the 1st order diffraction efficiency is the highest; At 12 μm, the 0th order diffraction efficiency is the highest and the 1st order diffraction efficiency is the lowest. When the grating height continuously changes from 6-30 μm, the diffraction efficiency varies periodically. SU-8 thin films with different thicknesses were prepared, and 40 μm periodic gratings with different gate heights were fabricated using picosecond laser etching technology. The measurement results show that when the grating height of the 40 μm period grating is 6.83 μm, the −1st order diffraction efficiency is 28.4%, and the 0th order diffraction efficiency is about 14.7%; When the grating height is 13.45 μm , the 0th order diffraction efficiency is 31.46% and the 1st order diffraction efficiency is 12.35%. The magnitude of the 0th and 1st order diffraction efficiencies varies with the grating height period. The theoretical simulation and experimental exploration can provide important references for the preparation of SU-8 micron gratings and the improvement of first-order diffraction efficiency.
The influence of grating height on the diffraction efficiency of SU-8 micron gratings was studied.The diffraction efficiency of gratings with heights of 6-8 μm, 12-16 μm, and 6-30 μm was simulated and analyzed using rigorous coupled wave theory. The simulation results show that when the grating height is 6 μm, the 0th order diffraction efficiency is the lowest and the 1st order diffraction efficiency is the highest; At 12 μm, the 0th order diffraction efficiency is the highest and the 1st order diffraction efficiency is the lowest. When the grating height continuously changes from 6-30 μm, the diffraction efficiency varies periodically. SU-8 thin films with different thicknesses were prepared, and 40 μm periodic gratings with different gate heights were fabricated using picosecond laser etching technology. The measurement results show that when the grating height of the 40 μm period grating is 6.83 μm, the −1st order diffraction efficiency is 28.4%, and the 0th order diffraction efficiency is about 14.7%; When the grating height is 13.45 μm , the 0th order diffraction efficiency is 31.46% and the 1st order diffraction efficiency is 12.35%. The magnitude of the 0th and 1st order diffraction efficiencies varies with the grating height period. The theoretical simulation and experimental exploration can provide important references for the preparation of SU-8 micron gratings and the improvement of first-order diffraction efficiency.
2025,
37: 063001.
doi: 10.11884/HPLPB202537.240411
Abstract:
To address the wideband and beam scanning requirements of high-power microwave (HPM) systems, this paper proposes an X-band varactor-based high-power wideband beam-scanning reflectarray antenna. The antenna employs a linearly polarized horn feed and a sandwich-structured embedded patch element, where the nested dual-resonance structure integrated with varactors simultaneously extends the phase tuning range (360°) and operational bandwidth. By eliminating abrupt structural discontinuities and adopting a sandwich dielectric configuration, the design effectively suppresses triple-junction formation, achieving a power capacity of 5 MW in 0.1 MPa SF6 environment. Varactor capacitance adjustment enables a 12% relative tuning bandwidth within 8.55−9.65 GHz. Simulations of an 11×11 rectangular grid reflectarray demonstrate a maximum gain of 25.12 dBi with 54.39% aperture efficiency for a 242 mm aperture and full-band 0°−20° beam scanning capability. Compared with existing technologies, this design exhibits superior tuning bandwidth (12%) and power capacity (5 MW), providing an effective solution for wideband beam control in HPM systems.
To address the wideband and beam scanning requirements of high-power microwave (HPM) systems, this paper proposes an X-band varactor-based high-power wideband beam-scanning reflectarray antenna. The antenna employs a linearly polarized horn feed and a sandwich-structured embedded patch element, where the nested dual-resonance structure integrated with varactors simultaneously extends the phase tuning range (360°) and operational bandwidth. By eliminating abrupt structural discontinuities and adopting a sandwich dielectric configuration, the design effectively suppresses triple-junction formation, achieving a power capacity of 5 MW in 0.1 MPa SF6 environment. Varactor capacitance adjustment enables a 12% relative tuning bandwidth within 8.55−9.65 GHz. Simulations of an 11×11 rectangular grid reflectarray demonstrate a maximum gain of 25.12 dBi with 54.39% aperture efficiency for a 242 mm aperture and full-band 0°−20° beam scanning capability. Compared with existing technologies, this design exhibits superior tuning bandwidth (12%) and power capacity (5 MW), providing an effective solution for wideband beam control in HPM systems.
2025,
37: 063002.
doi: 10.11884/HPLPB202537.250028
Abstract:
The signal compensation method based on Wiener filtering has been demonstrated to have excellent compensation performance towards the signal distortion induced by the long-distance transmission in coaxial cable. However, factors affect the compensation performance of this method had not been investigated and analyzed, thus we carried out a systematic study on the effect of the parameters and the means of this modified method. The results show the main factors are the signal-to-noise ratio (SNR), the sampling frequency interval Δf in S21 parameter measurement, and the power spectrum estimation method. When the SNR is less than 25 dB, the compensation performance continuously improves as the SNR increases. Once the SNR exceeds 25 dB, the relative error (δ) between the compensated signal and input signal nearly keeps unchanged. The compensation performance keeps unchanged when Δf is small, and it slowly deteriorates as Δf exceeds a certain value. It is proved that among the traditional power spectrum estimation methods, the Burg method can obtain the best compensation performance. This study can provide a beneficial reference for the application of the signal compensation method based on Wiener filtering.
The signal compensation method based on Wiener filtering has been demonstrated to have excellent compensation performance towards the signal distortion induced by the long-distance transmission in coaxial cable. However, factors affect the compensation performance of this method had not been investigated and analyzed, thus we carried out a systematic study on the effect of the parameters and the means of this modified method. The results show the main factors are the signal-to-noise ratio (SNR), the sampling frequency interval Δf in S21 parameter measurement, and the power spectrum estimation method. When the SNR is less than 25 dB, the compensation performance continuously improves as the SNR increases. Once the SNR exceeds 25 dB, the relative error (δ) between the compensated signal and input signal nearly keeps unchanged. The compensation performance keeps unchanged when Δf is small, and it slowly deteriorates as Δf exceeds a certain value. It is proved that among the traditional power spectrum estimation methods, the Burg method can obtain the best compensation performance. This study can provide a beneficial reference for the application of the signal compensation method based on Wiener filtering.
2025,
37: 063003.
doi: 10.11884/HPLPB202537.240386
Abstract:
During the integration of High Power Microwave (HPM) systems, the docking condition of the microwave source and the transmission-emission subsystem affects the HPM system performance directly. Poor docking conditions may cause radio frequency breakdown at the connection surface, which will result in the reduction of the entire system’s output power. Therefore, diagnosing the docking state of the system is of great engineering significance. For this reason, a non-contact high-power microwave transmission technology is investigated in this paper, and an injection power measurement method is proposed for a Ku-band GW-level HPM system using a conical horn as the feed source. Based on simulation designs, key subassembly of the technology was developed. In addition, the small signal test and power handling capacity assessment of the subassembly were carried out. The experimental outcomes demonstrated that the reflection coefficient was consistently below −26 dB, the coupling coefficient was (−0.31±0.07) dB within the frequency band of (15±0.15) GHz, and the power handling capacity exceeded 900 MW. The experimental and simulation results show that the proposed measurement technology not only has the characteristics of stable coupling coefficient and low test errors, but also can effectively measure the microwave power injected by HPM source through the feed-horn and diagnose the docking state of the HPM system.
During the integration of High Power Microwave (HPM) systems, the docking condition of the microwave source and the transmission-emission subsystem affects the HPM system performance directly. Poor docking conditions may cause radio frequency breakdown at the connection surface, which will result in the reduction of the entire system’s output power. Therefore, diagnosing the docking state of the system is of great engineering significance. For this reason, a non-contact high-power microwave transmission technology is investigated in this paper, and an injection power measurement method is proposed for a Ku-band GW-level HPM system using a conical horn as the feed source. Based on simulation designs, key subassembly of the technology was developed. In addition, the small signal test and power handling capacity assessment of the subassembly were carried out. The experimental outcomes demonstrated that the reflection coefficient was consistently below −26 dB, the coupling coefficient was (−0.31±0.07) dB within the frequency band of (15±0.15) GHz, and the power handling capacity exceeded 900 MW. The experimental and simulation results show that the proposed measurement technology not only has the characteristics of stable coupling coefficient and low test errors, but also can effectively measure the microwave power injected by HPM source through the feed-horn and diagnose the docking state of the HPM system.
2025,
37: 064001.
doi: 10.11884/HPLPB202537.240240
Abstract:
In response to the timing requirements for the commissioning and offline operation of many pre-research equipments at the China Spallation Neutron Source Phase II (CSNS-II), a timing system has been designed and developed independently based on “high-precision timing generator + low-jitter fiber optical transmission link”, which provides accurate triggers for the pre-research equipments in accordance with the physical design requirements. The hardware mainly consists of with cost-effective master boards and terminal boards, which realize strict synchronization and low-jitter transmission. Meanwhile, the master board has the ability to expand the number of output channels by using multimode optical fiber to realize the cascade connection of the hardware boards through high-speed serial transmission links; the upper software adopts adopts the method of “Serial Server + PC soft IOC” to realise the data interaction mechanism between the master board and Experimental Physics and Industrial Control System (EPICS), which can accurately configure the frequency, delay, pulse width and other parameters remotely. The synchronous timing system has been successfully used in the commissioning and operation of key pre-research equipments such as the radio frequency ion source of the CSNS-II, which has been operated stably and reliably for a long period of time. In addition, compared with commercial products, the timing system has the advantages of flexible design, strong anti-interference capability, and high versatility, which can provide a practical technical reference for the design and realisation of timing system for particle accelerator equipment at home and abroad.
In response to the timing requirements for the commissioning and offline operation of many pre-research equipments at the China Spallation Neutron Source Phase II (CSNS-II), a timing system has been designed and developed independently based on “high-precision timing generator + low-jitter fiber optical transmission link”, which provides accurate triggers for the pre-research equipments in accordance with the physical design requirements. The hardware mainly consists of with cost-effective master boards and terminal boards, which realize strict synchronization and low-jitter transmission. Meanwhile, the master board has the ability to expand the number of output channels by using multimode optical fiber to realize the cascade connection of the hardware boards through high-speed serial transmission links; the upper software adopts adopts the method of “Serial Server + PC soft IOC” to realise the data interaction mechanism between the master board and Experimental Physics and Industrial Control System (EPICS), which can accurately configure the frequency, delay, pulse width and other parameters remotely. The synchronous timing system has been successfully used in the commissioning and operation of key pre-research equipments such as the radio frequency ion source of the CSNS-II, which has been operated stably and reliably for a long period of time. In addition, compared with commercial products, the timing system has the advantages of flexible design, strong anti-interference capability, and high versatility, which can provide a practical technical reference for the design and realisation of timing system for particle accelerator equipment at home and abroad.
2025,
37: 064002.
doi: 10.11884/HPLPB202537.240257
Abstract:
To facilitate online replacement and maintenance of solid-state power sources in particle accelerators, a cavity power combiner with online decoupling capability is required. While cavity combiners offer high power capacity, adjustable input coupling has not been achieved online. Therefore, we designed a 650 MHz eight-in-one cavity power combiner with a rotatable decoupling system. By integrating non-contact open-circuit slits at the RF input port and separating the coupling loop from the cavity, we enabled online rotation adjustment of the magnetic coupling loop. This adjustment allows real-time tuning of input coupling according to the operational status of solid-state power sources, facilitating hot-swapping and efficiency optimization. Simulation results demonstrate high synthesis efficiency and minimal power loss, with excellent amplitude consistency between input and output ports (deviations within 0.25 dB). The ability to adjust coupling online enhances RF isolation at input ports, enabling seamless hot-swappable replacement of power amplifier modules and significantly improving maintainability and flexibility.
To facilitate online replacement and maintenance of solid-state power sources in particle accelerators, a cavity power combiner with online decoupling capability is required. While cavity combiners offer high power capacity, adjustable input coupling has not been achieved online. Therefore, we designed a 650 MHz eight-in-one cavity power combiner with a rotatable decoupling system. By integrating non-contact open-circuit slits at the RF input port and separating the coupling loop from the cavity, we enabled online rotation adjustment of the magnetic coupling loop. This adjustment allows real-time tuning of input coupling according to the operational status of solid-state power sources, facilitating hot-swapping and efficiency optimization. Simulation results demonstrate high synthesis efficiency and minimal power loss, with excellent amplitude consistency between input and output ports (deviations within 0.25 dB). The ability to adjust coupling online enhances RF isolation at input ports, enabling seamless hot-swappable replacement of power amplifier modules and significantly improving maintainability and flexibility.
2025,
37: 064003.
doi: 10.11884/HPLPB202537.240271
Abstract:
The ionization profile monitor (IPM) can provide critical beam distribution information required for real-time debugging and stable operation of high-current proton accelerators. The IPM system of the China Spallation Neutron Source (CSNS) Linac adopts a compact structural design. It collects data in ion mode and performs one-dimensional transverse beam distribution measurement through an optical imaging system. However, the honeycomb mesh structure at the electrode plate apertures blocks some ions or electrons from entering the microchannel plate, causing imaging shadows and introducing beam distribution distortion. Offline numerical algorithms must be used for correction. In this paper, partial differential equation (PDE) restoration and machine learning algorithms are used to correct the imaging shadows and beam distribution distortion caused by the honeycomb mesh of the IPM in the CSNS linac. The unsupervised machine learning method DIP (Deep Image Prior) was employed, and the corrected beam size deviates from the theoretical expectation by less than 10%, while maintaining a good signal-to-noise ratio.
The ionization profile monitor (IPM) can provide critical beam distribution information required for real-time debugging and stable operation of high-current proton accelerators. The IPM system of the China Spallation Neutron Source (CSNS) Linac adopts a compact structural design. It collects data in ion mode and performs one-dimensional transverse beam distribution measurement through an optical imaging system. However, the honeycomb mesh structure at the electrode plate apertures blocks some ions or electrons from entering the microchannel plate, causing imaging shadows and introducing beam distribution distortion. Offline numerical algorithms must be used for correction. In this paper, partial differential equation (PDE) restoration and machine learning algorithms are used to correct the imaging shadows and beam distribution distortion caused by the honeycomb mesh of the IPM in the CSNS linac. The unsupervised machine learning method DIP (Deep Image Prior) was employed, and the corrected beam size deviates from the theoretical expectation by less than 10%, while maintaining a good signal-to-noise ratio.
2025,
37: 064004.
doi: 10.11884/HPLPB202537.240299
Abstract:
For a facility using multi-group magnetic cores, its operation stability will be affected by the different working points of the multi-group magnetic cores being reset in parallel. A direct current reset system of the multi-pulse induction cells is developed instead of the original parallel pulsed reset system for a multi-pulse high power Linear Induction Accelerator (LIA) at burst mode. Resetting multi-group magnetic cores one by one is realized by a separate relay switch for every induction cell and constant current sources with periodical output using the direct current reset system, and the problem of inconsistency in working points caused by parallel pulsed reset is effectively resolved. During engineering implementation, the system operates with two sets of constant current sources and eight switch control boxes to reset 94 groups of induction cell magnetic cores, significantly reducing system complexity and maintenance costs. Practical validation demonstrates that the improved accelerator exhibits enhanced multi-pulse stability, with beam centroid position jitter reduced from 1.3 mm to less than 1 mm. This paper describes the physical design of the direct current reset unit, introduces the layout of the whole reset system which includes the main units, and presents the improvement effect.
For a facility using multi-group magnetic cores, its operation stability will be affected by the different working points of the multi-group magnetic cores being reset in parallel. A direct current reset system of the multi-pulse induction cells is developed instead of the original parallel pulsed reset system for a multi-pulse high power Linear Induction Accelerator (LIA) at burst mode. Resetting multi-group magnetic cores one by one is realized by a separate relay switch for every induction cell and constant current sources with periodical output using the direct current reset system, and the problem of inconsistency in working points caused by parallel pulsed reset is effectively resolved. During engineering implementation, the system operates with two sets of constant current sources and eight switch control boxes to reset 94 groups of induction cell magnetic cores, significantly reducing system complexity and maintenance costs. Practical validation demonstrates that the improved accelerator exhibits enhanced multi-pulse stability, with beam centroid position jitter reduced from 1.3 mm to less than 1 mm. This paper describes the physical design of the direct current reset unit, introduces the layout of the whole reset system which includes the main units, and presents the improvement effect.
2025,
37: 065001.
doi: 10.11884/HPLPB202537.240383
Abstract:
The insulating property of water medium affects the operation state of pulse power device, and air bubbles in water are the main factor causing breakdown of water medium. To remove air bubbles and dissolved gases in the water medium, we analyzed the causes of air bubbles in the water medium. For the removal of body-phase air bubbles and surface adsorption air bubbles in the water medium, we compared the methods of removing air bubbles using vortex separators and reverse osmosis membranes, and we have carried out experimental research to study the performance of these two methods. The results show that the vortex separator’s low cyclonic strength leads to low separation (which can remove the gas bubbles and dissolved gases in the water) efficiency, and the reverse osmosis membrane degassing makes the surface adsorbed bubbles re-dissolve by reducing the solubility of the gas in the water, and the separation efficiency is high. This study is of great significance for the stable operation of the pulsed power device.
The insulating property of water medium affects the operation state of pulse power device, and air bubbles in water are the main factor causing breakdown of water medium. To remove air bubbles and dissolved gases in the water medium, we analyzed the causes of air bubbles in the water medium. For the removal of body-phase air bubbles and surface adsorption air bubbles in the water medium, we compared the methods of removing air bubbles using vortex separators and reverse osmosis membranes, and we have carried out experimental research to study the performance of these two methods. The results show that the vortex separator’s low cyclonic strength leads to low separation (which can remove the gas bubbles and dissolved gases in the water) efficiency, and the reverse osmosis membrane degassing makes the surface adsorbed bubbles re-dissolve by reducing the solubility of the gas in the water, and the separation efficiency is high. This study is of great significance for the stable operation of the pulsed power device.
2025,
37: 065002.
doi: 10.11884/HPLPB202537.240412
Abstract:
With the continuous development of photoconductive microwave technology towards high-frequency, high-power, long-life, and high-efficiency directions, lateral photoconductive devices have the potential to achieve high photoelectric gain and high main frequency response due to intrinsic light triggering and low parasitic capacitance. We investigated the photocurrent response of intrinsic light back-illuminated lateral silicon carbide (SiC) photoconductive switches. Based on semiconductor numerical simulation, the output photocurrent of the device under intrinsic light triggering with different substrate thicknesses and different light powers was compared for front and back illumination. The internal current and electric field distribution of the device were analyzed and compared. Finally, experimental tests were conducted on the front and back triggering of a 50 μm lateral SiC photoconductive switch. The experimental results show that under a 40 kW peak light power, the on-resistance of the back-triggered device is reduced by 40% compared to the front-triggered device, confirming the high photoelectric conversion efficiency of the back-illuminated device, and the internal electric field and current of the back-triggered device are more uniform, which is more conducive to improving the device’s high-power capacity. The results provide simulation and experimental references for the intrinsic triggering of planar photoconductive switches.
With the continuous development of photoconductive microwave technology towards high-frequency, high-power, long-life, and high-efficiency directions, lateral photoconductive devices have the potential to achieve high photoelectric gain and high main frequency response due to intrinsic light triggering and low parasitic capacitance. We investigated the photocurrent response of intrinsic light back-illuminated lateral silicon carbide (SiC) photoconductive switches. Based on semiconductor numerical simulation, the output photocurrent of the device under intrinsic light triggering with different substrate thicknesses and different light powers was compared for front and back illumination. The internal current and electric field distribution of the device were analyzed and compared. Finally, experimental tests were conducted on the front and back triggering of a 50 μm lateral SiC photoconductive switch. The experimental results show that under a 40 kW peak light power, the on-resistance of the back-triggered device is reduced by 40% compared to the front-triggered device, confirming the high photoelectric conversion efficiency of the back-illuminated device, and the internal electric field and current of the back-triggered device are more uniform, which is more conducive to improving the device’s high-power capacity. The results provide simulation and experimental references for the intrinsic triggering of planar photoconductive switches.
2025,
37: 065003.
doi: 10.11884/HPLPB202537.240186
Abstract:
When the photoconductive switch operates continuously under the working conditions of long pulse width and high repetition frequency, due to the existence of a certain conduction resistance, the thermal deposition phenomenon inside the switch is relatively serious, which is likely to cause thermal damage and thermal breakdown of the photoconductive switch, seriously affecting its service life. Therefore, it is necessary to effectively dissipate heat from the high-power photoconductive switch. The conventional cooling circulation system uses the method of pumping out by a circulation pump to cool the object. There are problems such as very high or low pressure of the cooling medium during the circulation process, resulting in uneven cooling of the object, which is extremely likely to cause damage to the object. In addition, the impeller of the circulation pump will generate bubbles during the circulation process, reducing the insulation strength of the photoconductive switch and leading to flashover breakdown along the surface. To address these issues, we have developed a cooling system that eliminates bubbles based on the negative pressure suction mechanism and achieves precise temperature control through a dual-loop system. This system has achieved good heat dissipation for the photoconductive switch. Under the conditions of a working voltage of 11 kV, an output current of 560 A, a pulse width of 55 ns, and a repetition frequency of 1 kHz, the service life of the photoconductive switch has reached 106 times, which is significantly increased.
When the photoconductive switch operates continuously under the working conditions of long pulse width and high repetition frequency, due to the existence of a certain conduction resistance, the thermal deposition phenomenon inside the switch is relatively serious, which is likely to cause thermal damage and thermal breakdown of the photoconductive switch, seriously affecting its service life. Therefore, it is necessary to effectively dissipate heat from the high-power photoconductive switch. The conventional cooling circulation system uses the method of pumping out by a circulation pump to cool the object. There are problems such as very high or low pressure of the cooling medium during the circulation process, resulting in uneven cooling of the object, which is extremely likely to cause damage to the object. In addition, the impeller of the circulation pump will generate bubbles during the circulation process, reducing the insulation strength of the photoconductive switch and leading to flashover breakdown along the surface. To address these issues, we have developed a cooling system that eliminates bubbles based on the negative pressure suction mechanism and achieves precise temperature control through a dual-loop system. This system has achieved good heat dissipation for the photoconductive switch. Under the conditions of a working voltage of 11 kV, an output current of 560 A, a pulse width of 55 ns, and a repetition frequency of 1 kHz, the service life of the photoconductive switch has reached 106 times, which is significantly increased.
2025,
37: 065004.
doi: 10.11884/HPLPB202537.240426
Abstract:
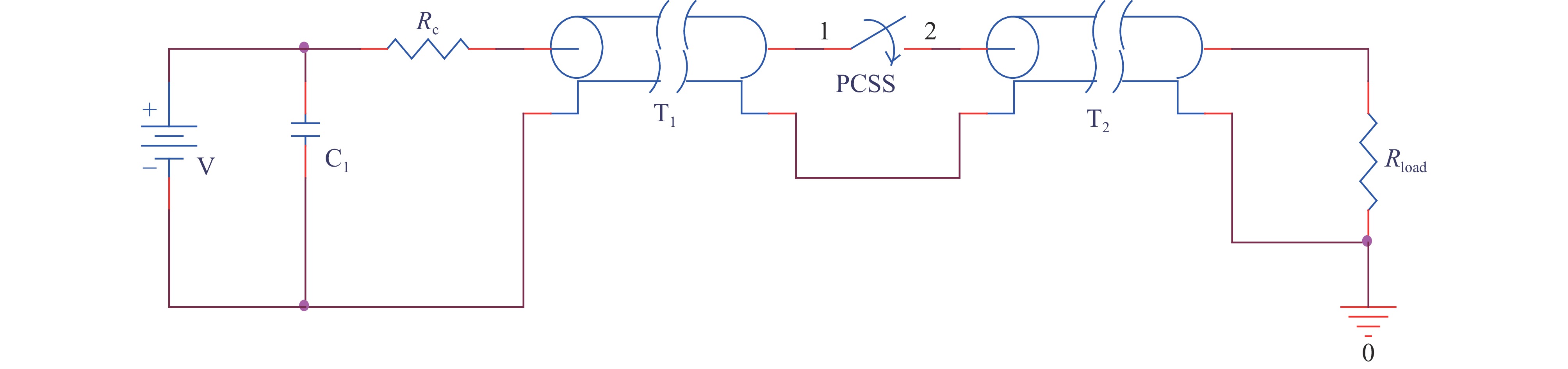
This study focuses on the performance of vertical photoconductive semiconductor switch (PCSS) based on Fe: β-Ga2O3 under high voltage. The results show that deep levels in Fe: β-Ga2O3 can provide carriers of non-intrinsic excitation. The device did not exhibit breakdown tendencies when subjected to a 20 kV input voltage with single-shot laser triggering. After more than5000 trigger cycles at 15 kV by a 10 Hz laser, the switch eventually failed. Nevertheless, pulse performance remained stable throughout the effective data collection period, preliminarily demonstrating the potential of Ga2O3 PCSS for applications in extreme conditions such as high power and high frequency. Failure analysis indicates that a wide bandgap is not the sole determinant of high breakdown voltage. In addition to employing precise doping techniques to introduce specific defects and modify material properties, further improvements in existing material growth methods and device packaging structures can also contribute to enhancing the output and lifetime of PCSS.
This study focuses on the performance of vertical photoconductive semiconductor switch (PCSS) based on Fe: β-Ga2O3 under high voltage. The results show that deep levels in Fe: β-Ga2O3 can provide carriers of non-intrinsic excitation. The device did not exhibit breakdown tendencies when subjected to a 20 kV input voltage with single-shot laser triggering. After more than
2025,
37: 066001.
doi: 10.11884/HPLPB202537.250011
Abstract:
The geoelectric fields induced by late-time high altitude electromagnetic pulse (HEMP E3) and geomagnetic storms lead to low frequency geomagnetically induced currents in the transmission grids, and the resulting half-cycle saturation of a large number of transformers could potentially threaten the power system voltage stability. However, in the existing study on HEMP E3 effect evaluation, it typically assumes a uniform or 1D layered earth structure, without adequately considering the influence of lateral variations in earth conductivity on the induced geoelectric fields. Thus, it is difficult to rigorously assess the electromagnetic security of power systems under complex geological conditions such as coasts. This paper establishes a 3D computational model for HEMP E3 geoelectric fields based on finite element method, then studies the influence of complex earth conductivity structure on the spatiotemporal distribution of HEMP E3 geoelectric fields, and finally evaluates the power system voltage stability via electromagnetic transient simulation method. The results uncover substantial changes in the amplitude and duration of HEMP E3 geoelectric fields near the conductivity interface, which may lead to significant deviation in the voltage stability results of the power system. The method developed in this paper provides an important basis for the HEMP effect evaluation and protection of infrastructure located in complex geological areas.
The geoelectric fields induced by late-time high altitude electromagnetic pulse (HEMP E3) and geomagnetic storms lead to low frequency geomagnetically induced currents in the transmission grids, and the resulting half-cycle saturation of a large number of transformers could potentially threaten the power system voltage stability. However, in the existing study on HEMP E3 effect evaluation, it typically assumes a uniform or 1D layered earth structure, without adequately considering the influence of lateral variations in earth conductivity on the induced geoelectric fields. Thus, it is difficult to rigorously assess the electromagnetic security of power systems under complex geological conditions such as coasts. This paper establishes a 3D computational model for HEMP E3 geoelectric fields based on finite element method, then studies the influence of complex earth conductivity structure on the spatiotemporal distribution of HEMP E3 geoelectric fields, and finally evaluates the power system voltage stability via electromagnetic transient simulation method. The results uncover substantial changes in the amplitude and duration of HEMP E3 geoelectric fields near the conductivity interface, which may lead to significant deviation in the voltage stability results of the power system. The method developed in this paper provides an important basis for the HEMP effect evaluation and protection of infrastructure located in complex geological areas.
2025,
37: 066002.
doi: 10.11884/HPLPB202537.240408
Abstract:
In a surface nuclear leakage scenario, radiation neutrons undergo multiple scatterings with atomic nuclei in the material, rapidly reducing their energy to the thermal neutron range (a few eV). The activation of thermal neutrons significantly impacts the nuclear reaction process. In solid and liquid materials, nuclei typically exist in bound states, differing from free nuclei in gaseous form regarding their interaction with matter. To accurately assess nuclear radiation effects, we investigated the impact of bound-nucleus effects on thermal neutron activation. Using the Monte Carlo method for particle transport simulation, we developed an air-ground interface model based on surface nuclear radiation scenarios. We modeled neutron beam interactions with soil, seawater, and concrete, focusing on thermal neutron activation reactions. By incorporating bound-nucleus effects through adjusted reaction cross-sections, we calculated and compared changes in secondary gamma flux before and after considering these effects. The results show that accounting for bound-nucleus effects enhances thermal neutron activation in solid and liquid media, thereby increasing surface secondary gamma field intensity. Due to factors such as elemental composition and particle shielding, the maximum increases in secondary gamma flux were 18%, 8%, and 11% for the three media, with varying patterns of flux increase over detection distances.
In a surface nuclear leakage scenario, radiation neutrons undergo multiple scatterings with atomic nuclei in the material, rapidly reducing their energy to the thermal neutron range (a few eV). The activation of thermal neutrons significantly impacts the nuclear reaction process. In solid and liquid materials, nuclei typically exist in bound states, differing from free nuclei in gaseous form regarding their interaction with matter. To accurately assess nuclear radiation effects, we investigated the impact of bound-nucleus effects on thermal neutron activation. Using the Monte Carlo method for particle transport simulation, we developed an air-ground interface model based on surface nuclear radiation scenarios. We modeled neutron beam interactions with soil, seawater, and concrete, focusing on thermal neutron activation reactions. By incorporating bound-nucleus effects through adjusted reaction cross-sections, we calculated and compared changes in secondary gamma flux before and after considering these effects. The results show that accounting for bound-nucleus effects enhances thermal neutron activation in solid and liquid media, thereby increasing surface secondary gamma field intensity. Due to factors such as elemental composition and particle shielding, the maximum increases in secondary gamma flux were 18%, 8%, and 11% for the three media, with varying patterns of flux increase over detection distances.
2025,
37: 069001.
doi: 10.11884/HPLPB202537.250001
Abstract:
Terahertz waves, spanning the millimeter and submillimeter wavelength ranges between the microwave and far-infrared regions (approximately 3 mm to 30 μm), represent a critical spectral range in astrophysical and cosmological research. Of the photons detectable since the beginning of the universe, approximately 98% fall within the terahertz and far-infrared bands. A significant proportion of these photons originate from the cosmic microwave background radiation, while others arise from excited molecules that exhibit bright spectral emissions in the terahertz range. As a result, terahertz-based astronomical observation techniques are becoming increasingly essential for investigating the universe’s fundamental properties. Through the observation of interstellar atoms, molecules, and dust, terahertz astronomy provides valuable insights into the internal conditions of the interstellar medium and offers a unique observational window into the formation and evolution of stars, planets, galaxies, and the universe itself. In recent years, many large astronomical telescopes have begun incorporating terahertz detectors based on microwave kinetic inductance detector (MKID), positioning MKID as a pivotal technology in the field of terahertz astronomical detection. This paper outlines the fundamental principles of MKID, reviews recent advancements in the application of MKIDs to terahertz detection, and discusses future developments in this promising area of research.
Terahertz waves, spanning the millimeter and submillimeter wavelength ranges between the microwave and far-infrared regions (approximately 3 mm to 30 μm), represent a critical spectral range in astrophysical and cosmological research. Of the photons detectable since the beginning of the universe, approximately 98% fall within the terahertz and far-infrared bands. A significant proportion of these photons originate from the cosmic microwave background radiation, while others arise from excited molecules that exhibit bright spectral emissions in the terahertz range. As a result, terahertz-based astronomical observation techniques are becoming increasingly essential for investigating the universe’s fundamental properties. Through the observation of interstellar atoms, molecules, and dust, terahertz astronomy provides valuable insights into the internal conditions of the interstellar medium and offers a unique observational window into the formation and evolution of stars, planets, galaxies, and the universe itself. In recent years, many large astronomical telescopes have begun incorporating terahertz detectors based on microwave kinetic inductance detector (MKID), positioning MKID as a pivotal technology in the field of terahertz astronomical detection. This paper outlines the fundamental principles of MKID, reviews recent advancements in the application of MKIDs to terahertz detection, and discusses future developments in this promising area of research.
2025,
37: 069002.
doi: 10.11884/HPLPB202537.240360
Abstract:
A simple and effective improved A* algorithm is proposed to solve the problem of robot path planning in the integrated installation of large-scale laser devices. Compared with the traditional A* algorithm, the algorithm has been improved in three steps. Firstly, the walking direction is limited, which avoids the phenomenon of crossing obstacles occurred in the traditional A* algorithm; Secondly, the heuristic function is optimized as a weighted Manhattan distance function, which accelerates the expansion of nodes in the x direction or y direction, and reduces the surge of traversal nodes caused by limiting the walking direction. Thirdly, the turning penalty term is introduced to reduce the number of turns in the path planning process, and improve the search efficiency and quality. The performance of the three-step improved A* algorithm is verified in different size raster maps, and compared with the traditional A* algorithm. Experimental results show that in simple maps, the number of nodes traversed by the three-step improved A* algorithm is slightly higher than that of the traditional A* algorithm, and the number of turns is equivalent to that of the traditional A* algorithm, but the obstacle avoidance performance is obviously better than that of the traditional A* algorithm, which is more conducive to the safe walking of robots. In complex maps, considering the priority relationship of traversal nodes, turn times and path length, the parameters of the three-step improved A* algorithm can be adjusted to obtain the optimal path planning result.
A simple and effective improved A* algorithm is proposed to solve the problem of robot path planning in the integrated installation of large-scale laser devices. Compared with the traditional A* algorithm, the algorithm has been improved in three steps. Firstly, the walking direction is limited, which avoids the phenomenon of crossing obstacles occurred in the traditional A* algorithm; Secondly, the heuristic function is optimized as a weighted Manhattan distance function, which accelerates the expansion of nodes in the x direction or y direction, and reduces the surge of traversal nodes caused by limiting the walking direction. Thirdly, the turning penalty term is introduced to reduce the number of turns in the path planning process, and improve the search efficiency and quality. The performance of the three-step improved A* algorithm is verified in different size raster maps, and compared with the traditional A* algorithm. Experimental results show that in simple maps, the number of nodes traversed by the three-step improved A* algorithm is slightly higher than that of the traditional A* algorithm, and the number of turns is equivalent to that of the traditional A* algorithm, but the obstacle avoidance performance is obviously better than that of the traditional A* algorithm, which is more conducive to the safe walking of robots. In complex maps, considering the priority relationship of traversal nodes, turn times and path length, the parameters of the three-step improved A* algorithm can be adjusted to obtain the optimal path planning result.
2025,
37: 069003.
doi: 10.11884/HPLPB202537.240229
Abstract:
To optimize the performance of the pulsed xenon lamp sterilization device, the influence of spectral range and specifications of lamps on the sterilization effect is studied based on a self-developed high-energy microsecond pulse power supply and xenon lamps with different specifications. The results show that in the UV-visible spectrum of a xenon lamp with an arc length of 50 mm and a pressure of 50 kPa, the UV accounts for 38.5% and the UVC accounts for 17.6%. Increasing the arc length and decreasing the pressure can both increase the spectral intensity, and the latter can also increase the ratio of UV. The xenon lamp with an arc length of 100 mm and a pressure of 50 kPa can basically inactivate all Escherichia coli in 3 s with a discharge energy of 20 J. The sterilization rate is positively correlated with arc length and discharge energy of the lamp, negatively correlated with pressure. All bands of xenon lamp radiation have sterilization effects, with UV accounting for 87.7% in log value and the wavelength band less than 280 nm accounting for 64.6%. The AFM images show that pulsed xenon lamp changed the morphology and mechanical properties of Escherichia coli, hence the bacteria shrank, their surface roughness, elasticity, and adhesion increased.
To optimize the performance of the pulsed xenon lamp sterilization device, the influence of spectral range and specifications of lamps on the sterilization effect is studied based on a self-developed high-energy microsecond pulse power supply and xenon lamps with different specifications. The results show that in the UV-visible spectrum of a xenon lamp with an arc length of 50 mm and a pressure of 50 kPa, the UV accounts for 38.5% and the UVC accounts for 17.6%. Increasing the arc length and decreasing the pressure can both increase the spectral intensity, and the latter can also increase the ratio of UV. The xenon lamp with an arc length of 100 mm and a pressure of 50 kPa can basically inactivate all Escherichia coli in 3 s with a discharge energy of 20 J. The sterilization rate is positively correlated with arc length and discharge energy of the lamp, negatively correlated with pressure. All bands of xenon lamp radiation have sterilization effects, with UV accounting for 87.7% in log value and the wavelength band less than 280 nm accounting for 64.6%. The AFM images show that pulsed xenon lamp changed the morphology and mechanical properties of Escherichia coli, hence the bacteria shrank, their surface roughness, elasticity, and adhesion increased.

Email alert
RSS
