2024 Vol. 36, No. 8
- Cover and Contents
- High Power Laser Physics and Technology
- Inertial Confinement Fusion Physics and Technology
- High Power Microwave Technology
- Particle Beams and Accelerator Technology
- Pulsed Power Technology
- Nuclear Science and Engineering
- Advanced Interdisciplinary Science
- Special Column of 4th Symposium on Frontier of HPLPB
Aiming at the difficulty of fabricating large-area nanograting structures with femtosecond laser in one step, the direct writing method of femtosecond laser pulse using slit-spatial shaping is proposed in this paper. By conducting a study on the parameter dependence of nanograting structures on the single-crystal silicon surface with the processing system, the optimized conditions of incident shaping femtosecond laser—energy density of 8.00 μJ/cm2, scanning speed of 9 mm/s, and slit width of 0.40 mm—are obtained. By using SEM, AFM and other microscopic characterization methods, it is indicated that the fabricated nanograting structure has an extremely high width (41.20 μm), greatly improving the fabrication efficiency of large-area nanograting structures in one step. This study provides a certain reference for the current research on efficiency optimizing and performance enhancing of femtosecond laser direct writing systems.
In semiconductor laser self-mixing interferometry (SMI) for micro-displacement measurement, the precise extraction of phase information is essential for high-accuracy displacement reconstruction. However, measurement noise induces phase errors in the SMI signal, leading to suboptimal displacement reconstruction accuracy. To tackle the challenge of signal denoising, wavelet thresholding denoising algorithms can effectively filter out most of the noise. However, they suffer from local oscillation issues when applied to SMI signal denoising. This results in the appearance of new interference peaks in the denoised self-mixing interference signal, thereby causing erroneous displacement reconstruction. This paper proposes an SMI signal processing algorithm that synergistically combines wavelet thresholding and Savitzky-Golay (S-G) filtering. By incorporating the S-G filtering algorithm, the algorithm smooths out noise at phase jump points on a global scale, thus mitigating the local oscillation issues inherent in wavelet-only denoising. Experimental results of displacement reconstruction indicate that the proposed method successfully eliminates high-frequency noise at both amplitude and phase jump points. Consequently, the reconstructed displacement curve retains the original waveform characteristics of the vibrating object.
This study presents a conceptual design of a 200 MW laser Inertial Confinement Fusion (ICF) reactor blanket, referring to fusion reactor technologies. The blanket employs a dual-coolant structure consisting of supercritical CO2 (S-CO2) and liquid lead-lithium (PbLi). Transient and steady-state coupled models are established to calculate the temperature distribution and variations within the blanket. The implosion of the pellets is computed using MULTI-IFE. The nuclear heat coupling part is based on the Monte Carlo program OpenMC and self-programmed heat transfer models to calculate the blanket’s structure, cooling, and tritium production. The research findings indicate that the nuclear heat coupling model can complete preliminary calculations and analysis of the blanket. Periodic transient loads cause oscillations in the temperature of the first wall surface, but the temperature inside the blanket eventually converges to the steady-state calculation results. The reactor size significantly affects temperature reduction and oscillation effects, but it still requires xenon to flat radiation power peak. Both tritium production and energy export from the blanket are influenced by the reactor cavity size and the size of the breeding zone. Under the 200 MW operating conditions, it shows that a 3 m radius and a 0.25 m breeding zone size best meet the requirements.
It is significant for the design and production of detonators and other initiating explosive devices to study the variation law between high-pressure spark discharge characteristics and loading high pressure and spark gap. Taking the picosecond time-resolved streak camera and spectrometer as the core and the spark plasma generated by the high-voltage pulse power supply as the research object, a set of transient spectrum and scanning pyrometer systems was built. In the experiment, the two influencing factors of the tip gap and the two-pole voltage are considered. By collecting the transient spectrum of the spark generated by the high-voltage breakdown of the air at the tip, after processing and calibrating the data, combined with Plank’s blackbody radiation theory, the diagnosis of the transient spectrum and temperature of the discharge plasma is realized. The results show that under the same tip gap, with the increase of voltage, the emission spectrum of discharge plasma increases and reaches saturation in a specific voltage range. The transient temperature generated by the discharge shows an overall upward trend and usually gets a peak between 1.02−1.16 μs. When the tip voltage is 10 kV, the temperature can reach up to 16 617 K. In the case of the same voltage, as the gap increases, the emission spectrum of the discharge plasma first increases and then decreases, and the discharge temperature gradually drops in the overall trend.
As a suspension for military aircraft, missile has potential for being struck by lightning in special thunderstorm environments. To improve the lightning protection of airborne missiles, a simulation environment of military aircraft with missiles is built in CST software according to the testing methods in SAE ARP5416 standard. The lightning 1A zones are classified through electrostatic field simulation, and the indirect effects of lightning striking on this model are simulated under injection current method. Simulation results show that the head rear edge of missile (metal parts) and tail wing tip of missile are susceptible to initial attachment from lightning. When the head rear edge of the missile is attached by lightning, extremely harsh electromagnetic environment occurs at the radome, and the equipment in the cabin of carbon fiber reinforced plastic (CFRP) can be damaged owing to the strong electric field and the high voltage induced on cables. However, the electric field strength and induced voltage amplitudes on cables can be dropped in two orders of magnitude separately in the condition of aluminum plating inside the CFRP cabin.
Schottky mixer is the key component of terahertz receiving system. Compared with the receiver based on SIS (superconductor-insulator-superconductor) mixer and HEB (hot-electron bolometer) mixer, the terahertz receiver system constructed on the basis of Schottky diode mixer does not rely on low-temperature accessory equipment, and it has the advantages of low cost, light weight, small volume and low power consumption. At present, the structure of terahertz receiver front-end based on Schottky diode mixer is relatively complex. To solve the problems of complex structure, low integration and high loss of terahertz receiver front-end, a 288−318 GHz sub-harmonic mixer based on Schottky diode and its local oscillation channel is proposed. Accordingly, a terahertz receiver system based on this mixer is constructed. The terahertz receiver’s local oscillation channel consists of a 75 GHz sextupler, a power amplifier integrated module and a 150 GHz frequency doubler. The integrated design of the local oscillator channel makes the receiver integration greatly improved. The overall size of the integrated module is 20 mm×20 mm×43 mm. The final test of the receiver shows that: in the bandwidth of 288−318 GHz, the double sideband conversion loss of the receiver is 5.8−9.4 dB, and the noise temperature is 1 055−1 722 K, which has good RF performance.
A slotted waveguide array antenna operating at S band for transmitting high power microwave is developed in this paper. The profile height is reduced by arranging the coupling waveguide and feeding waveguide on same layout. The coupling slots with same offsets direction and the radiating slots arranged regularly compensate phase, which achieves in-phase superposition of pattern of slot units. The influence of different slot parameters and types of divider on power capacity of the antenna are simulated. 0.1 MPa SF6 gas is filled in the sealed antenna to enhance power-handling capability. The simulated and test results show that the antenna has a 6.7% bandwidth with VSWR less than 1.5 and a gain up to 27 dBi. Hot test of this antenna is carried out fed by narrow-band high power microwave source. The transmitted waveform and the output one agree well. The measured output power of the source is 2.67 MW.
Baluns with lumped parameters are compact and easily integrated, but they have limitations in terms of power handling and bandwidth. On the other hand, baluns with distributed parameters, such as coaxial baluns, are extensively utilized in the design of high-power irradiation antennas for differential feeding and impedance matching, owing to their wide bandwidth, low loss, and high power capacity. To address the engineering requirements of wideband high-power irradiation antennas in a specific experimental system, a coaxial balun with an impedance transformation ratio of 1∶2.25 loaded with a ferrite magnetic ring is designed and realised based on the coaxial balun design method with any non-integer impedance transformation ratio. Simulation and measurement results demonstrate that the balun operates within the frequency range of 0.01−1.30 GHz, with a phase imbalance within ±5° of 180° and an amplitude imbalance within ±1 dB. The insertion losses of both paths are below 1.5 dB. The electrical performance of the balun at 500 W power feed is simulated and analysed to verify its power capacity.
A 320 GHz balanced frequency tripler based on face-to-face differential configuration has been demonstrated without any on-chip capacitor. The proposed circuit could increase the power handling by a factor of two compared to the traditional balanced ones without any decline in efficiency. To improve the simulation accuracy under high dissipated power level, an accurate self-consistent electro-thermal model has been implemented using the symbolically defined device (SDD) component during the harmonic balance simulation. The fabricated tripler has proved that driven by powers ranging from 123 to 200 mW, the maximum output power and conversion efficiency can be 17.27 mW and 8.8% at 309.6 GHz, respectively. Moreover, the tripler reaches a peak output power of 27.33 mW with 7.2% conversion efficiency when driven from 305 to 384 mW. This configuration manifests a prospective solution for high-power multipliers, facilitating the application in various fields such as terahertz high-speed communication, radar imaging, and astronomical observation in the future.
This paper presents a cascaded broadband choke device, which can prevent microwave leakage by a transmission shaft in the waveguide. Utilizing the principle of impedance transformation, the bandwidth attributes of the cascaded broadband choke device are examined. It is discerned that augmenting the quantity of dielectric slices can enhance the bandwidth of the choke device. Furthermore, based on the principle of equivalent wavelength, escalating the dielectric constant of the dielectric slice can effectively reduce the choke device’s volume. An electromagnetic simulation software is employed to establish a model of a double-layer choke structure. This model is then used to simulate and analyze the impact of variables such as the number of dielectric slices, dielectric constant, and size on the choke structure’s performance. The simulation outcomes indicate that at a working frequency of 10 GHz, the leakage loss of the double-layer choke structure is less than −40 dB within a bandwidth range of 9.70−10.82 GHz, achieving a relative bandwidth of 8.2%. A simplified simulation model is subsequently utilized for physical fabrication and testing. The experimental findings not only corroborate the accuracy of the simulation results but also affirm the low-loss and wide-bandwidth characteristics of the proposed choke structure.
Scintillator array is composed of a large number of independent crystal columns, which limit the diffusion of visible light in the conversion screen, can improve the X-ray conversion efficiency while ensuring the radiography system to have higher spatial resolution, thus it is an important device in high-energy flash radiography system. There are inconsistency response in the received image due to the different conversion coefficients among the crystal columns of the scintillator array. Only by correcting the inconsistency response can the image be interpreted effectively. In this paper, the correction method of inconsistency response in experimental images is studied. Firstly, the empty field image is obtained by flat plate radiography, then the dark current background and impulse noise are deducted from the experimental image and the empty field image, and finally the pixel division operation is carried out between the experimental image and the empty field image. Aiming at the mismatch between the empty field image and the experimental image in strong vibration environment, a method of shifting the empty field image is proposed to realize the re-matching between the empty field image and the experimental image, and the standard deviation data of the corrected image is used to judge the matching between the two images. Experimental results show that the shifted empty field image can correct the inconsistency response of array screen image in strong vibration environment.
This paper presents the development of superconducting longitudinal gradient bend prototype for Hefei Advanced Light Facility storage ring. The magnet structure parameters were optimized using a developed method that considered the requirements of spatial magnetic field distribution and magnet operating load. To verify the magnet design, a prototype magnet with a longitudinal length of 0.30 m and a pole gap of 46 mm was fabricated using a rectangular niobium-titanium wire and DT4C material. A simple low-temperature test device was built to measure the magnetizing characteristics of the magnet, and after more than 10 times of quench, the maximum operating current of the magnet was measured to be more than 275 A. The longitudinal magnetic field distribution of the magnet was measured, revealing an integral field of 0.4 T·m and a peak magnetic field of approximately 4.5 T at an operating current of about 196 A. The test results are basically consistent with the theoretical design, indicating that the design is reliable.
A linear timing system was designed for the linear injector of harbin institution of Technology’s space environment simulation and research infrastructure (SESRI) -300 MeV proton and heavy ion accelerator. The linear timing system provides precise timing trigger signals for linear accelerator chopper system with pulse operation mode, low-level RF control system, beam current diagnostic and feedback system to meet the demands of physical beam tuning. The system hardware, based on Field Programmable Gate Array (FPGA), realizes precise timing control of related equipment of linear timing system in internal trigger mode and external trigger mode, as well as the control and safety interlock of chopper. The hardware can realize optical signal communication, W5300 Ethernet communication, multiple relay outputs and multiple synchronized trigger signals with precise timing outputs. At the same time, the use of optical signal communication module will facilitate the cascade of systems and system scalability, which can meet the large-scale needs of linear gas pedal timing system. The user high level software is developed based on the distributed architecture of EPICS (Experimental Physics and Industrial Control System). The linear timing system has been successfully used in SESRI-300 MeV and SSC-LINAC of Institute of Modern Physics (IMP), and has operated stably and reliably for a long period of time without any failure.
For particle accelerators, ground deformation can cause beam distortion or even loss, thus it is necessary to study ground deformation in particle accelerator field. After constructing two parallelly distributed hydrostatic leveling systems consisting of 7 static leveling sensors spaced 10 m apart in the Hefei Light Source’s linear accelerator tunnel successively, we analyzed a total of three periods’ monitoring data collected by the two systems for a period length of half a month. We found the linear relationship in the ATL model and obtained the constant values of the ATL model separately, and discover the correlation between the model constant and seasons’ temperature. Finally, through data comparison, it was found that the periodic components in the relative motion of ground points were mainly affected by the Earth tide.
A highly precise low-level radio-frequency (LLRF) system for a 1.3 GHz continuous-wave (CW) superconducting radio-frequency (RF) cavity is required to stabilize the electromagnetic field of cavities. However, because of the high loaded quality factor and wide electromagnetic frequency band of the 1.3 GHz CW RF cavity, the RF cavity has a small electromagnetic bandwidth in the frequency domain. The small electromagnetic frequency mismatch between the RF power source and RF cavity can easily cause ponderomotive instabilities in the generator driven resonator control system, eventually resulting in variations in the electromagnetic field of the cavity. In this study, a self-excited loop (SEL) control system was developed to prevent the occurrence of ponderomotive instabilities and compensate for the effects of microphonics noise. In addition, a digital 1.3 GHz RF cavity simulator, which can easily verify the designed algorithms of the LLRF system, was developed. The recorded measurements show that the SEL control system can ensure stability of the cavity field even when the RF cavity is detuned by 5 Hz. The comparison and validation have verified that the cavity simulator is a reliable platform to test the new algorithms.
In this paper, the photovoltaic (PV) power prediction model is optimized according to the characteristics of PV output units in distributed energy industrial parks to provide data support for the subsequent dispatching strategy. The EMD-SARIMA forecasting model is a combination of Empirical Mode Decomposition (EMD) and Seasonal Autoregressive Integrated Moving Average (SARIMA). In the model, the problem of determining the period of each IMF component of the signal component is proposed, the period T calculation method incorporating fast Fourier transform (FFT) is proposed, and the obtained period is fed into SARIMA as an input parameter together with the IMF sequence for prediction, which constitutes the EMD-FFT-SARIMA prediction model. Then, the prediction results corresponding to each IMF are superimposed and reconstructed to obtain the final prediction results. The error calculation of the prediction results reveals that the root mean square error (RMSE) decreases from 120.6 MW to 19.3 MW, and the mean absolute error (MAE) decreases from 52.87 MW to 12.3 MW.
A drive circuit for solid-state high-voltage Marx pulser generator is designed, and the output side of the drive circuit adopts energy storage capacitor and P-N-MOS structure, which can complete the synchronization, fast turning on and turnin off control of the power MOSFET in the power circuit of the solid-state pulse generator, and has the functions of dead-time adjustment and negative voltage bias. In addition, the drive circuit is combined with the scheme of reverse wiring on the secondary side of the core-piercing magnetic ring to realize the control of two power MOSFETs of charging and discharging in the power loop using the same signal. Experiments show that the solid-state Marx pulse generator using this drive circuit can output a pulse square wave with a stable amplitude of 24 kV, and the output pulse width can be freely adjusted between 300 ns and 10 μs, and the rising and falling edges are within 40 ns.
To determine the alarm threshold for criticality accident alarm systems (CAASs) used in facility monitoring, it is necessary to select appropriate benchmark experiments for validation. This paper constructs a simplified model and a representative virtual equipment room model, taking into consideration the characteristics of CAASs in the equipment room. The functionality of calculating sensitivity coefficients using the differential operator sampling approach in the Monte Carlo code RMC was implemented to solve the fixed source problem. Following that, a sensitivity and uncertainty analysis was conducted to examine the similarities between systems and explore the factors influencing them. The results indicate that the neutron source term spectrum and the concrete material significantly affect the similarity between systems. Additionally, the thickness of the concrete between the detector and the inner wall has a moderate influence on similarity, whereas the geometric position of the source term has a negligible impact. The impact of the spent fuel composition on similarity can be neglected. Based on the similarity analysis procedure proposed in this study, it is concluded that the simplified model exhibits a relatively high similarity to the virtual equipment room model. Hence, the research conclusions based on the simplified model are applicable to the virtual equipment room model, offering valuable insights for similarity studies of CAASs in engineering.
In this paper, to address the problem that the single-object tracking algorithm of Siamese fully convolutional networks cannot extract the high-level semantic features of the object and cannot focus on and learn the channel, spatial and coordinate features of the object at one time, which leads to degradation of the tracking performance and tracking failures when faced with the challenges of the object's deformation, attitude changes, and background interference in a complex scenario, we propose a single-object tracking algorithm for Siamese networks based on the multiple-attention mechanism and response fusion. In this algorithm, three modules, namely, the backbone feature extraction network with small convolutional kernel fused with jump-layer connected features, the improved attention mechanism, and the response fusion operation after convolutional inter-correlation are designed to enhance the tracking performance of this algorithm, and the effectiveness of these three modules is verified by ablation experiments. Finally, after testing on the OTB100 benchmark dataset, the tracking accuracy reaches 0.825, and the tracking success rate reaches 0.618. Meanwhile, compared with other advanced algorithms, it shows that the algorithm not only can effectively cope with the problem of decreasing performance of object tracking algorithms in complex scenarios, but also can further improve the tracking accuracy under the premise of guaranteeing the tracking speed.
Ion thruster is one of the widely used electric thrusters in space and space missions. The grid plays the role in extracting ions and accelerating them to achieve thrust, directly affecting the performance and lifespan of the thruster. Compared to traditional molybdenum grids, carbon based grids have advantages such as low thermal expansion coefficient and resistance to ion sputtering, making them ideal candidate materials for high specific impulse, high thrust, and long-life ion thruster. They have been successfully applied in orbit by some advanced ion thrusters abroad. This review analyzes and compares the characteristics of different grid materials, investigates and summarizes the development process and technical characteristics of carbon based grids at home and abroad, and reports the authors' recent progress in the development of small caliber, different configurations C/C grids, and integrated C/C grids. Finally, based on the development trend of ion propulsion in China, the review summarizes experiences and puts forward suggestions for subsequent carbon based grid research.
Aiming at the displacement measurement problem of two-dimensional high-frequency motion of two-axis piezoelectric shear stacks driven by high-frequency voltage, a method for measuring the displacement of piezoelectric shear stacks by using the machining trajectories of atomic force microscope (AFM) probe in tapping mode was proposed. Firstly, the thermoplastic polymer polymethyl methacrylate (PMMA) film was prepared, and then the AFM probe tapping experiment was carried out. By scanning the processing trajectory of the AFM probe and post-processing it, the two-dimensional high-frequency motion displacement of the piezoelectric shear stack was successfully obtained. Accurate detection of two-dimensional high-frequency complex motion of piezoelectric shear stacks in a semi-contact manner is realized. Based on the experimental data, the variation of the two-dimensional motion displacement of the piezoelectric shear stack with the voltage amplitude and frequency is analyzed.
The high-efficiency mutual coupling phase locking of magnetron provides an effective technical solution for high-efficiency and high-power arrays based on electric vacuum oscillators. The introduction of the mutual coupling structure makes the mutual coupling magnetron establish a new resonant mode sequence, in which the mode satisfying the high-efficiency phase-locking of the mutual coupling magnetron is the desired phase-locking mode. However, the phase-locked mode is susceptible to the interference of adjacent modes in the mode sequence, resulting in unstable operation. In this paper, a method of regulating the mode distribution by combining the equivalent circuit with the eigenmode analysis is proposed. By regulating the frequency separation of the mode, the phase-locked mode can work in a single mode. At the same time, the matching resonance conditions of the magnetron working mode and the coupling field of the mutual coupling structure are established to realize efficient mutual coupling phase locking of the magnetron. To verify the effectiveness of the method, an efficient mutual coupling model based on S-band MW-level magnetron is designed, and the particle simulation of the phase-locked mode operating characteristics is carried out. The simulation results show that the mutual coupling model can work stably in the high-efficiency phase-locking modes: 0 phase difference mode and π phase difference mode. The locking frequency is about 2.545 GHz, which is close to the free oscillation frequency of the magnetron single tube. The output power of each magnetron is close to the output power of a single tube in free operation. The electronic efficiency is almost the same as that of a single tube, and the mutual coupling phase-locking efficiency reaches 99%, achieving high-efficiency phase-locking.
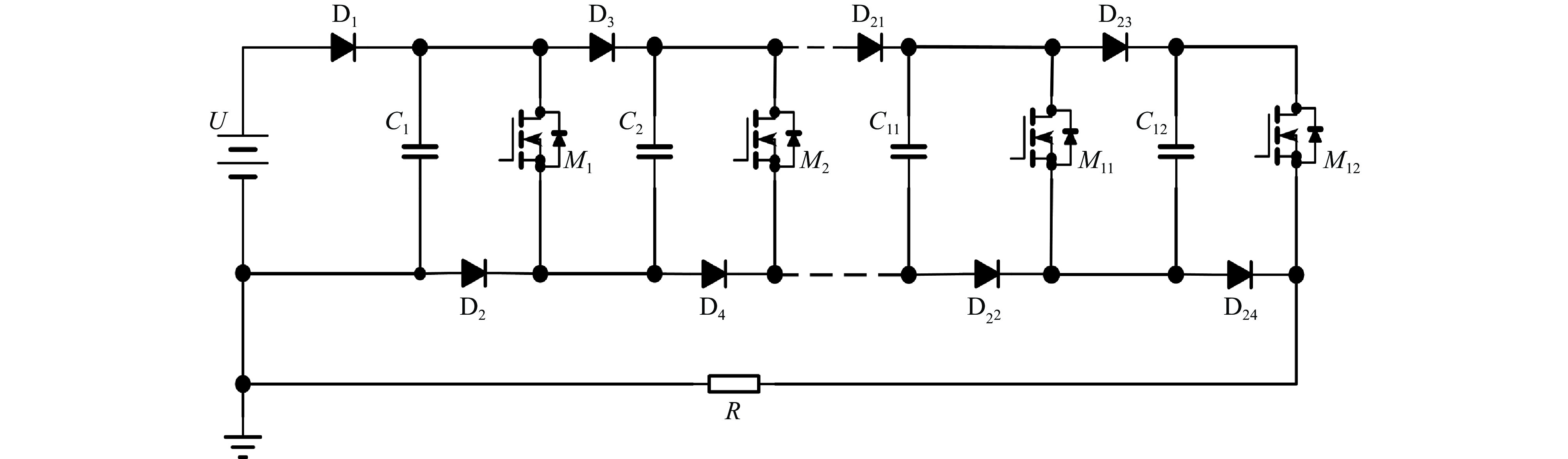
For requirement of quantity transmission in broadband measurement system, a unipolar rectangular pulse source is designed to realize 10 kV rectangular wave pulse output with MOSFET as the core component based on Marx circuit. The modular and miniaturization of the pulse generator is realized by using the stack structure to build the 12-stage prototype. The experimental results show that when the input voltage is 850 V, the proposed pulse source can generate a fast output pulse with 10 kV maximum voltage, rise time less than 100 ns, 200 μs pulse width under the capacitive load below 300 pF. The power supply can be used in rectangular wave response performance test of broadband measuring equipment or pulse power related applications.
 
		         
					
 Email alert
Email alert RSS
RSS 
				  
	
	