2021年 33卷 第4期
针对溶胶-凝胶技术制的单层SiO2化学膜,在室温下研究氨水-六甲基二硅胺烷(HMDS)气氛的量对膜层改性的影响,并在低真空条件下测试了其抗邻苯二甲酸二丁酯(DBP)污染性能。采用紫外-可见-近红外分光光度计(UV-Vis-NIR)、红外光谱仪和原子力显微镜分析了改性前后化学膜特性的演变。研究结果表明:经过DBP污染后,15~30 mL氨水-HMDS改性后化学膜的峰值透过率为99.8%,较改性前化学膜的峰值透过率提升了3.5%,此时化学膜表现出优异的抗污染特性。但是,随着氨水-HMDS处理量的进一步增多,化学膜的激光损伤阈值由改性前的的24.32 J/cm2降到19.36 J/cm2。本研究有助于优化改性参数,以提高化学膜的抗污染性能,在实际工程应用中具有重要的价值。
基于适用于整个克努森数范围的流动理论,建立了去除惯性约束聚变实验中靶丸内空气的理论模型,并设计实验验证了此模型的可靠性。物理实验要求靶丸内空气浓度低于10×10−6,数值模拟了去除靶丸内空气的过程,重点分析了靶丸内空气浓度、压力与除气时间的关系。计算并比较了单管路一次抽气法、单管路循环抽气法与双管路流洗法三种去除靶丸内空气方法的时间成本。数值计算结果表明:单管路一次抽气法中,靶丸上的微通道的存在对去除靶丸内空气所需时间的影响不可忽略,在考虑靶丸上微通道与充气管的情况下,需要1961.77 h才能使靶丸内的空气浓度达到标准。单管路循环抽气法中,抽气次数与单次抽气程度会影响去除靶丸内空气所需总时间,在单次抽气程度值取最优的情况下,采用充三次,抽四次的方案可使达标总时间减少至1 h左右,此方案下单次充气和抽气时间分别为6 min和10 min。而采用双管路流洗法则仅需11 min便可使靶丸内空气浓度达标。
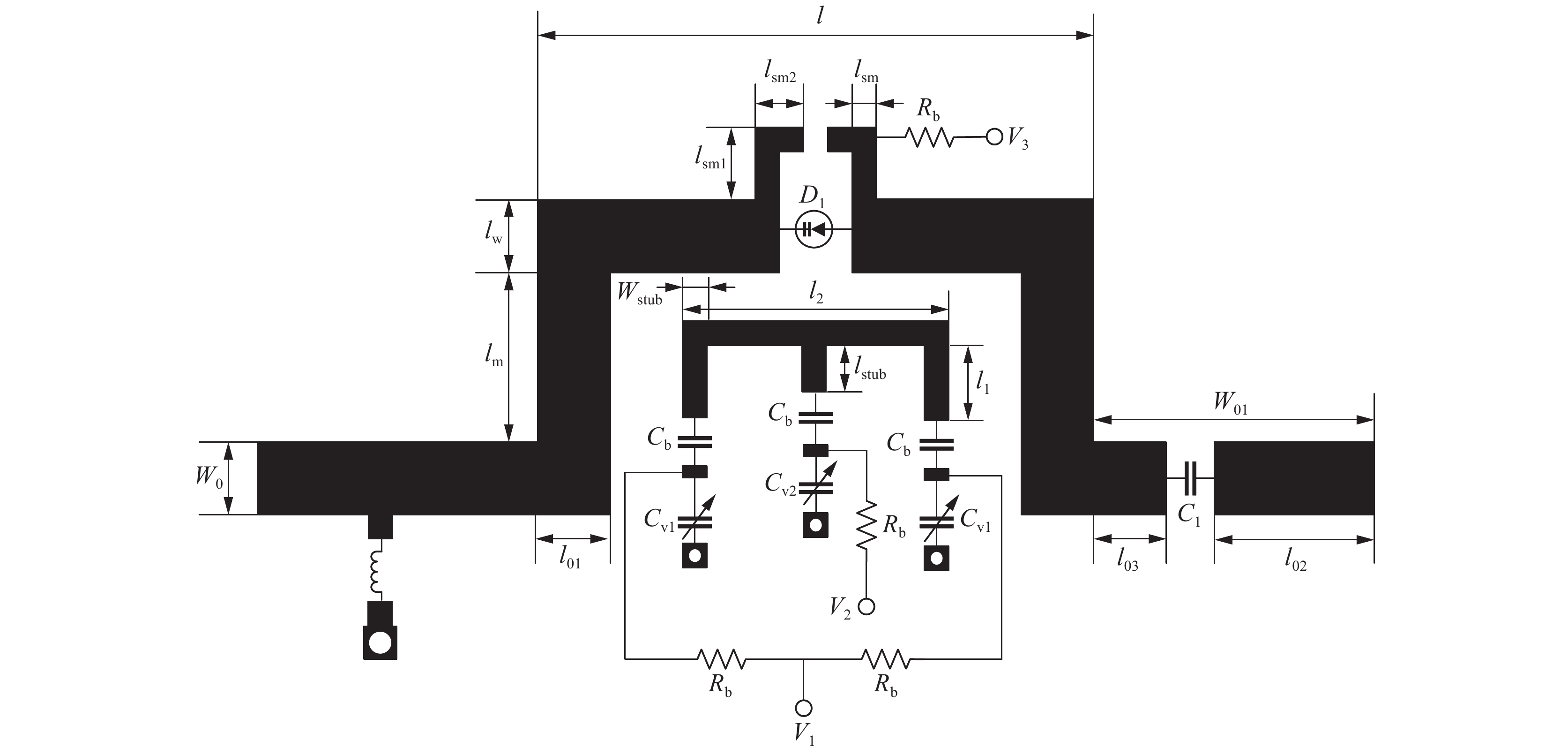
设计了一种高选择性可调带通与带阻可切换微带滤波器。在微带谐振器及枝节末端加载变容二极管实现中心频率的可调;在输入与输出端口馈线之间,利用PIN二极管实现滤波器阻带和通带特性的切换。采用奇偶模的方法对滤波器结构进行分析,通过对奇偶模频率的调节实现了频率调节过程中的恒定绝对带宽。同时,在输入与输出馈线间引入源与负载耦合,使得频带两侧各有一个传输零点,且传输零点在整个频率调谐范围内相对位置几乎不变。因此,在整个频率调节范围内,滤波器实现了高选择性及良好的带外抑制能力。最终设计出的可调带阻滤波器的频率调谐范围为5.58~5.89 GHz,绝对带宽80 MHz±5 MHz,阻带衰减优于14 dB;可调带通滤波器的频率调谐范围为5.42~5.79 GHz,绝对带宽120 MHz±5 MHz,插入损耗1.69~2.25 dB,回波损耗优于13 dB。同时,该滤波器具有0.28λg×0.62λg(λg是可调频率范围中心频率的波长)的紧凑结构尺寸。实验和仿真结果一致性较好。
提出了一种使用散射方向图的动态可重构以实现雷达散射截面增强的捷变设计方法。结合变容二极管加载,使用具有嵌入式偏置回路的物理单元,所提出的有源超表面可以在具有梯度电压的外加直流偏置下,对平面电磁波的正入射或斜入射产生可电调的反射系数相位分布,以达到对反射波角度的灵活重定向,进而有助于单站或双站雷达散射截面增强的捷变效果。以导电平板为例,对三种不同的入射反射场景进行了计算与全波仿真,在设计频率10 GHz处,所提出的设计产生了可重构的散射方向图,表明了该设计对反射波角度的实时控制,并结合实验测量验证了单站与双站雷达散射截面的有效增强结果。
线性化器是毫米波通信系统中的关键器件,在改善放大器的线性指标及提高通信质量等方面起着至关重要的作用。现阶段国内行波管放大器(TWTA)线性化技术尚不完善,无法满足通信技术发展的应用需求,因此线性化技术的研究刻不容缓。本文提出了一种新的宽频带模拟预失真线性化器结构,用来改善Ka波段TWTA的非线性特性。仿真结果表明,在26~30 GHz频率范围内,输入功率为−20~10 dBm,线性化器的增益扩张≥5.08 dB,相位扩张≥64.81 °。将线性化器与TWTA进行级联测试,中心频率的增益压缩≤3.12 dB,相位压缩≤2.31 °,三阶互调(IMD3)显著提高。
核电磁脉冲和高功率微波等强电磁脉冲易造成电子设备功能失效甚至损毁,在实际工程实施中用金属腔体对电子设备进行屏蔽是常用的强电磁脉冲抑制手段。基于电磁仿真计算,对含矩形孔缝金属腔体的强电磁脉冲耦合特性进行了系统研究,阐述了孔缝宽长比、腔体尺寸等因素对多种不同类型强电磁脉冲(核电磁脉冲、宽带高功率微波、窄带高功率微波)作用下腔体内耦合场的影响;并以此为基础,重点分析了强电磁脉冲与含孔缝金属腔体之间的作用机制。研究结果表明:不同类型强电磁脉冲耦合信号差异明显,金属腔体对强电磁脉冲的响应是腔体谐振模式、孔缝谐振频率与强电磁脉冲共同作用的结果;当腔体谐振模式、孔缝谐振频率在强电磁脉冲的带内时,腔体内部的耦合场会出现增强效应;特别地,腔体与孔缝间的相互作用还可造成腔体与缝隙的谐振频率发生偏移。因此,在为电子设备设计金属屏蔽外壳时,应基于不同强电磁脉冲的频带范围,对腔体与孔缝的尺寸进行综合设计,抑制腔体、孔缝谐振及谐振频率偏移,提升其强电磁脉冲防护性能。
测量了9.5 m高的水平极化有界波电磁脉冲模拟器的内部场,并根据实验测量结果分析了该模拟器内场分布特性,包括一定区域内场均匀性的定量分析及模拟器内部有效测试空间的确定方法,进而对最低位置为距离地面2 m的有效测试空间进行了预估。实验结果表明:位于该模拟器双锥中心正下方且距离该中心5.5~7.5 m的测点场的峰值基本按照测点与双锥中心间距的倒数衰减,且随着测点与双锥中心间距的增大,因锥与极板不连续结构导致的波形变化在时间轴上滞后,而因地面影响导致的波形变化在时间轴上提前;在距离地面比较高的水平面上,两极板之间场的外泄方向场的衰减比双锥中轴线方向场的衰减更慢;该模拟器内部距离地面2 m的水平面上12 m×12 m的区域内所取测点的归一化场平均峰值约为0.678,归一化场平均峰值的标准偏差约为0.068 9,场的均匀性约为2.039 dB。
合肥光源(HLS-II)是以真空紫外和软X射线为主的专用同步辐射光源,作为用户装置,对运行性能有很高的要求。为提高数据查询的实时性与便捷性,满足工作人员及时掌握装置运行状态的需求,基于Web技术开发了HLS-II移动端数据查询系统。该系统在EPICS环境下进行开发,以IOC作为实时数据源,以HBase数据库作为历史数据源,以Phoebus Alarms作为报警数据源,以MySQL数据库存储用户管理信息。整个系统采用前后端分离的模式进行设计,系统后端采用Spring Boot框架和Node.js环境进行开发;系统前端以Vue.js框架开发,使用lib-flexible弹性布局方案和postcss-pxtorem插件,以适配不同种类的移动设备。测试表明,HLS-II移动端数据查询系统信息更新流畅,操作直观方便,达到了设计要求。
利用遗传算法较强的鲁棒性以及FPGA在并行计算方面的巨大优势,以中国加速器驱动次临界系统(C-ADS)注入器II的第四个超导加速组元(CM4)为例,开发了超导腔失效在线补偿FPGA程序,并使用束流动力学软件TRACEWIN对FPGA计算结果的可靠性进行验证。然后将其封装为IP核,以更通用的形式在嵌入式Linux系统中使用;同时,针对未来超导腔失效补偿系统的独立性、低延时的要求,应用MicroBlaze软核处理器编译了Linux系统和EPICS组件,在搭建的仿真通讯环境中验证了超导腔失效补偿系统的通信功能。
在上海光源二期升级改造过程中,为了解和追踪由阻抗引起的多束团不稳定性变化以及升级后的横向反馈系统对这种不稳定性的抑制效果,在机器研究中利用新反馈处理器的诊断工具记录了束流不同状态下的横向运动过程,分析得到了最主要的横向多束团不稳定模式在束流稳态、注入瞬态以及增长-衰减过程中的变化情况,评估了横向反馈的作用效果,计算出该模式增长率/阻尼率以及增长率与束流的依赖关系。
为突破传统束流堆积方式瓶颈、提高重离子流强,兰州重离子加速器冷却储存实验环(HIRFL-CSRe)将采用移动式脉冲堆积方案(Moving Barrier Bucket)。该方案要求高频系统能产生高精度的单正弦电压,然而由于Barrier Bucket(BB)电压的宽带特性以及高频系统的非线性,高频腔内的BB电压存在着严重的失真问题。针对此问题,在全面分析了BB电压波形特性以及高频系统的频率响应的基础上,设计了BB电压预失真前馈控制方案,并详细描述了该方案的原理、仿真、软硬件设计以及实际测试结果。研究成果将应用于HIRFL-CSRe的BB束流堆积实验以及十二五强流重离子加速器(HIAF)的BB堆积模式。
高能同步辐射光源的增强器将直线加速器注入的束流加速到储存环所需的能量,为储存环提供高品质的电子束。为了对增强器的束流横向截面尺寸、发射度及能散进行测量,设计了两条可见光-紫外波段的束测光束线。两条光束线分别选取无色散和色散较大的两处弯铁位置作为光源点,使用两套同步光成像系统来监测光源点的束流截面尺寸,并计算束流发射度及能散。介绍了同步光引出真空室及光学成像系统,对影响成像质量的空间分辨率进行了分析,并针对升能过程中不同能量下束流光斑变化的测量进行了设计。
从热稳定性和振动稳定性两个角度出发,优化设计得到了超高稳定的刚性支撑架结构;通过ANSYS有限元模态分析,验证了结构的热膨胀变化量和特征频率;采用混凝土二次灌浆方法对支撑架进行地面固定和特征频率测试,结果表明,支撑架结构的特征频率达到61.9 Hz、振动幅值小于30 nm,均满足设计要求。最后采用动态刚度测试方法,得到混凝土二次灌浆层的主要刚度值,进一步验证支撑架结构优化结果的准确性。
通过针孔成像法得到X光源强度空间分布图像,直接读取图像数据得到X光源的半高宽焦斑(FWHM)尺寸,对图像数据进行傅里叶变换得到调制传递函数,并计算得到X光源的等效焦斑尺寸(50%MTF)。应用针孔成像法测量多脉冲电子直线感应加速器产生的X光源焦斑尺寸,测量结果表明,加速器性能稳定。定义焦斑形状因子参数并用于描述X光源分布,结果表明,该加速器X光源分布在高斯分布和本涅特分布之间变化。
为了能在中国散裂中子源(CSNS)加速器的部分故障发生前发出预警信息,利用深度学习建立了基于CSNS加速器真空度和漂移管直线加速器(DTL)温度的特征模型,开发了一套CSNS加速器预警系统样机。该样机基于实验物理及工业控制系统(EPICS)架构搭建,主要由训练、识别和信息发布3部分组成,采用Python进行程序设计开发,实现了训练样本获取、深度学习网络设计和训练、在线识别和信息发布等功能。测试结果表明,该样机对基于CSNS加速器真空度和DTL温度历史数据生成的测试集的准确率达98.4%,且能根据实时数据识别出CSNS加速器真空度和DTL温度的异常,并能发出预警信息,证明了其可行性和有效性。
高重复频率、高平均流强的电子枪具有十分广泛的应用。设计了一台束团重复频率为325 MHz在CW模式工作的微波栅控高压型热阴极电子枪,并详细论述了该类型微波栅控电子枪的实验原理。在该类型电子枪的设计中,首先需要利用仿真模拟软件EGUN、POISSON(PoissonSuperfish)、GPT(General Particle Tracer)完成300 kV直流高压电子枪的结构设计,并进行束流动力学验证计算。为将微波馈入该直流电子枪的阴栅极之间,进行了该微波栅控电子枪的供电系统设计,完成了从射频功率源到同轴热阴极的阻抗匹配方案,设计了一种325 MHz双模式同轴供电器件,并进行了验证与分析。
磁驱动准等熵加载技术通过电流产生的磁压力加载材料,加载路径由负载电流波形和负载结构决定。作为应变率介于静高压加载和冲击加载之间的新型实验技术,熵增小、温升低。10 MA装置是典型的多支路汇流装置,包括24个电流支路,可在较大范围内控制负载电流波形,实现mm厚、cm直径样品在不同应变率下的准等熵加载。基于10 MA装置,通过调节负载电流波形实现样品加载路径控制,在一定压力-应变率范围,开展金属钽的强度实验研究,获取了不同厚度金属钽样品的加-卸载波剖面速度历史,分析获得了钽在系列峰值压力下的强度数据,比较了多个加载平台不同加载路径下的强度数据,实验结果与美国圣地亚国家实验室的磁驱动准等熵结果接近(平均应变率都约为105 s−1),明显高于冲击加载的流动强度,低于准静态加载获取的流动强度,与应变率增高强度会有所下降的理论预测一致。基于多支路汇流装置,未来将可开展更为丰富的材料动力学特性实验研究。
晶闸管具有控制特性好,寿命长、体积小、噪声小等优点,是高功率脉冲电源的重要器件。但晶闸管在高电压、大电流、重频工作条件下使用时,会出现晶闸管无法在特定时间内关断的情况,导致脉冲电源出现故障。为提高晶闸管在重频下的工作能力,本文对脉冲功率晶闸管组件的关断过程进行研究。基于晶闸管的关断原理和实验分析,在相同
为了进一步推广固态Marx发生器的应用,实现输出脉冲波形的直观显示,提高电压调节精度,缩短充电调压时间,有必要对固态Marx发生器的自动控制进行研究。以现场可编译门阵列(FPGA)作为控制器,将输出电压、频率、脉宽、过电流阈值等参数以及故障检测及指示直接显示在液晶屏上,实现可视化设置和调节,在固态Marx发生器的输出端并联分压电路和高速数模转换电路,对输出的高压脉冲采样,一方面用于闭环PID控制实现分段式快速充电和输出电压精准化调节,另一方面用于在虚拟示波器中实时显示输出脉冲电压的基本波形。此外,在电路中加入了故障检测和保护机制,迅速检测电路中出现的过温、过电流等故障并对其及时停机响应以保护脉冲电源和操作人员安全。在20级的固态方波Marx发生器样机中产生的重复频率方波脉冲电压波形表明,该样机已经初步实现自动化控制,并能可靠运行。
利用BaF2晶体对γ射线探测效率高、时间分辨率好的特点,研制了国内首套由40个BaF2探测器单元组成的γ全吸收型探测装置,用于在线测量中子俘获反应截面。在HI-13串列加速器上建立250~850 keV的中子源,其0°角的源强约为5.09×106 n/(Sr·s),使用γ全吸收型探测装置,通过瞬发γ射线法测量了93Nb、197Au、natC和空样品的实验数据。根据BaF2探测器信号的特征,采用了基线补偿、软件阈值设置、时间窗限定、脉冲幅度积分增长率设置和快慢成分比设置等多种数字化波形分析方法,剔除噪声信号以提高效应本底比。以197Au样品数据为标准,natC样品数据为样品相关性本底,空样品数据为样品无关性本底,采用相对测量法得到了93Nb的中子俘获反应截面实验数据。通过与ENDF评价库数据的比较,验证了测量装置和技术方法的可行性。
针对伽玛射线个人剂量计基于标准伽玛参考辐射进行校准时检定效率低、校准工作复杂和需要远程送检的关键技术问题,建构了1 Ci 137Cs放射源小尺度参考辐射场物理模型,采用蒙特卡罗方法,研究了小尺度参考辐射场内的剂量分布、装置结构和待检剂量计变化导致散射射线对剂量场的影响,获得了待检剂量计形状、数量、类型和装置结构产生的散射伽玛射线对小尺度参考辐射量值定度的影响结果。研究结果表明,1 Ci 137Cs可以为小尺度参考辐射辐射场检验点提供1.5 mSv/h的伽玛遂行剂量率,辐照个人剂量计载台直径30 cm束斑上的剂量率相对标准偏差约为0.48%。当载台厚度为20 mm时,散射射线对小尺度参考辐射检验点处剂量率值的影响率为3.27%,高于剂量计尺寸(1.62%)和剂量计数量(0.56%)的影响。

Email alert
RSS
