最新录用
显示方式:
, 最新更新时间 , doi: 10.11884/HPLPB202638.260019
摘要:
高精度多层膜器件是开展多维度、高分辨激光惯性约束聚变(ICF)X射线诊断的核心元件。针对激光聚变热斑高质量观测需求,开展了X射线多层膜诊断成像器件的研究,包括Kirkpatrick-Baez(KB)反射镜、离轴非球面反射镜和Wolter型显微元件。提出了基于多通道KB反射镜的高分辨自发光与背发光诊断数据同步测量方法,经测试系统空间分辨率优于5 μm。发展了高精度拼接检测和离子束加工一体化的非球面反射镜制造工艺,经过离子束修正后50 mm反射镜面型残差达1.56 nm(RMS),粗糙度优于0.3 nm。建立了Wolter型显微元件设计、检测、抛光和多层膜镀制的全流程制作方法。上述器件与系统技术的研究为我国ICF实验等离子体诊断提供了有力的支撑。
高精度多层膜器件是开展多维度、高分辨激光惯性约束聚变(ICF)X射线诊断的核心元件。针对激光聚变热斑高质量观测需求,开展了X射线多层膜诊断成像器件的研究,包括Kirkpatrick-Baez(KB)反射镜、离轴非球面反射镜和Wolter型显微元件。提出了基于多通道KB反射镜的高分辨自发光与背发光诊断数据同步测量方法,经测试系统空间分辨率优于5 μm。发展了高精度拼接检测和离子束加工一体化的非球面反射镜制造工艺,经过离子束修正后50 mm反射镜面型残差达1.56 nm(RMS),粗糙度优于0.3 nm。建立了Wolter型显微元件设计、检测、抛光和多层膜镀制的全流程制作方法。上述器件与系统技术的研究为我国ICF实验等离子体诊断提供了有力的支撑。
, 最新更新时间 , doi: 10.11884/HPLPB202638.250392
摘要:
研制了一种基于氟化铅(PbF2)光窗、微通道板(MCP)、锥形阳极集成的超快响应光电倍增管。PbF2晶体以其超快的契伦科夫辐射为主导的发光机理,成为实现皮秒级时间分辨的理想闪烁体与光窗材料[12]。在制备方法上,为保护氟化铅晶体及避免氟化铅晶体高膨胀系数带来的高温膜层失效,采用蒸镀过渡膜层的方式,在样管密封上后端采用激光焊接、前端采用热压铟封的方式进行整管密接,最终制备出性能可测的氟化铅超快响应光电倍增管产品。同时对其进行了性能评估和数据分析,其量子效率、增益、上升时间等核心指标与常规快时间响应微通道板型光电倍增管性能基本相当,具备较高的光电转换效率、超快的时间响应、较高的二次电子倍增能力,为后续超快探测领域提供试验基础。
研制了一种基于氟化铅(PbF2)光窗、微通道板(MCP)、锥形阳极集成的超快响应光电倍增管。PbF2晶体以其超快的契伦科夫辐射为主导的发光机理,成为实现皮秒级时间分辨的理想闪烁体与光窗材料[12]。在制备方法上,为保护氟化铅晶体及避免氟化铅晶体高膨胀系数带来的高温膜层失效,采用蒸镀过渡膜层的方式,在样管密封上后端采用激光焊接、前端采用热压铟封的方式进行整管密接,最终制备出性能可测的氟化铅超快响应光电倍增管产品。同时对其进行了性能评估和数据分析,其量子效率、增益、上升时间等核心指标与常规快时间响应微通道板型光电倍增管性能基本相当,具备较高的光电转换效率、超快的时间响应、较高的二次电子倍增能力,为后续超快探测领域提供试验基础。
, 最新更新时间 , doi: 10.11884/HPLPB202638.250497
摘要:
极弱磁场测量,如生命科学中使用的磁测量,需要近零磁环境,一般由高磁导率材料构成的磁屏蔽室提供。磁屏蔽室的性能可以通过消磁技术改善。常规的交流衰减消磁无法通过磁化状态评估快速确定并优化消磁参数;相较而言,脉冲消磁能通过磁链的测量和控制直接反映磁化状态。本研究提出了一种适用于磁屏蔽室消磁平衡的通量控制脉冲消磁方法,以实现消磁过程的精确调控。首先考虑损耗及环境磁场作用建立消磁等效电路模型,并引入磁链偏移量以修正控制参数;在此基础上测量磁屏蔽材料的磁性能,并建立磁屏蔽室的有限元模型以分析其理论性能极限。最后通过测试磁屏蔽室内部的实际残余磁场,证明该方法能在双层磁屏蔽室中心区域实现低至3.1 nT的平均残余磁场。
极弱磁场测量,如生命科学中使用的磁测量,需要近零磁环境,一般由高磁导率材料构成的磁屏蔽室提供。磁屏蔽室的性能可以通过消磁技术改善。常规的交流衰减消磁无法通过磁化状态评估快速确定并优化消磁参数;相较而言,脉冲消磁能通过磁链的测量和控制直接反映磁化状态。本研究提出了一种适用于磁屏蔽室消磁平衡的通量控制脉冲消磁方法,以实现消磁过程的精确调控。首先考虑损耗及环境磁场作用建立消磁等效电路模型,并引入磁链偏移量以修正控制参数;在此基础上测量磁屏蔽材料的磁性能,并建立磁屏蔽室的有限元模型以分析其理论性能极限。最后通过测试磁屏蔽室内部的实际残余磁场,证明该方法能在双层磁屏蔽室中心区域实现低至3.1 nT的平均残余磁场。
, 最新更新时间 , doi: 10.11884/HPLPB202638.250308
摘要:
针对现有传感技术难以满足低空飞行器对周围高速飞行目标实时精确感知的问题,受鲨鱼电场感受器官的启发,提出了一种基于静电感应原理的飞行目标仿生感知方法。建模分析了感应电极的姿态、飞行目标的距离和速度等参数对静电感应信号的影响规律;结合半球形电极阵列和高灵敏度静电传感器,实现了飞行目标静电信号差异化感知;利用电磁弹射装置和二维姿态控制系统,搭建了速度、轨迹等参数可调的带电飞行目标室内模拟试验环境,获得了全向来袭飞行目标的静电感应信号数据集;利用数据集训练符号回归模型,得到了反演飞行目标运动轨迹方向的数学模型,全向预测误差低于7.71°,验证了仿生感知方法的可行性。
针对现有传感技术难以满足低空飞行器对周围高速飞行目标实时精确感知的问题,受鲨鱼电场感受器官的启发,提出了一种基于静电感应原理的飞行目标仿生感知方法。建模分析了感应电极的姿态、飞行目标的距离和速度等参数对静电感应信号的影响规律;结合半球形电极阵列和高灵敏度静电传感器,实现了飞行目标静电信号差异化感知;利用电磁弹射装置和二维姿态控制系统,搭建了速度、轨迹等参数可调的带电飞行目标室内模拟试验环境,获得了全向来袭飞行目标的静电感应信号数据集;利用数据集训练符号回归模型,得到了反演飞行目标运动轨迹方向的数学模型,全向预测误差低于7.71°,验证了仿生感知方法的可行性。
, 最新更新时间 , doi: 10.11884/HPLPB202638.250349
摘要:
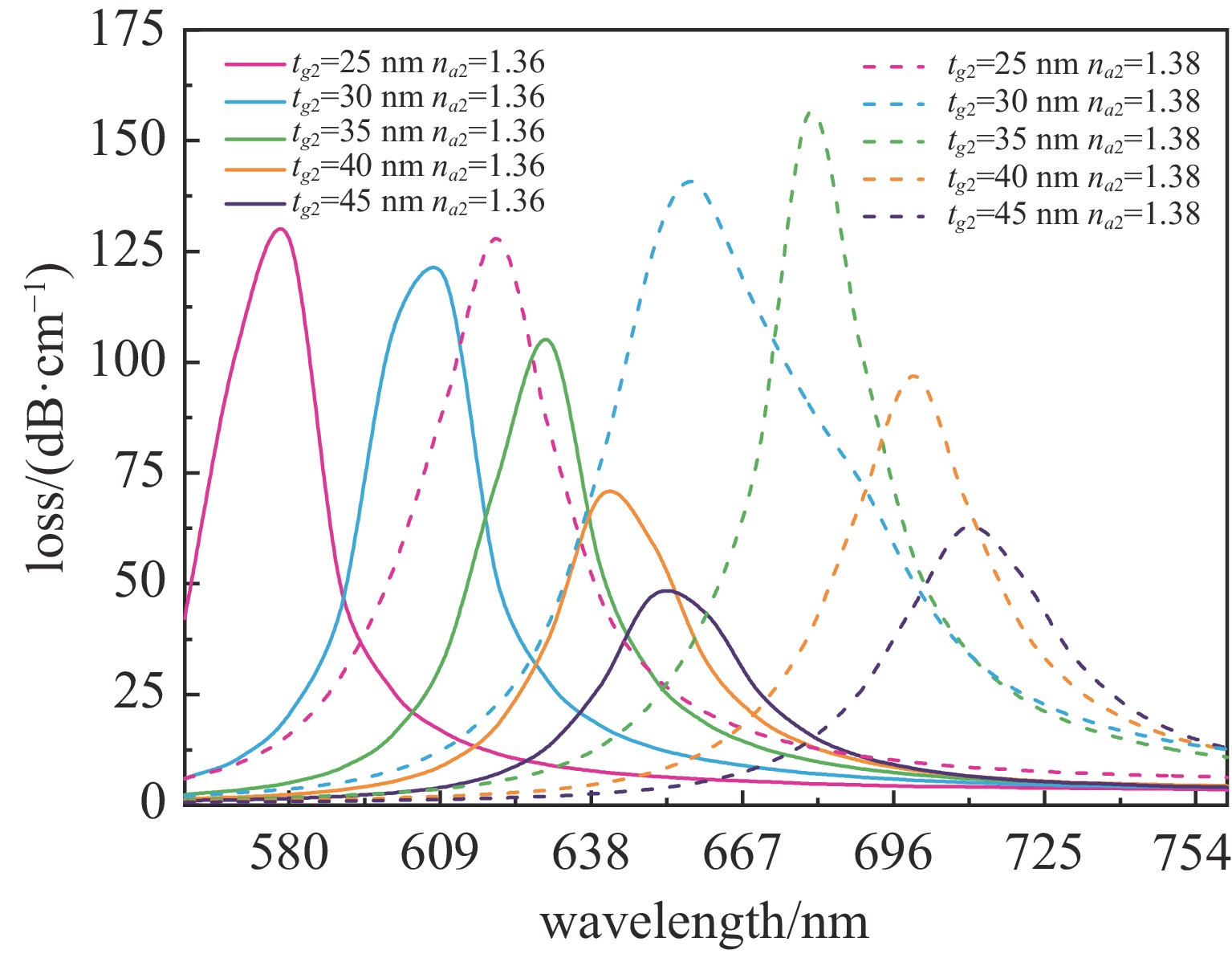
弱光环境直接导致图像亮度不足、细节湮没且噪声显著,使传统特征匹配算法性能骤降,误匹配率激增。基于此,提出了一种融合光照增强算法(IEA)与离散小波变换(DWT)的新型预处理算法,旨在通过多阶段图像优化为后续特征匹配提供高质量输入。该算法运用IEA自适应提升图像整体亮度与局部对比度,再通过DWT多尺度分解,对分离的低频分量进行主体结构保留,对不同方向的高频分量进行阈值处理,进而实现边缘增强与降噪,最终将优化图像输入SURF算法完成特征提取与匹配。为了验证该算法的有效性,开展了极弱光、微弱光、弱光环境下的图像特征匹配。实验结果表明,相较于单一IEA或DWT预处理方法,所提算法效果最为显著,平均正确特征匹配对达到261,提高6.53倍。新型预处理算法IEA-DWT可以有效解决弱光环境下图像特征匹配中细节模糊和噪声干扰的核心问题,为弱光场景下的特征匹配提供了可靠的技术支撑。
弱光环境直接导致图像亮度不足、细节湮没且噪声显著,使传统特征匹配算法性能骤降,误匹配率激增。基于此,提出了一种融合光照增强算法(IEA)与离散小波变换(DWT)的新型预处理算法,旨在通过多阶段图像优化为后续特征匹配提供高质量输入。该算法运用IEA自适应提升图像整体亮度与局部对比度,再通过DWT多尺度分解,对分离的低频分量进行主体结构保留,对不同方向的高频分量进行阈值处理,进而实现边缘增强与降噪,最终将优化图像输入SURF算法完成特征提取与匹配。为了验证该算法的有效性,开展了极弱光、微弱光、弱光环境下的图像特征匹配。实验结果表明,相较于单一IEA或DWT预处理方法,所提算法效果最为显著,平均正确特征匹配对达到261,提高6.53倍。新型预处理算法IEA-DWT可以有效解决弱光环境下图像特征匹配中细节模糊和噪声干扰的核心问题,为弱光场景下的特征匹配提供了可靠的技术支撑。
, 最新更新时间 , doi: 10.11884/HPLPB202638.250330
摘要:
针对大光斑、窄脉冲激光在测量中因光路整形畸变、瞬态难捕获及相干性要求等限制导致的幅值失真与采样困难问题,提出了一种面向纳秒级脉冲大光斑面型激光的光束质量测量系统。系统采用三维步进平台联合光电探测器实现光斑强度的空间重建,并设计多通道峰值保持电路以锁存脉冲峰值,确保幅度采集的瞬态准确性。为应对部分光斑截断及边界不完整等非理想条件,系统引入圆拟合方法作为对能量二阶矩计算的补充,增强了光斑尺寸评估的鲁棒性。实验选用垂直腔面发射激光器作为典型光源,开展轴向扫描测量,比较不同方法下光斑尺度与能量分布的一致性。结果表明,该系统在纳秒激光脉冲与大尺寸光斑条件下具备良好的测量稳定性与适应能力,能够为光束几何特性和能量结构的多维评估提供有效支撑。
针对大光斑、窄脉冲激光在测量中因光路整形畸变、瞬态难捕获及相干性要求等限制导致的幅值失真与采样困难问题,提出了一种面向纳秒级脉冲大光斑面型激光的光束质量测量系统。系统采用三维步进平台联合光电探测器实现光斑强度的空间重建,并设计多通道峰值保持电路以锁存脉冲峰值,确保幅度采集的瞬态准确性。为应对部分光斑截断及边界不完整等非理想条件,系统引入圆拟合方法作为对能量二阶矩计算的补充,增强了光斑尺寸评估的鲁棒性。实验选用垂直腔面发射激光器作为典型光源,开展轴向扫描测量,比较不同方法下光斑尺度与能量分布的一致性。结果表明,该系统在纳秒激光脉冲与大尺寸光斑条件下具备良好的测量稳定性与适应能力,能够为光束几何特性和能量结构的多维评估提供有效支撑。
, 最新更新时间 , doi: 10.11884/HPLPB202638.250245
摘要:
中子多重性测量技术作为无损检测领域的核心手段,在裂变材料(235U)质量测定中发挥关键作用,但其存在测量周期冗长、非理想条件下存在测量偏差等技术瓶颈。借助Geant4与MATLAB软件构建主动井型符合计数器(AWCC)仿真模型实现主动中子多重性测量全流程的高精度模拟。在此基础上,基于PyTorch框架构建反向传播神经网络(BPNN)、卷积神经网络(CNN)、长短期记忆网络(LSTM)三种神经网络对中子多重性分布数据进行分析研究。结果表明,相较于传统主动中子多重性测量方法,三种神经网络模型在测量精度与效率方面均展现出显著优势,能够有效降低测量误差、缩短测量时间。研究结果不仅证实了基于神经网络的中子多重性测量方法的可行性,为中子多重性探测向高效化、智能化方向发展提供了新的解决方案。
中子多重性测量技术作为无损检测领域的核心手段,在裂变材料(235U)质量测定中发挥关键作用,但其存在测量周期冗长、非理想条件下存在测量偏差等技术瓶颈。借助Geant4与MATLAB软件构建主动井型符合计数器(AWCC)仿真模型实现主动中子多重性测量全流程的高精度模拟。在此基础上,基于PyTorch框架构建反向传播神经网络(BPNN)、卷积神经网络(CNN)、长短期记忆网络(LSTM)三种神经网络对中子多重性分布数据进行分析研究。结果表明,相较于传统主动中子多重性测量方法,三种神经网络模型在测量精度与效率方面均展现出显著优势,能够有效降低测量误差、缩短测量时间。研究结果不仅证实了基于神经网络的中子多重性测量方法的可行性,为中子多重性探测向高效化、智能化方向发展提供了新的解决方案。
, 最新更新时间 , doi: 10.11884/HPLPB202638.250305
摘要:
现有路径规划算法中存在搜索类A*算法高度依赖网格地图、高分辨率下计算内存开销大和采样类RRT算法、RRT*算法搜索效率低、路径规划时间长等问题,提出了一种无人机避障路径混合算法。首先,根据A*算法对网格地图的依赖性提出了全方向可选择性的路径搜索策略;其次,根据采样类算法的强随机性和低搜索效率,提出了全局最佳路径搜索方向以及高效节点选取方式;在障碍物附近采用沿墙算法的思路,避免陷入局部最小值的同时进一步缩短路径规划的运行时间。仿真结果表明:在不同复杂度的障碍物环境中,混合算法相较于传统的A*算法、RRT算法和RRT*算法在路径规划时间方面均缩短96%以上、生成路径长度有不同程度的减少以及平均迭代次数均减少98%以上。因此该算法能够显著提升路径规划的效率,为无人机避障高效自主路径规划提供有力的支撑。
现有路径规划算法中存在搜索类A*算法高度依赖网格地图、高分辨率下计算内存开销大和采样类RRT算法、RRT*算法搜索效率低、路径规划时间长等问题,提出了一种无人机避障路径混合算法。首先,根据A*算法对网格地图的依赖性提出了全方向可选择性的路径搜索策略;其次,根据采样类算法的强随机性和低搜索效率,提出了全局最佳路径搜索方向以及高效节点选取方式;在障碍物附近采用沿墙算法的思路,避免陷入局部最小值的同时进一步缩短路径规划的运行时间。仿真结果表明:在不同复杂度的障碍物环境中,混合算法相较于传统的A*算法、RRT算法和RRT*算法在路径规划时间方面均缩短96%以上、生成路径长度有不同程度的减少以及平均迭代次数均减少98%以上。因此该算法能够显著提升路径规划的效率,为无人机避障高效自主路径规划提供有力的支撑。
, 最新更新时间 , doi: 10.11884/HPLPB202638.250429
摘要:
1 018 nm光纤激光器是级联泵浦方案高功率光纤激光器的核心泵浦源,其输出功率的提升受限于放大自发辐射等效应。本文基于光束传输方法与宽谱速率方程建立理论模型,给出1 018 nm光纤激光器输出特性平衡优化的参数窗口,采用双向泵浦结构并优化光纤盘绕,有效抑制了放大自发辐射、模式不稳定等效应,最终在1 018 nm处实现了1.94 kW单纤激光输出,光光转换效率为76.38%,放大自发辐射抑制比达到33.22 dB,光束质量因子M2为1.91。该研究成功将1 018 nm光纤激光器的单纤输出功率提升至2 kW级水平,可显著提升级联泵浦方案高功率光纤激光器结构的紧凑性与集成度,并助力级联泵浦光纤激光器输出功率与亮度实现进一步突破。
1 018 nm光纤激光器是级联泵浦方案高功率光纤激光器的核心泵浦源,其输出功率的提升受限于放大自发辐射等效应。本文基于光束传输方法与宽谱速率方程建立理论模型,给出1 018 nm光纤激光器输出特性平衡优化的参数窗口,采用双向泵浦结构并优化光纤盘绕,有效抑制了放大自发辐射、模式不稳定等效应,最终在1 018 nm处实现了1.94 kW单纤激光输出,光光转换效率为76.38%,放大自发辐射抑制比达到33.22 dB,光束质量因子M2为1.91。该研究成功将1 018 nm光纤激光器的单纤输出功率提升至2 kW级水平,可显著提升级联泵浦方案高功率光纤激光器结构的紧凑性与集成度,并助力级联泵浦光纤激光器输出功率与亮度实现进一步突破。
, 最新更新时间 , doi: 10.11884/HPLPB202638.250487
摘要:
超连续谱激光因其宽光谱特性在光电对抗中具有较大应用潜力。本文基于光波传播的Maxwell波动方程和大气热吸收流体运动方程,提出了一种超连续谱激光大气传输热晕效应的数值仿真方法,该方法考虑了超连续谱激光不同波长成分大气吸收和衰减效应的差异性,结合超连续谱激光光源的光谱分布和大气辐射传输原理,构建了可表征各波长成分大气吸收累积热效应的热晕相位屏,并采用多层相位屏傅里叶变换和多波长非相干叠加的求解方法,建立了超连续谱大气传输热晕效应的数值仿真模型。通过对比已有单波长激光大气传输热晕效应的理论结果,验证了仿真模型的可靠性。基于数值仿真模型,对不同发射功率的超连续谱激光大气传输热晕效应进行了初步仿真,计算了超连续谱激光大气传输的典型到靶光强分布、质心偏移量、Strehl比和能量分布曲线等参数,得出超连续谱激光特殊光强分布以及一些光束特性。本文提出的数值方法为高功率超连续谱激光大气传输热晕效应的研究提供了研究基础。
超连续谱激光因其宽光谱特性在光电对抗中具有较大应用潜力。本文基于光波传播的Maxwell波动方程和大气热吸收流体运动方程,提出了一种超连续谱激光大气传输热晕效应的数值仿真方法,该方法考虑了超连续谱激光不同波长成分大气吸收和衰减效应的差异性,结合超连续谱激光光源的光谱分布和大气辐射传输原理,构建了可表征各波长成分大气吸收累积热效应的热晕相位屏,并采用多层相位屏傅里叶变换和多波长非相干叠加的求解方法,建立了超连续谱大气传输热晕效应的数值仿真模型。通过对比已有单波长激光大气传输热晕效应的理论结果,验证了仿真模型的可靠性。基于数值仿真模型,对不同发射功率的超连续谱激光大气传输热晕效应进行了初步仿真,计算了超连续谱激光大气传输的典型到靶光强分布、质心偏移量、Strehl比和能量分布曲线等参数,得出超连续谱激光特殊光强分布以及一些光束特性。本文提出的数值方法为高功率超连续谱激光大气传输热晕效应的研究提供了研究基础。
, 最新更新时间 , doi: 10.11884/HPLPB202638.260049
摘要:
在高功率分段镜分束器(SMS)相干合成系统中,光学元件残余吸收引起的热效应是制约系统稳态合成性能的关键因素。针对高功率两级级联SMS系统中热致性能退化机制研究不足的问题,基于有限元法建立了28路光-热-力多物理场耦合模型,数值模拟了多光束在“之”字形光路中的热致波前畸变及光束叠加过程。结果表明,激光功率沿合成方向的逐级累积使第二级分段镜的热负载显著高于第一级,形成明显的非对称温度梯度,从而诱导光束质量的在合成方向上的显著退化。对系统参数的优化分析进一步表明,适当减小基底厚度可抑制热畸变,提升合成效率并改善光束质量;增大子束间距虽能降低热叠加效应并提高合成功率,但会加剧光束质量的各向异性退化。
在高功率分段镜分束器(SMS)相干合成系统中,光学元件残余吸收引起的热效应是制约系统稳态合成性能的关键因素。针对高功率两级级联SMS系统中热致性能退化机制研究不足的问题,基于有限元法建立了28路光-热-力多物理场耦合模型,数值模拟了多光束在“之”字形光路中的热致波前畸变及光束叠加过程。结果表明,激光功率沿合成方向的逐级累积使第二级分段镜的热负载显著高于第一级,形成明显的非对称温度梯度,从而诱导光束质量的在合成方向上的显著退化。对系统参数的优化分析进一步表明,适当减小基底厚度可抑制热畸变,提升合成效率并改善光束质量;增大子束间距虽能降低热叠加效应并提高合成功率,但会加剧光束质量的各向异性退化。
, 最新更新时间 , doi: 10.11884/HPLPB202638.260017
摘要:
掺镱光纤激光器是绿色智能制造的重要工具,也是当代高能激光系统的首选光源。面向效能、平台和场景,光纤激光器系统需要具有高亮度、高效率、高鲁棒性、小型化、轻量化、低成本等“三高、三低”的性能要求。在实际设计中,如何对光纤激光器系统性能进行有效评价并提升其性能显得尤为重要。首先,根据光纤激光器系统的组成,给出光纤激光器系统性能评价的参数,重点明确了综合评价参数CSWpB(成本-体积-重量与亮度比)的定义与计算方法。其次,根据工业光纤激光器系统特性,对光纤激光器光学、电学、热学模块的效率、热量、体积、重量等参数等进行分析,指出热控模块对激光器系统轻质紧凑化设计的重要性,给出不同功率等级光纤激光系统的体积、重量和功耗的评估。再次,分析当前光纤激光器系统设计和认知的几个可能问题。最后,为了降低面向实际应用场景光纤激光器的CSWpB,提出高效率低产热、宽温域强耐热的光学和总体设计思路,容、导、扩、换、储、排的复合热管理技术方案和强耦合一体化的工程设计思路,以期为高性能光纤激光器的设计提供参考。
掺镱光纤激光器是绿色智能制造的重要工具,也是当代高能激光系统的首选光源。面向效能、平台和场景,光纤激光器系统需要具有高亮度、高效率、高鲁棒性、小型化、轻量化、低成本等“三高、三低”的性能要求。在实际设计中,如何对光纤激光器系统性能进行有效评价并提升其性能显得尤为重要。首先,根据光纤激光器系统的组成,给出光纤激光器系统性能评价的参数,重点明确了综合评价参数CSWpB(成本-体积-重量与亮度比)的定义与计算方法。其次,根据工业光纤激光器系统特性,对光纤激光器光学、电学、热学模块的效率、热量、体积、重量等参数等进行分析,指出热控模块对激光器系统轻质紧凑化设计的重要性,给出不同功率等级光纤激光系统的体积、重量和功耗的评估。再次,分析当前光纤激光器系统设计和认知的几个可能问题。最后,为了降低面向实际应用场景光纤激光器的CSWpB,提出高效率低产热、宽温域强耐热的光学和总体设计思路,容、导、扩、换、储、排的复合热管理技术方案和强耦合一体化的工程设计思路,以期为高性能光纤激光器的设计提供参考。
, 最新更新时间 , doi: 10.11884/HPLPB202638.250422
摘要:
针对高功率光纤放大器在γ射线辐照环境下出现的辐致模式不稳定性效应,基于光纤辐致损耗机理与线性稳态分析方法,系统研究了γ辐照对模式不稳定阈值的影响及自恢复机制。实验结果表明,当辐致模式不稳定效应发生时,放大器的输出功率存在着剧烈波动。随着泵浦电流的逐渐增加,输出功率呈现出相似的波动趋势,并随着出光时间依次经历快速下降、缓慢下降、缓慢上升和达到亚稳态4个阶段。在每个泵浦电流下,最高与最低输出功率之间的差值均稳定在辐照前输出功率的29.7%~39.1%范围。通过分析输出激光的频域信号,进一步验证了辐致模式不稳定的自恢复效应。本文的研究结果为高功率光纤激光器在辐照环境下TMI阈值的变化特性及自恢复设计提供了理论和实验参考,具有较大的研究意义和应用价值。
针对高功率光纤放大器在γ射线辐照环境下出现的辐致模式不稳定性效应,基于光纤辐致损耗机理与线性稳态分析方法,系统研究了γ辐照对模式不稳定阈值的影响及自恢复机制。实验结果表明,当辐致模式不稳定效应发生时,放大器的输出功率存在着剧烈波动。随着泵浦电流的逐渐增加,输出功率呈现出相似的波动趋势,并随着出光时间依次经历快速下降、缓慢下降、缓慢上升和达到亚稳态4个阶段。在每个泵浦电流下,最高与最低输出功率之间的差值均稳定在辐照前输出功率的29.7%~39.1%范围。通过分析输出激光的频域信号,进一步验证了辐致模式不稳定的自恢复效应。本文的研究结果为高功率光纤激光器在辐照环境下TMI阈值的变化特性及自恢复设计提供了理论和实验参考,具有较大的研究意义和应用价值。
, 最新更新时间 , doi: 10.11884/HPLPB202638.250319
摘要:
光学元件的使用寿命是决定高能激光器稳定运行的重要因素。针对传统光学玻璃在高能激光系统中使用寿命较短的缺点,研发了钝感光学玻璃。钝感光学玻璃具有激光损伤增长阈值高和激光损伤增长速度慢的优点,因而具有较长的使用寿命。基于355 nm激光开展了钝感光学玻璃损伤增长的研究。结果表明:钝感光学玻璃的激光损伤增长阈值为7~12 J/cm2,零概率激光损伤增长阈值为7 J/cm2,是同样实验条件下熔石英玻璃的2倍。钝感光学玻璃在较高激光辐照能量下(>12 J/cm2),呈指数型增长,增长速度较熔石英玻璃慢,增长系数仅为熔石英的0.53倍。钝感光学玻璃的研究,为解决高能激光装置中三倍频光学玻璃使用寿命短的问题提供了一种新的思路。
光学元件的使用寿命是决定高能激光器稳定运行的重要因素。针对传统光学玻璃在高能激光系统中使用寿命较短的缺点,研发了钝感光学玻璃。钝感光学玻璃具有激光损伤增长阈值高和激光损伤增长速度慢的优点,因而具有较长的使用寿命。基于355 nm激光开展了钝感光学玻璃损伤增长的研究。结果表明:钝感光学玻璃的激光损伤增长阈值为7~12 J/cm2,零概率激光损伤增长阈值为7 J/cm2,是同样实验条件下熔石英玻璃的2倍。钝感光学玻璃在较高激光辐照能量下(>12 J/cm2),呈指数型增长,增长速度较熔石英玻璃慢,增长系数仅为熔石英的0.53倍。钝感光学玻璃的研究,为解决高能激光装置中三倍频光学玻璃使用寿命短的问题提供了一种新的思路。
, 最新更新时间 , doi: 10.11884/HPLPB202638.250420
摘要:
1 μm 波段高功率掺镱光纤激光器在激光加工、生物医疗及国防安全等领域应用广泛,然而,随着输出功率持续提升,传统大纤芯光纤易受模式不稳定与受激拉曼散射等非线性效应影响。全固态反谐振石英光纤(AS-ARF)基于其独特的反谐振导光机理,可在实现超大模场传输的同时抑制高阶模,为兼顾高功率与高光束质量提供了创新技术路径。然而,面向高功率增益应用的有源掺镱(Yb)AS-ARF,其纤芯折射率起伏对模式特性的影响机制及“阶跃光纤-AS-ARF”熔接传输特性尚未得到系统研究,制约了实用化进程。针对上述问题,通过构建六环结构AS-ARF模型,结合理论推导与数值仿真模拟,研究了折射率起伏对光纤导光特性的影响,明确了维持原有导光机制的折射率变化临界值,验证了该光纤在目标波长下的低损耗、大模场面积及良好的光束质量保持能力;同时探究了阶跃光纤与AS-ARF熔接耦合场景的光传输规律,仿真结果表明当入射光束直径与AS-ARF纤芯直径匹配时,传输能量衰减<2%。本研究实现了对有源AS-ARF核心调控参数的量化,为Yb3+-AS-ARF的制备工艺优化(重点关注折射率均匀性控制)及实际耦合方案的设计提供了理论基础。
1 μm 波段高功率掺镱光纤激光器在激光加工、生物医疗及国防安全等领域应用广泛,然而,随着输出功率持续提升,传统大纤芯光纤易受模式不稳定与受激拉曼散射等非线性效应影响。全固态反谐振石英光纤(AS-ARF)基于其独特的反谐振导光机理,可在实现超大模场传输的同时抑制高阶模,为兼顾高功率与高光束质量提供了创新技术路径。然而,面向高功率增益应用的有源掺镱(Yb)AS-ARF,其纤芯折射率起伏对模式特性的影响机制及“阶跃光纤-AS-ARF”熔接传输特性尚未得到系统研究,制约了实用化进程。针对上述问题,通过构建六环结构AS-ARF模型,结合理论推导与数值仿真模拟,研究了折射率起伏对光纤导光特性的影响,明确了维持原有导光机制的折射率变化临界值,验证了该光纤在目标波长下的低损耗、大模场面积及良好的光束质量保持能力;同时探究了阶跃光纤与AS-ARF熔接耦合场景的光传输规律,仿真结果表明当入射光束直径与AS-ARF纤芯直径匹配时,传输能量衰减<2%。本研究实现了对有源AS-ARF核心调控参数的量化,为Yb3+-AS-ARF的制备工艺优化(重点关注折射率均匀性控制)及实际耦合方案的设计提供了理论基础。
, 最新更新时间 , doi: 10.11884/HPLPB202638.250419
摘要:
Yb(TMHD)3是高增益掺镱石英光纤不可替代的气相掺杂前驱体,其Yb含量直接决定光纤性能。传统重量检测法周期长达6 h,无法满足光纤预制棒在线工艺调整的时效需求。为了提高生产效率,建立了一种“硝酸-双氧水敞口消解-EDTA络合滴定”的方法在六次甲基四胺缓冲体系(pH=5~6)中,以二甲酚橙(XO)为指示剂,用EDTA标准液与Yb3+按1∶1摩尔比络合滴定,终点由玫瑰红突变为亮黄色,变色敏锐、重现性好。系统研究了Yb(TMHD)3消解方法、缓冲液六次甲基四胺pH对镱测定的影响因素,确定了最优条件。方法平均回收率在98.2%~100.2%之间,精密度RSD(n=11)≤0.5%。Yb(TMHD)3实际样品测定结果与重量法对照偏差<0.3%,单样检测时间由6 h缩短至15 min。该方法准确、精密、简便、成本低,可直接部署于生产现场,实现Yb(TMHD)3中Yb含量的快速检测,为掺镱光纤预制棒的工艺实时优化与质量稳定提供了可靠的技术支撑。
Yb(TMHD)3是高增益掺镱石英光纤不可替代的气相掺杂前驱体,其Yb含量直接决定光纤性能。传统重量检测法周期长达6 h,无法满足光纤预制棒在线工艺调整的时效需求。为了提高生产效率,建立了一种“硝酸-双氧水敞口消解-EDTA络合滴定”的方法在六次甲基四胺缓冲体系(pH=5~6)中,以二甲酚橙(XO)为指示剂,用EDTA标准液与Yb3+按1∶1摩尔比络合滴定,终点由玫瑰红突变为亮黄色,变色敏锐、重现性好。系统研究了Yb(TMHD)3消解方法、缓冲液六次甲基四胺pH对镱测定的影响因素,确定了最优条件。方法平均回收率在98.2%~100.2%之间,精密度RSD(n=11)≤0.5%。Yb(TMHD)3实际样品测定结果与重量法对照偏差<0.3%,单样检测时间由6 h缩短至15 min。该方法准确、精密、简便、成本低,可直接部署于生产现场,实现Yb(TMHD)3中Yb含量的快速检测,为掺镱光纤预制棒的工艺实时优化与质量稳定提供了可靠的技术支撑。
, 最新更新时间 , doi: 10.11884/HPLPB202638.250314
摘要:
高功率光纤激光仿真技术可在研发阶段有效降低实验成本、缩短开发周期,并优化激光器性能参数,对推动高功率光纤激光器在工业加工、国防、科研、医疗设备等领域的应用具有重要意义。重点介绍了国内外典型高功率光纤激光器仿真软件的研究进展,研究了其功能特点、和应用场景等有关情况,总结了高功率光纤激光建模仿真的研究特点,对高功率光纤激光建模仿真软件如何有效验证和可靠应用进行了思考,并对高功率光纤激光仿真软件下一步的发展方向进行展望,可为相关行业仿真软件研发提供借鉴。
高功率光纤激光仿真技术可在研发阶段有效降低实验成本、缩短开发周期,并优化激光器性能参数,对推动高功率光纤激光器在工业加工、国防、科研、医疗设备等领域的应用具有重要意义。重点介绍了国内外典型高功率光纤激光器仿真软件的研究进展,研究了其功能特点、和应用场景等有关情况,总结了高功率光纤激光建模仿真的研究特点,对高功率光纤激光建模仿真软件如何有效验证和可靠应用进行了思考,并对高功率光纤激光仿真软件下一步的发展方向进行展望,可为相关行业仿真软件研发提供借鉴。
, 最新更新时间 , doi: 10.11884/HPLPB202638.250430
摘要:
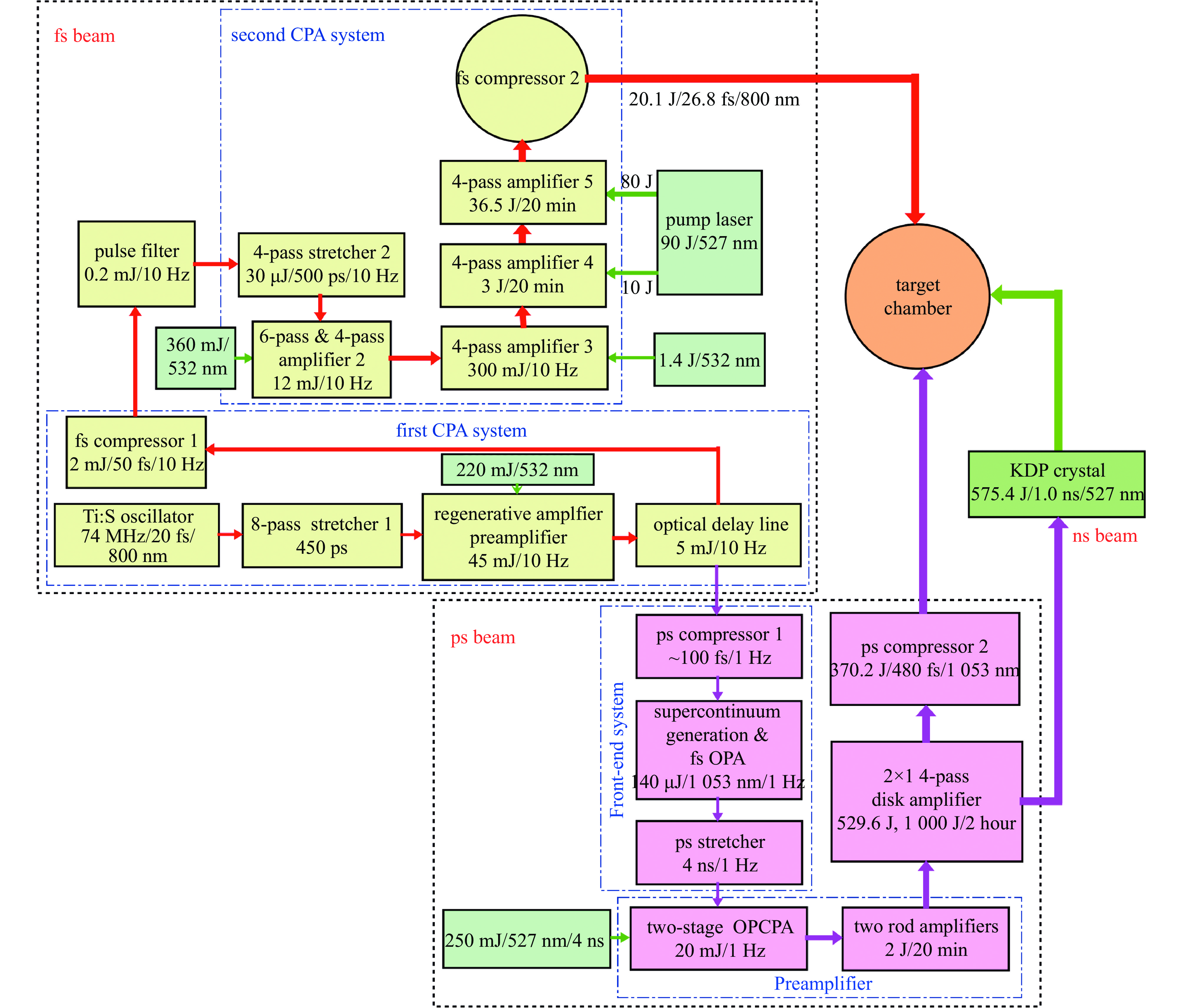
高功率飞秒光纤激光在先进制造、激光粒子加速和高次谐波产生等领域具有广泛的应用,飞秒光纤激光相干合成技术是突破单根光纤功率极限、实现高功率飞秒激光输出的有效技术手段。搭建了一套基于全光纤结构啁啾脉冲放大的飞秒激光相干偏振合成系统,采用光纤拉伸器并结合随机并行梯度下降算法实现了三路激光放大器的相位调节与稳定相干合成。在总输出功率为1219.1 W时,系统合成功率为1072 W,对应的合成效率为87%。合成光束具有近衍射极限光束质量(M2=1.23),压缩后脉冲宽度为899 fs。此外,还理论分析了光束质量退化对合成效率的影响。该全光纤结构飞秒激光相干合成系统具有优异的稳定性并兼具高功率输出,未来通过增加合成通道数量可以进一步提升输出功率,为高通量超快超强激光的前沿应用提供技术支撑。
高功率飞秒光纤激光在先进制造、激光粒子加速和高次谐波产生等领域具有广泛的应用,飞秒光纤激光相干合成技术是突破单根光纤功率极限、实现高功率飞秒激光输出的有效技术手段。搭建了一套基于全光纤结构啁啾脉冲放大的飞秒激光相干偏振合成系统,采用光纤拉伸器并结合随机并行梯度下降算法实现了三路激光放大器的相位调节与稳定相干合成。在总输出功率为
, 最新更新时间 , doi: 10.11884/HPLPB202638.250494
摘要:
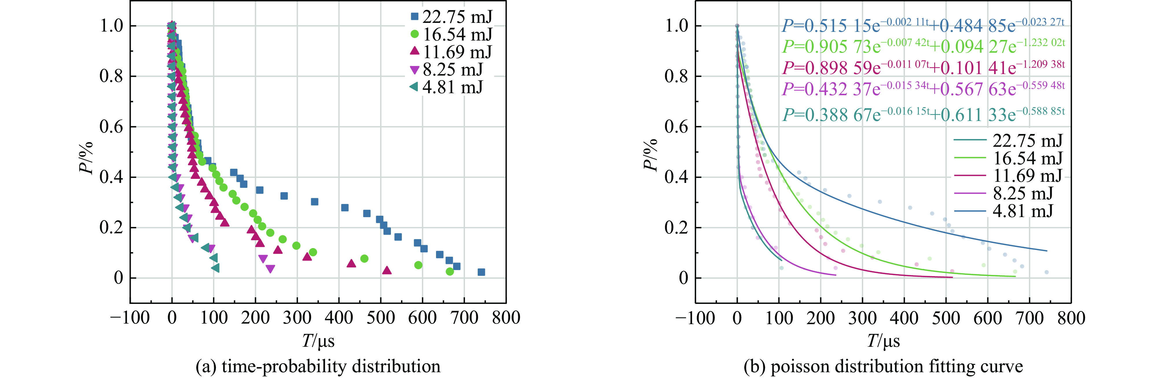
快直线型变压器驱动源中气体开关数量庞大,充电过程中开关发生自放电会对驱动源造成严重影响。将原本数十秒的充电过程缩短到数十至数百微秒,使开关耐压时间减少,有望降低开关发生自放电的概率。本文利用谐振电路在开关上产生前沿可调的电压脉冲,设计并搭建了脉冲充电气体开关实验平台,实验研究了脉冲充电方式下用于LTD的多间隙气体开关击穿特性。结果表明:脉冲充电条件下,气体开关的自击穿电压平均值均高于相同条件下直流自击穿电压平均值。脉冲前沿为140 μs时,四间隙气体开关自击穿电压在0.05~0.15 MPa气压条件下提高了10%~30%,分散性也提升5%~10%。触发放电特性与直流情况相似,65%~75%工作系数下开关触发延时和抖动结果基本相同。90%工作系数下进行5000 余次脉冲充电考核,开关自击穿概率与威布尔拟合结果基本吻合。按照分布模型估算60%工作系数下开关自放电概率可降低至10−6。
快直线型变压器驱动源中气体开关数量庞大,充电过程中开关发生自放电会对驱动源造成严重影响。将原本数十秒的充电过程缩短到数十至数百微秒,使开关耐压时间减少,有望降低开关发生自放电的概率。本文利用谐振电路在开关上产生前沿可调的电压脉冲,设计并搭建了脉冲充电气体开关实验平台,实验研究了脉冲充电方式下用于LTD的多间隙气体开关击穿特性。结果表明:脉冲充电条件下,气体开关的自击穿电压平均值均高于相同条件下直流自击穿电压平均值。脉冲前沿为140 μs时,四间隙气体开关自击穿电压在0.05~0.15 MPa气压条件下提高了10%~30%,分散性也提升5%~10%。触发放电特性与直流情况相似,65%~75%工作系数下开关触发延时和抖动结果基本相同。90%工作系数下进行
, 最新更新时间 , doi: 10.11884/HPLPB202638.260001
摘要:
为满足纳秒级快前沿脉冲需求,针对传统固态Marx发生器性能不足的问题,通过在LTspice中对固态Marx发生器电路中各项参数进行分析仿真,确定各项寄生参数对电路上升沿的影响,选用低寄生电感与寄生电容并带有开尔文源极的TO-263-7封装的半导体开关,同时采用单级双路对称并联开关实现均流设计优化了输出脉冲的上升时间,并使用同轴输出结构优化波形的同时便于级联。搭建了一台15级同轴型固态Marx样机,通过对200 Ω负载在10 kV电压下进行实验输出,获得了电流0~50 A、上升时间低于8 ns、脉宽200 ns~5 μs,频率0~10 kHz可调的快前沿高压脉冲,实验结果表明,所设计的装置在上升时间、脉冲幅值和重复频率等关键指标上表现良好,具有较高的综合性能。
为满足纳秒级快前沿脉冲需求,针对传统固态Marx发生器性能不足的问题,通过在LTspice中对固态Marx发生器电路中各项参数进行分析仿真,确定各项寄生参数对电路上升沿的影响,选用低寄生电感与寄生电容并带有开尔文源极的TO-263-7封装的半导体开关,同时采用单级双路对称并联开关实现均流设计优化了输出脉冲的上升时间,并使用同轴输出结构优化波形的同时便于级联。搭建了一台15级同轴型固态Marx样机,通过对200 Ω负载在10 kV电压下进行实验输出,获得了电流0~50 A、上升时间低于8 ns、脉宽200 ns~5 μs,频率0~10 kHz可调的快前沿高压脉冲,实验结果表明,所设计的装置在上升时间、脉冲幅值和重复频率等关键指标上表现良好,具有较高的综合性能。
, 最新更新时间 , doi: 10.11884/HPLPB202638.250495
摘要:
脉冲晶闸管工作在强流脉冲工况,重复的电磁热力联合冲击会导致局部过温造成铝层电熔蚀、进而加速晶闸管热疲劳失效。针对由于接触界面电热效应产生的失效问题,综合考虑表面粗糙度、外施压力、电极图案和载流子扩散等因素,建立了脉冲晶闸管微观接触界面电热特性表征模型,并在脉冲工况下进行了仿真模拟。设计了晶闸管电熔蚀加速老化试验验证仿真的正确性,在重复放电140次时,开关阳极表面外圈出现明显铝层熔蚀现象;当放电次数达到400次时,硅坑在更靠近门极位置出现。试验结果证明了模型对电熔蚀失效规律的预测精度,为脉冲晶闸管电熔蚀失效的定量评估提供了可靠技术支撑。
脉冲晶闸管工作在强流脉冲工况,重复的电磁热力联合冲击会导致局部过温造成铝层电熔蚀、进而加速晶闸管热疲劳失效。针对由于接触界面电热效应产生的失效问题,综合考虑表面粗糙度、外施压力、电极图案和载流子扩散等因素,建立了脉冲晶闸管微观接触界面电热特性表征模型,并在脉冲工况下进行了仿真模拟。设计了晶闸管电熔蚀加速老化试验验证仿真的正确性,在重复放电140次时,开关阳极表面外圈出现明显铝层熔蚀现象;当放电次数达到400次时,硅坑在更靠近门极位置出现。试验结果证明了模型对电熔蚀失效规律的预测精度,为脉冲晶闸管电熔蚀失效的定量评估提供了可靠技术支撑。
, 最新更新时间 , doi: 10.11884/HPLPB202638.250406
摘要:
随着高功率微波合成技术的发展,高功率微波脉冲驱动源的轻小型化和精确触发的需求进一步提升。高功率Marx脉冲驱动源在轻小型方面优势显著,难点在于精确触发。为解决基于气体开关的Marx驱动源存在的触发难度大的技术问题,本文开展了光导开关型V/n气体开关对Marx驱动源的触发研究,旨在重复频率条件下,实现Marx驱动源小于2 ns的触发时延抖动。首先,理论分析了基于2级该型触发开关的Marx脉冲驱动源实现ns级精确触发的可行性,进一步,开展了电路仿真和实验验证。仿真结果显示,两级该触发开关的Marx脉冲驱动源的触发时延抖动小于2 ns,达到了理论预期。研制了基于光导开关型V/n气体开关的四级PFL-Marx脉冲驱动源,在10 Hz 100脉冲下,触发时延抖动仅为1.3 ns。研究结果表明,基于研制触发开关的Marx驱动源可以实现ns触发时延抖动。相关研究为高功率Marx驱动源的精确触发和功率合成提供了可行的技术手段。
随着高功率微波合成技术的发展,高功率微波脉冲驱动源的轻小型化和精确触发的需求进一步提升。高功率Marx脉冲驱动源在轻小型方面优势显著,难点在于精确触发。为解决基于气体开关的Marx驱动源存在的触发难度大的技术问题,本文开展了光导开关型V/n气体开关对Marx驱动源的触发研究,旨在重复频率条件下,实现Marx驱动源小于2 ns的触发时延抖动。首先,理论分析了基于2级该型触发开关的Marx脉冲驱动源实现ns级精确触发的可行性,进一步,开展了电路仿真和实验验证。仿真结果显示,两级该触发开关的Marx脉冲驱动源的触发时延抖动小于2 ns,达到了理论预期。研制了基于光导开关型V/n气体开关的四级PFL-Marx脉冲驱动源,在10 Hz 100脉冲下,触发时延抖动仅为1.3 ns。研究结果表明,基于研制触发开关的Marx驱动源可以实现ns触发时延抖动。相关研究为高功率Marx驱动源的精确触发和功率合成提供了可行的技术手段。
, 最新更新时间 , doi: 10.11884/HPLPB202638.250397
摘要:
为了探究离子风消除锂电池极片与隔膜间静电粘连的效果,基于COMSOL Multiphysics多物理场仿真平台,构建了电-流-粒子耦合数值模型。该模型采用顺序耦合方法,系统整合了电晕放电、湍流、流体流动与颗粒追踪以及静电等物理场,可精确模拟电晕放电、离子风产生、颗粒输运及静电中和的全过程。通过仿真分析得出:在10 kV、13 kV、15 kV电压下,通过电晕放电产生离子风,速度分别可达0.089 m/s、0.65 m/s、1.97 m/s,通过离子风推动荷电颗粒向预设极性相反的面电荷极片运动,实现静电中和。在放电时间20 s内,极片上正电荷量由1 μC分别降低至0.851 μC、0.789 μC、0.770 μC,负电荷量由−1 μC分别降低至−0.872 μC、−0.800 μC、−0.782 μC,两极片间的静电吸附力由0.127 N分别降低至0.093 N、0.079 N、0.076 N。上述数据表明,离子风可有效消除极片与隔膜间的静电粘连,且静电吸附力随放电电压升高呈显著减小趋势,后续可通过提升放电电压、延长放电时间进一步实现静电完全消除。
为了探究离子风消除锂电池极片与隔膜间静电粘连的效果,基于COMSOL Multiphysics多物理场仿真平台,构建了电-流-粒子耦合数值模型。该模型采用顺序耦合方法,系统整合了电晕放电、湍流、流体流动与颗粒追踪以及静电等物理场,可精确模拟电晕放电、离子风产生、颗粒输运及静电中和的全过程。通过仿真分析得出:在10 kV、13 kV、15 kV电压下,通过电晕放电产生离子风,速度分别可达0.089 m/s、0.65 m/s、1.97 m/s,通过离子风推动荷电颗粒向预设极性相反的面电荷极片运动,实现静电中和。在放电时间20 s内,极片上正电荷量由1 μC分别降低至0.851 μC、0.789 μC、0.770 μC,负电荷量由−1 μC分别降低至−0.872 μC、−0.800 μC、−0.782 μC,两极片间的静电吸附力由0.127 N分别降低至0.093 N、0.079 N、0.076 N。上述数据表明,离子风可有效消除极片与隔膜间的静电粘连,且静电吸附力随放电电压升高呈显著减小趋势,后续可通过提升放电电压、延长放电时间进一步实现静电完全消除。
, 最新更新时间 , doi: 10.11884/HPLPB202638.250374
摘要:
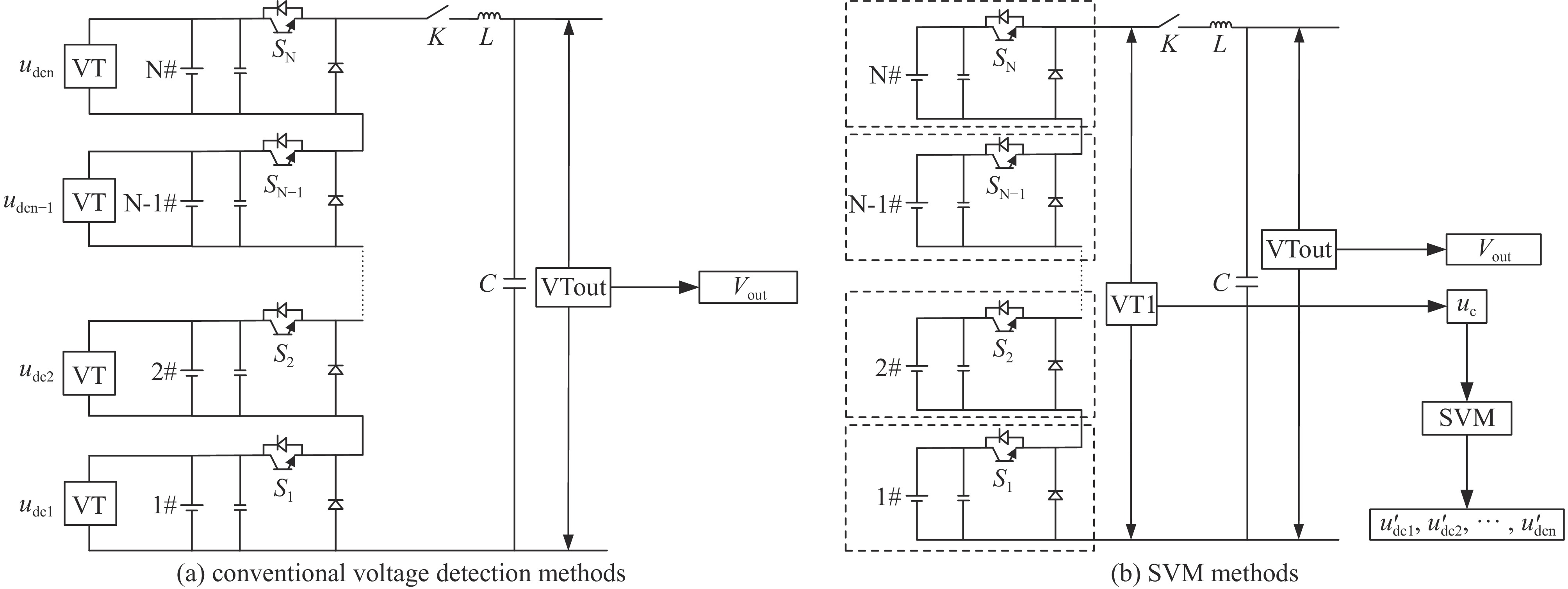
超大规模直线型变压器驱动源作为Z箍缩装置中最为关键且复杂的系统,可靠性评估是装置设计方案论证的核心问题。基于功率源的基本组成器件(开关、电容器等),建立了开关自击穿与电容器失效的概率模型;采用自上而下的层级分析方法,依次构建基本放电支路层、LTD模块层及LTD支路层的可靠性模型,提出故障域边界计算方法。基于性能裕量的可靠性理论,利用蒙特卡洛仿真实现了系统级可靠性量化评估。研究结果表明:当LTD模块层与支路层允许的故障个数均大于1时,忽略LTD开关纳秒时间内同时故障(极小概率)和多个相邻LTD模块同时故障的特殊情况,系统可靠度不超过IVA次级和故障隔离开关的可靠度乘积;单次开关意外放电产生的耦合电压会使得本模块的其他开关的故障概率几乎翻倍,对其他模块开关可靠度的影响为10−4量级,对电容器的影响为10−6量级,只有当LTD模块层与支路层允许的故障个数大于1时,该耦合效应在计算系统可靠度时才可忽略;随着器件可靠度的提升,开关在可靠度低于0.9996 时进行提升对系统的可靠度影响显著,电容器的可靠度也只有在开关可靠度较低时进行提升才对系统的影响比较明显。
超大规模直线型变压器驱动源作为Z箍缩装置中最为关键且复杂的系统,可靠性评估是装置设计方案论证的核心问题。基于功率源的基本组成器件(开关、电容器等),建立了开关自击穿与电容器失效的概率模型;采用自上而下的层级分析方法,依次构建基本放电支路层、LTD模块层及LTD支路层的可靠性模型,提出故障域边界计算方法。基于性能裕量的可靠性理论,利用蒙特卡洛仿真实现了系统级可靠性量化评估。研究结果表明:当LTD模块层与支路层允许的故障个数均大于1时,忽略LTD开关纳秒时间内同时故障(极小概率)和多个相邻LTD模块同时故障的特殊情况,系统可靠度不超过IVA次级和故障隔离开关的可靠度乘积;单次开关意外放电产生的耦合电压会使得本模块的其他开关的故障概率几乎翻倍,对其他模块开关可靠度的影响为10−4量级,对电容器的影响为10−6量级,只有当LTD模块层与支路层允许的故障个数大于1时,该耦合效应在计算系统可靠度时才可忽略;随着器件可靠度的提升,开关在可靠度低于
, 最新更新时间 , doi: 10.11884/HPLPB202638.250364
摘要:
强光磁试验装置将自由电子激光、强磁场、极低温环境进行集成,为多学科前沿研究提供重要的实验支撑。本文围绕强光磁试验装置自由电子激光-微波功率源系统展开研究,重点阐述了输出参数为310 kV、320 A、10 µs脉宽、10 Hz重频的固态高压调制器研制及精细化建模工作,根据装置参数需求,确定基于感应叠加原理的固态脉冲调制器拓扑结构,完成调制器系统的放电单元方案设计,并选定分数比脉冲变压器方案,以实现1:345的升压比。为支撑系统参数优化及性能分析,对调制器拓扑进行了电路-磁路的精细化建模,包括模块化放电单元建模、基于磁阻模型的分数比脉冲变压器建模以及速调管建模。为验证模型准确性,开展了假负载实验及速调管实验,结果显示实验测试波形与仿真波形在脉冲前沿、平顶阶段拟合良好,波形基本重合,初步验证了模型的准确性,为后续对调制器系统以及速调管的深入研究奠定基础。
强光磁试验装置将自由电子激光、强磁场、极低温环境进行集成,为多学科前沿研究提供重要的实验支撑。本文围绕强光磁试验装置自由电子激光-微波功率源系统展开研究,重点阐述了输出参数为310 kV、320 A、10 µs脉宽、10 Hz重频的固态高压调制器研制及精细化建模工作,根据装置参数需求,确定基于感应叠加原理的固态脉冲调制器拓扑结构,完成调制器系统的放电单元方案设计,并选定分数比脉冲变压器方案,以实现1:345的升压比。为支撑系统参数优化及性能分析,对调制器拓扑进行了电路-磁路的精细化建模,包括模块化放电单元建模、基于磁阻模型的分数比脉冲变压器建模以及速调管建模。为验证模型准确性,开展了假负载实验及速调管实验,结果显示实验测试波形与仿真波形在脉冲前沿、平顶阶段拟合良好,波形基本重合,初步验证了模型的准确性,为后续对调制器系统以及速调管的深入研究奠定基础。
, 最新更新时间 , doi: 10.11884/HPLPB202638.250445
摘要:
漂移阶跃恢复二极管(DSRD)因其快恢复特性和稳定运行能力,在高功率半导体断路器件领域受到广泛关注。针对磁饱和变压器型DSRD脉冲源中参数耦合复杂、设计依据不够明确的问题,本文研究了一种基于DSRD的磁饱和变压器脉冲源电路拓扑。首先分析了DSRD的工作原理,结合磁饱和变压器的升压与磁饱和特性设计了泵浦电路。基于磁饱和变压器及LC谐振过程的经典模型,对磁饱和时间、次级电流变化率和峰值电流等关键参数进行了定性分析与定量计算,确定实验样机的参数范围。在此基础上,通过电路仿真与样机实验,系统分析了变压器匝比、磁芯截面积、初次级电容及磁芯材料对脉冲输出特性的影响。实验结果表明,在前级充电电压为700 V、负载为75 Ω条件下,该脉冲源获得幅值约15.9 kV、前沿约11.7 ns的高压脉冲输出,并可在1 kHz重复频率下稳定运行。研究结果为磁饱和变压器型DSRD脉冲源的参数选取与紧凑化实现提供了工程参考。
漂移阶跃恢复二极管(DSRD)因其快恢复特性和稳定运行能力,在高功率半导体断路器件领域受到广泛关注。针对磁饱和变压器型DSRD脉冲源中参数耦合复杂、设计依据不够明确的问题,本文研究了一种基于DSRD的磁饱和变压器脉冲源电路拓扑。首先分析了DSRD的工作原理,结合磁饱和变压器的升压与磁饱和特性设计了泵浦电路。基于磁饱和变压器及LC谐振过程的经典模型,对磁饱和时间、次级电流变化率和峰值电流等关键参数进行了定性分析与定量计算,确定实验样机的参数范围。在此基础上,通过电路仿真与样机实验,系统分析了变压器匝比、磁芯截面积、初次级电容及磁芯材料对脉冲输出特性的影响。实验结果表明,在前级充电电压为700 V、负载为75 Ω条件下,该脉冲源获得幅值约15.9 kV、前沿约11.7 ns的高压脉冲输出,并可在1 kHz重复频率下稳定运行。研究结果为磁饱和变压器型DSRD脉冲源的参数选取与紧凑化实现提供了工程参考。
, 最新更新时间 , doi: 10.11884/HPLPB202638.250365
摘要:
针对雷击试验对脉冲电流发生器的需求,设计并研制了模块化的雷击电流模拟装置,用于模拟产生雷电直接效应和间接效应时的电流环境。模块化雷击电流模拟装置主要由A、B、C、D四个模块构成,分别可产生雷击电流分量A初始雷击电流、分量B中间电流、分量C持续电流、分量D再击电流。基于理论分析和电路仿真对四个模块的电参数进行设计,其中模块A和模块D采用储能电容与气体开关的多支路并联放电方案,模块B采用晶闸管放电方案,模块C采用超级电容器模组与固态开关直接切断电流的方案。同时,考虑到不同场景对加载距离的不同需求,通过控制电缆参数、调波电阻以及加载腔体结构的方式使加载距离在5 m至30 m范围内可调。在此基础上,研制了模块化雷击电流模拟装置并进行了初步实验测试,其输出电流波形指标满足GJB 1389A-2005中对雷击电流波形的要求。雷击电流模拟装置集成在标准集装箱内,为不同场地下各类设备开展雷击试验提供了支持。
针对雷击试验对脉冲电流发生器的需求,设计并研制了模块化的雷击电流模拟装置,用于模拟产生雷电直接效应和间接效应时的电流环境。模块化雷击电流模拟装置主要由A、B、C、D四个模块构成,分别可产生雷击电流分量A初始雷击电流、分量B中间电流、分量C持续电流、分量D再击电流。基于理论分析和电路仿真对四个模块的电参数进行设计,其中模块A和模块D采用储能电容与气体开关的多支路并联放电方案,模块B采用晶闸管放电方案,模块C采用超级电容器模组与固态开关直接切断电流的方案。同时,考虑到不同场景对加载距离的不同需求,通过控制电缆参数、调波电阻以及加载腔体结构的方式使加载距离在5 m至30 m范围内可调。在此基础上,研制了模块化雷击电流模拟装置并进行了初步实验测试,其输出电流波形指标满足GJB 1389A-2005中对雷击电流波形的要求。雷击电流模拟装置集成在标准集装箱内,为不同场地下各类设备开展雷击试验提供了支持。
, 最新更新时间 , doi: 10.11884/HPLPB202638.250399
摘要:
为满足高功率脉冲应用对大电流双极性输出及灵活调控的需求,本文提出并实现了一种基于SiC MOSFET并联全桥拓扑的紧凑集成式双极性脉冲电源系统。该系统在单板上集成主功率级、隔离驱动、辅助电源与控制保护模块,兼具高功率密度与良好扩展性。实验结果表明:在50~300 V母线电压下,输出峰值电流与母线电压保持高度线性相关,脉宽调节实现了峰值电流的连续可控,最大增幅达37%。系统可稳定输出高达±300 A的双极性脉冲电流,充分验证了大电流输出与紧凑设计的兼容性。此外,在500 ns脉宽下四管并联的均流不均匀系数为12.87%,验证了协同驱动与独立栅极电阻设计的有效性。研究结果表明,该紧凑集成方案在大电流双极性脉冲输出与参数可调性之间实现了兼顾,为中压条件下高功率脉冲源的小型化与工程化提供了实验依据和设计参考。
为满足高功率脉冲应用对大电流双极性输出及灵活调控的需求,本文提出并实现了一种基于SiC MOSFET并联全桥拓扑的紧凑集成式双极性脉冲电源系统。该系统在单板上集成主功率级、隔离驱动、辅助电源与控制保护模块,兼具高功率密度与良好扩展性。实验结果表明:在50~300 V母线电压下,输出峰值电流与母线电压保持高度线性相关,脉宽调节实现了峰值电流的连续可控,最大增幅达37%。系统可稳定输出高达±300 A的双极性脉冲电流,充分验证了大电流输出与紧凑设计的兼容性。此外,在500 ns脉宽下四管并联的均流不均匀系数为12.87%,验证了协同驱动与独立栅极电阻设计的有效性。研究结果表明,该紧凑集成方案在大电流双极性脉冲输出与参数可调性之间实现了兼顾,为中压条件下高功率脉冲源的小型化与工程化提供了实验依据和设计参考。
, 最新更新时间 , doi: 10.11884/HPLPB202638.250460
摘要:
针对脉冲功率系统中反向阻断双端固态闸流管(RBDT)采用漂移阶跃恢复二极管(DSRD)触发时对触发波形参数的设计需求,本文围绕硅基漂移阶跃恢复二极管(Si DSRD)的输出电压上升率(dv/dt)开展研究。首先基于TCAD器件仿真与等效电路模型,构建Si DSRD触发RBDT的数值分析模型,对不同dv/dt条件下RBDT的开通延迟时间、电流上升时间以及峰值电流进行了系统对比。随后搭建Si DSRD 触发实验电路,通过改变触发电路参数获得不同的DSRD输出dv/dt,并对RBDT的动态开通特性进行测量。结果表明,在给定电路参数下,随着DSRD输出dv/dt的提高,RBDT的开通延迟时间和电流上升时间缩短,峰值电流略有增加;当dv/dt提升到一定范围后,上述改善趋于减弱并逐渐趋于饱和。仿真与实验结果一致,表明Si DSRD输出波形的电压上升率对RBDT触发过程具有显著影响。该研究为脉冲功率开关应用中Si DSRD触发条件的合理选取提供了工程参考。
针对脉冲功率系统中反向阻断双端固态闸流管(RBDT)采用漂移阶跃恢复二极管(DSRD)触发时对触发波形参数的设计需求,本文围绕硅基漂移阶跃恢复二极管(Si DSRD)的输出电压上升率(dv/dt)开展研究。首先基于TCAD器件仿真与等效电路模型,构建Si DSRD触发RBDT的数值分析模型,对不同dv/dt条件下RBDT的开通延迟时间、电流上升时间以及峰值电流进行了系统对比。随后搭建Si DSRD 触发实验电路,通过改变触发电路参数获得不同的DSRD输出dv/dt,并对RBDT的动态开通特性进行测量。结果表明,在给定电路参数下,随着DSRD输出dv/dt的提高,RBDT的开通延迟时间和电流上升时间缩短,峰值电流略有增加;当dv/dt提升到一定范围后,上述改善趋于减弱并逐渐趋于饱和。仿真与实验结果一致,表明Si DSRD输出波形的电压上升率对RBDT触发过程具有显著影响。该研究为脉冲功率开关应用中Si DSRD触发条件的合理选取提供了工程参考。
, 最新更新时间 , doi: 10.11884/HPLPB202638.250366
摘要:
采用空芯式结构的补偿脉冲发电机,克服了铁磁材料磁场饱和对电机磁场强度和转速的限制,可显著提高电机储能密度和功率密度。Halbach永磁阵列具有磁屏蔽作用,可省去转子铁芯,并能产生正弦度较好的气隙磁密波形。首先,本文将结构简单、整体性强、易于优化的双层Halbach永磁阵列转子应用于空芯补偿脉冲发电机的拓扑结构中。其次,在不考虑磁场饱和的情况下,在极坐标下采用子域模型的方法,建立了空芯式补偿脉冲发电机内的空载电磁场解析计算模型。该方法从电磁场的基础理论出发,运用矢量磁位法分别对四个子区域建立拉普拉斯方程(无旋场)或泊松方程(旋度场),结合相邻子区域间的边界条件,将各个方程联合求解,得到了电机空载气隙磁密的数学表达式,并对空载气隙磁场的分布情况进行了分析。解析计算结果和有限元仿真结果的对比,验证了该方法的精确性,其计算结果能够较为真实的反应电机的静态及稳态性能。最后,研究了电机的四个主要参数与空载气隙磁密径向分量和切向分量的幅值和正弦度之间的变化关系,可为后续电机空载气隙磁场的优化和进一步计算设计提供技术支持。
采用空芯式结构的补偿脉冲发电机,克服了铁磁材料磁场饱和对电机磁场强度和转速的限制,可显著提高电机储能密度和功率密度。Halbach永磁阵列具有磁屏蔽作用,可省去转子铁芯,并能产生正弦度较好的气隙磁密波形。首先,本文将结构简单、整体性强、易于优化的双层Halbach永磁阵列转子应用于空芯补偿脉冲发电机的拓扑结构中。其次,在不考虑磁场饱和的情况下,在极坐标下采用子域模型的方法,建立了空芯式补偿脉冲发电机内的空载电磁场解析计算模型。该方法从电磁场的基础理论出发,运用矢量磁位法分别对四个子区域建立拉普拉斯方程(无旋场)或泊松方程(旋度场),结合相邻子区域间的边界条件,将各个方程联合求解,得到了电机空载气隙磁密的数学表达式,并对空载气隙磁场的分布情况进行了分析。解析计算结果和有限元仿真结果的对比,验证了该方法的精确性,其计算结果能够较为真实的反应电机的静态及稳态性能。最后,研究了电机的四个主要参数与空载气隙磁密径向分量和切向分量的幅值和正弦度之间的变化关系,可为后续电机空载气隙磁场的优化和进一步计算设计提供技术支持。
, 最新更新时间 , doi: 10.11884/HPLPB202638.250454
摘要:
针对未来聚变堆芯部加料困难这一关键问题,本研究开展了基于脉冲高功率技术的紧凑环(Compact Torus, CT)注入系统加料实验。CT是一类具有自组织磁场约束特性的高密度等离子体团,其特性使其成为聚变装置实现芯部加料的理想载体,而CT注入系统是以该类等离子体团为核心的新型加料装置。该系统以脉冲高功率电源为驱动源,通过在同轴电极内产生稳定的CT等离子体并进行二次加速,形成可长距离稳定传输的高密度等离子体团。系统放电测试结果显示,CT放电电流峰值为300 kA,平均电子密度为\begin{document}$ 1.2\times {10}^{22}{\text{ m}}^{-3} $\end{document} ,速度为220 km/s且通过诊断验证打出的等离子体团具备稳定的球马克磁场结构。在EAST托卡马克加料实验中,结果表明CT注入后等离子体储能增加了18%,等离子体密度抬升了22%,等离子体密度抬升速率为\begin{document}$ 0.4\times {10}^{20}{\text{ m}}^{-3}{\text{s}}^{-1} $\end{document} ,加料效率为39%。通过与普通注气和超声分子束进行对比分析,发现CT注入的单次注入中在注入粒子数、加料效率和粒子约束时间均表现更优。
针对未来聚变堆芯部加料困难这一关键问题,本研究开展了基于脉冲高功率技术的紧凑环(Compact Torus, CT)注入系统加料实验。CT是一类具有自组织磁场约束特性的高密度等离子体团,其特性使其成为聚变装置实现芯部加料的理想载体,而CT注入系统是以该类等离子体团为核心的新型加料装置。该系统以脉冲高功率电源为驱动源,通过在同轴电极内产生稳定的CT等离子体并进行二次加速,形成可长距离稳定传输的高密度等离子体团。系统放电测试结果显示,CT放电电流峰值为300 kA,平均电子密度为
, 最新更新时间 , doi: 10.11884/HPLPB202638.250398
摘要:
碳化硅(SiC)基光触发多门极半导体开关(LIMS)具有功率容量高,导通速度快的显著优势,在雷达、加速器以及脉冲源等方面广泛应用。针对LIMS存在的下降沿长,关断速度慢等问题,提出了一种具有关断作用的LIMS阳极结构设计。通过实验数据对仿真模型进行校准,并结合仿真对具有关断阳极结构器件的导通特性进行研究。仿真结果表明,具有关断阳极结构的器件,能在激光触发后形成pnpn结构的正反馈效应,增加导通电流。在激光结束后,随着光生载流子的复合,以及关断阳极结构对基区载流子的抽取作用,显著地提高器件的关断速度。当输入电压为4 kV时,在数百A脉冲电流放电条件下,电流脉冲宽度从0.79 μs减小到百ns以下,器件的关断时间降低至0.6 μs,可以在kHz及以上的重复频率场景中应用。
碳化硅(SiC)基光触发多门极半导体开关(LIMS)具有功率容量高,导通速度快的显著优势,在雷达、加速器以及脉冲源等方面广泛应用。针对LIMS存在的下降沿长,关断速度慢等问题,提出了一种具有关断作用的LIMS阳极结构设计。通过实验数据对仿真模型进行校准,并结合仿真对具有关断阳极结构器件的导通特性进行研究。仿真结果表明,具有关断阳极结构的器件,能在激光触发后形成pnpn结构的正反馈效应,增加导通电流。在激光结束后,随着光生载流子的复合,以及关断阳极结构对基区载流子的抽取作用,显著地提高器件的关断速度。当输入电压为4 kV时,在数百A脉冲电流放电条件下,电流脉冲宽度从0.79 μs减小到百ns以下,器件的关断时间降低至0.6 μs,可以在kHz及以上的重复频率场景中应用。
, 最新更新时间 , doi: 10.11884/HPLPB202638.250367
摘要:
高能闪光X光照相在流体动力学实验研究中具有重要应用,作为一种产生多脉冲X光的重要手段,中美俄等国家的多脉冲直线感应加速器(LIA)技术方案各具特色。本文探索了一种百kV四脉冲产生技术,即利用数十kV的低气压伪火花开关驱动三同轴电缆Blumlein线产生单脉冲高压,数十kV的单脉冲高压经感应叠加器的电压叠加产生百kV的单脉冲高压,采用相同的四套脉冲高压发生器输出百kV的单脉冲高压,经同轴高压硅堆汇流器获得四脉冲高压输出。仿真和实验结果表明:该方案可以产生脉冲间隔可调的百余kV的四脉冲高压,且该高压发生器具有结构紧凑、可移动等特点,有望成为一种新型的可应用于多脉冲直线感应加速器中的脉冲功率源。
高能闪光X光照相在流体动力学实验研究中具有重要应用,作为一种产生多脉冲X光的重要手段,中美俄等国家的多脉冲直线感应加速器(LIA)技术方案各具特色。本文探索了一种百kV四脉冲产生技术,即利用数十kV的低气压伪火花开关驱动三同轴电缆Blumlein线产生单脉冲高压,数十kV的单脉冲高压经感应叠加器的电压叠加产生百kV的单脉冲高压,采用相同的四套脉冲高压发生器输出百kV的单脉冲高压,经同轴高压硅堆汇流器获得四脉冲高压输出。仿真和实验结果表明:该方案可以产生脉冲间隔可调的百余kV的四脉冲高压,且该高压发生器具有结构紧凑、可移动等特点,有望成为一种新型的可应用于多脉冲直线感应加速器中的脉冲功率源。
, 最新更新时间 , doi: 10.11884/HPLPB202638.250342
摘要:
针对全固态 Marx 脉冲发生器电路中隔离驱动部分体积较大、成本高及集成性差等问题,提出了一种基于PCB无磁芯变压器的同步隔离驱动方案,并研制样机验证了驱动可行性。首先对无磁芯变压器进行建模,并借助Q3D电磁仿真软件提取关键电磁参数,结合实测数据进行对比,验证了模型准确性。通过对电路运行过程的理论分析与 LTspice 仿真,阐明了该方案在驱动时序和工作机理方面与传统磁芯变压器驱动存在的显著差异。最后搭建实验平台对所提出的驱动系统进行测试,结果表明该方案具备宽动态范围驱动能力、优异的电气隔离性能和良好的 PCB 工艺兼容性,验证了其可行性与工程应用潜力。
针对全固态 Marx 脉冲发生器电路中隔离驱动部分体积较大、成本高及集成性差等问题,提出了一种基于PCB无磁芯变压器的同步隔离驱动方案,并研制样机验证了驱动可行性。首先对无磁芯变压器进行建模,并借助Q3D电磁仿真软件提取关键电磁参数,结合实测数据进行对比,验证了模型准确性。通过对电路运行过程的理论分析与 LTspice 仿真,阐明了该方案在驱动时序和工作机理方面与传统磁芯变压器驱动存在的显著差异。最后搭建实验平台对所提出的驱动系统进行测试,结果表明该方案具备宽动态范围驱动能力、优异的电气隔离性能和良好的 PCB 工艺兼容性,验证了其可行性与工程应用潜力。
, 最新更新时间 , doi: 10.11884/HPLPB202638.250453
摘要:
全固态直线变压器驱动源(Solid-state Linear Transformer Driver, SSLTD)因其模块化、固态化、高可靠性和高重频的优势,已成为脉冲功率技术的重要发展方向。本文提出并研制了一种基于层叠 Blumlein 脉冲产生模块(Stacked Blumlein Pulse Generation Module, SBPGM)的紧凑型全固态直线变压器驱动源,并对其进行了实验验证。每个SBPGM 集成了由高压陶瓷电容与 PCB 分布电感构成的混合型脉冲成形网络、串并联 IGBT 开关阵列及隔离驱动电路。所提出的共地双极性充电SBPGM拓扑消除了单个模块内高压隔离的需求,并实现了驱动绝缘电压的均衡,从而显著提升了系统的紧凑性与可靠性。通过对单个SBPGM的电路仿真研究,验证了其在±5.5 kV充电电压下,输出10.8 kV的倍压输出特性以及理想的高压隔离特性。基于该模块构建的30级SSLTD样机在单级充电电压为 ±5 kV、90 Ω水电阻负载的条件下,获得了总输出电压 279 kV的准方波脉冲,且输出电流峰值为3.1 kA,脉宽(FWHM)为 77ns,上升沿(10%~90%)为 22.4 ns,重频50 Hz,对应峰值功率达0.9 GW。
全固态直线变压器驱动源(Solid-state Linear Transformer Driver, SSLTD)因其模块化、固态化、高可靠性和高重频的优势,已成为脉冲功率技术的重要发展方向。本文提出并研制了一种基于层叠 Blumlein 脉冲产生模块(Stacked Blumlein Pulse Generation Module, SBPGM)的紧凑型全固态直线变压器驱动源,并对其进行了实验验证。每个SBPGM 集成了由高压陶瓷电容与 PCB 分布电感构成的混合型脉冲成形网络、串并联 IGBT 开关阵列及隔离驱动电路。所提出的共地双极性充电SBPGM拓扑消除了单个模块内高压隔离的需求,并实现了驱动绝缘电压的均衡,从而显著提升了系统的紧凑性与可靠性。通过对单个SBPGM的电路仿真研究,验证了其在±5.5 kV充电电压下,输出10.8 kV的倍压输出特性以及理想的高压隔离特性。基于该模块构建的30级SSLTD样机在单级充电电压为 ±5 kV、90 Ω水电阻负载的条件下,获得了总输出电压 279 kV的准方波脉冲,且输出电流峰值为3.1 kA,脉宽(FWHM)为 77ns,上升沿(10%~90%)为 22.4 ns,重频50 Hz,对应峰值功率达0.9 GW。
, 最新更新时间 , doi: 10.11884/HPLPB202638.250395
摘要:
Al2O3陶瓷在电真空器件中常被用来作为绝缘部件,但在高电压加载下,其表面由于电荷积累容易产生沿面闪络现象,严重降低了整个器件的绝缘性能,影响器件的正常运行,因此,提升Al2O3陶瓷的真空绝缘性能具有十分重要的意义。本研究在Al2O3陶瓷表面制备了Cr2O3基涂层,并系统性地研究了涂层中的玻璃相对涂层陶瓷相结构、表面形貌、二次电子发射系数、表面电阻率和真空绝缘性能的影响。结果表明:陶瓷基体中的Al元素在高温下会向涂层中进行迁移。随着玻璃相含量的提高,涂层中的Cr2O3相含量逐渐降低直至完全消失,使其全部与陶瓷基体反应形成Al2-xCrxO3 (0<x<2)、Mg(Al2-yCry)O4 (0<y<2)及少量的ZnAl2O4和(Na,Ca)Al(Si,Al)3O8。涂层可以提高陶瓷表面晶粒均匀性和致密度,但玻璃相含量的变化对其微观形貌影响较小。Cr2O3涂层可以降低Al2O3陶瓷的二次电子发射系数和表面电阻率,这使得所有配方涂层陶瓷的真空绝缘性能均优于Al2O3陶瓷。随着涂层中玻璃相含量的增大,涂层陶瓷的二次电子发射系数和表面电阻率也逐渐增大。当玻璃相质量分数为20%时,涂层陶瓷绝缘性能最佳,其真空沿面耐压强度达到119.63 kV/cm。
Al2O3陶瓷在电真空器件中常被用来作为绝缘部件,但在高电压加载下,其表面由于电荷积累容易产生沿面闪络现象,严重降低了整个器件的绝缘性能,影响器件的正常运行,因此,提升Al2O3陶瓷的真空绝缘性能具有十分重要的意义。本研究在Al2O3陶瓷表面制备了Cr2O3基涂层,并系统性地研究了涂层中的玻璃相对涂层陶瓷相结构、表面形貌、二次电子发射系数、表面电阻率和真空绝缘性能的影响。结果表明:陶瓷基体中的Al元素在高温下会向涂层中进行迁移。随着玻璃相含量的提高,涂层中的Cr2O3相含量逐渐降低直至完全消失,使其全部与陶瓷基体反应形成Al2-xCrxO3 (0<x<2)、Mg(Al2-yCry)O4 (0<y<2)及少量的ZnAl2O4和(Na,Ca)Al(Si,Al)3O8。涂层可以提高陶瓷表面晶粒均匀性和致密度,但玻璃相含量的变化对其微观形貌影响较小。Cr2O3涂层可以降低Al2O3陶瓷的二次电子发射系数和表面电阻率,这使得所有配方涂层陶瓷的真空绝缘性能均优于Al2O3陶瓷。随着涂层中玻璃相含量的增大,涂层陶瓷的二次电子发射系数和表面电阻率也逐渐增大。当玻璃相质量分数为20%时,涂层陶瓷绝缘性能最佳,其真空沿面耐压强度达到119.63 kV/cm。
, 最新更新时间 , doi: 10.11884/HPLPB202638.250444
摘要:
随着高功率脉冲技术向实际应用的快速发展,对高压气体开关自击穿稳定性提出更高要求。提出了一种辅助环形刀刃调控初始电子、环形半球导通主电流的预电离阴极开关思路。设计出一种300 kV级预电离环形阴极气体开关,当开关间距为35 mm时,预电离开关刀刃处场增强因子设计为6.2,与半球处场增强因子之比为3.2。开展了数十微秒脉冲作用下开关击穿特性实验研究,结果显示,当氮气压力为0.5 MPa、重复频率为1 Hz时,预电离气体开关平均击穿电压为322.5 kV,幅值抖动为0.44%;相比纯环形半球开关,预电离气体开关击穿电压下降17.6%,幅值抖动下降82%。实验研究表明该预电离气体开关在高电压低抖动方面优势明显。
随着高功率脉冲技术向实际应用的快速发展,对高压气体开关自击穿稳定性提出更高要求。提出了一种辅助环形刀刃调控初始电子、环形半球导通主电流的预电离阴极开关思路。设计出一种300 kV级预电离环形阴极气体开关,当开关间距为35 mm时,预电离开关刀刃处场增强因子设计为6.2,与半球处场增强因子之比为3.2。开展了数十微秒脉冲作用下开关击穿特性实验研究,结果显示,当氮气压力为0.5 MPa、重复频率为1 Hz时,预电离气体开关平均击穿电压为322.5 kV,幅值抖动为0.44%;相比纯环形半球开关,预电离气体开关击穿电压下降17.6%,幅值抖动下降82%。实验研究表明该预电离气体开关在高电压低抖动方面优势明显。
, 最新更新时间 , doi: 10.11884/HPLPB202638.250389
摘要:
单通道电子倍增器(CEM)作为一种高增益电真空器件,广泛应用于质谱分析、空间探测等领域。当前国产CEM普遍存在增益低、一致性较差等问题。从模拟和实验两方面开展了高增益CEM的研制工作。模拟基于CST Studio Suite电子仿真软件,结合有限积分法、Monte Carlo法及Furman二次电子发射模型,构建了CEM三维模型,模拟了电子在CEM通道内的运动轨迹与倍增过程。仿真结果表明:CEM性能与其结构和操作参数以及通道内壁二次电子发射特性相关,当CEM喇叭口直径为13 mm、通道孔径为1.2 mm、通道直桶段长度为14 mm、弯曲段半径为15.5 mm时,CEM增益最高。基于模拟结果,开展了相关实验研究,优化了CEM结构参数。测试结果表明:同等电压下,结构优化后CEM增益提升了近5倍,实验与模拟结果一致。此外,实验采用原子层沉积技术在通道内壁制备了Al2O3膜层,测试结果表明,CEM增益提高了近20倍。为国产CEM的最优结构设计与性能提升提供重要的参考。
单通道电子倍增器(CEM)作为一种高增益电真空器件,广泛应用于质谱分析、空间探测等领域。当前国产CEM普遍存在增益低、一致性较差等问题。从模拟和实验两方面开展了高增益CEM的研制工作。模拟基于CST Studio Suite电子仿真软件,结合有限积分法、Monte Carlo法及Furman二次电子发射模型,构建了CEM三维模型,模拟了电子在CEM通道内的运动轨迹与倍增过程。仿真结果表明:CEM性能与其结构和操作参数以及通道内壁二次电子发射特性相关,当CEM喇叭口直径为13 mm、通道孔径为1.2 mm、通道直桶段长度为14 mm、弯曲段半径为15.5 mm时,CEM增益最高。基于模拟结果,开展了相关实验研究,优化了CEM结构参数。测试结果表明:同等电压下,结构优化后CEM增益提升了近5倍,实验与模拟结果一致。此外,实验采用原子层沉积技术在通道内壁制备了Al2O3膜层,测试结果表明,CEM增益提高了近20倍。为国产CEM的最优结构设计与性能提升提供重要的参考。
, 最新更新时间 , doi: 10.11884/HPLPB202638.250361
摘要:
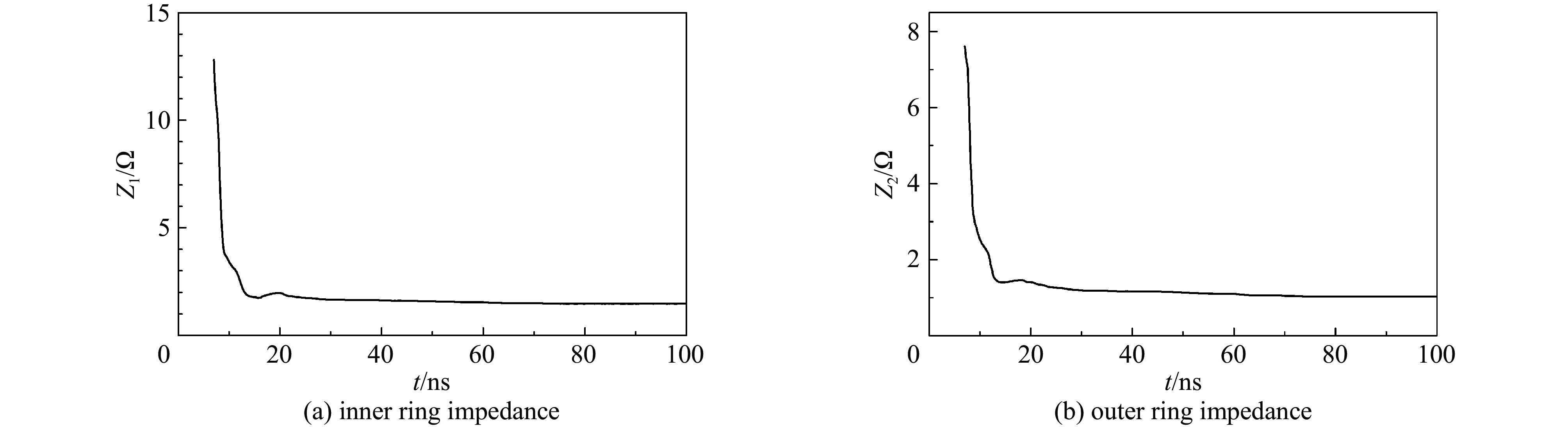
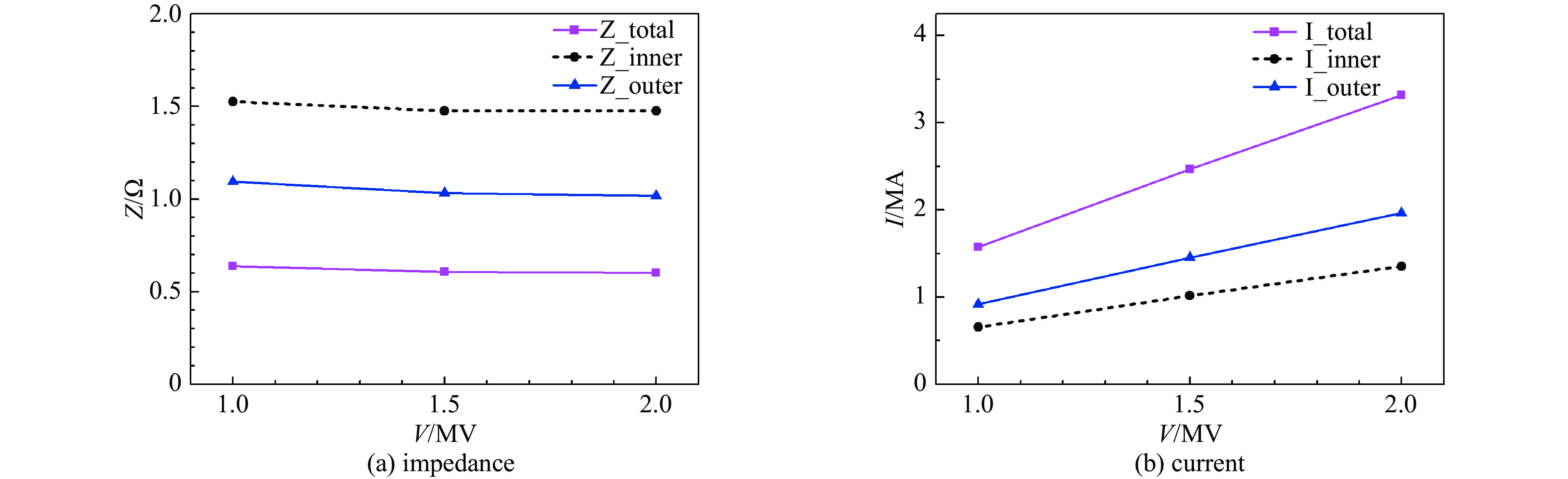
低阻抗嵌套型双环电子束二极管是一种自磁绝缘二极管。本文采用全电磁粒子模拟程序对低阻抗嵌套型双环二极管中电子束的产生和传输特性进行了较为细致的数值模拟,重点考查了电压脉冲上升过程中电子束传输特性的演化情况,并对二极管的物理特性和运行规律进行了物理分析和总结。通过数值模拟,给出了二极管中电场和角向自磁场空间分布、电子在实空间和相空间的分布、阳极靶面电子数能谱、电子落点和入射角分布等典型物理图像;给出了结构参数固定的情况下二极管电压波形和纵向间距的变化对二极管阻抗、电流以及电子束运行轨迹等的影响规律,加深了对二极管工作过程和物理特性的理解,同时可为后续利用蒙特卡罗(MC)程序计算电子轫致辐射产生的X射线剂量和辐射场的空间分布等提供电子源输入参数。当二极管电压峰值为1.5 MV时,模拟得到了到靶电流强度约为2.47 MA,阻抗约为0.6 Ω的电子束,二极管中自磁场的最大强度达到了1.7 T。
低阻抗嵌套型双环电子束二极管是一种自磁绝缘二极管。本文采用全电磁粒子模拟程序对低阻抗嵌套型双环二极管中电子束的产生和传输特性进行了较为细致的数值模拟,重点考查了电压脉冲上升过程中电子束传输特性的演化情况,并对二极管的物理特性和运行规律进行了物理分析和总结。通过数值模拟,给出了二极管中电场和角向自磁场空间分布、电子在实空间和相空间的分布、阳极靶面电子数能谱、电子落点和入射角分布等典型物理图像;给出了结构参数固定的情况下二极管电压波形和纵向间距的变化对二极管阻抗、电流以及电子束运行轨迹等的影响规律,加深了对二极管工作过程和物理特性的理解,同时可为后续利用蒙特卡罗(MC)程序计算电子轫致辐射产生的X射线剂量和辐射场的空间分布等提供电子源输入参数。当二极管电压峰值为1.5 MV时,模拟得到了到靶电流强度约为2.47 MA,阻抗约为0.6 Ω的电子束,二极管中自磁场的最大强度达到了1.7 T。
, 最新更新时间 , doi: 10.11884/HPLPB202638.250307
摘要:
重离子加速装置(HIAF)中的iLinac超导直线加速器需在低温真空环境下长期稳定运行,其运行过程中面临超导腔失超、恒温器氦压与液位异常、真空保护及功率源故障等多重风险。传统FPGA联锁保护方案存在全局协同能力差、接口资源利用率低等问题,而基于PLC的方案响应延迟达毫秒级,无法满足微秒级实时保护需求。为此,提出一种基于ZYNQ SoC的射频综合保护系统,创新采用光纤I/O通信与硬件联锁协同架构,实现多源信号高效聚合与快速处理。该系统充分利用FPGA的并行处理能力,实现了微秒级保护响应,并通过ARM处理器完成系统状态监测与远程管理。实验表明,光纤接口响应时间小于1.78 μs,干触点信号响应时间低于130μs;系统可实时监测关键信号全链路状态,并基于CS-Studio平台实现可视化控制。该设计已成功应用于HIAF超导段,为超导加速器提供了一种高可靠性、低延迟的综合保护新方案。
重离子加速装置(HIAF)中的iLinac超导直线加速器需在低温真空环境下长期稳定运行,其运行过程中面临超导腔失超、恒温器氦压与液位异常、真空保护及功率源故障等多重风险。传统FPGA联锁保护方案存在全局协同能力差、接口资源利用率低等问题,而基于PLC的方案响应延迟达毫秒级,无法满足微秒级实时保护需求。为此,提出一种基于ZYNQ SoC的射频综合保护系统,创新采用光纤I/O通信与硬件联锁协同架构,实现多源信号高效聚合与快速处理。该系统充分利用FPGA的并行处理能力,实现了微秒级保护响应,并通过ARM处理器完成系统状态监测与远程管理。实验表明,光纤接口响应时间小于1.78 μs,干触点信号响应时间低于130μs;系统可实时监测关键信号全链路状态,并基于CS-Studio平台实现可视化控制。该设计已成功应用于HIAF超导段,为超导加速器提供了一种高可靠性、低延迟的综合保护新方案。
, 最新更新时间 , doi: 10.11884/HPLPB202638.250386
摘要:
简要回顾了中物院激光聚变研究中心研究团队基于星光-Ⅲ等强激光装置,在激光驱动中子源产生及应用研究方面开展的系列工作。介绍了研究团队通过新型靶设计提升光核中子产生效率、基于靶背鞘场加速机制提高中子产额,以及利用无碰撞静电冲击波加速获得高品质中子源等若干技术途径的探索。在应用方面,研究团队初步开展了该中子源在快中子照相、器件辐照效应与核材料检测等方向的实验研究,展现了其作为短脉冲、高通量中子源的潜在应用价值。随着激光技术的不断进步和产生机制的持续优化,这种新型中子源有望在基础科学研究、核能技术发展以及工业应用等领域发挥更加重要的作用,为相关学科的发展提供新的研究手段和技术支撑。
简要回顾了中物院激光聚变研究中心研究团队基于星光-Ⅲ等强激光装置,在激光驱动中子源产生及应用研究方面开展的系列工作。介绍了研究团队通过新型靶设计提升光核中子产生效率、基于靶背鞘场加速机制提高中子产额,以及利用无碰撞静电冲击波加速获得高品质中子源等若干技术途径的探索。在应用方面,研究团队初步开展了该中子源在快中子照相、器件辐照效应与核材料检测等方向的实验研究,展现了其作为短脉冲、高通量中子源的潜在应用价值。随着激光技术的不断进步和产生机制的持续优化,这种新型中子源有望在基础科学研究、核能技术发展以及工业应用等领域发挥更加重要的作用,为相关学科的发展提供新的研究手段和技术支撑。
, 最新更新时间 , doi: 10.11884/HPLPB202638.250241
摘要:
采用蒙特卡罗方法,针对钴源容器的辐射安全性能进行了分析和验证,主要利用屏蔽容器主体、铅屏蔽层等结构实现其屏蔽功能,单根成品源不同的活度及摆放位置对钴源容器的屏蔽性能会产生影响,对比了各装载方案在不同角度剂量点的剂量率水平变化趋势,并通过MESH网格图直观反映人员可达平台的剂量率水平分布,分析结果验证了钴源容器满足国家标准GB 11806-2019《放射性物品安全运输规程》对货包辐射水平的规定,可达到其固有安全性。
采用蒙特卡罗方法,针对钴源容器的辐射安全性能进行了分析和验证,主要利用屏蔽容器主体、铅屏蔽层等结构实现其屏蔽功能,单根成品源不同的活度及摆放位置对钴源容器的屏蔽性能会产生影响,对比了各装载方案在不同角度剂量点的剂量率水平变化趋势,并通过MESH网格图直观反映人员可达平台的剂量率水平分布,分析结果验证了钴源容器满足国家标准GB 11806-2019《放射性物品安全运输规程》对货包辐射水平的规定,可达到其固有安全性。
, 最新更新时间 , doi: 10.11884/HPLPB202638.250344
摘要:
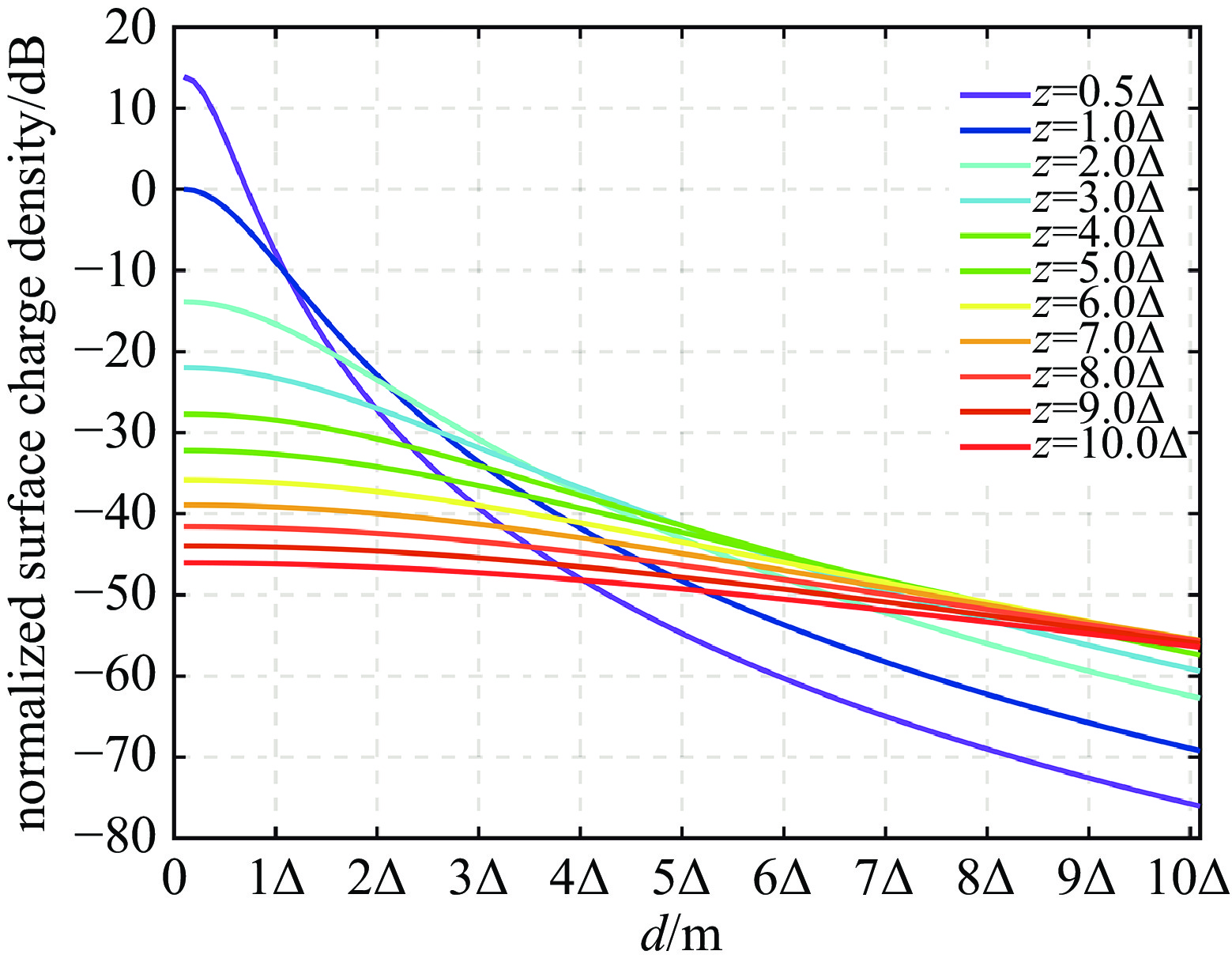
强脉冲中子在地面产生的感生放射性γ辐射场受到源位置、地面介质组分的影响,呈现不同的分布特点,进而对人员造成不同程度的辐射危害。为评估不同场景(包括源位置与地面介质组成)下的感生放射性γ辐射环境水平,支撑强脉冲辐射环境研究与相关人员防护策略制定,基于大气分层模型,通过基于蒙卡的地面感生放射性两步计算方法计算了不同土壤条件下,感生放射性的剂量分布及典型位置剂量率随时间的变化规律,拟合给出了不同核素剂量贡献公式。通过对三种典型土壤的模拟计算,给出了核素活化系数以快速评估土壤中原子活化数,并通过单位质量剂量贡献评估了土壤中各种核素的平均剂量贡献;提出了土壤的安全驻留指数与安全驻留距离两个指标以在不同时间尺度下评价不同土壤条件下的强脉冲中子感生放射性环境的安全性。结果表明,源高度1000 m以下,剂量随源高度呈指数变化规律,且活化系数随水平投影距变化明显;单位质量Mn元素具有最高的剂量贡献,低Al土壤的土壤安全驻留指数更高,且Mn、Na元素含量高的土壤安全驻留距离更短。基于以上结果,计算了用于评价感生放射性在不同时间尺度对人员的安全影响的土壤安全指数与安全驻留距离参数,为后续差异化的安全策略提供数据支持。
强脉冲中子在地面产生的感生放射性γ辐射场受到源位置、地面介质组分的影响,呈现不同的分布特点,进而对人员造成不同程度的辐射危害。为评估不同场景(包括源位置与地面介质组成)下的感生放射性γ辐射环境水平,支撑强脉冲辐射环境研究与相关人员防护策略制定,基于大气分层模型,通过基于蒙卡的地面感生放射性两步计算方法计算了不同土壤条件下,感生放射性的剂量分布及典型位置剂量率随时间的变化规律,拟合给出了不同核素剂量贡献公式。通过对三种典型土壤的模拟计算,给出了核素活化系数以快速评估土壤中原子活化数,并通过单位质量剂量贡献评估了土壤中各种核素的平均剂量贡献;提出了土壤的安全驻留指数与安全驻留距离两个指标以在不同时间尺度下评价不同土壤条件下的强脉冲中子感生放射性环境的安全性。结果表明,源高度
, 最新更新时间 , doi: 10.11884/HPLPB202638.250358
摘要:
2024年黎巴嫩贝鲁特系列爆炸事件暴露了当前检测体系存在对电子产品内微量隐蔽爆炸物的检测短板,而现有探测技术难以满足需求。提出了一种基于双能X射线计算机层析成像(CL)技术的微量爆炸物检测方法。通过Geant4搭建含微量TNT的手机仿真模型及R值测量模型,获取双能X射线投影数据;在MATLAB中采用POCS-TVM算法实现图像重建,并基于双能投影数据计算衰减系数比值R值,确定物质等效原子序数以识别爆炸物。结果显示,CL技术解决了CT对板状构件成像的局限,基于R值的算法计算出TNT等效原子序数为7.1388 ,符合爆炸物区间。该研究验证了双能CL检测微量爆炸物的可行性,为电子产品内隐蔽爆炸物识别提供新路径,对提升核安保与反恐安检能力意义重大。
2024年黎巴嫩贝鲁特系列爆炸事件暴露了当前检测体系存在对电子产品内微量隐蔽爆炸物的检测短板,而现有探测技术难以满足需求。提出了一种基于双能X射线计算机层析成像(CL)技术的微量爆炸物检测方法。通过Geant4搭建含微量TNT的手机仿真模型及R值测量模型,获取双能X射线投影数据;在MATLAB中采用POCS-TVM算法实现图像重建,并基于双能投影数据计算衰减系数比值R值,确定物质等效原子序数以识别爆炸物。结果显示,CL技术解决了CT对板状构件成像的局限,基于R值的算法计算出TNT等效原子序数为
, 最新更新时间 , doi: 10.11884/HPLPB202638.250242
摘要:
对于能量分辨能力不足的探测器,能谱解析工作能够提高核素识别和活度计算的准确度。CLYC探测器以其能够同时探测中子和γ光子的优点被广泛应用于中子-光子双模探测领域中,其能量分辨能力与高纯锗、碲锌镉等半导体探测器相比相对较差,在复杂的辐射环境中难以保证对γ能谱的分析精度。采用蒙特卡罗方法计算CLYC探测器的γ能量响应函数,并通过插值法构建探测器的能量响应矩阵,利用极大似然期望最大化算法(MLEM)进行γ能谱解析。选取0~3 MeV的能量区间,每间隔0.05 MeV计算一个响应函数,利用插值算法构建了CLYC探测器对γ射线的高精度响应矩阵,并结合MLEM算法对226Ra能谱、60Co - 137Cs混合能谱以及152Eu复杂能谱进行解谱验证,对特征峰面积进行了定量计算。结果表明:该方法能够有效克服探测器能量分辨率的限制,解谱后特征峰位清晰,复杂能谱中的重峰区域实现了有效分离,特征峰面积计算结果稳定,清晰反映了入射γ射线的能量和强度信息,提高了能谱分析的精度。
对于能量分辨能力不足的探测器,能谱解析工作能够提高核素识别和活度计算的准确度。CLYC探测器以其能够同时探测中子和γ光子的优点被广泛应用于中子-光子双模探测领域中,其能量分辨能力与高纯锗、碲锌镉等半导体探测器相比相对较差,在复杂的辐射环境中难以保证对γ能谱的分析精度。采用蒙特卡罗方法计算CLYC探测器的γ能量响应函数,并通过插值法构建探测器的能量响应矩阵,利用极大似然期望最大化算法(MLEM)进行γ能谱解析。选取0~3 MeV的能量区间,每间隔0.05 MeV计算一个响应函数,利用插值算法构建了CLYC探测器对γ射线的高精度响应矩阵,并结合MLEM算法对226Ra能谱、60Co - 137Cs混合能谱以及152Eu复杂能谱进行解谱验证,对特征峰面积进行了定量计算。结果表明:该方法能够有效克服探测器能量分辨率的限制,解谱后特征峰位清晰,复杂能谱中的重峰区域实现了有效分离,特征峰面积计算结果稳定,清晰反映了入射γ射线的能量和强度信息,提高了能谱分析的精度。
, 最新更新时间 , doi: 10.11884/HPLPB202638.250281
摘要:
蒙特卡罗方法进行辐射屏蔽模拟时效率低下,使用特定的降方差技巧是加速辐射屏蔽模拟的方法之一,另一种更通用的方法是使用大规模并行技术从硬件方面提升模拟速度。目前由于人工智能技术发展引起的对算力的庞大需求,各大超算平台对大规模GPU并行架构的支持稳步提升,为了适应目前和未来超算平台的GPU并行架构,开发适用于GPU平台的蒙特卡罗输运算法很有必要。本文旨在利用GPU并行加速NECP-MCX蒙特卡罗粒子输运程序的固定源计算,进而加速辐射屏蔽输运模拟。本文分析了GPU事件并行算法在固定源计算模式下的特性,在NECP-MCX程序中初步部署了GPU事件并行算法,基于简单固定源问题进行了测试分析,结果表明,最大同时模拟事件数与模拟速度正相关,对粒子信息排序能够加速28%,GPU并行速度为单核CPU运行速度的25倍。初步的GPU并行加速展现出了显著的加速潜力,然而,若要充分挖掘其能力并优化整体性能,需要进一步的研究。
蒙特卡罗方法进行辐射屏蔽模拟时效率低下,使用特定的降方差技巧是加速辐射屏蔽模拟的方法之一,另一种更通用的方法是使用大规模并行技术从硬件方面提升模拟速度。目前由于人工智能技术发展引起的对算力的庞大需求,各大超算平台对大规模GPU并行架构的支持稳步提升,为了适应目前和未来超算平台的GPU并行架构,开发适用于GPU平台的蒙特卡罗输运算法很有必要。本文旨在利用GPU并行加速NECP-MCX蒙特卡罗粒子输运程序的固定源计算,进而加速辐射屏蔽输运模拟。本文分析了GPU事件并行算法在固定源计算模式下的特性,在NECP-MCX程序中初步部署了GPU事件并行算法,基于简单固定源问题进行了测试分析,结果表明,最大同时模拟事件数与模拟速度正相关,对粒子信息排序能够加速28%,GPU并行速度为单核CPU运行速度的25倍。初步的GPU并行加速展现出了显著的加速潜力,然而,若要充分挖掘其能力并优化整体性能,需要进一步的研究。
, 最新更新时间 , doi: 10.11884/HPLPB202638.250378
摘要:
使用基于裂变响应函数算法的FLASH程序,在具有复杂堆芯结构的AP1000反应堆内进行计算验证。通过基于Serpent蒙特卡罗程序的参考工况计算构建裂变响应函数数据库,结合局部组件间环境效应修正因子算法,有效消除了组件状态差异对计算精度的影响。同时,采用预估-校正法对反射层进行了精确模拟。自主开发的FLASH程序在AP1000 堆芯热态零功率工况下进行了数值验证,结果表明:与蒙特卡罗参考解相比,各2D轴向切片的有效增值系数偏差均控制在+220 pcm以内,全堆三维有效增值系数偏差为+209 pcm;2D棒功率分布的均方根误差低于1.1%,三维棒功率均方根误差为1.05%,组件功率均方根误差为0.67%。在20核并行条件下,FLASH程序实现了AP1000全堆三维计算,耗时仅为73秒,验证了所提方法的高效性与高精度。
使用基于裂变响应函数算法的FLASH程序,在具有复杂堆芯结构的AP1000反应堆内进行计算验证。通过基于Serpent蒙特卡罗程序的参考工况计算构建裂变响应函数数据库,结合局部组件间环境效应修正因子算法,有效消除了组件状态差异对计算精度的影响。同时,采用预估-校正法对反射层进行了精确模拟。自主开发的FLASH程序在AP1000 堆芯热态零功率工况下进行了数值验证,结果表明:与蒙特卡罗参考解相比,各2D轴向切片的有效增值系数偏差均控制在+220 pcm以内,全堆三维有效增值系数偏差为+209 pcm;2D棒功率分布的均方根误差低于1.1%,三维棒功率均方根误差为1.05%,组件功率均方根误差为0.67%。在20核并行条件下,FLASH程序实现了AP1000全堆三维计算,耗时仅为73秒,验证了所提方法的高效性与高精度。
, 最新更新时间 , doi: 10.11884/HPLPB202638.250168
摘要:
无损检测方法在各领域都上发挥着重要的作用,伽马射线、热中子成像均是重要的无损检测方法,各有优劣,在许多方面上具有互补性。热中子-伽马射线双模成像将两者融合,在兼具这两类射线检测方法优点的同时,与单一射线检测相比,还具有物质识别的能力。以原子能院正在研发的18 MeV回旋加速器为设计基础,利用质子加速器驱动的中子源可同时产生中子和伽马射线这一特性,通过模拟对双模成像中子源进行研究。其中选用具有高(p, n)反应截面的铍做中子靶产生中子,为得到热中子,用聚乙烯做中子慢化体和反射体。利用热中子和伽马束流在空间上的分布不同,通过设计在不同空间取向上分别引出这两种射线,实现一靶同时得到两种射线。此外,通过在聚乙烯上对中子引出口和伽马射线引出口的设计,进一步提高热中子束流和伽马射线束流的引出效率。
无损检测方法在各领域都上发挥着重要的作用,伽马射线、热中子成像均是重要的无损检测方法,各有优劣,在许多方面上具有互补性。热中子-伽马射线双模成像将两者融合,在兼具这两类射线检测方法优点的同时,与单一射线检测相比,还具有物质识别的能力。以原子能院正在研发的18 MeV回旋加速器为设计基础,利用质子加速器驱动的中子源可同时产生中子和伽马射线这一特性,通过模拟对双模成像中子源进行研究。其中选用具有高(p, n)反应截面的铍做中子靶产生中子,为得到热中子,用聚乙烯做中子慢化体和反射体。利用热中子和伽马束流在空间上的分布不同,通过设计在不同空间取向上分别引出这两种射线,实现一靶同时得到两种射线。此外,通过在聚乙烯上对中子引出口和伽马射线引出口的设计,进一步提高热中子束流和伽马射线束流的引出效率。
, 最新更新时间 , doi: 10.11884/HPLPB202638.250291
摘要:
硼中子俘获治疗(BNCT)作为创新型二元靶向治疗技术,通过肿瘤靶向性10B药物与中子束照射协同作用,实现细胞层面的精准治疗,但因中子输运过程复杂,临床治疗计划制定依赖的蒙特卡罗方法存在计算耗时长的问题,且该技术针对头部肿瘤的剂量学研究不足。本研究针对BNCT治疗需求,基于NECP-MCX开展了蒙特卡罗算法的加速优化与前后处理模块开发,将单次剂量计算时间从2小时缩短至9.4分钟;并采用MCNP与NECP-MCX两种蒙特卡罗程序,对一例头部肿瘤病例开展剂量分布计算研究,验证了前后端处理和计算核心的准确性,也确保了数据可靠。该肿瘤案例的计算结果表明,在有效治疗深度内,具有显著的肿瘤靶向硼剂量沉积特性。治疗效果上,BNCT能够实现在63分钟的治疗时间,保证肿瘤靶区剂量90%的区域达到60 Gy的最佳治疗剂量的同时,健康组织剂量低于12.5 Gy。
硼中子俘获治疗(BNCT)作为创新型二元靶向治疗技术,通过肿瘤靶向性10B药物与中子束照射协同作用,实现细胞层面的精准治疗,但因中子输运过程复杂,临床治疗计划制定依赖的蒙特卡罗方法存在计算耗时长的问题,且该技术针对头部肿瘤的剂量学研究不足。本研究针对BNCT治疗需求,基于NECP-MCX开展了蒙特卡罗算法的加速优化与前后处理模块开发,将单次剂量计算时间从2小时缩短至9.4分钟;并采用MCNP与NECP-MCX两种蒙特卡罗程序,对一例头部肿瘤病例开展剂量分布计算研究,验证了前后端处理和计算核心的准确性,也确保了数据可靠。该肿瘤案例的计算结果表明,在有效治疗深度内,具有显著的肿瘤靶向硼剂量沉积特性。治疗效果上,BNCT能够实现在63分钟的治疗时间,保证肿瘤靶区剂量90%的区域达到60 Gy的最佳治疗剂量的同时,健康组织剂量低于12.5 Gy。
, 最新更新时间 , doi: 10.11884/HPLPB202638.250479
摘要:
雪崩三极管广泛应用于微波器件、脉冲电源等场景。由于其有瞬时大功率的特性,在散热方面存在很大的挑战。雪崩三极管的工作区域在微米级。在微观尺度上,经典的傅里叶热传导定律不再适用,其散热原理与宏观尺度上的散热原理有明显的不同。玻尔兹曼输运方程(BTE)在多个时空尺度上成立,可以描述微观尺度上的热输运现象。本文以声子BTE为控制方程,采用格子-玻尔兹曼方法(Lattice-Boltzmann Method,LBM)进行离散和求解,建立了微尺度下非傅里叶导热过程的介观数值模型。利用该模型模拟了雪崩三极管的加热过程。采用TCAD电热耦合仿真的焦耳热功率结果作为非傅里叶导热模型温度预测的输入条件。用非傅里叶导热模型预测的雪崩三极管峰值最高温度高于传统傅里叶导热模型的结果。
雪崩三极管广泛应用于微波器件、脉冲电源等场景。由于其有瞬时大功率的特性,在散热方面存在很大的挑战。雪崩三极管的工作区域在微米级。在微观尺度上,经典的傅里叶热传导定律不再适用,其散热原理与宏观尺度上的散热原理有明显的不同。玻尔兹曼输运方程(BTE)在多个时空尺度上成立,可以描述微观尺度上的热输运现象。本文以声子BTE为控制方程,采用格子-玻尔兹曼方法(Lattice-Boltzmann Method,LBM)进行离散和求解,建立了微尺度下非傅里叶导热过程的介观数值模型。利用该模型模拟了雪崩三极管的加热过程。采用TCAD电热耦合仿真的焦耳热功率结果作为非傅里叶导热模型温度预测的输入条件。用非傅里叶导热模型预测的雪崩三极管峰值最高温度高于传统傅里叶导热模型的结果。
, 最新更新时间 , doi: 10.11884/HPLPB202638.250446
摘要:
为进一步提升相对论返波管高功率微波产生器的功率容量,本文提出一种采用表面自纳米化技术抑制相对论返波管强电磁场真空击穿的新思路,并通过实验研究了超声冲击和微粒子喷丸这两种技术对工业纯钛处理后的表面自纳米化效果、场致电子发射特性和强电磁场真空击穿性能。微观形貌和X射线衍射分析结果表明,超声冲击处理后在工业纯钛表层2~3 μm范围内形成梯度纳米化层,表面晶粒细化至约40 nm;微粒子喷丸处理后在工业纯钛表层30 μm范围内形成梯度纳米化层,表面晶粒细化至约48 nm。场致电子发射测试电场-电流曲线表明,表面自纳米化处理可以抑制场致电子发射,尤其是超声冲击处理可以显著抑制工业纯钛的场致电子发射。对比分析输出微波波形和结构壁损伤痕迹发现,超声冲击和微粒子喷丸处理可减弱微波尾蚀和结构壁损伤,证明其确实能够抑制慢波结构强电磁场真空击穿。
为进一步提升相对论返波管高功率微波产生器的功率容量,本文提出一种采用表面自纳米化技术抑制相对论返波管强电磁场真空击穿的新思路,并通过实验研究了超声冲击和微粒子喷丸这两种技术对工业纯钛处理后的表面自纳米化效果、场致电子发射特性和强电磁场真空击穿性能。微观形貌和X射线衍射分析结果表明,超声冲击处理后在工业纯钛表层2~3 μm范围内形成梯度纳米化层,表面晶粒细化至约40 nm;微粒子喷丸处理后在工业纯钛表层30 μm范围内形成梯度纳米化层,表面晶粒细化至约48 nm。场致电子发射测试电场-电流曲线表明,表面自纳米化处理可以抑制场致电子发射,尤其是超声冲击处理可以显著抑制工业纯钛的场致电子发射。对比分析输出微波波形和结构壁损伤痕迹发现,超声冲击和微粒子喷丸处理可减弱微波尾蚀和结构壁损伤,证明其确实能够抑制慢波结构强电磁场真空击穿。
, 最新更新时间 , doi: 10.11884/HPLPB202638.250312
摘要:
为满足磁控管在大规模阵列化应用中对工作频率可控性及输出一致性的需求,本文结合注入锁定与互耦锁相两种锁相机制的技术优势,提出了一种基于注入锁定的互耦磁控管阵列幅值一致性调控方法。阵列中的五个磁控管通过定向耦合器与同轴线构成级联互耦结构,仅对位于阵列中心的磁控管注入外部信号,利用磁控管之间的互耦路径实现对整个阵列工作频率的牵引与控制。通过高功率实验,对磁控管自由振荡、仅互耦以及外部注入频率分别为2.466 GHz、2.465 GHz和2.464 GHz的五种情况下输出信号进行系统采集与分析。实验结果表明,在互耦锁相状态下引入外部注入信号,会改变级联磁控管阵列的整体频率特性,从而影响阵列输出信号的幅值分布;通过调节外部注入信号的频率和功率,可进一步实现对阵列磁控管输出信号幅值的有效调控。利用输出信号功率谱密度峰值的样本方差对不同情况下输出幅值的离散程度进行定量表征,结果显示在注入功率为100 W的条件下,阵列的功率谱密度峰值的方差由1.868降低至0.446,输出信号幅值一致性得到显著提升。该方法具备良好的扩展性与工程应用潜力,适用于大规模阵列化条件下的相干功率合成和相位扫描等应用场景。
为满足磁控管在大规模阵列化应用中对工作频率可控性及输出一致性的需求,本文结合注入锁定与互耦锁相两种锁相机制的技术优势,提出了一种基于注入锁定的互耦磁控管阵列幅值一致性调控方法。阵列中的五个磁控管通过定向耦合器与同轴线构成级联互耦结构,仅对位于阵列中心的磁控管注入外部信号,利用磁控管之间的互耦路径实现对整个阵列工作频率的牵引与控制。通过高功率实验,对磁控管自由振荡、仅互耦以及外部注入频率分别为2.466 GHz、2.465 GHz和2.464 GHz的五种情况下输出信号进行系统采集与分析。实验结果表明,在互耦锁相状态下引入外部注入信号,会改变级联磁控管阵列的整体频率特性,从而影响阵列输出信号的幅值分布;通过调节外部注入信号的频率和功率,可进一步实现对阵列磁控管输出信号幅值的有效调控。利用输出信号功率谱密度峰值的样本方差对不同情况下输出幅值的离散程度进行定量表征,结果显示在注入功率为100 W的条件下,阵列的功率谱密度峰值的方差由1.868降低至0.446,输出信号幅值一致性得到显著提升。该方法具备良好的扩展性与工程应用潜力,适用于大规模阵列化条件下的相干功率合成和相位扫描等应用场景。
, 最新更新时间 , doi: 10.11884/HPLPB202638.250473
摘要:
为了满足带状注真空电子器件需要宽带的运行要求,设计和分析了一款应用于Ka波段带状注行波管的具有气隙非接触式的带有双层扼流槽的宽带扼流降压输出段结构,以传统矩形波导的设计理论为基础,通过优化输出段结构和添加匹配阶梯波导等手段,并利用HFSS仿真软件对输出段进行建模和仿真分析。研究表明,采用扼流槽不仅可以实现有效抑制泄漏,还可以实现极宽的工作带宽。HFSS仿真软件分析结果表明:在反射系数为−20 dB以下的绝对带宽为11.9 GHz,在毫米波频段下,在波导互连处存在泄漏很常见,通过本文设计的扼流槽仿真结果下传输效率能达到93.3%,相对带宽为36.9%,达到了宽带的要求。仿真结果和实物冷测实验结果表明,该输出段结构具有工作带宽大,传输效率高,反射较低,能够提供降压功能的特点,且具有一定的抗干扰性和可靠性。
为了满足带状注真空电子器件需要宽带的运行要求,设计和分析了一款应用于Ka波段带状注行波管的具有气隙非接触式的带有双层扼流槽的宽带扼流降压输出段结构,以传统矩形波导的设计理论为基础,通过优化输出段结构和添加匹配阶梯波导等手段,并利用HFSS仿真软件对输出段进行建模和仿真分析。研究表明,采用扼流槽不仅可以实现有效抑制泄漏,还可以实现极宽的工作带宽。HFSS仿真软件分析结果表明:在反射系数为−20 dB以下的绝对带宽为11.9 GHz,在毫米波频段下,在波导互连处存在泄漏很常见,通过本文设计的扼流槽仿真结果下传输效率能达到93.3%,相对带宽为36.9%,达到了宽带的要求。仿真结果和实物冷测实验结果表明,该输出段结构具有工作带宽大,传输效率高,反射较低,能够提供降压功能的特点,且具有一定的抗干扰性和可靠性。
, 最新更新时间 , doi: 10.11884/HPLPB202638.250450
摘要:
针对无人机军事威胁与民用安全风险,微波技术因具备“低成本、面杀伤、全天候”的优势,成为反无人机核心手段,其效应研究是装备研发与防护设计的基础。本文综述无人机微波效应研究进展:前门效应通过数据链、导航等子系统的有意电磁通道耦合,低噪声放大器等为敏感部件,效应阈值与频率匹配度密切相关;后门效应经外壳孔缝、电缆、PCB等无意通道耦合,电缆是主要路径,后门耦合研究仍薄弱。系统级效应呈层级化失效,阈值受无人机型号、微波参数及姿态影响。当前研究存在耦合机制“黑匣子”、方法碎片化、防护衔接不足等问题。未来需突破多路径协同耦合建模、复杂场景评估及反制-防护协同技术。本文为该领域研究提供系统性参考,支撑反无人机装备研发与无人机安全应用。
针对无人机军事威胁与民用安全风险,微波技术因具备“低成本、面杀伤、全天候”的优势,成为反无人机核心手段,其效应研究是装备研发与防护设计的基础。本文综述无人机微波效应研究进展:前门效应通过数据链、导航等子系统的有意电磁通道耦合,低噪声放大器等为敏感部件,效应阈值与频率匹配度密切相关;后门效应经外壳孔缝、电缆、PCB等无意通道耦合,电缆是主要路径,后门耦合研究仍薄弱。系统级效应呈层级化失效,阈值受无人机型号、微波参数及姿态影响。当前研究存在耦合机制“黑匣子”、方法碎片化、防护衔接不足等问题。未来需突破多路径协同耦合建模、复杂场景评估及反制-防护协同技术。本文为该领域研究提供系统性参考,支撑反无人机装备研发与无人机安全应用。
, 最新更新时间 , doi: 10.11884/HPLPB202638.250424
摘要:
金刚石优异的材料特性,认为是用作光导开关器件的理想候选材料。然而,金刚石光导开关器件暴露出导通电阻大及器件耐压低的问题。为提升金刚石光导开关的器件性能,采用不同氮掺杂浓度及厚度的单晶金刚石材料,并通过氮化硅材料钝化处理,制作了垂直结构的金刚石光导开关器件。通过表征手段获取了金刚石的掺杂浓度梯度。以波长为532 nm的激光作为触发源,在不同的直流偏置下获得了光导开关器件的开关响应特性。实验结果表明:氮掺杂金刚石光导开关器件均展现出优异的开关比(~1011),及亚纳秒量级的上升沿及下降沿性能。其中,氮掺杂浓度高的金刚石材料,其对应的光导开关器件导通电阻小。通过降低金刚石材料厚度,在偏压为4 kV(电场强度为110 kV/cm)下实现了光导开关器件导通电阻为28.9 Ω,对应的输出峰值功率为128 kW,进一步提升了器件性能。通过氮掺杂浓度设计、衬底厚度减薄及氮化硅钝化处理等,本工作成功制备了具有较好性能的金刚石光导开关器件,为金刚石光导开关器件的性能提升提供指导。
金刚石优异的材料特性,认为是用作光导开关器件的理想候选材料。然而,金刚石光导开关器件暴露出导通电阻大及器件耐压低的问题。为提升金刚石光导开关的器件性能,采用不同氮掺杂浓度及厚度的单晶金刚石材料,并通过氮化硅材料钝化处理,制作了垂直结构的金刚石光导开关器件。通过表征手段获取了金刚石的掺杂浓度梯度。以波长为532 nm的激光作为触发源,在不同的直流偏置下获得了光导开关器件的开关响应特性。实验结果表明:氮掺杂金刚石光导开关器件均展现出优异的开关比(~1011),及亚纳秒量级的上升沿及下降沿性能。其中,氮掺杂浓度高的金刚石材料,其对应的光导开关器件导通电阻小。通过降低金刚石材料厚度,在偏压为4 kV(电场强度为110 kV/cm)下实现了光导开关器件导通电阻为28.9 Ω,对应的输出峰值功率为128 kW,进一步提升了器件性能。通过氮掺杂浓度设计、衬底厚度减薄及氮化硅钝化处理等,本工作成功制备了具有较好性能的金刚石光导开关器件,为金刚石光导开关器件的性能提升提供指导。
, 最新更新时间 , doi: 10.11884/HPLPB202638.250347
摘要:
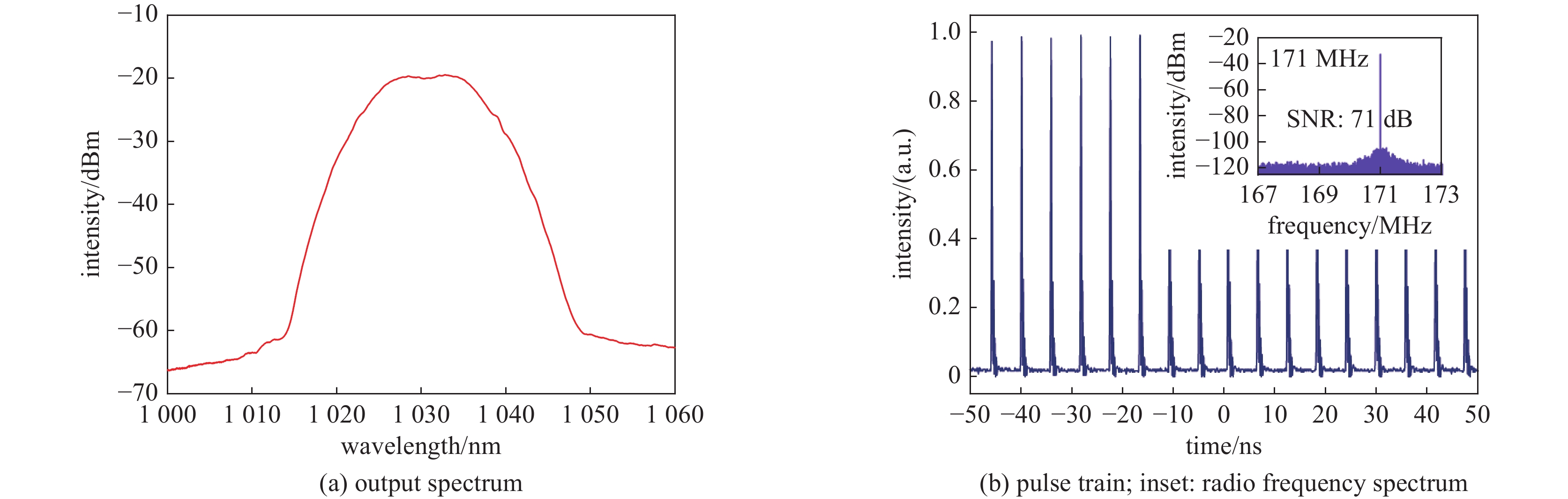
报道了一种基于被动谐波锁模种子源的 GHz 重复频率飞秒光纤激光放大系统,实现了1~3 GHz范围内的稳定运行。系统采用两级放大器并结合色散管理技术,在全调谐范围内均保持稳定输出。在脉冲重复频率为3.1 GHz和2.0 GHz的条件下,分别实现了2.1 W的平均输出功率和195 fs的最窄脉冲宽度,且相应放大后的边模抑制比均保持在33 dB以上。结果表明,该方案能够在宽频率范围内实现稳定的高功率放大与脉冲压缩,为高重复频率超快光纤激光的应用奠定了实验基础。
报道了一种基于被动谐波锁模种子源的 GHz 重复频率飞秒光纤激光放大系统,实现了1~3 GHz范围内的稳定运行。系统采用两级放大器并结合色散管理技术,在全调谐范围内均保持稳定输出。在脉冲重复频率为3.1 GHz和2.0 GHz的条件下,分别实现了2.1 W的平均输出功率和195 fs的最窄脉冲宽度,且相应放大后的边模抑制比均保持在33 dB以上。结果表明,该方案能够在宽频率范围内实现稳定的高功率放大与脉冲压缩,为高重复频率超快光纤激光的应用奠定了实验基础。

Email alert
RSS
