2018年 30卷 第2期
推荐文章
显示方式:
2018, 30: 020101.
doi: 10.11884/HPLPB201830.170454
摘要:
提出采用方向时变(旋转)的驱动磁场(交替Θ-Z箍缩构型)或者多级嵌套Θ-Z箍缩构型来抑制动态Z箍缩的MRT不稳定性的概念,介绍了对交替/嵌套Θ-Z箍缩MRT不稳定性的最新研究进展,结果表明适当优化的交替/嵌套Θ-Z箍缩的MRT不稳定性明显远低于标准Θ箍缩或者Z箍缩的,一定厚度时甚至被完全致稳,这表明交替/嵌套Θ-Z箍缩构型具有潜力应用于Θ-Z箍缩套筒惯性聚变。
提出采用方向时变(旋转)的驱动磁场(交替Θ-Z箍缩构型)或者多级嵌套Θ-Z箍缩构型来抑制动态Z箍缩的MRT不稳定性的概念,介绍了对交替/嵌套Θ-Z箍缩MRT不稳定性的最新研究进展,结果表明适当优化的交替/嵌套Θ-Z箍缩的MRT不稳定性明显远低于标准Θ箍缩或者Z箍缩的,一定厚度时甚至被完全致稳,这表明交替/嵌套Θ-Z箍缩构型具有潜力应用于Θ-Z箍缩套筒惯性聚变。
2018, 30: 020201.
doi: 10.11884/HPLPB201830.170337
摘要:
传统的高功率重复频率脉冲功率源通常以低电压储能、升压、高压脉冲形成线、输出的顺序工作。因而系统至少包括低压储能和高压脉冲形成线两个储能环节,同时高压脉冲形成线的体积随着电压的升高快速增长。针对这些问题,课题组提出了一种高功率重复频率Marx型脉冲功率源小型化研究的设计思路和实现方式,并开展了相关技术研究。主要介绍了课题组在关键技术上取得的重要进展,包括高储能密度的储能/脉冲成形一体化技术、低抖动重复频率气体开关技术、低抖动高能触发技术、紧凑型Marx高压串叠技术等一系列关键技术。同时介绍了课题组研制的几种典型紧凑结构重复频率Marx型脉冲功率装置:同轴结构快Marx发生器、基于薄膜介质线的脉冲功率源、模块化低阻抗紧凑型Marx发生器、20 GW高功率重复频率脉冲驱动源。通过探讨关键技术研究及其发展现状,为未来脉冲功率源小型化研究的发展和应用方向提供参考。
传统的高功率重复频率脉冲功率源通常以低电压储能、升压、高压脉冲形成线、输出的顺序工作。因而系统至少包括低压储能和高压脉冲形成线两个储能环节,同时高压脉冲形成线的体积随着电压的升高快速增长。针对这些问题,课题组提出了一种高功率重复频率Marx型脉冲功率源小型化研究的设计思路和实现方式,并开展了相关技术研究。主要介绍了课题组在关键技术上取得的重要进展,包括高储能密度的储能/脉冲成形一体化技术、低抖动重复频率气体开关技术、低抖动高能触发技术、紧凑型Marx高压串叠技术等一系列关键技术。同时介绍了课题组研制的几种典型紧凑结构重复频率Marx型脉冲功率装置:同轴结构快Marx发生器、基于薄膜介质线的脉冲功率源、模块化低阻抗紧凑型Marx发生器、20 GW高功率重复频率脉冲驱动源。通过探讨关键技术研究及其发展现状,为未来脉冲功率源小型化研究的发展和应用方向提供参考。
2018, 30: 021001.
doi: 10.11884/HPLPB201830.170344
摘要:
能量回收型直线加速器(ERL)可能提供低发射度、高平均流强的连续电子束团,其电子枪的光阴极需要高重复频率、高平均功率的驱动激光系统。采用先进的光纤激光技术,特别是在激光系统中采用了掺镱光子晶体增益光纤,能实现高重复频率高平均功率激光输出。利用啁啾脉冲放大(CPA)技术,通过优化设计,将重复频率100 MHz和1.3 GHz的两套激光振荡源集成到同一个激光系统,整个激光系统的结构简化,使用方便。两种重复频率激光倍频效率分别达到50%和30%,绿光能达到5 W以上,满足光阴极实验平台的使用要求。
能量回收型直线加速器(ERL)可能提供低发射度、高平均流强的连续电子束团,其电子枪的光阴极需要高重复频率、高平均功率的驱动激光系统。采用先进的光纤激光技术,特别是在激光系统中采用了掺镱光子晶体增益光纤,能实现高重复频率高平均功率激光输出。利用啁啾脉冲放大(CPA)技术,通过优化设计,将重复频率100 MHz和1.3 GHz的两套激光振荡源集成到同一个激光系统,整个激光系统的结构简化,使用方便。两种重复频率激光倍频效率分别达到50%和30%,绿光能达到5 W以上,满足光阴极实验平台的使用要求。
2018, 30: 021002.
doi: 10.11884/HPLPB201830.170271
摘要:
研究了强激光辐照碳/碳复合材料靶材引起的烧蚀现象及蒸气压对烧蚀速率的影响。基于傅里叶定律,建立了强激光辐照靶材的热传导模型,模拟了忽略蒸气压影响时烧蚀速率随功率的变化;通过Mott-smith近似方法描述了Knudsen层间断区域,分析了间断两侧表面粒子状态参数;结合质量连续方程和蒸气压与温度关系方程,并由气体状态方程描述蒸气流状态,对蒸气压条件下激光烧蚀碳/碳复合材料靶材的速率随功率变化的关系进行了数值模拟。结果表明,在高能激光对靶材的烧蚀过程中,蒸气压力变化会导致靶材的饱和蒸气温度发生变化,进而影响烧蚀速率且使其随功率呈非线性变化,与忽略蒸气压作用时的线性变化规律相差较大,从理论上解释了忽略蒸气压导致的实验数据与理论结果的差异。
研究了强激光辐照碳/碳复合材料靶材引起的烧蚀现象及蒸气压对烧蚀速率的影响。基于傅里叶定律,建立了强激光辐照靶材的热传导模型,模拟了忽略蒸气压影响时烧蚀速率随功率的变化;通过Mott-smith近似方法描述了Knudsen层间断区域,分析了间断两侧表面粒子状态参数;结合质量连续方程和蒸气压与温度关系方程,并由气体状态方程描述蒸气流状态,对蒸气压条件下激光烧蚀碳/碳复合材料靶材的速率随功率变化的关系进行了数值模拟。结果表明,在高能激光对靶材的烧蚀过程中,蒸气压力变化会导致靶材的饱和蒸气温度发生变化,进而影响烧蚀速率且使其随功率呈非线性变化,与忽略蒸气压作用时的线性变化规律相差较大,从理论上解释了忽略蒸气压导致的实验数据与理论结果的差异。
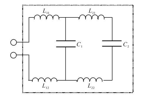
2018, 30: 021003.
doi: 10.11884/HPLPB201830.170296
摘要:
基于Monin-Obukhov相似性理论,采用MARIAH算法,利用成都和茂名两个地区、两个高度层上的温度、湿度、风速等常规气象参数估算折射率结构常数,并对估算值与温度脉动仪测量值进行比较分析。结果显示:利用常规气象参数估算得到的成都与茂名的折射率结构常数在变化趋势及量级上基本符合温度脉动仪测量值。成都和茂名的折射率结构常数估算值与测量值的相关系数分别为0.86与0.92,平均绝对值偏差分别为0.410与0.414。因此,采用MARIAH算法估算陆地和近海面大气光学折射率结构常数是可行的;茂名中午时刻的折射率结构常数峰值比成都大一个量级。
基于Monin-Obukhov相似性理论,采用MARIAH算法,利用成都和茂名两个地区、两个高度层上的温度、湿度、风速等常规气象参数估算折射率结构常数,并对估算值与温度脉动仪测量值进行比较分析。结果显示:利用常规气象参数估算得到的成都与茂名的折射率结构常数在变化趋势及量级上基本符合温度脉动仪测量值。成都和茂名的折射率结构常数估算值与测量值的相关系数分别为0.86与0.92,平均绝对值偏差分别为0.410与0.414。因此,采用MARIAH算法估算陆地和近海面大气光学折射率结构常数是可行的;茂名中午时刻的折射率结构常数峰值比成都大一个量级。
2018, 30: 022001.
doi: 10.11884/HPLPB201830.170263
摘要:
脉冲氙灯作为放大器的泵浦源,其泵浦效率直接影响放大器效率。环形氙灯被证明是一种有望提高泵浦效率, 并代替目前直管氙灯工作的新型氙灯。针对不同气压、不同结构的环形氙灯,通过实验研究了气压和内径对环形氙灯放电特性、光效特性以及爆炸特性的影响。结果表明,增加环形氙灯气压和内径可提高其光学效率,被泵浦钕玻璃的荧光最大可提高峰值22.3%,积分值15.7%。但是,增加气压和内径会降低环形氙灯的热负载能力。实验发现气压为26 664 Pa,内径为30 mm的环形氙灯拥有最佳光效并能通过寿命测试。
脉冲氙灯作为放大器的泵浦源,其泵浦效率直接影响放大器效率。环形氙灯被证明是一种有望提高泵浦效率, 并代替目前直管氙灯工作的新型氙灯。针对不同气压、不同结构的环形氙灯,通过实验研究了气压和内径对环形氙灯放电特性、光效特性以及爆炸特性的影响。结果表明,增加环形氙灯气压和内径可提高其光学效率,被泵浦钕玻璃的荧光最大可提高峰值22.3%,积分值15.7%。但是,增加气压和内径会降低环形氙灯的热负载能力。实验发现气压为26 664 Pa,内径为30 mm的环形氙灯拥有最佳光效并能通过寿命测试。
2018, 30: 023001.
doi: 10.11884/HPLPB201830.170324
摘要:
开关振荡器是宽带高功率电磁脉冲的重要产生方式之一,以开关激励同轴振荡器为例,采用理论计算和电磁仿真为主要手段,从传输线特性阻抗与开关振荡器储能、传输线特性阻抗与天线阻抗关系及传输线特性阻抗和开关导通阻抗关系三个方面进行了研究。研究结果表明:传输线阻抗越小,振荡器储能越高;天线阻抗与传输线阻抗比值越大,输出信号品质因数越大,频谱上能量越集中,带宽越小,能量效率随比值增大呈现先增大后减小趋势;传输线特性阻抗很小时,开关阻抗对输出振荡信号影响增大,此时随特性阻抗减小,输出信号中心频率降低,品质因数减小,频谱上能量分散,带宽较宽。
开关振荡器是宽带高功率电磁脉冲的重要产生方式之一,以开关激励同轴振荡器为例,采用理论计算和电磁仿真为主要手段,从传输线特性阻抗与开关振荡器储能、传输线特性阻抗与天线阻抗关系及传输线特性阻抗和开关导通阻抗关系三个方面进行了研究。研究结果表明:传输线阻抗越小,振荡器储能越高;天线阻抗与传输线阻抗比值越大,输出信号品质因数越大,频谱上能量越集中,带宽越小,能量效率随比值增大呈现先增大后减小趋势;传输线特性阻抗很小时,开关阻抗对输出振荡信号影响增大,此时随特性阻抗减小,输出信号中心频率降低,品质因数减小,频谱上能量分散,带宽较宽。
2018, 30: 023002.
doi: 10.11884/HPLPB201830.170279
摘要:
研制了基于爆炸发射的扇形和圆柱形多注阴极系统,并开展了强流相对论多注电子束的实验研究。研究发现:扇形多注阴极由于发射端面电场分布严重不均,电子束主要由尖端发射,束斑畸变明显,当每注扇形电子束进入到多注扇形漂移管内时,在空间电磁场的作用下电子束会绕束心旋转,导致束斑的畸变和束流的损失;圆柱形多注阴极发射端电场分布相对均匀,电子束斑畸变较小,每注电子束在多注漂移管内绕束心的旋转不会引起束斑的畸变和束流的损失;由于阴极杆和多注阴极柱的发射,多注电子束品质较差,进入多注漂移管时存在电子束轰击管壁现象,造成束流的损失甚至截止。采用大内径磁场可增大阳极筒内半径,明显提高束流的传输效率。目前,采用功率约6.5 GW、传输效率约89%的相对论多注电子束驱动的多注速调管,可实现GW量级的微波输出。
研制了基于爆炸发射的扇形和圆柱形多注阴极系统,并开展了强流相对论多注电子束的实验研究。研究发现:扇形多注阴极由于发射端面电场分布严重不均,电子束主要由尖端发射,束斑畸变明显,当每注扇形电子束进入到多注扇形漂移管内时,在空间电磁场的作用下电子束会绕束心旋转,导致束斑的畸变和束流的损失;圆柱形多注阴极发射端电场分布相对均匀,电子束斑畸变较小,每注电子束在多注漂移管内绕束心的旋转不会引起束斑的畸变和束流的损失;由于阴极杆和多注阴极柱的发射,多注电子束品质较差,进入多注漂移管时存在电子束轰击管壁现象,造成束流的损失甚至截止。采用大内径磁场可增大阳极筒内半径,明显提高束流的传输效率。目前,采用功率约6.5 GW、传输效率约89%的相对论多注电子束驱动的多注速调管,可实现GW量级的微波输出。
2018, 30: 023003.
doi: 10.11884/HPLPB201830.170343
摘要:
过模圆波导在提高功率容量的同时,不可避免地会造成微波源中同时存在多种模式。为了监测X波段长脉冲高功率微波源TM01模的输出功率和频谱,采用CST软件仿真设计了X波段高功率宽带选模定向耦合器,在耦合TM01模的同时可实现对TM02和TE11模的抑制。波导腔体及耦合孔的尺寸以小孔耦合理论和相位叠加原理为基础并结合切比雪夫分布函数计算确定。仿真结果表明:该高功率宽带选模定向耦合器在9.0~9.8 GHz的带宽范围内,耦合度为(-59.08±1) dB,定向性大于30 dB,对TE11模的抑制度大于15 dB,对TM02模的抑制度大于30 dB,功率容量大于2.5 GW。
过模圆波导在提高功率容量的同时,不可避免地会造成微波源中同时存在多种模式。为了监测X波段长脉冲高功率微波源TM01模的输出功率和频谱,采用CST软件仿真设计了X波段高功率宽带选模定向耦合器,在耦合TM01模的同时可实现对TM02和TE11模的抑制。波导腔体及耦合孔的尺寸以小孔耦合理论和相位叠加原理为基础并结合切比雪夫分布函数计算确定。仿真结果表明:该高功率宽带选模定向耦合器在9.0~9.8 GHz的带宽范围内,耦合度为(-59.08±1) dB,定向性大于30 dB,对TE11模的抑制度大于15 dB,对TM02模的抑制度大于30 dB,功率容量大于2.5 GW。
2018, 30: 023004.
doi: 10.11884/HPLPB201830.170169
摘要:
时域间断元方法是近年来电磁场计算领域的重要进展之一。将基函数的插值点和数值积分点重合的质量集中技术是降低该间断元方法质量矩阵存储开销和提高计算效率的重要手段。通过谐振腔、带通滤波器以及光子晶体内的电磁场等数值算例,在四边形网格上比较了传统的质量集中算法和近来提出的Weight-Adjust算法之间的差异。计算结果表明,尽管两种方法的存储量一样,但Weight-Adjust算法具有更高的精度。
时域间断元方法是近年来电磁场计算领域的重要进展之一。将基函数的插值点和数值积分点重合的质量集中技术是降低该间断元方法质量矩阵存储开销和提高计算效率的重要手段。通过谐振腔、带通滤波器以及光子晶体内的电磁场等数值算例,在四边形网格上比较了传统的质量集中算法和近来提出的Weight-Adjust算法之间的差异。计算结果表明,尽管两种方法的存储量一样,但Weight-Adjust算法具有更高的精度。
2018, 30: 023005.
doi: 10.11884/HPLPB201830.170282
摘要:
利用Rogers 5880为介质材料设计了一款应用于车载防撞雷达前端的圆极化微带阵列天线,该阵列天线采用直线阵结构,运用了多个四分之一波长阻抗变换器实现了阻抗匹配。仿真和测试结果表明: 该阵列天线的阻抗带宽(S11 < -10 dB)为23.45~25.65 GHz,最大增益为15.54 dB;轴比带宽24.56~25 GHz,轴比最小为1.25 dB;第一副瓣电平小于-20 dB,E面半功率波瓣宽度为10°,H面波瓣宽度为75°,其尺寸为70.94 mm×14.72 mm×0.508 mm。该天线具有高增益、低副瓣、体积小、性能稳定等优点,在汽车防撞雷达系统中有广阔的应用前景。
利用Rogers 5880为介质材料设计了一款应用于车载防撞雷达前端的圆极化微带阵列天线,该阵列天线采用直线阵结构,运用了多个四分之一波长阻抗变换器实现了阻抗匹配。仿真和测试结果表明: 该阵列天线的阻抗带宽(S11 < -10 dB)为23.45~25.65 GHz,最大增益为15.54 dB;轴比带宽24.56~25 GHz,轴比最小为1.25 dB;第一副瓣电平小于-20 dB,E面半功率波瓣宽度为10°,H面波瓣宽度为75°,其尺寸为70.94 mm×14.72 mm×0.508 mm。该天线具有高增益、低副瓣、体积小、性能稳定等优点,在汽车防撞雷达系统中有广阔的应用前景。
2018, 30: 023101.
doi: 10.11884/HPLPB201830.170274
摘要:
为了开展太赫兹器件试验研究,设计了高重复频率脉冲电源系统。电源输出脉冲电压30 kV,脉冲电流200 mA,最大重复频率3 kHz,脉冲宽度10~100 μs,采用本地PLC加远程计算机控制模式来实现电源的本控及遥控。对系统的核心部件:充电电源和脉冲开关的拓扑结构进行了研究,并开展了仿真和试验。结果表明:采用LC串联谐振恒流充电技术以提高充电电源工作效率以及在负载打火情况下的可靠性;基于MOSFET并进行优化设计的串联脉冲开关可以获得快速的脉冲前后沿。电源系统的输出指标满足负载工作要求,在高重复频率、打火条件下能够稳定工作。
为了开展太赫兹器件试验研究,设计了高重复频率脉冲电源系统。电源输出脉冲电压30 kV,脉冲电流200 mA,最大重复频率3 kHz,脉冲宽度10~100 μs,采用本地PLC加远程计算机控制模式来实现电源的本控及遥控。对系统的核心部件:充电电源和脉冲开关的拓扑结构进行了研究,并开展了仿真和试验。结果表明:采用LC串联谐振恒流充电技术以提高充电电源工作效率以及在负载打火情况下的可靠性;基于MOSFET并进行优化设计的串联脉冲开关可以获得快速的脉冲前后沿。电源系统的输出指标满足负载工作要求,在高重复频率、打火条件下能够稳定工作。
2018, 30: 024001.
doi: 10.11884/HPLPB201830.170211
摘要:
利用流体模型模拟研究了氦气空心阴极放电的时空动力学过程,计算得到了不同放电时刻电子和亚稳态氦原子密度、电势、电场、基态电离速率和分步电离速率等的时空分布特性。特别是讨论了亚稳态原子和分步电离对于放电的影响。结果表明,随着电流的增长,放电处于五个不同的放电模式:第一阶段电流上升非常缓慢,为汤生放电模式,带电粒子密度、亚稳态原子密度和径向电场均很弱;第二阶段电流迅速上升,放电模式由汤生放电向空心阴极放电过渡,带电粒子密度、亚稳态原子密度和径向电场迅速增强;第三阶段达到准稳态阶段,放电电流增长速度变缓,形成了明显的阴极鞘层结构;第四阶段为空心阴极效应形成阶段,向稳态阶段过渡;第五阶段为稳态放电阶段。研究结果同时表明,亚稳态氦原子和分步电离在放电的初始阶段对于放电的发展作用较弱,在前三阶段中,电子的产生以基态电离为主。随着放电的发展,由亚稳态原子引起的分步电离对新的电子产生的作用逐渐接近并超过基态电离,对总电离的贡献率越来越高。
利用流体模型模拟研究了氦气空心阴极放电的时空动力学过程,计算得到了不同放电时刻电子和亚稳态氦原子密度、电势、电场、基态电离速率和分步电离速率等的时空分布特性。特别是讨论了亚稳态原子和分步电离对于放电的影响。结果表明,随着电流的增长,放电处于五个不同的放电模式:第一阶段电流上升非常缓慢,为汤生放电模式,带电粒子密度、亚稳态原子密度和径向电场均很弱;第二阶段电流迅速上升,放电模式由汤生放电向空心阴极放电过渡,带电粒子密度、亚稳态原子密度和径向电场迅速增强;第三阶段达到准稳态阶段,放电电流增长速度变缓,形成了明显的阴极鞘层结构;第四阶段为空心阴极效应形成阶段,向稳态阶段过渡;第五阶段为稳态放电阶段。研究结果同时表明,亚稳态氦原子和分步电离在放电的初始阶段对于放电的发展作用较弱,在前三阶段中,电子的产生以基态电离为主。随着放电的发展,由亚稳态原子引起的分步电离对新的电子产生的作用逐渐接近并超过基态电离,对总电离的贡献率越来越高。
2018, 30: 025001.
doi: 10.11884/HPLPB201830.170370
摘要:
气体火花开关作为重要部件被大量地应用于直线感应加速器和Z箍缩等大型脉冲功率装置中。绝缘结构设计不合理会使得气体火花开关中出现局部电场畸变和电荷积聚等现象。在高电压脉冲下长时间或高频次运行时,火花开关中的绝缘子会发生沿面闪络现象,直接影响到脉冲功率装置的正常运行。鉴于此,对气体火花开关中的绝缘结构进行了有限元电场分析,用表面电荷的积聚定性解释了沿面闪络发生的原因。通过对绝缘子的几何结构和电极尺寸的优化设计,有效降低了绝缘子表面和电极表面的电场强度,其中阳极三结合点场强从9.4 kV/mm降至1.5 kV/mm,阴极三结合点场强从2.95 kV/mm降至0.98 kV/mm,绝缘子表面最高场强从10.8 kV/mm降至4.95 kV/mm。优化后的绝缘结构电场分布较为合理,降低了由于表面电荷的积聚而引发沿面闪络的概率。
气体火花开关作为重要部件被大量地应用于直线感应加速器和Z箍缩等大型脉冲功率装置中。绝缘结构设计不合理会使得气体火花开关中出现局部电场畸变和电荷积聚等现象。在高电压脉冲下长时间或高频次运行时,火花开关中的绝缘子会发生沿面闪络现象,直接影响到脉冲功率装置的正常运行。鉴于此,对气体火花开关中的绝缘结构进行了有限元电场分析,用表面电荷的积聚定性解释了沿面闪络发生的原因。通过对绝缘子的几何结构和电极尺寸的优化设计,有效降低了绝缘子表面和电极表面的电场强度,其中阳极三结合点场强从9.4 kV/mm降至1.5 kV/mm,阴极三结合点场强从2.95 kV/mm降至0.98 kV/mm,绝缘子表面最高场强从10.8 kV/mm降至4.95 kV/mm。优化后的绝缘结构电场分布较为合理,降低了由于表面电荷的积聚而引发沿面闪络的概率。
2018, 30: 025002.
doi: 10.11884/HPLPB201830.170134
摘要:
设计了一个基于实验物理及工业控制系统(EPICS)实时测控的伺服电源控制器,并将其插入现有脉冲电源测试。该电源控制器采用死区时间调制(DTM)技术伺服跟踪外部控制信号以连续调节所需输出电流,这可确保开关管工作在近似零电流关断的状态下, 开关损耗小,电源效率高。对该电源及其控制器原理进行了介绍,对DTM法进行了理论分析与研究,并通过Matlab仿真和实验验证了其原理的正确性和可行性。
设计了一个基于实验物理及工业控制系统(EPICS)实时测控的伺服电源控制器,并将其插入现有脉冲电源测试。该电源控制器采用死区时间调制(DTM)技术伺服跟踪外部控制信号以连续调节所需输出电流,这可确保开关管工作在近似零电流关断的状态下, 开关损耗小,电源效率高。对该电源及其控制器原理进行了介绍,对DTM法进行了理论分析与研究,并通过Matlab仿真和实验验证了其原理的正确性和可行性。
2018, 30: 025003.
doi: 10.11884/HPLPB201830.170322
摘要:
为了解决电磁轨道发射器在实际应用中遇到的高热量积累问题,需要对轨道进行冷却。基于多物理场耦合仿真平台Comsol Multiphysics,从轨道结构特性和电气特性两个方面进行分析,提出了在轨道内部设置冷却管道的基本规律。建立发射器的电磁场和结构场耦合模型,利用有限元法对预紧力和电动力作用下的轨道响应进行数值计算。仿真结果表明,设置冷却管道会对轨道造成材料损失,进而影响轨道性能,冷却管道应当尽可能远离肩部与枢-轨接触面连接处,并提出了冷却管道位于轨道不同位置时,轨道的形变规律和电感梯度变化规律,为轨道热管理冷却管道的设置方案提供了理论依据。
为了解决电磁轨道发射器在实际应用中遇到的高热量积累问题,需要对轨道进行冷却。基于多物理场耦合仿真平台Comsol Multiphysics,从轨道结构特性和电气特性两个方面进行分析,提出了在轨道内部设置冷却管道的基本规律。建立发射器的电磁场和结构场耦合模型,利用有限元法对预紧力和电动力作用下的轨道响应进行数值计算。仿真结果表明,设置冷却管道会对轨道造成材料损失,进而影响轨道性能,冷却管道应当尽可能远离肩部与枢-轨接触面连接处,并提出了冷却管道位于轨道不同位置时,轨道的形变规律和电感梯度变化规律,为轨道热管理冷却管道的设置方案提供了理论依据。
2018, 30: 025004.
doi: 10.11884/HPLPB201830.170389
摘要:
高能量亚纳秒脉冲X射线可用于精确定标辐射探测系统的时间响应特性和探测灵敏度,对于脉冲辐射场诊断技术研究具有重要意义。研制了一种小型化、可移动的亚纳秒脉冲X射线源,装置占地区域尺寸为1.2 m×40 cm,重142 kg。设计了双锥形绕组同轴结构变压器,采用新颖的三谐振变压技术,将纳秒脉冲形成线充电至520 kV,通过油介质自击穿开关放电,输出370 kV,3.8 ns的高压脉冲。设计了多级过匹配传输线提升输出电压,并利用油介质peaking-chopping开关进行脉冲压缩,产生了峰值520 kV、半高宽0.5 ns、功率1.8 GW的高压脉冲。基于Child-Langmuir定理,设计了刀刃阴极X光管,在520 kV电压下的运行阻抗为150 Ω,管前20 cm处的X射线峰值能量注量率约为1×1016 MeV·cm-2·s-1,累积照射量为4.1 mR。
高能量亚纳秒脉冲X射线可用于精确定标辐射探测系统的时间响应特性和探测灵敏度,对于脉冲辐射场诊断技术研究具有重要意义。研制了一种小型化、可移动的亚纳秒脉冲X射线源,装置占地区域尺寸为1.2 m×40 cm,重142 kg。设计了双锥形绕组同轴结构变压器,采用新颖的三谐振变压技术,将纳秒脉冲形成线充电至520 kV,通过油介质自击穿开关放电,输出370 kV,3.8 ns的高压脉冲。设计了多级过匹配传输线提升输出电压,并利用油介质peaking-chopping开关进行脉冲压缩,产生了峰值520 kV、半高宽0.5 ns、功率1.8 GW的高压脉冲。基于Child-Langmuir定理,设计了刀刃阴极X光管,在520 kV电压下的运行阻抗为150 Ω,管前20 cm处的X射线峰值能量注量率约为1×1016 MeV·cm-2·s-1,累积照射量为4.1 mR。
2018, 30: 025005.
doi: 10.11884/HPLPB201830.170358
摘要:
利用碳酸钡基材料研制了一种环形脉冲形成线。对脉冲形成线的材料特性、电场分布对耐压影响进行分析和研究,通过优化结构设计、材料特性,提高了环形脉冲形成线的耐压水平。利用此脉冲形成线建立了37级Marx发生器,此发生器通过电感进行并联充电和串联放电工作。使用电磁仿真软件对系统结构进行了三维电场分析,分析结果表明, 采用此环形脉冲形成线能够实现同轴设计,电场更加均匀,确定了满足紧凑化的最佳外形尺寸。实验结果表明, 设计的脉冲功率驱动源在充电电压为±19 kV的条件下,在二极管负载下得到了输出半高宽为65 ns、电压为680 kV的快高压脉冲。
利用碳酸钡基材料研制了一种环形脉冲形成线。对脉冲形成线的材料特性、电场分布对耐压影响进行分析和研究,通过优化结构设计、材料特性,提高了环形脉冲形成线的耐压水平。利用此脉冲形成线建立了37级Marx发生器,此发生器通过电感进行并联充电和串联放电工作。使用电磁仿真软件对系统结构进行了三维电场分析,分析结果表明, 采用此环形脉冲形成线能够实现同轴设计,电场更加均匀,确定了满足紧凑化的最佳外形尺寸。实验结果表明, 设计的脉冲功率驱动源在充电电压为±19 kV的条件下,在二极管负载下得到了输出半高宽为65 ns、电压为680 kV的快高压脉冲。
2018, 30: 025006.
doi: 10.11884/HPLPB201830.170390
摘要:
利用传输线中的电感单元和电压叠加的方式来获得纳秒(ns)级矩形高压脉冲是一种全新的思路。描述了这种发生器的基本原理,并利用同轴电缆和MOSFET开关制作了两种原型脉冲发生器(单线型和双线型)来论证此方案的可行性,并进行了初步实验验证,在四模块叠加的情况下,分别实现了4 kV/20 A,20 ns和2 kV/40A,20 ns的短脉冲。实验结果表明,电感型脉冲形成线电压叠加器是一种有潜力的紧凑型高压脉冲发生器。
利用传输线中的电感单元和电压叠加的方式来获得纳秒(ns)级矩形高压脉冲是一种全新的思路。描述了这种发生器的基本原理,并利用同轴电缆和MOSFET开关制作了两种原型脉冲发生器(单线型和双线型)来论证此方案的可行性,并进行了初步实验验证,在四模块叠加的情况下,分别实现了4 kV/20 A,20 ns和2 kV/40A,20 ns的短脉冲。实验结果表明,电感型脉冲形成线电压叠加器是一种有潜力的紧凑型高压脉冲发生器。
2018, 30: 025007.
doi: 10.11884/HPLPB201830.170359
摘要:
“神龙-Ⅱ”直线感应加速器运行时在其周围环境中产生较强的电磁干扰,严重影响恒流源等重要设备的运行。系统地分析了电磁干扰信号特征,在此基础上,采用全数字全光纤控制、电流/电压双闭环反馈控制等高可靠性电路设计,并综合应用共扼串扰脉冲抑制、分离地线及光电隔离等抗干扰措施,研制成功可在强电磁干扰环境下稳定运行的HL90型低纹波系数大电流程控恒流源,有力地保障了“神龙-Ⅱ”装置的正常运行。
“神龙-Ⅱ”直线感应加速器运行时在其周围环境中产生较强的电磁干扰,严重影响恒流源等重要设备的运行。系统地分析了电磁干扰信号特征,在此基础上,采用全数字全光纤控制、电流/电压双闭环反馈控制等高可靠性电路设计,并综合应用共扼串扰脉冲抑制、分离地线及光电隔离等抗干扰措施,研制成功可在强电磁干扰环境下稳定运行的HL90型低纹波系数大电流程控恒流源,有力地保障了“神龙-Ⅱ”装置的正常运行。
2018, 30: 025008.
doi: 10.11884/HPLPB201830.170329
摘要:
采用熔融-快冷-可控结晶工艺,制备了(Pb,Sr)Nb2O6-NaNbO3-SiO2大尺寸玻璃陶瓷,开展了其介电性能以及脉冲充放电特性研究。实验结果表明:该玻璃陶瓷材料的介电常数约为340,具有良好的温度稳定性和正的偏压特性。基于该材料制备的固态脉冲形成线输出脉冲脉宽约为89 ns,具有良好的脉冲平顶和窄的上升沿。在19 kV充放电电压、1 kHz的充放电频率、4 kA的放电电流条件下,固态脉冲形成线充放电寿命大于100万次。
采用熔融-快冷-可控结晶工艺,制备了(Pb,Sr)Nb2O6-NaNbO3-SiO2大尺寸玻璃陶瓷,开展了其介电性能以及脉冲充放电特性研究。实验结果表明:该玻璃陶瓷材料的介电常数约为340,具有良好的温度稳定性和正的偏压特性。基于该材料制备的固态脉冲形成线输出脉冲脉宽约为89 ns,具有良好的脉冲平顶和窄的上升沿。在19 kV充放电电压、1 kHz的充放电频率、4 kA的放电电流条件下,固态脉冲形成线充放电寿命大于100万次。
2018, 30: 025101.
doi: 10.11884/HPLPB201830.170114
摘要:
在散裂中子源注入系统工作过程中,剥离膜是实现负氢离子转换为质子注入加速的关键部件。百nm到μm级厚度的剥离膜超薄易碎,安装及系统真空获得难度较高,一直是散裂中子源研究的重点。对比了国外膜片固定方式现状,通过设计剥离膜辅助安装装置,实现剥离膜样品批量安装;通过Fluent仿真分析,模拟得出膜片在不同进出口压差下真空获得过程中的压力分布、膜片附件空气扰动及系统空气流动,制定在不破坏剥离膜的前提下真空获得方案,并获得剥离膜系统超高真空环境。
在散裂中子源注入系统工作过程中,剥离膜是实现负氢离子转换为质子注入加速的关键部件。百nm到μm级厚度的剥离膜超薄易碎,安装及系统真空获得难度较高,一直是散裂中子源研究的重点。对比了国外膜片固定方式现状,通过设计剥离膜辅助安装装置,实现剥离膜样品批量安装;通过Fluent仿真分析,模拟得出膜片在不同进出口压差下真空获得过程中的压力分布、膜片附件空气扰动及系统空气流动,制定在不破坏剥离膜的前提下真空获得方案,并获得剥离膜系统超高真空环境。
2018, 30: 025102.
doi: 10.11884/HPLPB201830.170304
摘要:
利用图像点扩散函数(PSF)近似计算法建立线阵探测器工业CT金属材料X射线衰减测量模型,并利用该测量模型对垂直于X射线平面边界灰度幅值进行数值计算,获得当前PSF曲线。在此基础上,建立基于近似PSF曲线的缺陷检测理论模型,并对缺陷进行定量检测分析。采用高能6 MeV工业CT线阵探测器系统,对含有人工缺陷的不锈钢试块进行缺陷检测试验。结果表明:相比于传统半高宽缺陷测量方法,本实验方法在缺陷定量检测精度上有较大提高,从而为提升金属材料内部缺陷的定量检测水平提供新的方法和技术途径。
利用图像点扩散函数(PSF)近似计算法建立线阵探测器工业CT金属材料X射线衰减测量模型,并利用该测量模型对垂直于X射线平面边界灰度幅值进行数值计算,获得当前PSF曲线。在此基础上,建立基于近似PSF曲线的缺陷检测理论模型,并对缺陷进行定量检测分析。采用高能6 MeV工业CT线阵探测器系统,对含有人工缺陷的不锈钢试块进行缺陷检测试验。结果表明:相比于传统半高宽缺陷测量方法,本实验方法在缺陷定量检测精度上有较大提高,从而为提升金属材料内部缺陷的定量检测水平提供新的方法和技术途径。
2018, 30: 026001.
doi: 10.11884/HPLPB201830.170251
摘要:
以强流脉冲电子束为研究对象,提出了一种基于离散时间、限定靶面位置,通过测量靶面不同时刻入射角分布,利用蒙卡程序计算得到电子束的能量(r, z)二维分布沉积值的方法。给出了典型弱箍缩平板二极管(电压峰值700 kV、阻抗7 Ω)阳极靶面不同位置时域的能量沉积值,分析了(0, 0°),(25 mm, 135°),(36 mm, 270°)三个位置纵切剖面的能量沉积特性,结果表明:在各个时间段内电子束入射能量确定的情况下,能量沉积特性与入射角呈现相关性,仿真结果与实验结果符合较好,偏差均小于10%;距阳极靶心25 mm以外的靶面位置,受束流箍缩影响,入射角分布变化较大;当入射角较小时(小于40°),强流电子束能量沉积峰值深度约0.2 mm;当入射角超过40°时,能量沉积峰值深度减小到0.1 mm左右;而阳极靶心位置附近,受束流箍缩影响较小,这些位置的能量沉积特性更接近于小角度入射角情形。
以强流脉冲电子束为研究对象,提出了一种基于离散时间、限定靶面位置,通过测量靶面不同时刻入射角分布,利用蒙卡程序计算得到电子束的能量(r, z)二维分布沉积值的方法。给出了典型弱箍缩平板二极管(电压峰值700 kV、阻抗7 Ω)阳极靶面不同位置时域的能量沉积值,分析了(0, 0°),(25 mm, 135°),(36 mm, 270°)三个位置纵切剖面的能量沉积特性,结果表明:在各个时间段内电子束入射能量确定的情况下,能量沉积特性与入射角呈现相关性,仿真结果与实验结果符合较好,偏差均小于10%;距阳极靶心25 mm以外的靶面位置,受束流箍缩影响,入射角分布变化较大;当入射角较小时(小于40°),强流电子束能量沉积峰值深度约0.2 mm;当入射角超过40°时,能量沉积峰值深度减小到0.1 mm左右;而阳极靶心位置附近,受束流箍缩影响较小,这些位置的能量沉积特性更接近于小角度入射角情形。
2018, 30: 026002.
doi: 10.11884/HPLPB201830.170226
摘要:
生活垃圾组分中的有毒有害元素易造成填埋场周围土壤和地下水污染。填埋场中有害元素成分的原位在线检测,可为填埋场安全稳定运行提供必要的技术支持。提出一种基于瞬发伽马射线中子活化分析技术的填埋场中有害元素检测方法,针对填埋场中气体导排管的实际环境构建检测装置研究模型,采用聚乙烯球、玻璃球和超纯水混合物混合的替代方案制备不同成分的填埋垃圾样品。围绕氢元素特征峰强度的变化规律,采用蒙特卡罗方法模拟计算优化检测模型的各项几何参数并以活度为300 mCi的镅铍中子源和4 in(约10 cm)BGO探测器等主要部件构建实验研究平台。蒙特卡罗模拟和实验结果表明,垃圾填埋场中氯、锰、镍、铬元素特征峰强度均随着元素容重的增加而增强,且呈现良好的线性变化关系。
生活垃圾组分中的有毒有害元素易造成填埋场周围土壤和地下水污染。填埋场中有害元素成分的原位在线检测,可为填埋场安全稳定运行提供必要的技术支持。提出一种基于瞬发伽马射线中子活化分析技术的填埋场中有害元素检测方法,针对填埋场中气体导排管的实际环境构建检测装置研究模型,采用聚乙烯球、玻璃球和超纯水混合物混合的替代方案制备不同成分的填埋垃圾样品。围绕氢元素特征峰强度的变化规律,采用蒙特卡罗方法模拟计算优化检测模型的各项几何参数并以活度为300 mCi的镅铍中子源和4 in(约10 cm)BGO探测器等主要部件构建实验研究平台。蒙特卡罗模拟和实验结果表明,垃圾填埋场中氯、锰、镍、铬元素特征峰强度均随着元素容重的增加而增强,且呈现良好的线性变化关系。
2018, 30: 026003.
doi: 10.11884/HPLPB201830.170256
摘要:
提出基于时序处理探测事件的中子多重性计数统计方法。在JMCT粒子输运数值模拟程序的基础上研发了用于统计中子多重性计数的专用数值模拟程序JMCT_NMC,实现在线的中子多重性计数模拟功能。展示了利用中子多重性计数算例检验程序,比较了JMCT_NMC与传统算法计算时间消耗的结果。时序探测事件处理方法不需大量存储粒子信息,在解决中子多重性计数模拟受内存限制问题的同时,提升了计算效率。在JMCT_NMC程序中,时序探测事件模拟手段在探测器关联事件模拟、本底分析等领域还有着更广泛的应用前景。
提出基于时序处理探测事件的中子多重性计数统计方法。在JMCT粒子输运数值模拟程序的基础上研发了用于统计中子多重性计数的专用数值模拟程序JMCT_NMC,实现在线的中子多重性计数模拟功能。展示了利用中子多重性计数算例检验程序,比较了JMCT_NMC与传统算法计算时间消耗的结果。时序探测事件处理方法不需大量存储粒子信息,在解决中子多重性计数模拟受内存限制问题的同时,提升了计算效率。在JMCT_NMC程序中,时序探测事件模拟手段在探测器关联事件模拟、本底分析等领域还有着更广泛的应用前景。
2018, 30: 026004.
doi: 10.11884/HPLPB201830.170223
摘要:
对于深穿透类型的屏蔽计算,为了得到较为可信的统计结果,蒙特卡罗方法(MC方法)需要模拟大量的粒子,巨大的计算时间是其存在的主要问题。源偏倚和权窗技巧能够有效降低深穿透问题的计数误差。开展了基于共轭离散纵标(SN)的MC减方差方法研究,根据SN方法的共轭注量率计算并生成了源偏倚和权窗参数,编写了JMCT程序的源抽样子程序,并且在秦山一期测量值基础上进行了验证,成功应用到CAP1400压力容器快中子注量率和堆腔中子和光子剂量率计算中。数值结果表明,对于深穿透屏蔽计算问题,和无偏的MC方法相比,基于共轭SN的MC减方差方法能够在保证结果精度的前提下,提高计算效率1~2个量级。
对于深穿透类型的屏蔽计算,为了得到较为可信的统计结果,蒙特卡罗方法(MC方法)需要模拟大量的粒子,巨大的计算时间是其存在的主要问题。源偏倚和权窗技巧能够有效降低深穿透问题的计数误差。开展了基于共轭离散纵标(SN)的MC减方差方法研究,根据SN方法的共轭注量率计算并生成了源偏倚和权窗参数,编写了JMCT程序的源抽样子程序,并且在秦山一期测量值基础上进行了验证,成功应用到CAP1400压力容器快中子注量率和堆腔中子和光子剂量率计算中。数值结果表明,对于深穿透屏蔽计算问题,和无偏的MC方法相比,基于共轭SN的MC减方差方法能够在保证结果精度的前提下,提高计算效率1~2个量级。
2018, 30: 026005.
doi: 10.11884/HPLPB201830.170254
摘要:
一种基于B1均匀化方程的泄漏修正模型在连续能量蒙特卡罗程序TRIPOLI4中得以实现并且用于制作少群截面参数。此蒙卡泄漏修正模型通过在连续能量的蒙卡模拟以及求解B1均匀化方程之间迭代,最终得到蒙卡模拟下的临界状态。通过此方法得到的少群截面参数较其他蒙卡以及确定论方法有两点显著优势:用于求解B1均匀化方程的少群常数是用通过临界状态的通量谱得到的;考虑了泄漏效应的蒙卡模拟可以更真实地反映组件计算时的能谱状态。为验证此泄漏修正模型,一个由连续能量的TRIPOLI4模拟而得到的数值临界实验被用于分析与比较。通过与其他蒙卡程序SERPENT以及确定论程序ECCO进行结果对比,可证明此B1泄漏修正方法能够给出更精确的用于堆芯计算的少群截面参数。
一种基于B1均匀化方程的泄漏修正模型在连续能量蒙特卡罗程序TRIPOLI4中得以实现并且用于制作少群截面参数。此蒙卡泄漏修正模型通过在连续能量的蒙卡模拟以及求解B1均匀化方程之间迭代,最终得到蒙卡模拟下的临界状态。通过此方法得到的少群截面参数较其他蒙卡以及确定论方法有两点显著优势:用于求解B1均匀化方程的少群常数是用通过临界状态的通量谱得到的;考虑了泄漏效应的蒙卡模拟可以更真实地反映组件计算时的能谱状态。为验证此泄漏修正模型,一个由连续能量的TRIPOLI4模拟而得到的数值临界实验被用于分析与比较。通过与其他蒙卡程序SERPENT以及确定论程序ECCO进行结果对比,可证明此B1泄漏修正方法能够给出更精确的用于堆芯计算的少群截面参数。
2018, 30: 029001.
doi: 10.11884/HPLPB201830.170374
摘要:
激光中心温度探测是激光领域的一个重要课题,直接影响着激光在工程技术中的应用。利用XL-800WF光纤传输多功能脉冲激光加工系统,照射厚钢板,得到钢板的熔化图。通过显微镜测量熔斑的直径,从而计算液态钢的凝固时间。根据激光温度的扩散原理,建立理想条件下钢板的热传导方程,模拟出钢板的温度演化规律。结合凝固时间,推导了XL-800WF光纤传输多功能脉冲激光中心温度的理论值。
激光中心温度探测是激光领域的一个重要课题,直接影响着激光在工程技术中的应用。利用XL-800WF光纤传输多功能脉冲激光加工系统,照射厚钢板,得到钢板的熔化图。通过显微镜测量熔斑的直径,从而计算液态钢的凝固时间。根据激光温度的扩散原理,建立理想条件下钢板的热传导方程,模拟出钢板的温度演化规律。结合凝固时间,推导了XL-800WF光纤传输多功能脉冲激光中心温度的理论值。

Email alert
RSS
