2021年 33卷 第11期
研究了基于Ho3+/Pr3+共掺AlF3基玻璃单包层光纤的瓦级~3 μm激光。采用单模1150 nm光纤激光器泵浦上述增益光纤,得到了波长2.87 μm的激光输出,其最大输出功率为1.02 W,激光斜率效率为10.7%,输出激光的光束质量因子M2≈1.2。研究结果表明,AlF3基玻璃光纤是一种潜在的可获得高功率中红外激光输出的增益介质。
光谱灵活可调的高功率光纤激光在光谱合束、光声光谱检测和非线性频率变换等方面具有独特优势,近年来受到国内外研究人员的广泛关注。基于光谱灵活可调的超荧光光纤种子源,通过主振荡功率放大器结构实现了光谱中心波长1065~1085 nm可调谐、3 dB线宽2.4~13.8 nm可调谐的3 kW光纤激光输出。
较为系统地回顾了近年来学术界在随机分布反馈光纤激光器时-频-空域特性方面的研究进展,分析总结了随机分布反馈光纤激光器的时-频-空域动态特性影响因素,展望了随机分布反馈光纤激光器应用于高功率激光驱动装置的前景,并对未来潜在的研究方向进行了探讨。
中红外激光具有多种优势,可以广泛地用到生物、化学、物理等科学研究领域。通常采用直接激射和非线性频率转换这两种方式产生中红外激光,然而,为了实现中红外宽带超短脉冲的发射,非线性频率下转换是现今的唯一方法。脉冲内差频(IP-DFG)是一种简单的非线性频率转换方法,文中对红外IP-DFG的工作做了详细的回顾,从中红外激光晶体和基于IP-DFG产生具有超宽带的中红外超短脉冲的先进工作两个方面做了综述和评论,分别比较了非线性晶体类型、驱动脉冲源、产生超宽带中红外脉冲的光谱范围、转化效率等,并在最后讨论和阐明了IP-DFG领域面临的机遇和挑战。
中红外波段覆盖重要的分子吸收区与多个大气透射窗口,该波段的超快激光器在多个领域具有广泛应用。基于光纤的中红外超快激光器近年来在激光发射与传输、超快脉冲产生与应用等方面发展迅速,为中红外波段超快激光开辟了新的研究手段与应用领域。综述了近十年来中红外超快光纤激光器的发展概况,介绍了近年来中红外波段的激光传输与增益手段。其中,重点回顾了近年来中红外超快脉冲产生技术的研究进展及其代表性工作,包括非线性偏振旋转、可饱和吸收体以及频移反馈锁模技术。此外,还介绍了中红外超快脉冲的压缩放大技术与超连续谱产生应用。最后讨论并总结了中红外超快光纤激光器面临的挑战与可能的发展方向。
在半导体激光器中引入自旋极化载流子是实现室温自旋电子应用的新途径,其超越了常规的磁阻效应。自旋极化载流子的注入导致自旋激光器具有丰富的动力学行为并展示出包括高频偏振振荡和偏振混沌动力学等特性,使其在保密光通信、量子计算、光信息处理和数据存储、可重构光互联以及生物医学传感等领域具有巨大的应用潜力。梳理了近年来自旋激光器的动力学特性及其应用研究进展。介绍了自旋激光器丰富的动力学行为及混沌演变机制;随后分析了自旋激光器的高频振荡特性;归纳了基于自旋激光器动力学特性的最新应用研究进展。在此基础上,展望了自旋激光器的发展趋势和面临的挑战,为相关领域的研究和工程应用提供参考。
Stimulated Brillouin scattering (SBS) is a third-order nonlinear process, which is phased conjugation reflected in the SBS phase conjugation mirror (SBS-PCM). Therefore, it is a very useful tool for the compensation of wavefront distortion induced by strongly thermally stressed active material, especially in high-power and high-energy lasers. To maximize the effectiveness of SBS-PCM, many research efforts have been poured in both theoretically and experimentally in the past decades. Several researchers have studied the liquid medium that is the best fit for SBS-PCM in high power laser systems; some have investigated the geometry (such as two-cell structure, choice of the optimum parameters, and the addition of a rotating wedge) of the system that will give the most appropriate desired characteristics; while some researched the impurities of the selected liquid. This work presents a review of the factors determining the performance of SBS-PCM, the applications of SBS-PCM in high power lasers, and recent scientific achievements in the SBS-PCM high power laser systems. This work is proposed as a reference and guiding manual for SBS-PCM-related experiments and research.
针对常规连续激光泵浦钛宝石激光振荡器不能自启动锁模的缺点,采用倍频飞秒光纤激光同步泵浦,通过调节振荡器腔长与泵浦腔长匹配,实现了飞秒钛宝石激光的自启动锁模。实验中采用3.4 W的倍频掺镱光纤激光同步泵浦钛宝石激光振荡器,获得了平均功率大于130 mW、重复频率75 MHz、光谱宽度大于47 nm、脉冲宽度17 fs的锁模脉冲输出,不仅能够稳定可靠地实现自启动锁模,解决了常规钛宝石激光振荡器锁模启动的困难,而且还具有同步输出1040,800,520 nm三束飞秒激光的特点,为进一步开展飞秒激光相干合成以及光参量放大等研究提供了优势基础。
提出了一种基于分数阶傅里叶变换的模式测控一体化方法。利用分数阶傅里叶变换光路对光纤模式耦合态进行空间调制和相位调制,以实现模式的有效分解。与双重傅里叶变换(F2)法以及空间和频谱成像(S2)法相比,采用的分数阶傅里叶变换法,通过改变分数阶参数,控制模式的空间分布以及模式间的叠加状态,更易于分解出高阶模式。基于分数阶傅里叶变换的模式测量方法可在更广泛空间,研究模式的空间和相位叠加以及模式分解,也可退化为F2法和S2法。
提出一种基于S形-错位结构的全光纤马赫-曾德干涉仪(MZI)双参量传感器。该传感结构是采用单模光纤在光纤熔接机中通过简单的放电和熔接等步骤制备而成。顺时针扭转时, 传感器的传输光谱向短波长方向偏移; 逆时针扭转, 向长波长方向偏移。对传感器的实验研究结果表明,该传感器在光纤横截面上顺时针和逆时针两个旋转方向上的扭曲传感灵敏度分别为−223 pm/(rad·cm−1), 140 pm/(rad·cm−1),且可实现扭转方向的判别,在一定应变范围内的应变灵敏度为0.145×106 dB/ε(这里ε为应变),且温度交叉灵敏度极小,可忽略不计。因此,这种基于单模光纤的纤芯-包层MZI双参量传感器具有传感灵敏度高,体积小巧,工艺简单,成本低廉且可判别扭转方向的优点,有望成为众多双参量测量操作中良好的候选仪器之一。
锥形光纤纤芯直径沿着光纤长度方向均匀增大,在抑制非线性效应方面有着独特的优势。理论对比了单横模高斯光束输入时,输入纤芯直径均为50 μm、纤芯直径沿着光纤长度方向恒定、线性增大和非线性增大的变纤芯直径传能光纤的输出光谱演化和拉曼光特性。在相同条件下,输入功率10 kW时,恒定型传能光纤的输出光谱中,拉曼抑制比(定义为输出光谱中信号光峰值强度分贝值与拉曼光峰值强度分贝值之差)为33.1 dB,线性增大和非线性增大型的输出拉曼抑制比分别为47.0,48.6 dB,分别优于恒定型传能光纤13.9,15.5 dB;输入功率达17.5 kW时,恒定型传能光纤中有81.6%的输入能量被耗散或转移到其他波长,线性增大和非线性增大型仅不到2%,其输出的信号光波段能量占总输入能量的98.1%,98.9%。结果表明,使用线性增大型或非线性增大型传能光纤代替恒定型常规光纤,可以有效提高受激拉曼散射阈值,相关研究可以为大功率光纤合束器和光纤端帽的设计提供有益参考。
针对目前Fe2+: ZnSe激光器缺乏有效的高功率泵浦源这一关键瓶颈,提出了采用连续波HF化学激光器泵浦Fe2+: ZnSe来实现4 μm波段激光输出的技术路线,结合实验和理论手段考察了此技术路线的可行性。首次获得了由连续波HF化学激光泵浦的Fe2+: ZnSe激光器的W级激光输出,输出功率约为1.7 W,谱线峰值波长为4.18 μm,出光时间约2 s。
大口径高能激光装置是各强国积极研究的重点项目。对装置内大口径光学元件损伤特性进行有效评估具有非常重要的意义,在此研究大尺寸光学元件表面损伤。通过分段拍摄、图像拼合、损伤点记录、统计与归纳等工作发现,不同尺寸损伤点的分布特性差异较大。结合统计学方法与类似实验对比、理论计算等方式对损伤点分布与样品辐照环境特性变化的关系进行分析。结果显示,损伤点的位置分布与辐照光束的能量密度关联紧密;系统光束(351 nm)在低于6 J/cm2时能量分布均匀,高于6.7 J/cm2时呈现较为明显的高斯分布状态。可以为大口径高能辐照环境的元件损伤特性评估提供有价值的参考,对大口径紫外激光器的日常运行与维护具有极其重要的工程意义。
温度对分布式反馈(DFB)激光器的性能指标和工作寿命有着重要影响。针对宽温度范围下的激光器应用,分析了激光器温控系统的研究现状及趋势,给出了温控系统的设计原理,采用线性驱动与PID闭环控制方法,应用模拟器件,研制了一种DFB激光器的模拟控温检测系统,并利用该系统对1550 nm的DFB激光器进行了试验验证。结果表明,系统在−55 ℃~70 ℃的全温度范围下,保持长时间工作(≥2 h),激光器的工作状态稳定,中心波长未出现漂移。系统的温度控制精度随着工作环境温度的范围不同而有所差异,在室温环境下可达到±0.02 ℃,在全温范围内控制精度在±0.8 ℃以内,跟踪误差小于±0.5 dB。与传统的激光器温控系统相比,本系统工作温度范围宽、控制精度高,且体积小、成本低、简单可靠,对于温度环境要求较为严苛的DFB激光器应用场景,具有重要的工程实践意义。
高功率激光系统中的热像效应可能导致光束的峰值功率剧烈增加,增益非线性介质会使这种光强增幅更为强烈。基于菲涅尔-基尔霍夫衍射理论和非线性近轴波动方程,对强激光在增益克尔介质工作在饱和区时的热像产生过程进行理论分析,将光束传输方程中增益饱和部分进行麦克劳林展开,取其近似,经过推导得出了介质薄近似时热像强度解析式和热像位置。通过数值模拟对解析结论预测的热像强度和位置进行验证。仿真结果表明,热像的位置在衍射物相对于介质对称处,热像强度解析结果与模拟结果相符,在薄介质时,解析解与模拟结果拟合较好。热像强度随非线性介质内非线性效应增强而停止增加,此外,讨论了热像强度随调制类型的变化。
利用二维粒子模拟程序EPOCH验证了超快电子束探针诊断受激拉曼散射产生的静电波的可行性。结果表明,电子束探针穿过静电波电场后会在电子束探针的横向上产生密度调制,密度调制呈周期性分布且沿静电波的传播方向移动,密度调制的波数对应静电波的波数且移动速度对应静电波的相速度,因此特定条件下可用于反推电子的温度、密度等信息。在诊断静电波的过程中,电子束探针的束长必须小于静电波的波长或者诊断设备的曝光时间必须小于静电波的周期。本研究提供了一种新型的直接诊断静电波和电子温度、密度的方法,对于推动受激拉曼散射等激光等离子体不稳定性的实验研究具有重要意义。
为满足现代信息化战争对超宽带行波管的需求,对2~18 GHz超宽带行波管的高频慢波结构进行了研究分析。在传统宽带行波管的基础上引入非翼片加载段的正常色散特性,首次实现2~18 GHz 超宽带高频慢波结构设计,最大带宽达到9∶1。同时输出端螺旋线螺距调整为正渐变分布,能够进一步优化低频段二次谐波抑制比,提高高频段饱和输出功率。结果表明,全频带的基波输出功率达到100 W,二次谐波抑制比优于−3 dBc,2 GHz频点二次谐波抑制比优于−5 dBc,为超宽带大功率器件的设计提供了理论基础。
为了验证国产质子注入器的参数是否满足需求,注入器团队设计了束流测量系统用于测量国产质子直线注入器束流的流强、发射度、能量以及能散等关键指标。此测量系统包含了采用变聚焦法测量发散度、采用分析磁铁测量束流能量和能散的主要功能。利用束流输运线设计软件Tracewin(版本2.11.4.1)进行了系统束线的物理设计,对束测系统测量质子束流的发散度和能量的精度进行了模拟计算。由于经过RFQ-(APF)DTL加速后的粒子束团为“拖尾”的非理想粒子束团,需要针对非理想束团对束测系统测量发射度和能量产生的影响进行分析。通过对模拟计算结果的分析,发现相对于测量理想粒子束团的结果非理想粒子束团对束测系统测量发射度精度影响较大;非理想粒子束团对束测系统测量能量精度影响较小。
A new kind of sensor Turbo-ICT has been applied to accurate bunch charge measurement in BEPCII transportation line. The system improves the resistance ability against external interference and has high signal-to-noise ratio. This paper introduces the principle, the design ideas and the function of the system. Up to now, Turbo-ICT has been used to operate online for electron bunch charge quantity measurements successfully. This paper also presents the experiment results of the sensor.
峰化电容作为电磁脉冲模拟器中用于陡化脉冲输出的关键部件,在实际工程应用中易发生沿面放电和击穿现象,采用光电检测系统可对绝缘沿面放电现象进行有效分析。针对峰化电容器沿面放电监测的技术难题,研制了一套绝缘沿面放电过程光电检测系统,对绝缘沿面放电现象进行光电检测。首先提出了绝缘介质沿面放电过程光电探测系统的设计方案;其次,对系统的时延性能进行了评价;最后,完成了绝缘介质沿面放电过程定位实验,验证了光电探测系统的可行性。实验表明,该系统能够实现对放电区域的有效定位。
为满足不可逆电穿孔对高压纳秒脉冲电源的需求,并且突破电源模块耐压的限制,提出了一款以正极性Marx为主电路、具有ns级前沿的高重复频率的亚微秒高压脉冲电源。该脉冲电源使用光纤传输信号,经过驱动芯片放大信号后,利用磁芯变压器传递驱动信号给MOSFET。磁芯变压器给电路提供了磁隔离,使驱动电路不会受高压输出的影响,提高了电路的耐压水平。驱动电路设计简单,所需元器件较少,可提供负压偏置,使开关管可靠关断,提高电路的抗电磁干扰能力,保障电路稳定运行。此电源由16级电路构成,实验表明:在10 kΩ纯阻性负载上,当输入电压为630 V时,即可得到10 kV的高压输出。其最小脉宽为300 ns,频率1 Hz~10 kHz可调。该脉冲电源结构紧凑,能够做到输出电压、脉宽、频率可调。研究了磁芯材料和匝数对驱动脉宽的影响。结果表明:匝比的增加会影响信号脉宽,在一定的条件下,单匝电感量的差异和磁芯材料的不同对信号脉宽的影响较小。
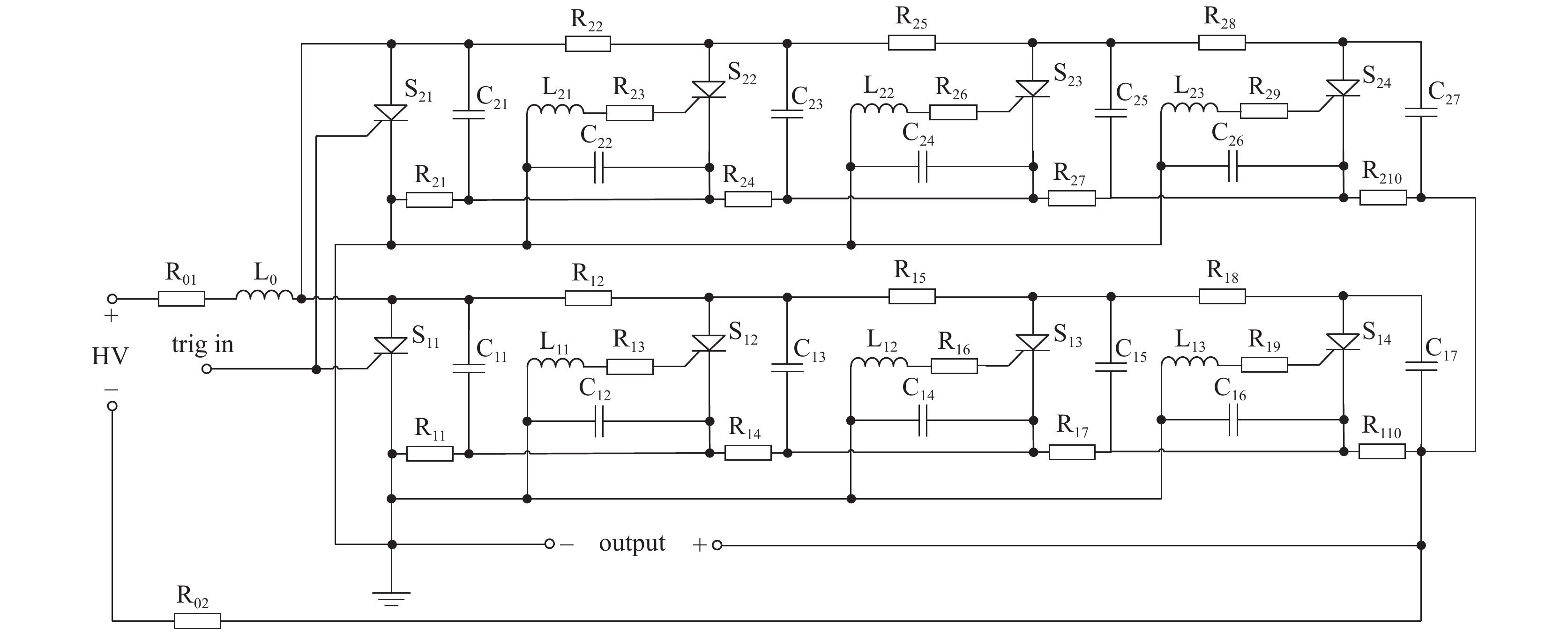
采用串并联结合的Marx发生器结构,以晶闸管作为开关元件,设计了大电流脉冲发生器。通过导通回路电流分析了脉冲发生器的自触发原理,并模拟了输出脉冲电流激励磁透镜产生磁场的变化曲线。进行实物电路的研制,采用充电电容参数为600 V/2200 μF,充电电压为550 V。在负载电阻为6 Ω,负载电感为31.5 mH的条件下,获得输出电压峰值为−2.1 kV,半高宽为7.34 ms,脉冲前沿为450 ns;输出电流峰值为−225 A,半高宽为6.3 ms,脉冲前沿为4.11 ms。
为解决全场X射线荧光(XRF)成像中针孔形状和尺寸的选取问题,采用Geant4软件,模拟了6种不同类型针孔和4种不同的针孔孔径,分析了这些参数对点扩散函数和调制传递函数的影响;模拟了不同能量X射线荧光平面源的成像过程,并用均值滤波和Richardson迭代法对图像进行处理,分析了图像处理的效果。模拟结果表明:对于能量小于20 keV的荧光X射线,双锥孔结合直孔模型的点扩散函数尖锐性和等晕性更好,调制传递函数的截止频率更大,空间分辨更好,更适合做全场XRF成像的针孔;均值滤波结合Richardson迭代法的图像处理算法对全场XRF图像处理的效果较好。
表面增强拉曼光谱技术因其高灵敏度、操作简单、快速检测等优点,被广泛用于病毒检测方面。国内外的病毒拉曼检测研究主要集中在检测病毒核酸以及组成核酸的各种碱基的表面增强拉曼光谱(SERS),但少见对病毒蛋白的SERS检测。以新型冠状病毒(SARS-CoV-2)的S蛋白为检测对象,采用无标记SERS检测方法,对比SARS-CoV-2固态、饱和液态S蛋白的普通拉曼光谱和选用40 nm金纳米粒子为基底的SARS-CoV-2低浓度S蛋白SERS光谱。结果表明,以40 nm金纳米粒子为基底,采用SERS技术检测SARS-CoV-2的S蛋白是完全可行的。SARS-CoV-2的S蛋白分子中的羧基与金纳米粒子发生了分子增强,氨基与金纳米粒子发生了电磁增强,从而使得SARS-CoV-2的S蛋白拉曼效应得到了增强,并使得峰位发生一定移动。实验获得了较好的SARS-CoV-2低浓度S蛋白SERS光谱,为建立敏感、特异、快速的SARS-CoV-2检测新技术提供了一种方法。

Email alert
RSS
