2025年 37卷 第12期
推荐文章
2025, 37: 123001.
doi: 10.11884/HPLPB202537.250338
2025, 37: 121001.
doi: 10.11884/HPLPB202537.250139
2025, 37: 123006.
doi: 10.11884/HPLPB202537.250183
显示方式:
2025, 37: 122001.
doi: 10.11884/HPLPB202537.250066
摘要:
针对小样本高功率固体激光装置中光学元件表面疵病的精准检测需求,基于ICFNet提出了一种融合数据增强与深度残差网络的检测方法ICFNetV2。首先采用残差连接机制与通道解耦卷积操作的协同设计,搭建了包含34个层级联模块的深度网络架构,成功抑制了深层网络训练中的梯度衰减现象,并显著提升了特征跨层传递效率。网络中嵌入了空间Dropout层,同时在数据预处理阶段采用随机旋转、镜像翻转和高斯噪声注入等数据增强策略,将训练样本量扩展至原始数据集的9倍,提升了模型的泛化能力。消融实验进一步证实网络中模块的有效性。实验结果表明,改进后的ICFNetV2在麻点、划痕和灰尘三类疵病分类任务中达到97.4%的准确率,相较ICFNet模型提升0.7%。
针对小样本高功率固体激光装置中光学元件表面疵病的精准检测需求,基于ICFNet提出了一种融合数据增强与深度残差网络的检测方法ICFNetV2。首先采用残差连接机制与通道解耦卷积操作的协同设计,搭建了包含34个层级联模块的深度网络架构,成功抑制了深层网络训练中的梯度衰减现象,并显著提升了特征跨层传递效率。网络中嵌入了空间Dropout层,同时在数据预处理阶段采用随机旋转、镜像翻转和高斯噪声注入等数据增强策略,将训练样本量扩展至原始数据集的9倍,提升了模型的泛化能力。消融实验进一步证实网络中模块的有效性。实验结果表明,改进后的ICFNetV2在麻点、划痕和灰尘三类疵病分类任务中达到97.4%的准确率,相较ICFNet模型提升0.7%。
2025, 37: 123001.
doi: 10.11884/HPLPB202537.250338
摘要:
随着低空经济产业加速发展,低空安防日益引起广泛关注。我们提出了一种片上固态高功率微波新思路,并在单个厚度0.5 mm、直径0.15 m的半导体晶圆上集成了储能电容、高功率光控半导体开关及天线,实现了辐射因子20 kV的超宽谱高功率微波输出。实验表明,基于集成化片上高功率微波系统,对10 m处的消费级无人机造成了通信链路切断及飞行失控的效果。
随着低空经济产业加速发展,低空安防日益引起广泛关注。我们提出了一种片上固态高功率微波新思路,并在单个厚度0.5 mm、直径0.15 m的半导体晶圆上集成了储能电容、高功率光控半导体开关及天线,实现了辐射因子20 kV的超宽谱高功率微波输出。实验表明,基于集成化片上高功率微波系统,对10 m处的消费级无人机造成了通信链路切断及飞行失控的效果。
2025, 37: 123002.
doi: 10.11884/HPLPB202537.250149
摘要:
高功率雷达广泛应用于国防、监视和航空航天等重要领域,但其较高的峰值功率和宽频谱特性可能对邻近频段的通信系统造成非预期的干扰。其中,线性调频(LFM)信号是高功率雷达最常用的信号形式,因此,开展LFM信号对通信系统的干扰特性研究具有重要意义。为明确LFM信号关键波形参数对正交相移键控(QPSK)调制通信系统的干扰效应并揭示其干扰规律,基于软件定义无线电(SDR)搭建QPSK调制通信系统,以误差矢量幅度(EVM)为统一度量指标,定量分析了脉宽、脉冲周期和调频带宽三个关键波形参数对QPSK调制通信系统的干扰影响。结果表明:线性调频脉冲的占空比增大会显著提高EVM值,但当占空比超过30%后,EVM增速趋于稳定;在相同占空比条件下,脉冲周期变化对通信系统EVM的影响不显著;调频带宽从1 MHz增至3 MHz时,通信系统的EVM由−10.5 dB降至−19.8 dB,降幅达9.3 dB;进一步将带宽由3 MHz增加至10 MHz,EVM基本保持恒定。基于SDR平台搭建了高功率微波(HPM)雷达信号对通信系统干扰的定量分析实验系统,开展了多波形参数条件下的干扰测试与分析,揭示了LFM信号对QPSK调制通信系统的潜在影响,为雷达与通信频谱共存及通信系统抗干扰设计提供了实验依据与理论支撑。
高功率雷达广泛应用于国防、监视和航空航天等重要领域,但其较高的峰值功率和宽频谱特性可能对邻近频段的通信系统造成非预期的干扰。其中,线性调频(LFM)信号是高功率雷达最常用的信号形式,因此,开展LFM信号对通信系统的干扰特性研究具有重要意义。为明确LFM信号关键波形参数对正交相移键控(QPSK)调制通信系统的干扰效应并揭示其干扰规律,基于软件定义无线电(SDR)搭建QPSK调制通信系统,以误差矢量幅度(EVM)为统一度量指标,定量分析了脉宽、脉冲周期和调频带宽三个关键波形参数对QPSK调制通信系统的干扰影响。结果表明:线性调频脉冲的占空比增大会显著提高EVM值,但当占空比超过30%后,EVM增速趋于稳定;在相同占空比条件下,脉冲周期变化对通信系统EVM的影响不显著;调频带宽从1 MHz增至3 MHz时,通信系统的EVM由−10.5 dB降至−19.8 dB,降幅达9.3 dB;进一步将带宽由3 MHz增加至10 MHz,EVM基本保持恒定。基于SDR平台搭建了高功率微波(HPM)雷达信号对通信系统干扰的定量分析实验系统,开展了多波形参数条件下的干扰测试与分析,揭示了LFM信号对QPSK调制通信系统的潜在影响,为雷达与通信频谱共存及通信系统抗干扰设计提供了实验依据与理论支撑。
2025, 37: 123003.
doi: 10.11884/HPLPB202537.250160
摘要:
Background Purpose Methods Results Conclusions
Traveling-wave tubes (TWTs) are widely applied in radar, imaging, and military systems owing to their excellent amplification characteristics. Miniaturization and integration are critical to the future of TWTs, with multi-channel slow-wave structures (SWSs) forming the foundation for their realization in high-power vacuum electronic devices.
To provide design insights for multi-channel TWTs and simultaneously enhance their output power, a W-band folded-waveguide TWT with dual electron beams and H-plane power combining was proposed.
Three-dimensional electromagnetic simulations in CST were conducted to verify the high-frequency characteristics, electric field distribution, and amplification performance of the proposed SWS, thereby confirming the validity of the design.
Results indicate that the designed TWT achieves a transmission bandwidth of 10 GHz. With an electron beam voltage of 17.9 kV and a current of 0.35 A, the output power reaches 450 W at 94 GHz, corresponding to an efficiency of 7.18% and a gain of 23.5 dB. Moreover, under fixed beam voltage and current, the TWT delivers over 200 W output power across 91–99 GHz, with a 3 dB bandwidth of 91–98.5 GHz. The particle voltage distribution after modulation further validates the mode analysis.
These results demonstrate the feasibility of compact dual-beam power-combining structures and provide useful guidance for the design of future multi-channel TWTs.
2025, 37: 123004.
doi: 10.11884/HPLPB202537.250080
摘要:
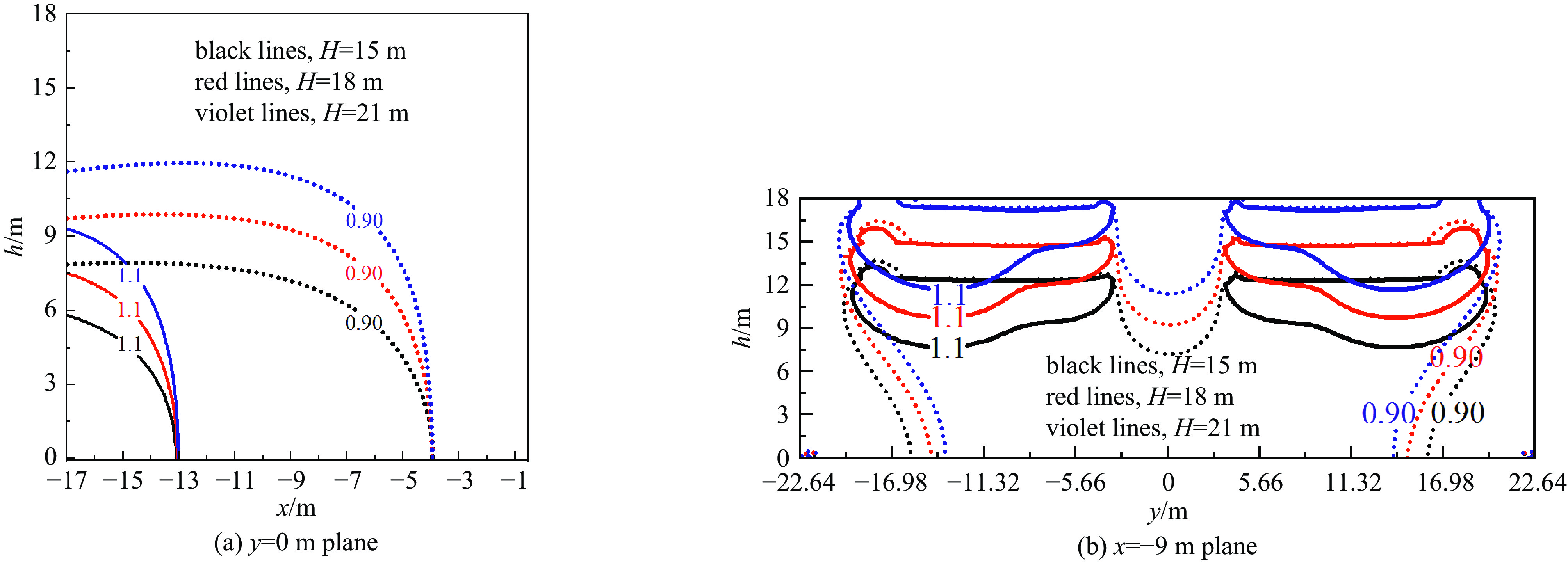
基于并行时域有限差分(FDTD)方法,以大型分裂型分布式负载垂直极化EMP模拟器有效工作空间的选择为目的,先对固定尺寸的该类型模拟器不同平面上的电场垂直分量峰值(简称为“场峰值”)分布特性进行了研究,进而给出了该类型模拟器有效工作空间的选择方法示例;并据此选择了影响该类型模拟器有效工作空间尺寸的两个典型平面为监测面,研究分析了模拟器的最大宽度、模拟器的架高、及模拟器上极板空隙最大尺寸对所选择的监测面上(归一化)场峰值分布的影响,进而给出模拟器的设计建议。模拟结果表明:模拟器的最大宽度越宽、模拟器的架高越低、及模拟器上极板空隙最大尺寸越小,会使得所选择的监测面上场峰值有增加的趋势;模拟器最大宽度的增加会使得场峰值在模拟器宽度方向上的均匀性变好;模拟器架高的增加会使得场峰值在模拟器高度方向上的均匀性变好,但会使得在宽度方向上的均匀性变得略差;模拟器上极板空隙最大尺寸的增加会使得模拟器内场峰值在宽度方向上的均匀性变好,但会使得其在高度方向的均匀性变差。
基于并行时域有限差分(FDTD)方法,以大型分裂型分布式负载垂直极化EMP模拟器有效工作空间的选择为目的,先对固定尺寸的该类型模拟器不同平面上的电场垂直分量峰值(简称为“场峰值”)分布特性进行了研究,进而给出了该类型模拟器有效工作空间的选择方法示例;并据此选择了影响该类型模拟器有效工作空间尺寸的两个典型平面为监测面,研究分析了模拟器的最大宽度、模拟器的架高、及模拟器上极板空隙最大尺寸对所选择的监测面上(归一化)场峰值分布的影响,进而给出模拟器的设计建议。模拟结果表明:模拟器的最大宽度越宽、模拟器的架高越低、及模拟器上极板空隙最大尺寸越小,会使得所选择的监测面上场峰值有增加的趋势;模拟器最大宽度的增加会使得场峰值在模拟器宽度方向上的均匀性变好;模拟器架高的增加会使得场峰值在模拟器高度方向上的均匀性变好,但会使得在宽度方向上的均匀性变得略差;模拟器上极板空隙最大尺寸的增加会使得模拟器内场峰值在宽度方向上的均匀性变好,但会使得其在高度方向的均匀性变差。
2025, 37: 123005.
doi: 10.11884/HPLPB202537.250285
摘要:
为研究微波等离子体推力器在微小卫星应用中的关键测试技术难题,针对实验室真空环境下的空间约束条件,创新性地开发了多种推力测量方案。实验采用1.5 kW功率的2.45 GHz磁控管微波源,通过氦气工质产生等离子体推力。研究重点突破了传统推力测量装置在有限空间内的应用限制,建立了包括直接力学测量和间接参数推算在内的完整测试体系。测试结果表明,在0~600 mN推力范围内,这四种方法在不同工况下均表现出良好的测量效果,且推拉力计和单摆推力计的测量结果高度一致,验证了方法的有效性。此外,基于谐振腔特性的间接计算方法在放电实验中提供了与直接测量相符的推力估计值,进一步证明了其可行性。本研究为微小推力器的地面测试提供了可靠的技术方案,其模块化设计思路特别适合立方星等微小卫星平台的推进系统验证需求。
为研究微波等离子体推力器在微小卫星应用中的关键测试技术难题,针对实验室真空环境下的空间约束条件,创新性地开发了多种推力测量方案。实验采用1.5 kW功率的2.45 GHz磁控管微波源,通过氦气工质产生等离子体推力。研究重点突破了传统推力测量装置在有限空间内的应用限制,建立了包括直接力学测量和间接参数推算在内的完整测试体系。测试结果表明,在0~600 mN推力范围内,这四种方法在不同工况下均表现出良好的测量效果,且推拉力计和单摆推力计的测量结果高度一致,验证了方法的有效性。此外,基于谐振腔特性的间接计算方法在放电实验中提供了与直接测量相符的推力估计值,进一步证明了其可行性。本研究为微小推力器的地面测试提供了可靠的技术方案,其模块化设计思路特别适合立方星等微小卫星平台的推进系统验证需求。
2025, 37: 124001.
doi: 10.11884/HPLPB202537.250114
摘要:
为满足负离子源中性束注入系统对控制与监测功能的需求,设计了基于Qt的负离子源中性束注入控制与监测系统。针对传统基于NI-PXIe硬件与LabVIEW-FPGA架构系统存在的开发周期长、硬件成本高、扩展性不足等方面的问题,提出基于国产PXIe平台、Linux实时系统与Qt5.9框架的模块化控制方案。通过国产化硬件替代与Linux实时内核优化控制,结合C++面向对象编程开发多线程控制程序,攻克了高成本、低扩展性瓶颈。实验表明,该系统实现了微秒级同步精度,在提供更高的可扩展性和控制精度的情况下,控制与监测系统可以满足实验有关定时控制方面的需求。
为满足负离子源中性束注入系统对控制与监测功能的需求,设计了基于Qt的负离子源中性束注入控制与监测系统。针对传统基于NI-PXIe硬件与LabVIEW-FPGA架构系统存在的开发周期长、硬件成本高、扩展性不足等方面的问题,提出基于国产PXIe平台、Linux实时系统与Qt5.9框架的模块化控制方案。通过国产化硬件替代与Linux实时内核优化控制,结合C++面向对象编程开发多线程控制程序,攻克了高成本、低扩展性瓶颈。实验表明,该系统实现了微秒级同步精度,在提供更高的可扩展性和控制精度的情况下,控制与监测系统可以满足实验有关定时控制方面的需求。
2025, 37: 124002.
doi: 10.11884/HPLPB202537.250161
摘要:
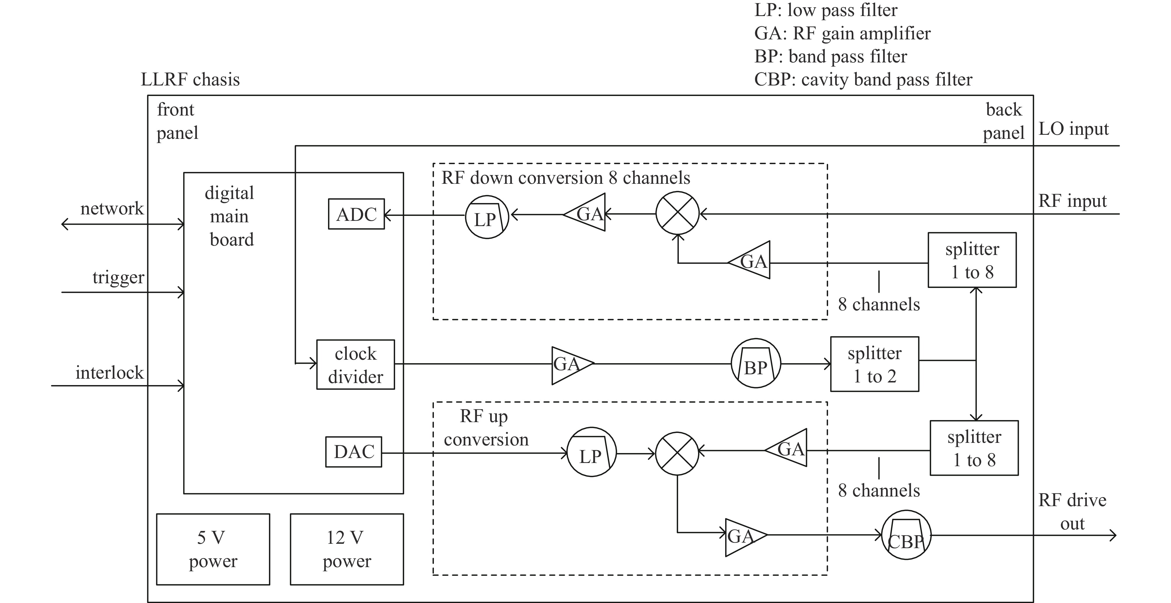
高能同步辐射光源(HEPS)快轨道反馈控制系统(FOFB)用于HEPS储存环的轨道反馈控制。针对FOFB系统的调试需求研制了一套用于FOFB测试的束流信号模拟发生器,其包含四路信号且幅值独立可调的输出端口,可实现在实验室无束流条件下对真实束流探测器(BPM)信号的模拟输出。该信号发生器具有结构简单、造价低和重复稳定性高等优点,简化了FOFB系统的调试过程。研制工作围绕该脉冲信号发生器展开,详细介绍了其硬件电路设计方案并给出了测试结果。
高能同步辐射光源(HEPS)快轨道反馈控制系统(FOFB)用于HEPS储存环的轨道反馈控制。针对FOFB系统的调试需求研制了一套用于FOFB测试的束流信号模拟发生器,其包含四路信号且幅值独立可调的输出端口,可实现在实验室无束流条件下对真实束流探测器(BPM)信号的模拟输出。该信号发生器具有结构简单、造价低和重复稳定性高等优点,简化了FOFB系统的调试过程。研制工作围绕该脉冲信号发生器展开,详细介绍了其硬件电路设计方案并给出了测试结果。
2025, 37: 124003.
doi: 10.11884/HPLPB202537.250023
摘要:
深圳中能高重频自由电子激光装置(S3FEL)是一台规划中的软X射线自由电子激光(FEL)装置,基于TESLA(TeV Energy Superconducting Linear Accelerator)型超导射频腔的直线加速器用于获得高重频高梯度的加速场,超导射频腔所在的低温超导模组是S3FEL装置中最具挑战的核心设备。超高真空差分段位于低温超导模组束流管出口,用于实现电子束运行管道在低温模组段与常温段的过渡,同时差分段上要求具有真空联锁保护,用于在突发情况下对低温模组内超导射频腔的保护。传统的快速关闭阀保护计算中仅按照气体分子速率进行计算,本文通过根据流态判据,划分快阀传感器至模组出口区域并开展有限元法和蒙特卡罗法计算,实现快速保护过程的瞬态分析。快阀传感器—快阀段真空室内瞬态压强分布计算结果表明,快阀传感器设置在距离快阀8~10 m位置可提供足够的缓冲反应时间,使快阀有足够时间做出动作响应;差分段瞬态压强分布计算中,当发生等效泄漏尺寸为0.5 mm的突发泄漏时,当低温测门阀完全关闭时,此处的压强最高达到10−5 Pa,仍能维持较好的高真空环境并满足离子泵的工作要求。此工作为S3FEL的差分段设计提供重要理论依据。
深圳中能高重频自由电子激光装置(S3FEL)是一台规划中的软X射线自由电子激光(FEL)装置,基于TESLA(TeV Energy Superconducting Linear Accelerator)型超导射频腔的直线加速器用于获得高重频高梯度的加速场,超导射频腔所在的低温超导模组是S3FEL装置中最具挑战的核心设备。超高真空差分段位于低温超导模组束流管出口,用于实现电子束运行管道在低温模组段与常温段的过渡,同时差分段上要求具有真空联锁保护,用于在突发情况下对低温模组内超导射频腔的保护。传统的快速关闭阀保护计算中仅按照气体分子速率进行计算,本文通过根据流态判据,划分快阀传感器至模组出口区域并开展有限元法和蒙特卡罗法计算,实现快速保护过程的瞬态分析。快阀传感器—快阀段真空室内瞬态压强分布计算结果表明,快阀传感器设置在距离快阀8~10 m位置可提供足够的缓冲反应时间,使快阀有足够时间做出动作响应;差分段瞬态压强分布计算中,当发生等效泄漏尺寸为0.5 mm的突发泄漏时,当低温测门阀完全关闭时,此处的压强最高达到10−5 Pa,仍能维持较好的高真空环境并满足离子泵的工作要求。此工作为S3FEL的差分段设计提供重要理论依据。
2025, 37: 124004.
doi: 10.11884/HPLPB202537.250263
摘要:
Rhodotron加速器因其微焦点特性,为工业计算机断层扫描(CT)系统实现高空间分辨率检测提供了硬件基础。然而,在检测航空航天等领域常用的高密度、大尺寸工件时,X射线的强衰减会导致投影数据信噪比严重降低,常规重建算法难以兼顾噪声抑制与细节保持,限制了系统分辨能力的发挥。针对此问题,旨在提出一种能够在强噪声背景下实现高保真重建的算法。本研究提出一种基于双边总变分正则化凸集投影(POCS-BTV)的高分辨迭代重建算法。该算法在POCS框架内,创新性地引入具有优越边缘保持能力的BTV作为正则项,通过迭代优化有效分离图像结构与噪声。通过仿真实验和基于Rhodotron加速器CT系统的实际物理模体实验对算法性能进行验证,并与SIRT、POCS-TV及POCS-RTV等算法进行对比。仿真实验结果表明,所提POCS-BTV算法重建的Shepp-Logan头模图像峰值信噪比(PSNR)达到30.76,结构相似性(SSIM)为0.8405 ,在各项评价指标上均表现出显著优势。针对直径70 mm高强度钢丝缆绳模体的实际数据重建,POCS-BTV算法的重建图像能够清晰分辨钢丝间的微小缝隙,有效避免了其他算法中出现的结构混叠与边缘模糊现象。研究证实,POCS-BTV算法能充分利用Rhodotron加速器的硬件优势,在强噪声背景下实现高密度工件内部微观结构的高分辨、高保真重建,为关键工业部件的精密无损检测提供了可靠的解决方案。
Rhodotron加速器因其微焦点特性,为工业计算机断层扫描(CT)系统实现高空间分辨率检测提供了硬件基础。然而,在检测航空航天等领域常用的高密度、大尺寸工件时,X射线的强衰减会导致投影数据信噪比严重降低,常规重建算法难以兼顾噪声抑制与细节保持,限制了系统分辨能力的发挥。针对此问题,旨在提出一种能够在强噪声背景下实现高保真重建的算法。本研究提出一种基于双边总变分正则化凸集投影(POCS-BTV)的高分辨迭代重建算法。该算法在POCS框架内,创新性地引入具有优越边缘保持能力的BTV作为正则项,通过迭代优化有效分离图像结构与噪声。通过仿真实验和基于Rhodotron加速器CT系统的实际物理模体实验对算法性能进行验证,并与SIRT、POCS-TV及POCS-RTV等算法进行对比。仿真实验结果表明,所提POCS-BTV算法重建的Shepp-Logan头模图像峰值信噪比(PSNR)达到30.76,结构相似性(SSIM)为
2025, 37: 124005.
doi: 10.11884/HPLPB202537.250186
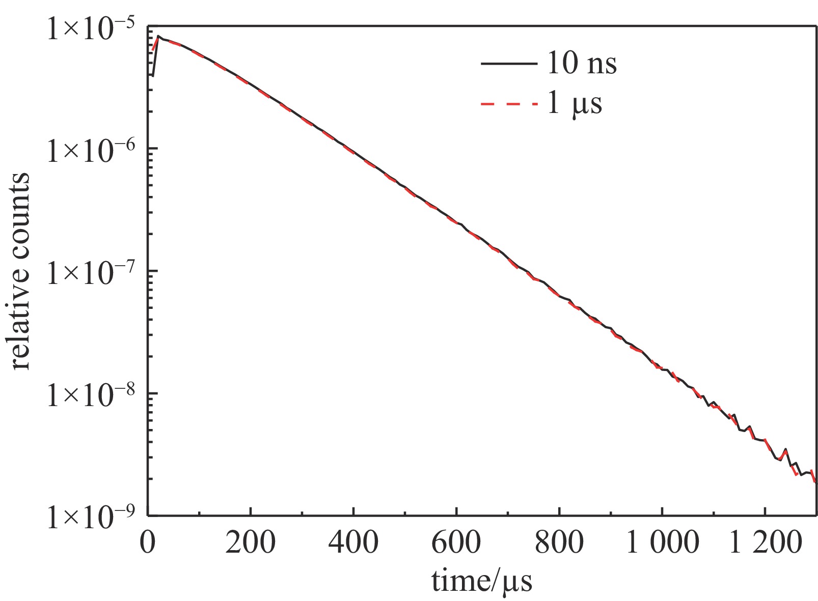
摘要:
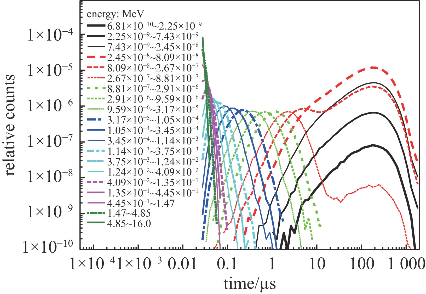
针对长计数器基本结构,建立简化模型系统模拟了快中子脉冲经慢化体后进入正比管的能谱分布与时间分布,结果表明:中子能谱随时间的演化明显,31 μs以后,中子的能谱变化变小,趋于恒定;进入正比管的不同能量的中子时间分布不同,随着能量变低,时间分布变宽,热中子附近,时间分布可持续至上千μs;利用不同能量中子随时间的分布,计算了长计数器计数随时间的变化。慢化体半径超过20 cm后,进入正比管的中子通量与能谱基本不随慢化体半径变化而变化,此结果可为长计数器尺寸的优化设计提供参考。
针对长计数器基本结构,建立简化模型系统模拟了快中子脉冲经慢化体后进入正比管的能谱分布与时间分布,结果表明:中子能谱随时间的演化明显,31 μs以后,中子的能谱变化变小,趋于恒定;进入正比管的不同能量的中子时间分布不同,随着能量变低,时间分布变宽,热中子附近,时间分布可持续至上千μs;利用不同能量中子随时间的分布,计算了长计数器计数随时间的变化。慢化体半径超过20 cm后,进入正比管的中子通量与能谱基本不随慢化体半径变化而变化,此结果可为长计数器尺寸的优化设计提供参考。
2025, 37: 124006.
doi: 10.11884/HPLPB202537.250175
摘要:
甚高频光阴极微波电子枪是一种工作于连续波模式的电子源,用于产生MHz级高重频、高品质的电子束,是高重频X射线自由电子激光、高重频超快电子衍射等科学装置的关键核心部件。在运行过程中,电子枪腔体谐振频率随着馈入功率及冷却水温度变化而变化,因此需要对电子枪频率进行实时测量并通过调谐器对腔体频率进行调整以保障腔体内微波场幅度和相位的稳定。基于LCR振荡电路模型,分析了腔体取样微波与入射微波的相位差与电子枪谐振频率的关系,采用了频率扫描、频率跟踪和主动调谐的电子枪腔体三步调谐方法,成功应用于清华大学甚高频电子枪调谐和微波幅度相位控制。通过该调谐方法,可以使电子枪在高功率运行时始终保持谐振状态。电子枪在满功率运行下腔体谐振频率偏差控制在94.2 Hz (RMS),腔体微波采样口的幅值稳定性达到0.0046 % (RMS),锁相精度达到0.0023 ° (RMS),实现电子枪在满功率下长时间稳定运行。
甚高频光阴极微波电子枪是一种工作于连续波模式的电子源,用于产生MHz级高重频、高品质的电子束,是高重频X射线自由电子激光、高重频超快电子衍射等科学装置的关键核心部件。在运行过程中,电子枪腔体谐振频率随着馈入功率及冷却水温度变化而变化,因此需要对电子枪频率进行实时测量并通过调谐器对腔体频率进行调整以保障腔体内微波场幅度和相位的稳定。基于LCR振荡电路模型,分析了腔体取样微波与入射微波的相位差与电子枪谐振频率的关系,采用了频率扫描、频率跟踪和主动调谐的电子枪腔体三步调谐方法,成功应用于清华大学甚高频电子枪调谐和微波幅度相位控制。通过该调谐方法,可以使电子枪在高功率运行时始终保持谐振状态。电子枪在满功率运行下腔体谐振频率偏差控制在94.2 Hz (RMS),腔体微波采样口的幅值稳定性达到
2025, 37: 125001.
doi: 10.11884/HPLPB202537.250210
摘要:
近年来,快速发展的卷绕式云母纸电容器较大地提升了其工作电压,有希望用于提升PFN-Marx(pulse forming line - Marx)发生器的整体储能密度水平。电容器寿命是确保装置可靠性的重要因素,而该电容器的寿命特性尚未清楚,其最优工作条件和装置的预期工作寿命未能明确。基于此,开展了微秒脉冲下云母电容寿命特性的预测模型和实验研究。首先,分析了云母电容的内部结构,建立仿真模型并进行了电场、热场模拟分析。其次,搭建了一个能够稳定长时间工作的寿命测试平台,通过该平台获取并分析了云母电容的退化参数、寿命数据和失效机理。根据寿命数据结果,修正了在给定运行因素下的云母电容寿命预测模型。结果表明,寿命预测模型与寿命测试结果基本匹配。研究工作将有助于发展云母电容的寿命预测,并为在微秒脉冲下使用云母电容的系统装置设计提供参考。
近年来,快速发展的卷绕式云母纸电容器较大地提升了其工作电压,有希望用于提升PFN-Marx(pulse forming line - Marx)发生器的整体储能密度水平。电容器寿命是确保装置可靠性的重要因素,而该电容器的寿命特性尚未清楚,其最优工作条件和装置的预期工作寿命未能明确。基于此,开展了微秒脉冲下云母电容寿命特性的预测模型和实验研究。首先,分析了云母电容的内部结构,建立仿真模型并进行了电场、热场模拟分析。其次,搭建了一个能够稳定长时间工作的寿命测试平台,通过该平台获取并分析了云母电容的退化参数、寿命数据和失效机理。根据寿命数据结果,修正了在给定运行因素下的云母电容寿命预测模型。结果表明,寿命预测模型与寿命测试结果基本匹配。研究工作将有助于发展云母电容的寿命预测,并为在微秒脉冲下使用云母电容的系统装置设计提供参考。
2025, 37: 129001.
doi: 10.11884/HPLPB202537.250071
摘要:
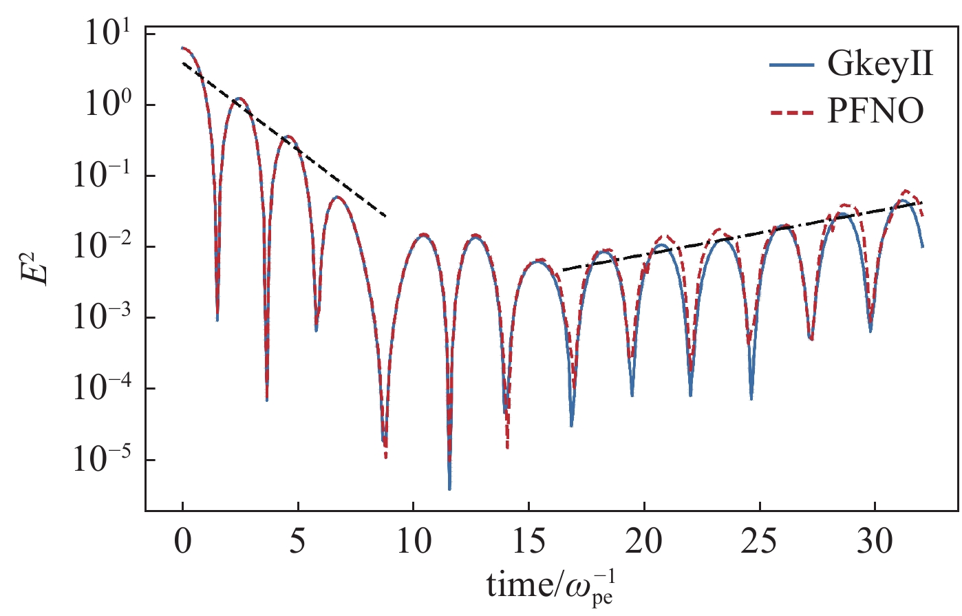
Vlasov方程是研究等离子体物理的重要方程,在高温、完全电离且忽略库伦碰撞的情况下,其数值求解方法主要有欧拉类方法和拉格朗日类方法。考虑传统数值求解方法在高精度网格条件下计算资源快速增长、维度灾难等问题,采用了基于物理信息驱动的傅里叶神经算子(PFNO)对Vlasov方程进行求解。该方法将傅里叶神经算子高维函数映射能力与Vlasov方程物理约束结合,构建了数据-物理信息驱动的深度学习框架,可提升模型在稀疏数据条件下的泛化性能,同时具有网格无关性特征。数值实验表明,该方法在保证求解精度的同时,相比传统有限元法和谱方法计算效率提升1~2个数量级,且能并行处理大批量数据。该研究为高维Vlasov动力学方程的求解提供了新思路,在惯性约束聚变、空间等离子体模拟等领域具有一定应用潜力。
Vlasov方程是研究等离子体物理的重要方程,在高温、完全电离且忽略库伦碰撞的情况下,其数值求解方法主要有欧拉类方法和拉格朗日类方法。考虑传统数值求解方法在高精度网格条件下计算资源快速增长、维度灾难等问题,采用了基于物理信息驱动的傅里叶神经算子(PFNO)对Vlasov方程进行求解。该方法将傅里叶神经算子高维函数映射能力与Vlasov方程物理约束结合,构建了数据-物理信息驱动的深度学习框架,可提升模型在稀疏数据条件下的泛化性能,同时具有网格无关性特征。数值实验表明,该方法在保证求解精度的同时,相比传统有限元法和谱方法计算效率提升1~2个数量级,且能并行处理大批量数据。该研究为高维Vlasov动力学方程的求解提供了新思路,在惯性约束聚变、空间等离子体模拟等领域具有一定应用潜力。
2025, 37: 129002.
doi: 10.11884/HPLPB202537.250197
摘要:
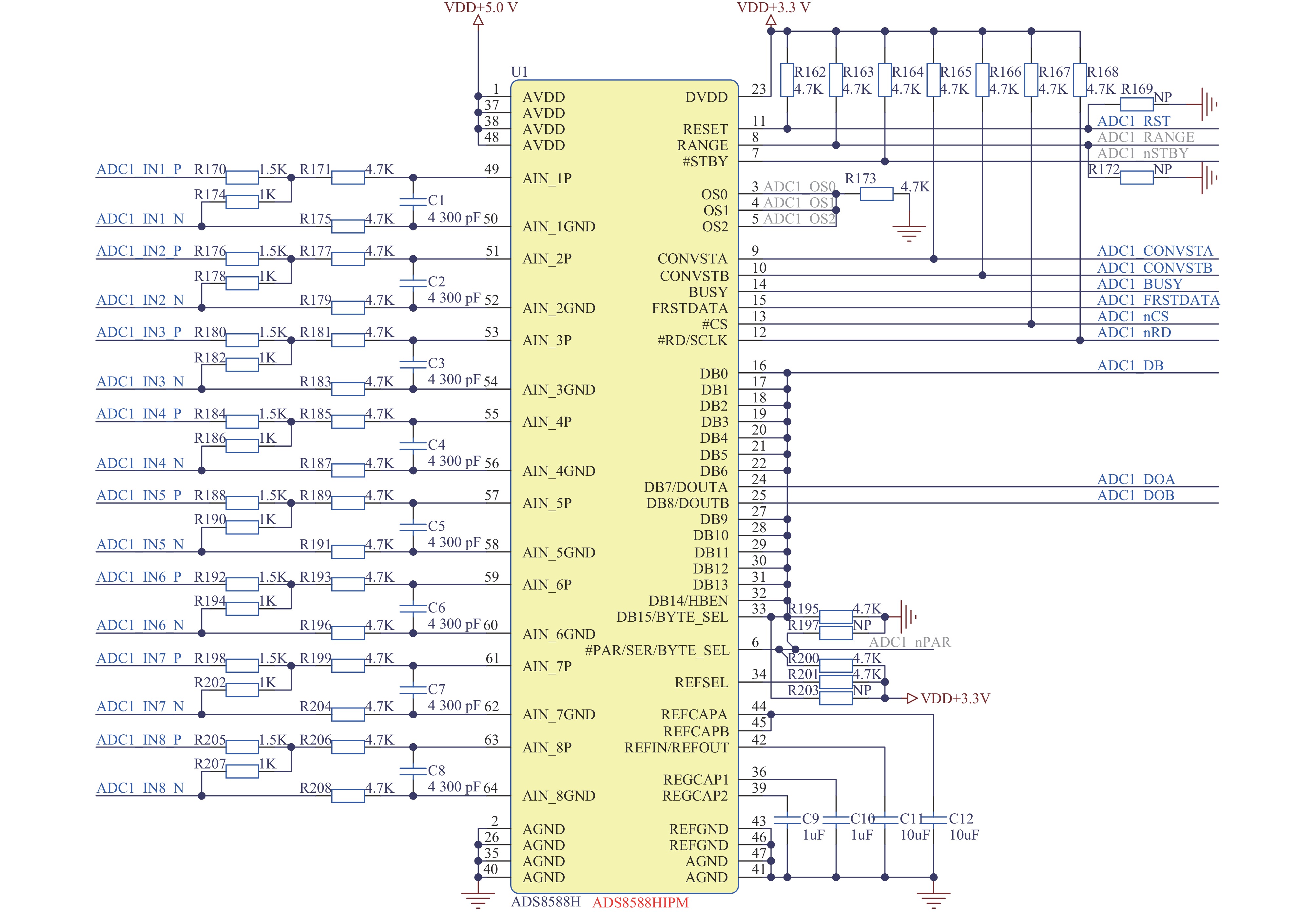
直流高压加速器离子源系统需在兆伏级高压平台运行,有线通信介质如光纤在紧凑型使用工况下由于耐压局限性而存在击穿风险。为此,设计并研制了一种基于无线光通信(WOC)的离子源控制与采集系统样机,针对2.5 MV直流高压加速器中电感耦合等离子体(ICP)离子源系统中的高压电源、射频电源和质量流量计所需的模拟量控制与采集要求,采用差分输入模数转换(ADC)对控制与采集原始信号进行采样,经数字处理后通过无线光通信传输;无线光信号通过光电转换,再经数模转换(DAC)和放大电路重构原始信号。通过搭建离线测试平台,验证所设计的无线光系统能够稳定控制直流高压加速器离子源系统相关设备。实验测试结果表明,该无线光系统满足硼中子俘获治疗(BNCT)项目的技术要求,具备在2.5 MV直流高压加速器离子源系统中应用的可行性。
直流高压加速器离子源系统需在兆伏级高压平台运行,有线通信介质如光纤在紧凑型使用工况下由于耐压局限性而存在击穿风险。为此,设计并研制了一种基于无线光通信(WOC)的离子源控制与采集系统样机,针对2.5 MV直流高压加速器中电感耦合等离子体(ICP)离子源系统中的高压电源、射频电源和质量流量计所需的模拟量控制与采集要求,采用差分输入模数转换(ADC)对控制与采集原始信号进行采样,经数字处理后通过无线光通信传输;无线光信号通过光电转换,再经数模转换(DAC)和放大电路重构原始信号。通过搭建离线测试平台,验证所设计的无线光系统能够稳定控制直流高压加速器离子源系统相关设备。实验测试结果表明,该无线光系统满足硼中子俘获治疗(BNCT)项目的技术要求,具备在2.5 MV直流高压加速器离子源系统中应用的可行性。
2025, 37: 121001.
doi: 10.11884/HPLPB202537.250139
摘要:
作为轻量化设计的战略材料,铝合金凭借其低比重、耐腐蚀和良好的低温特性,在海洋装备、航空航天及交通运输领域中占据重要地位。值得注意的是,表面润湿特性作为铝合金功能化应用的关键界面参数,直接影响其工程服役性能。近年来,基于激光毛化织构的表面润湿性调控技术突破传统化学改性局限,为铝合金表面功能化提供了新的思路。系统阐释了润湿性基础理论体系,包括Young氏模型、Wenzel模型和Cassie-Baxter模型,分析了超短脉冲激光和长脉冲激光体系在铝合金表面仿生功能化构建中的应用差异,其中超短脉冲激光(飞秒/皮秒)凭借其极短脉宽和超高峰值功率的特性可实现亚微米级精密织构,而长脉冲激光则在大面积加工效率方面具有优势。研究显示,此类功能化表面在表面自清洁、低温防覆冰、耐Cl−腐蚀、高效沸腾传热、粘接及微流控等领域展现出显著优势,然而其实际应用仍受限于润湿稳定性衰退和环境耐受性不足等关键技术瓶颈。
作为轻量化设计的战略材料,铝合金凭借其低比重、耐腐蚀和良好的低温特性,在海洋装备、航空航天及交通运输领域中占据重要地位。值得注意的是,表面润湿特性作为铝合金功能化应用的关键界面参数,直接影响其工程服役性能。近年来,基于激光毛化织构的表面润湿性调控技术突破传统化学改性局限,为铝合金表面功能化提供了新的思路。系统阐释了润湿性基础理论体系,包括Young氏模型、Wenzel模型和Cassie-Baxter模型,分析了超短脉冲激光和长脉冲激光体系在铝合金表面仿生功能化构建中的应用差异,其中超短脉冲激光(飞秒/皮秒)凭借其极短脉宽和超高峰值功率的特性可实现亚微米级精密织构,而长脉冲激光则在大面积加工效率方面具有优势。研究显示,此类功能化表面在表面自清洁、低温防覆冰、耐Cl−腐蚀、高效沸腾传热、粘接及微流控等领域展现出显著优势,然而其实际应用仍受限于润湿稳定性衰退和环境耐受性不足等关键技术瓶颈。
2025, 37: 123006.
doi: 10.11884/HPLPB202537.250183
摘要:
回旋行波管在毫米波雷达、通信、电子对抗、深空探测等方面有重要应用。对于大回旋状态下的电子注,只与\begin{document}$ \mathit{s}=\mathit{m} $\end{document} ![]()
![]()
的模式相互作用,其中,s为谐波次数,m为模式的角向指标,利于模式竞争的抑制。为了研究螺纹起伏参数和螺纹周期的改变对于工作模式1曲线的影响,本文利用阻抗微绕法,通过波耦合方程,得到五折叠Q波段螺旋波纹波导的传输耦合方程,分析了五折叠Q波段螺旋波纹波导模式耦合规则,并给出其色散方程,对色散方程进行数值求解,得到五折叠Q波段螺旋波纹波导的色散曲线,通过分析色散特性可知,在波导中有3个本征模式,模式1和2、3基本完全分离,选取模式1为工作模式,在42~47 GHz的范围内和电子注模式可以在较宽的范围内相切,不仅极大地拓展了互作用带宽,还可抑制模式竞争。
回旋行波管在毫米波雷达、通信、电子对抗、深空探测等方面有重要应用。对于大回旋状态下的电子注,只与
2025, 37: 124007.
doi: 10.11884/HPLPB202537.250124
摘要:
中国散裂中子源 (CSNS)作为一台高功率强流质子加速器,其设计目标是严格控制束流损失,束流损失测量系统对加速器的设备保护、残留活化剂量控制和加速器机器调试非常重要。在CSNS一期工程中,束流损失测量系统使用NI PXIe-6358采集卡进行束流损失波形采集。在CSNS二期工程中,计划开发基于ZYNQ的新型束流损失波形采集卡替代现有的NI采集板卡。详细介绍了基于ZYNQ的束流损失测量系统的电子学构成,主要分硬件架构和软件架构两部分进行详细阐述,重点介绍了AXI总线的LINUX驱动设计、EPICS IOC开发,通过实验室功能测试实现了束损波形采集、增益控制、过阈值机器保护和EPICS PV量发布等功能,并在RCS本地站进行了带束流测试。
中国散裂中子源 (CSNS)作为一台高功率强流质子加速器,其设计目标是严格控制束流损失,束流损失测量系统对加速器的设备保护、残留活化剂量控制和加速器机器调试非常重要。在CSNS一期工程中,束流损失测量系统使用NI PXIe-6358采集卡进行束流损失波形采集。在CSNS二期工程中,计划开发基于ZYNQ的新型束流损失波形采集卡替代现有的NI采集板卡。详细介绍了基于ZYNQ的束流损失测量系统的电子学构成,主要分硬件架构和软件架构两部分进行详细阐述,重点介绍了AXI总线的LINUX驱动设计、EPICS IOC开发,通过实验室功能测试实现了束损波形采集、增益控制、过阈值机器保护和EPICS PV量发布等功能,并在RCS本地站进行了带束流测试。
2025, 37: 125002.
doi: 10.11884/HPLPB202537.250122
摘要:
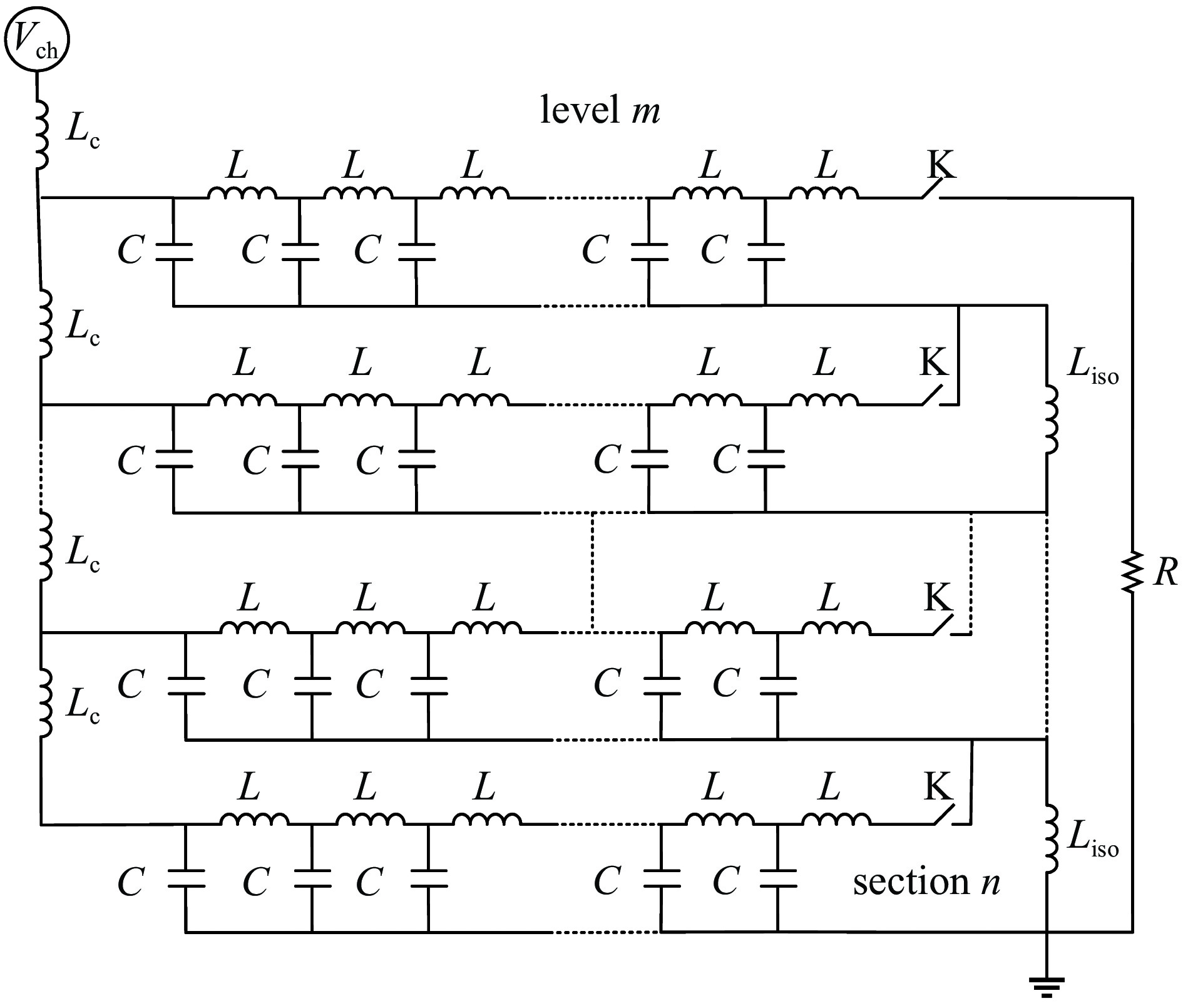
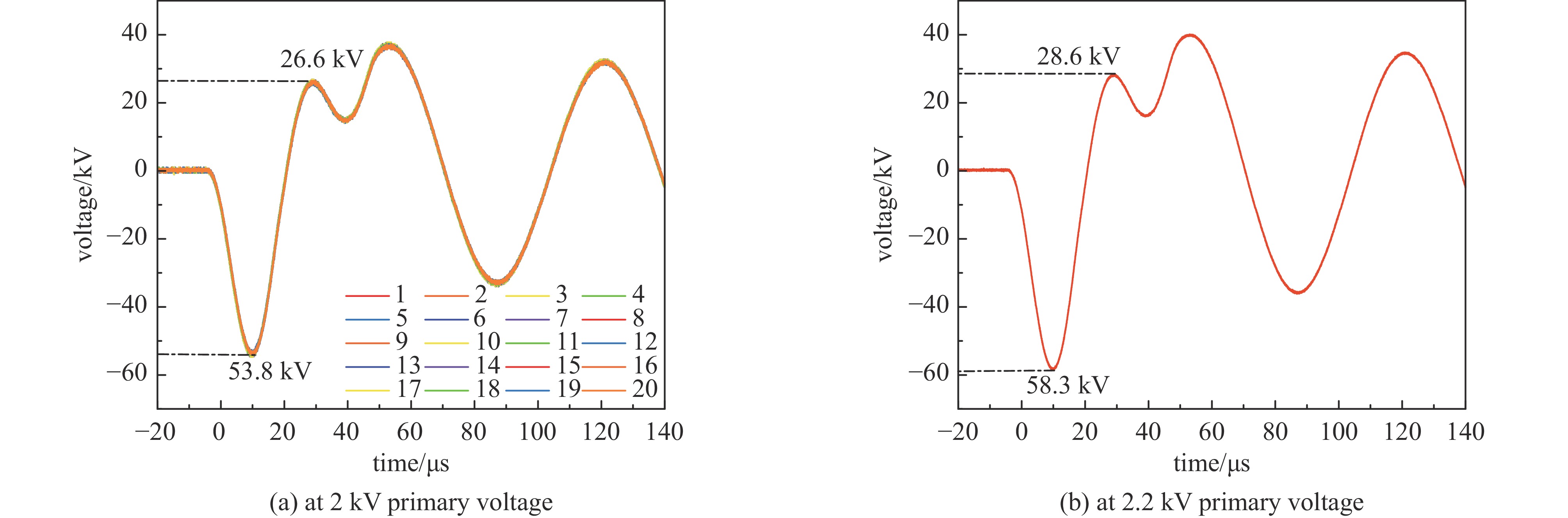
为实现脉冲驱动源的紧凑化,研制了基于PFN-Marx的高功率脉冲驱动源。7级PFN-Marx采用单级性脉冲充电方式,有利于PFN-Marx内部结构以及Tesla变压器的紧凑化设计;采用锂电池供电的高功率恒流充电电源给Tesla变压器的初级电容充电,供电电源体积小且灵活可移动;PFN各级充电回路电感相同,脉冲充电波形完全同步,模块化结构设计,可以灵活增加驱动源的模块数提高输出功率。脉冲驱动源输出单脉冲能量为45.6 J,在75 Ω负载条件下输出脉冲幅值为−189.2 kV、脉宽93.2 ns、前沿为8.4 ns的准方波脉冲,功率为477 MW。锂电池充电及控制电源的体积为482 mm×443 mm×177 mm,重量为12.6 kg。Telsa变压器及PFN-Marx发生器集成化设计后的体积为ϕ370 mm×848 mm,重量为28.7 kg。此驱动源样机为更高功率更高性能脉冲驱动源的紧凑化设计提供了参考。
为实现脉冲驱动源的紧凑化,研制了基于PFN-Marx的高功率脉冲驱动源。7级PFN-Marx采用单级性脉冲充电方式,有利于PFN-Marx内部结构以及Tesla变压器的紧凑化设计;采用锂电池供电的高功率恒流充电电源给Tesla变压器的初级电容充电,供电电源体积小且灵活可移动;PFN各级充电回路电感相同,脉冲充电波形完全同步,模块化结构设计,可以灵活增加驱动源的模块数提高输出功率。脉冲驱动源输出单脉冲能量为45.6 J,在75 Ω负载条件下输出脉冲幅值为−189.2 kV、脉宽93.2 ns、前沿为8.4 ns的准方波脉冲,功率为477 MW。锂电池充电及控制电源的体积为482 mm×443 mm×177 mm,重量为12.6 kg。Telsa变压器及PFN-Marx发生器集成化设计后的体积为ϕ370 mm×848 mm,重量为28.7 kg。此驱动源样机为更高功率更高性能脉冲驱动源的紧凑化设计提供了参考。
2025, 37: 126001.
doi: 10.11884/HPLPB202537.250157
摘要:
强爆炸释放的γ辐射剂量评估是核应急防护体系研究的重要方向之一,传统研究多聚焦于瞬发γ(<1 μs)的剂量评估,缓发γ(秒级)因时间延迟常被忽视。针对强爆炸后裂变产物在0.2~0.5 s内产生的缓发γ剂量与中子泄露产生的次级γ剂量开展研究,基于蒙特卡罗(MC)方法构建了强爆炸源项-大气输运-地表活化耦合的三维全尺度模型,提出基于MC多步计算的动态剂量评估框架,利用重要性卡降低一定距离内实验模拟的方差,详细对比了其与瞬发γ剂量随时间距离变化的趋势。模拟结果表明,在0.2~0.5 s窗口内,距爆炸源500 m处缓发γ总剂量达0.829 Gy,为瞬发剂量(0.441 Gy)的1.88倍;距爆炸源1000 m处仅裂变产物产生的缓发剂量(0.0318 Gy)为瞬发剂量(0.0042 Gy)的7.6倍,远距离下危害相较瞬发尤为显著;而中子泄漏产生的γ剂量500 m到1000 m的剂量由0.634 Gy逐步衰减至0.0485 Gy。提出的动态剂量评估框架为核应急防护策略优化提供了数据支撑。
强爆炸释放的γ辐射剂量评估是核应急防护体系研究的重要方向之一,传统研究多聚焦于瞬发γ(<1 μs)的剂量评估,缓发γ(秒级)因时间延迟常被忽视。针对强爆炸后裂变产物在0.2~0.5 s内产生的缓发γ剂量与中子泄露产生的次级γ剂量开展研究,基于蒙特卡罗(MC)方法构建了强爆炸源项-大气输运-地表活化耦合的三维全尺度模型,提出基于MC多步计算的动态剂量评估框架,利用重要性卡降低一定距离内实验模拟的方差,详细对比了其与瞬发γ剂量随时间距离变化的趋势。模拟结果表明,在0.2~0.5 s窗口内,距爆炸源500 m处缓发γ总剂量达0.829 Gy,为瞬发剂量(0.441 Gy)的1.88倍;距爆炸源
2025, 37: 126002.
doi: 10.11884/HPLPB202537.250098
摘要:
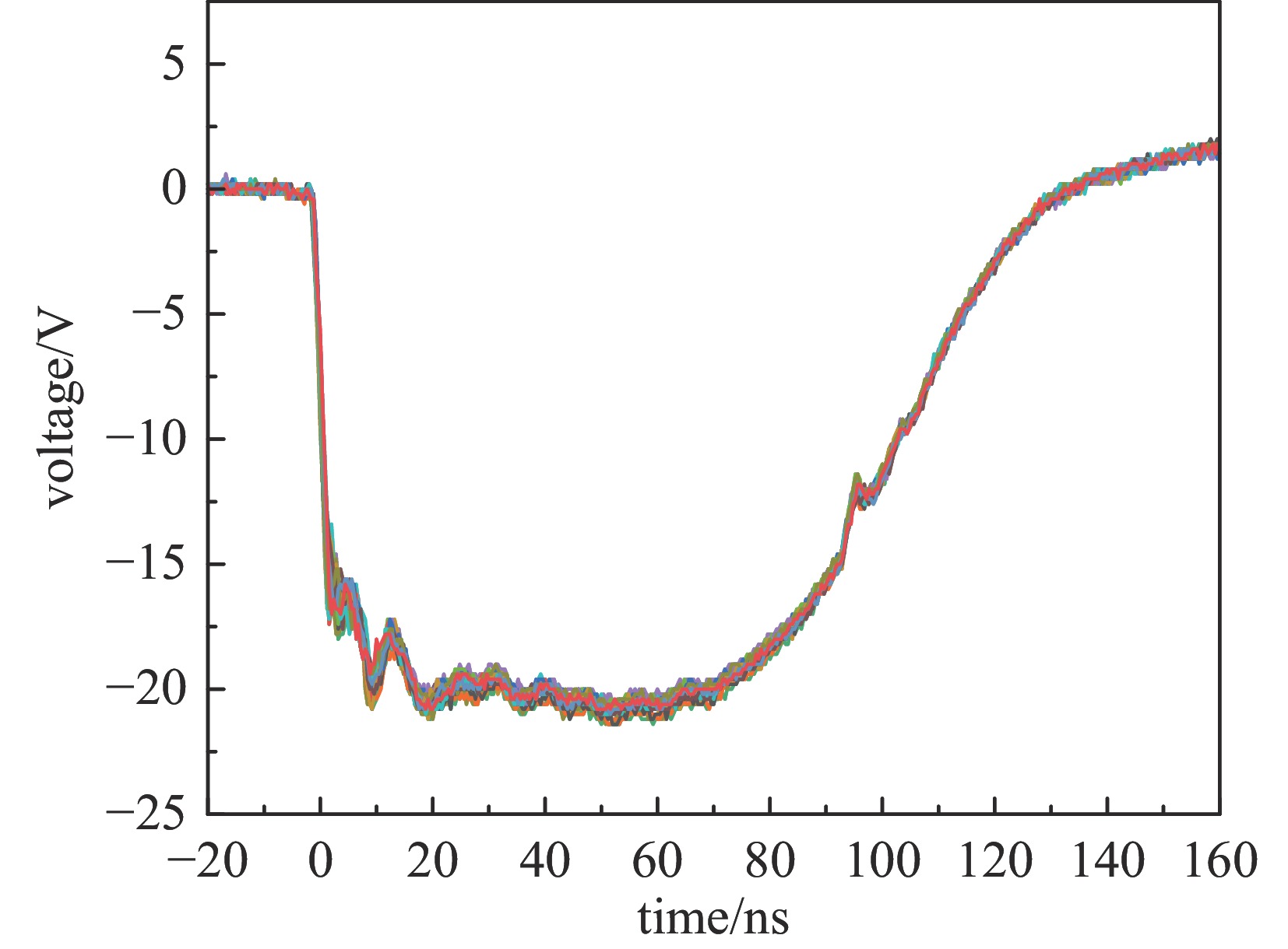
X/γ射线照射电子系统屏蔽盒时会穿透盒体在各层系统表面或内部产生光电子或康普顿电子,并激励起电磁脉冲,这些粒子或电磁场将干扰甚至损伤盒内电子系统的敏感电子元器件,影响电子系统的正常工作。为快速评估受射线照射下的电子系统内部粒子和电磁环境及其效应,理论分析了屏蔽盒腔体内初级粒子激励的电磁脉冲与PCB的场路耦合及射线直接多层穿透耦合这两种作用机制下产生的辐照响应,构建了其等效电路模型并验证了可行性,进而利用该模型对产生的效应电流进行了计算。在此基础上,利用该计算建模方法研究分析了对PCB采用涂覆绝缘防护层和进行接地两种保护措施后的PCB系统辐照效应的变化规律。为研究电子系统屏蔽盒的辐射效应提供了一种较为完整的直观理论计算方法,其可以在不采用模拟仿真软件的前提下实现对电子系统辐射效应的计算分析,并可推广至更广泛的场景。
X/γ射线照射电子系统屏蔽盒时会穿透盒体在各层系统表面或内部产生光电子或康普顿电子,并激励起电磁脉冲,这些粒子或电磁场将干扰甚至损伤盒内电子系统的敏感电子元器件,影响电子系统的正常工作。为快速评估受射线照射下的电子系统内部粒子和电磁环境及其效应,理论分析了屏蔽盒腔体内初级粒子激励的电磁脉冲与PCB的场路耦合及射线直接多层穿透耦合这两种作用机制下产生的辐照响应,构建了其等效电路模型并验证了可行性,进而利用该模型对产生的效应电流进行了计算。在此基础上,利用该计算建模方法研究分析了对PCB采用涂覆绝缘防护层和进行接地两种保护措施后的PCB系统辐照效应的变化规律。为研究电子系统屏蔽盒的辐射效应提供了一种较为完整的直观理论计算方法,其可以在不采用模拟仿真软件的前提下实现对电子系统辐射效应的计算分析,并可推广至更广泛的场景。

Email alert
RSS
