2025年 37卷 第3期
推荐文章
2025, 37: 035001.
doi: 10.11884/HPLPB202537.240406
2025, 37: 035025.
doi: 10.11884/HPLPB202537.240417
显示方式:
2025, 37: 035001.
doi: 10.11884/HPLPB202537.240406
摘要:
随着SiC MOSFET器件快速开关特性的发展,其在需要高速、灵活高压脉冲输出的电路系统中得到广泛应用。研究表明,SiC MOSFET的导通时间主要受栅极驱动技术及其实现方式的影响,因此相关研究多聚焦于其栅极驱动方法优化。该研究通过对SiC MOSFET栅极驱动回路进行参数测试与优化设计,并将其应用于超快导通型SiC MOSFET器件,以实现导通时间的显著缩减。为验证优化效果,研究团队设计并制备了栅极升压驱动器的优化原型进行实验测试。测试数据表明,经过优化的栅极驱动电压调节方法有效提升了器件性能,在10 kV电压等级与50 A电流条件下,脉冲电压上升沿时间可达27 ns。
随着SiC MOSFET器件快速开关特性的发展,其在需要高速、灵活高压脉冲输出的电路系统中得到广泛应用。研究表明,SiC MOSFET的导通时间主要受栅极驱动技术及其实现方式的影响,因此相关研究多聚焦于其栅极驱动方法优化。该研究通过对SiC MOSFET栅极驱动回路进行参数测试与优化设计,并将其应用于超快导通型SiC MOSFET器件,以实现导通时间的显著缩减。为验证优化效果,研究团队设计并制备了栅极升压驱动器的优化原型进行实验测试。测试数据表明,经过优化的栅极驱动电压调节方法有效提升了器件性能,在10 kV电压等级与50 A电流条件下,脉冲电压上升沿时间可达27 ns。
2025, 37: 035002.
doi: 10.11884/HPLPB202537.240409
摘要:
真空弧中子发生器是一种短脉冲高产额的中子源,被广泛应用在石油测井、元素活化分析等领域。真空弧中子发生器的典型特点是放电弧流大、脉宽短,为此研制了一套大电流的真空弧放电及其引出电源,包含触发模块、主弧模块和引出模块等。触发模块为LRC放电,输出电压峰值大于5 kV。主弧模块采用LRCD半周期放电方式产生主弧电流,电流峰值大于600 A,半高宽大于0.5 μs。引出模块使用多倍压整流电路,将交流高压整流成所需的高压直流,输出电压峰值大于120 kV,负载电流大于2 A。根据设计方案建立了仿真模型,仿真结果表明该电源能很好地输出设定的电参数。最后制备了一套大电流真空弧放电及引出电源,测试结果表明该电源输出参数和设计值一致,可用来作为真空弧中子发生器驱动电源。
真空弧中子发生器是一种短脉冲高产额的中子源,被广泛应用在石油测井、元素活化分析等领域。真空弧中子发生器的典型特点是放电弧流大、脉宽短,为此研制了一套大电流的真空弧放电及其引出电源,包含触发模块、主弧模块和引出模块等。触发模块为LRC放电,输出电压峰值大于5 kV。主弧模块采用LRCD半周期放电方式产生主弧电流,电流峰值大于600 A,半高宽大于0.5 μs。引出模块使用多倍压整流电路,将交流高压整流成所需的高压直流,输出电压峰值大于120 kV,负载电流大于2 A。根据设计方案建立了仿真模型,仿真结果表明该电源能很好地输出设定的电参数。最后制备了一套大电流真空弧放电及引出电源,测试结果表明该电源输出参数和设计值一致,可用来作为真空弧中子发生器驱动电源。
2025, 37: 035003.
doi: 10.11884/HPLPB202537.240377
摘要:
针对重复频率Marx型脉冲功率源的应用需求,采用固态调制恒流充电与脉冲变压器感应叠加相结合的技术方式,开展了大功率重复频率高电压脉冲充电电源技术研究。分析了基于BUCK-BOOST拓扑电路的恒流充电技术,给出了高电压脉冲变压器、脉冲调制模块、BUCK-BOOST充电模块、控制单元等关键参数设计,完成了大功率重复频率脉冲充电电源样机研制。样机设计指标最大输出平均功率250 kW,最高重复频率100 Hz。在0.5 μF负载电容上进行了充电测试,获得了电压约100 kV、脉冲前沿约300 μs的脉冲输出。该脉冲充电电源在脉冲变压器初级设计中采用了多模块并联的设计思路,即减小了装置体积又降低了高电压绝缘风险,在输出功率大、电压高的条件下,实现了紧凑化、模块化设计。
针对重复频率Marx型脉冲功率源的应用需求,采用固态调制恒流充电与脉冲变压器感应叠加相结合的技术方式,开展了大功率重复频率高电压脉冲充电电源技术研究。分析了基于BUCK-BOOST拓扑电路的恒流充电技术,给出了高电压脉冲变压器、脉冲调制模块、BUCK-BOOST充电模块、控制单元等关键参数设计,完成了大功率重复频率脉冲充电电源样机研制。样机设计指标最大输出平均功率250 kW,最高重复频率100 Hz。在0.5 μF负载电容上进行了充电测试,获得了电压约100 kV、脉冲前沿约300 μs的脉冲输出。该脉冲充电电源在脉冲变压器初级设计中采用了多模块并联的设计思路,即减小了装置体积又降低了高电压绝缘风险,在输出功率大、电压高的条件下,实现了紧凑化、模块化设计。
2025, 37: 035004.
doi: 10.11884/HPLPB202537.240376
摘要:
为满足如速调管等对输出长达毫秒量级脉冲调制器需求,介绍一种基于Marx电路的长脉冲高压脉冲电源,它采用固态半导体开关作为主放电开关,通过在Marx每一级单元引入独立的充电半导体开关,解决了Marx采用电阻对储能电容充电导致无法高重频工作的问题。设计一辅助电源给每一级Marx单元半导体开关的驱动电路供电,通过光纤触发,可输出1 ms以上的长脉冲。采用该电路设计的Marx验证装置共有6级,可输出电压幅度−10 kV/ 1 A、脉冲宽度1 ms的长脉冲,输出短脉冲时最高输出频率达50 kHz以上。
为满足如速调管等对输出长达毫秒量级脉冲调制器需求,介绍一种基于Marx电路的长脉冲高压脉冲电源,它采用固态半导体开关作为主放电开关,通过在Marx每一级单元引入独立的充电半导体开关,解决了Marx采用电阻对储能电容充电导致无法高重频工作的问题。设计一辅助电源给每一级Marx单元半导体开关的驱动电路供电,通过光纤触发,可输出1 ms以上的长脉冲。采用该电路设计的Marx验证装置共有6级,可输出电压幅度−10 kV/ 1 A、脉冲宽度1 ms的长脉冲,输出短脉冲时最高输出频率达50 kHz以上。
2025, 37: 035005.
doi: 10.11884/HPLPB202537.240254
摘要:
为降低脉冲功率源使用门槛,设计并实现了一种基于Marx发生器的紧凑型脉冲功率源:Marx发生器为7级单极性充电同轴结构,采用低电感陶瓷电容、紫外光预电离输出窄脉冲;使用可调初级高压电源和2路同步触发开关,金属外壳作为接地屏蔽与放电回路;发生器内部充填高气压N2。基于上述设计获得的脉冲功率源在充电电压26 kV、充气0.3 MPa时,在60 Ω负载上获得了前沿33 ns、脉宽59 ns、幅度109.2 kV的高电压脉冲;功率源封装在一个直径0.2 m、长1.1 m的铝合金圆筒内。为紧凑型、模块化脉冲功率源的实现提供了设计思路和参考样机,可用于闪光X射线照相驱动源。
为降低脉冲功率源使用门槛,设计并实现了一种基于Marx发生器的紧凑型脉冲功率源:Marx发生器为7级单极性充电同轴结构,采用低电感陶瓷电容、紫外光预电离输出窄脉冲;使用可调初级高压电源和2路同步触发开关,金属外壳作为接地屏蔽与放电回路;发生器内部充填高气压N2。基于上述设计获得的脉冲功率源在充电电压26 kV、充气0.3 MPa时,在60 Ω负载上获得了前沿33 ns、脉宽59 ns、幅度109.2 kV的高电压脉冲;功率源封装在一个直径0.2 m、长1.1 m的铝合金圆筒内。为紧凑型、模块化脉冲功率源的实现提供了设计思路和参考样机,可用于闪光X射线照相驱动源。
2025, 37: 035006.
doi: 10.11884/HPLPB202537.240183
摘要:
中性束注入加热是磁约束聚变实验中有效的加热手段,离子源在实验运行过程中出现打火情况就终止离子束的引出,降低了中性束离子源束的引出效率与功率。离子源在发生异常情况时为延长离子源束的引出,开展高压电源快恢复技术研究,即通过再次运行高压电源重新进行束的引出。针对快恢复技术,采用PXIe-8861处理器、PXIe-7820R可编程逻辑门阵列硬件板卡,基于PXI Express技术研制了一套快恢复控制系统。控制系统采用心跳包机制进行板卡及通讯状态监测,具有客户端及上位机两种参数配置方法,满足在线/离 线数据查看与分析功能。通过上位机模式配置,控制系统支持电压、个数控制,满足调制、快恢复、单次等多种工作模式。在兆瓦级强离子源上开展测试结果表明,控制系统操作界面简洁,逻辑结构设计清晰,满足多种控制模式,并通过重启高压电源进行束引出,提高了实验过程离子源束的引出功率。
中性束注入加热是磁约束聚变实验中有效的加热手段,离子源在实验运行过程中出现打火情况就终止离子束的引出,降低了中性束离子源束的引出效率与功率。离子源在发生异常情况时为延长离子源束的引出,开展高压电源快恢复技术研究,即通过再次运行高压电源重新进行束的引出。针对快恢复技术,采用PXIe-8861处理器、PXIe-7820R可编程逻辑门阵列硬件板卡,基于PXI Express技术研制了一套快恢复控制系统。控制系统采用心跳包机制进行板卡及通讯状态监测,具有客户端及上位机两种参数配置方法,满足在线/离 线数据查看与分析功能。通过上位机模式配置,控制系统支持电压、个数控制,满足调制、快恢复、单次等多种工作模式。在兆瓦级强离子源上开展测试结果表明,控制系统操作界面简洁,逻辑结构设计清晰,满足多种控制模式,并通过重启高压电源进行束引出,提高了实验过程离子源束的引出功率。
2025, 37: 035007.
doi: 10.11884/HPLPB202537.240253
摘要:
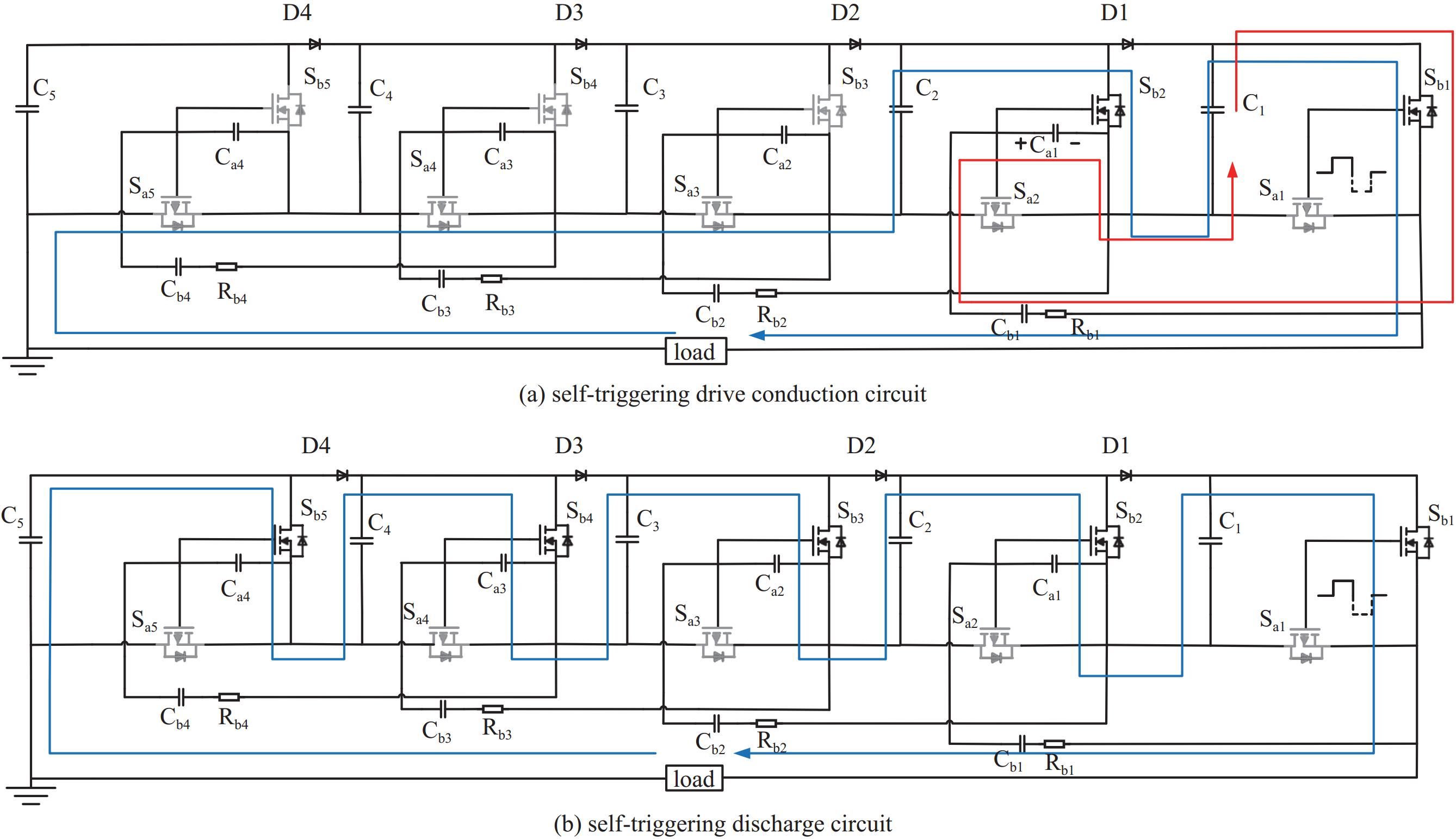
基于自触发技术提出了一种带截尾功能的方波脉冲叠加器。N型开关与P型开关串联形成特殊的半桥结构,只需要提供一路隔离双极性信号控制第一级的充电和放电开关,所有其他级的开关逐级导通和关断,即可产生高压方波脉冲。该技术不仅大幅简化了脉冲叠加器的驱动电路,还实现了截尾功能,产生快速前后沿的准方波脉冲。并且利用耗尽型N型开关的自动导通特点实现了无需控制的自取电,显著提升驱动电路的绝缘水平。搭建了9级电源样机进行实验验证,实验结果表明:在10 kΩ阻性负载上产生了稳定的重频正极性方波脉冲,电压幅值2.3~3.6 kV可调,脉宽1~10 μs可调,频率0~1 kHz可调,前后沿在100 ns左右,且随着工作电压的升高而加快。10 kΩ和3 nF阻容串联负载下波形仍然是较好的方波脉冲,脉冲前后沿与阻性负载相比没有明显变慢。该脉冲叠加器结构紧凑,有利于实现固态脉冲电源的小型化。
基于自触发技术提出了一种带截尾功能的方波脉冲叠加器。N型开关与P型开关串联形成特殊的半桥结构,只需要提供一路隔离双极性信号控制第一级的充电和放电开关,所有其他级的开关逐级导通和关断,即可产生高压方波脉冲。该技术不仅大幅简化了脉冲叠加器的驱动电路,还实现了截尾功能,产生快速前后沿的准方波脉冲。并且利用耗尽型N型开关的自动导通特点实现了无需控制的自取电,显著提升驱动电路的绝缘水平。搭建了9级电源样机进行实验验证,实验结果表明:在10 kΩ阻性负载上产生了稳定的重频正极性方波脉冲,电压幅值2.3~3.6 kV可调,脉宽1~10 μs可调,频率0~1 kHz可调,前后沿在100 ns左右,且随着工作电压的升高而加快。10 kΩ和3 nF阻容串联负载下波形仍然是较好的方波脉冲,脉冲前后沿与阻性负载相比没有明显变慢。该脉冲叠加器结构紧凑,有利于实现固态脉冲电源的小型化。
2025, 37: 035008.
doi: 10.11884/HPLPB202537.240315
摘要:
脉冲功率驱动源是高功率微波技术的关键部分,其输出波形质量直接影响高功率微波器件的输出,针对脉冲功率驱动源输出波形平顶存在的振荡问题,设计并研制了一套基于PFN-Marx的紧凑化脉冲功率驱动源并进行波形优化,通过PSpice仿真分析了不同结构的PFN-Marx发生器的参数,从而确定了PFN-Marx发生器的节数与级数;将输出波形存在的振荡问题转化为波形平顶区域各极值点距离基准值的偏移程度,以平顶纹波误差最小为目标,以均方根误差构建目标函数,在Simulink中建立电路模型,结合MATLAB遗传算法,对PFN的电感进行不断迭代优化,最后确定一组最优值,重新设计电感结构,使其可以方便快捷调整电感值,以此实现波形优化。优化后的单级PFN在10 Ω负载上输出波形前沿24.4 ns,脉宽93.6 ns,其平顶性能良好。装配完成的7级PFN-Marx发生器在充电电压53.8 kV、负载阻抗75 Ω条件下,输出准方波波形的峰值为189.2 kV,脉宽93.2 ns,前沿8.4 ns,后沿33.6 ns,纹波系数为3.5%。
脉冲功率驱动源是高功率微波技术的关键部分,其输出波形质量直接影响高功率微波器件的输出,针对脉冲功率驱动源输出波形平顶存在的振荡问题,设计并研制了一套基于PFN-Marx的紧凑化脉冲功率驱动源并进行波形优化,通过PSpice仿真分析了不同结构的PFN-Marx发生器的参数,从而确定了PFN-Marx发生器的节数与级数;将输出波形存在的振荡问题转化为波形平顶区域各极值点距离基准值的偏移程度,以平顶纹波误差最小为目标,以均方根误差构建目标函数,在Simulink中建立电路模型,结合MATLAB遗传算法,对PFN的电感进行不断迭代优化,最后确定一组最优值,重新设计电感结构,使其可以方便快捷调整电感值,以此实现波形优化。优化后的单级PFN在10 Ω负载上输出波形前沿24.4 ns,脉宽93.6 ns,其平顶性能良好。装配完成的7级PFN-Marx发生器在充电电压53.8 kV、负载阻抗75 Ω条件下,输出准方波波形的峰值为189.2 kV,脉宽93.2 ns,前沿8.4 ns,后沿33.6 ns,纹波系数为3.5%。
2025, 37: 035009.
doi: 10.11884/HPLPB202537.240355
摘要:
电感储能是脉冲功率技术的主要储能方式之一,而断路开关的限压问题是其固有难题。为了探究超导脉冲电源的限压方法,介绍了ZnO压敏电阻限压和脉冲电容器限压两种传统限压方式,提出联合脉冲电容器和压敏电阻以限制断路开关电压。分析了三种限压方式下超导脉冲电源的工作原理,基于同一超导脉冲变压器参数进行仿真,并分别分析了不同限压参数下的输出特性,对比分析了不同限压方法之间的输出特性差异。针对联合限压方式,为验证其限压性能,搭建了小型实验平台进行验证性实验。仿真和实验结果表明,联合限压方式比压敏电阻限压传输效率高,关断性能好;比脉冲电容限压放电速度快,电压幅值低。
电感储能是脉冲功率技术的主要储能方式之一,而断路开关的限压问题是其固有难题。为了探究超导脉冲电源的限压方法,介绍了ZnO压敏电阻限压和脉冲电容器限压两种传统限压方式,提出联合脉冲电容器和压敏电阻以限制断路开关电压。分析了三种限压方式下超导脉冲电源的工作原理,基于同一超导脉冲变压器参数进行仿真,并分别分析了不同限压参数下的输出特性,对比分析了不同限压方法之间的输出特性差异。针对联合限压方式,为验证其限压性能,搭建了小型实验平台进行验证性实验。仿真和实验结果表明,联合限压方式比压敏电阻限压传输效率高,关断性能好;比脉冲电容限压放电速度快,电压幅值低。
2025, 37: 035010.
doi: 10.11884/HPLPB202537.240344
摘要:
针对强流重离子加速器装置(HIAF)离子源束流快速切换需求,设计并研制了一台快切束脉冲电源。根据兼顾电流快速变化和平顶稳定度的要求,提出了基于高低压双前级电压快切换的实现方案,分析了电路工作原理,计算了关键参数,讨论了适应电压突变的控制方法。根据电源模块化原则研制了16 kW整机并在真实磁铁负载进行了测试。结果表明,电源在13 mH电感上输出570 A,误差小于±1×10−4,重复频率3 Hz,上升下降时间小于30 ms,平顶900 ms内可调,电源设计方案合理可行。
针对强流重离子加速器装置(HIAF)离子源束流快速切换需求,设计并研制了一台快切束脉冲电源。根据兼顾电流快速变化和平顶稳定度的要求,提出了基于高低压双前级电压快切换的实现方案,分析了电路工作原理,计算了关键参数,讨论了适应电压突变的控制方法。根据电源模块化原则研制了16 kW整机并在真实磁铁负载进行了测试。结果表明,电源在13 mH电感上输出570 A,误差小于±1×10−4,重复频率3 Hz,上升下降时间小于30 ms,平顶900 ms内可调,电源设计方案合理可行。
2025, 37: 015011.
doi: 10.11884/HPLPB202537.240302
摘要:
为满足中子测试装置对闪烁探测器的高可靠度要求,研制了一种全硬件自动检测控制电路。提出采用多谐振荡器产生设定时间周期的自检脉冲信号,利用比较器、单稳态触发器等电路对闪烁探测器主通道工作状态进行实时监测和判断,在主通道故障时通过模拟开关实现主通道信号和备用通道信号之间进行自动切换控制。解决了目前自动检测控制电路实现通道切换输出电路复杂、体积大、辐射环境适应性较差等问题,实现了闪烁探测器通道的冗余设计,提高了闪烁探测器的工作可靠度。该电路成功使探测器工作可靠度达到99.9%以上,满足了实验要求。
为满足中子测试装置对闪烁探测器的高可靠度要求,研制了一种全硬件自动检测控制电路。提出采用多谐振荡器产生设定时间周期的自检脉冲信号,利用比较器、单稳态触发器等电路对闪烁探测器主通道工作状态进行实时监测和判断,在主通道故障时通过模拟开关实现主通道信号和备用通道信号之间进行自动切换控制。解决了目前自动检测控制电路实现通道切换输出电路复杂、体积大、辐射环境适应性较差等问题,实现了闪烁探测器通道的冗余设计,提高了闪烁探测器的工作可靠度。该电路成功使探测器工作可靠度达到99.9%以上,满足了实验要求。
2025, 37: 035012.
doi: 10.11884/HPLPB202537.240259
摘要:
磁压缩电源主要用于为压缩磁体供电,以形成压缩场反等离子体所需的磁场位形,是磁压缩系统中的重要组成部分。压缩磁体线圈数量众多,线圈之间耦合关系复杂,导致求解形成目标磁场所需的电源参数非常困难,对电源设计带来一定挑战。提出了一种基于遗传算法的磁压缩电源参数设计方法,以提高参数设计效率。根据磁压缩电源工作电路拓扑及线圈之间的耦合关系,推导了磁压缩电源系统的物理模型。在物理模型的基础上,提出了基于遗传算法的磁压缩电源参数设计方法,并阐明了该方法的基本原理。编写了算法代码并建立了MATLAB仿真模型,在理想情况及实际工程两种设计情况下对HFRC磁压缩系统电源参数进行了优化设计,得到了优化磁场与目标磁场位形基本一致的结果。同时建立了MAXWELL仿真模型对比分析,两种模型的输出结果吻合度很高,验证了该方法在电源设计时的有效性和准确性。
磁压缩电源主要用于为压缩磁体供电,以形成压缩场反等离子体所需的磁场位形,是磁压缩系统中的重要组成部分。压缩磁体线圈数量众多,线圈之间耦合关系复杂,导致求解形成目标磁场所需的电源参数非常困难,对电源设计带来一定挑战。提出了一种基于遗传算法的磁压缩电源参数设计方法,以提高参数设计效率。根据磁压缩电源工作电路拓扑及线圈之间的耦合关系,推导了磁压缩电源系统的物理模型。在物理模型的基础上,提出了基于遗传算法的磁压缩电源参数设计方法,并阐明了该方法的基本原理。编写了算法代码并建立了MATLAB仿真模型,在理想情况及实际工程两种设计情况下对HFRC磁压缩系统电源参数进行了优化设计,得到了优化磁场与目标磁场位形基本一致的结果。同时建立了MAXWELL仿真模型对比分析,两种模型的输出结果吻合度很高,验证了该方法在电源设计时的有效性和准确性。
2025, 37: 035013.
doi: 10.11884/HPLPB202537.240431
摘要:
高压电源是中性束注入加热系统的重要组成部分,决定着束能量和引出束流的品质。为满足HL-3装置中性束注入系统功率需求,设计了基于PSM技术的模块化高压电源系统,通过串联叠加若干电源模块,实现额定电压输出。电源模块采用单相桥式整流和半桥输出控制,设计了软启动电路和泄能回路,实现电源模块在市电供电条件下进行功能测试;设计调节模块电路,通过控制调节模块的输出电压等级,实现对电源输出电压的精确控制。利用MATLAB中Simulink工具箱对电源模块及系统进行仿真测试,测试了电源的软启动功能、额定输出及短路保护性能。搭建1 600 V/50 A/5 s试验样机和80 kV/50 A/5 s测试平台,实验验证电源系统模块电气性能。经仿真和实验验证,电源模块试验样机满足额定输出要求,通过串联叠加,实现80 kV电压稳定输出。电源短路保护时间小于6 μs,实现了快速保护关断,满足HL-3装置5 MW中性束注入系统对高压电源的性能要求。
高压电源是中性束注入加热系统的重要组成部分,决定着束能量和引出束流的品质。为满足HL-3装置中性束注入系统功率需求,设计了基于PSM技术的模块化高压电源系统,通过串联叠加若干电源模块,实现额定电压输出。电源模块采用单相桥式整流和半桥输出控制,设计了软启动电路和泄能回路,实现电源模块在市电供电条件下进行功能测试;设计调节模块电路,通过控制调节模块的输出电压等级,实现对电源输出电压的精确控制。利用MATLAB中Simulink工具箱对电源模块及系统进行仿真测试,测试了电源的软启动功能、额定输出及短路保护性能。搭建1 600 V/50 A/5 s试验样机和80 kV/50 A/5 s测试平台,实验验证电源系统模块电气性能。经仿真和实验验证,电源模块试验样机满足额定输出要求,通过串联叠加,实现80 kV电压稳定输出。电源短路保护时间小于6 μs,实现了快速保护关断,满足HL-3装置5 MW中性束注入系统对高压电源的性能要求。
2025, 37: 035014.
doi: 10.11884/HPLPB202537.240273
摘要:
深圳中能高重复频率X射线自由电子激光(S3FEL)需要MHz的高重复频率高稳定性冲击磁铁(Kicker)系统,传输线结构冲击磁铁系统是实现高重复频率的有效途径。但传输线结构冲击磁铁的波形稳定性不足限制了该类型冲击磁铁在大型粒子加速器中的应用。为改善上述不足,基于传输线结构冲击磁铁的输入波形和电路结构参数开展了研究,利用傅里叶分析等数学工具分析了影响冲击磁铁工作波形稳定性的主要因素,揭示了冲击磁铁理想波形的谐波次数与传输线结构冲击磁铁截止频率之间的关系。在此基础上,提出一种减小冲击磁铁实际波形与理想波形偏差的方法。该方法通过调整冲击磁铁输入波形参数或者传输线结构冲击磁铁截止频率,在一定范围内可以获得冲击磁铁理想的工作波形。为验证上述关系,用电路仿真软件对冲击磁铁不同工作波形和不同电路参数进行了仿真。仿真结果证实了上述关系且验证了所提方法的有效性。
深圳中能高重复频率X射线自由电子激光(S3FEL)需要MHz的高重复频率高稳定性冲击磁铁(Kicker)系统,传输线结构冲击磁铁系统是实现高重复频率的有效途径。但传输线结构冲击磁铁的波形稳定性不足限制了该类型冲击磁铁在大型粒子加速器中的应用。为改善上述不足,基于传输线结构冲击磁铁的输入波形和电路结构参数开展了研究,利用傅里叶分析等数学工具分析了影响冲击磁铁工作波形稳定性的主要因素,揭示了冲击磁铁理想波形的谐波次数与传输线结构冲击磁铁截止频率之间的关系。在此基础上,提出一种减小冲击磁铁实际波形与理想波形偏差的方法。该方法通过调整冲击磁铁输入波形参数或者传输线结构冲击磁铁截止频率,在一定范围内可以获得冲击磁铁理想的工作波形。为验证上述关系,用电路仿真软件对冲击磁铁不同工作波形和不同电路参数进行了仿真。仿真结果证实了上述关系且验证了所提方法的有效性。
2025, 37: 035015.
doi: 10.11884/HPLPB202537.240318
摘要:
混合集成DC-DC变换器因其工作温度范围宽和长期可靠性高在苛刻环境及高可靠需求应用场景中得到广泛应用。基于GaN HEMT器件优异的高频低损耗特性,结合有源箝位软开关拓扑、混合集成微组装技术和高载流低热阻气密封装技术,设计了一款28 V输入、5 V/20 A输出的混合集成DC-DC变换器。该变换器开关频率800 kHz,峰值效率达92%。详细阐述了有源箝位功率电路设计、GaN HEMT驱动电路寄生参数与震荡电压控制、同步整流时序与死区时间优化、厚膜混合集成工艺及散热的设计方法和技术细节,并通过仿真与样机实验,验证和展示了GaN HEMT和混合集成电路在高功率密度和高效率方面的优势。
混合集成DC-DC变换器因其工作温度范围宽和长期可靠性高在苛刻环境及高可靠需求应用场景中得到广泛应用。基于GaN HEMT器件优异的高频低损耗特性,结合有源箝位软开关拓扑、混合集成微组装技术和高载流低热阻气密封装技术,设计了一款28 V输入、5 V/20 A输出的混合集成DC-DC变换器。该变换器开关频率800 kHz,峰值效率达92%。详细阐述了有源箝位功率电路设计、GaN HEMT驱动电路寄生参数与震荡电压控制、同步整流时序与死区时间优化、厚膜混合集成工艺及散热的设计方法和技术细节,并通过仿真与样机实验,验证和展示了GaN HEMT和混合集成电路在高功率密度和高效率方面的优势。
2025, 37: 035016.
doi: 10.11884/HPLPB202537.240258
摘要:
屏蔽层在抑制电磁干扰应用中被广泛使用,但目前少有研究聚焦于屏蔽层对独立的功率回路与信号回路构成的双差模回路间电磁串扰的影响。提出了一种基于多导体传输线理论的双差模带屏蔽线缆回路间的串扰分析模型。该方法首先建立了多导体系统单位长度等效电路模型,然后利用有限差分的思想并依据基尔霍夫电压定律和电流定律列写出系统的传输线方程组,最后求解得到串扰结果。将计算结果与CST软件仿真结果进行对比,验证了该模型和计算方法的可行性与有效性。对感性耦合和容性耦合进行单独计算,研究了屏蔽层对线缆间串扰的影响,得到了抑制串扰的方法,可为实际应用中电缆选型以及屏蔽层接地方式的选择提供指导。
屏蔽层在抑制电磁干扰应用中被广泛使用,但目前少有研究聚焦于屏蔽层对独立的功率回路与信号回路构成的双差模回路间电磁串扰的影响。提出了一种基于多导体传输线理论的双差模带屏蔽线缆回路间的串扰分析模型。该方法首先建立了多导体系统单位长度等效电路模型,然后利用有限差分的思想并依据基尔霍夫电压定律和电流定律列写出系统的传输线方程组,最后求解得到串扰结果。将计算结果与CST软件仿真结果进行对比,验证了该模型和计算方法的可行性与有效性。对感性耦合和容性耦合进行单独计算,研究了屏蔽层对线缆间串扰的影响,得到了抑制串扰的方法,可为实际应用中电缆选型以及屏蔽层接地方式的选择提供指导。
2025, 37: 035017.
doi: 10.11884/HPLPB202537.240403
摘要:
为解决中性束注入系统中加速极高压电源输出电压纹波低、打火时高压电源输出能量低、打火快速关断的需求,以及高压打火可能损坏高频开关器件的问题,采用模块化逆变式电源模块方案,设计了120 kV/80 A模块化大功率逆变式高压电源,该电源将84个1600 V/80 A的高频逆变式模块化电源错相级联。高频逆变式电源模块通过变压器隔离,可在打火时有效保护开关器件;采用逆变频率20 kHz的错相控制,在保证电压纹波的同时还可减小滤波电容的容量,满足打火能量限制的要求。最后仿真并搭建样机对模块性能进行测试,模块上升时间为67 µs;打火关断时间为3.3 µs;打火释放能量为1.3 J;电压纹波为3.3%,经交错级联后模块可以满足纹波低于1%。结果表明该设计满足电压纹波低、快速关断、低打火释放能量的要求,验证了设计方案的可行性。
为解决中性束注入系统中加速极高压电源输出电压纹波低、打火时高压电源输出能量低、打火快速关断的需求,以及高压打火可能损坏高频开关器件的问题,采用模块化逆变式电源模块方案,设计了120 kV/80 A模块化大功率逆变式高压电源,该电源将84个
2025, 37: 035018.
doi: 10.11884/HPLPB202537.240233
摘要:
电容器充电电源充电期间输入端的功率随着输出电压的升高而逐渐增加,不仅需要电网提供较大的峰值功率,还会引起较大的电流谐波,基于一种仅采用单级能量变换就实现了恒功率输入恒流输出功能的带辅助储能电容的单级充电方案提出一种新的控制算法,该算法不仅实现了更好的恒功率特性,还解除了对辅助储能电容的限制,可以通过控制储能电容电压提高等效激励电压实现升压功能。利用Matlab/Simulink搭建了恒功率输入的电容器充电的仿真模型,仿真结果显示,在电容器充电400~2000 V阶段,实现了输入端的恒功率,同时提升了辅助电容初始电压和负载电容电压。这表明该算法能实现输入端更优良的恒功率特性以及电路的升压功能。
电容器充电电源充电期间输入端的功率随着输出电压的升高而逐渐增加,不仅需要电网提供较大的峰值功率,还会引起较大的电流谐波,基于一种仅采用单级能量变换就实现了恒功率输入恒流输出功能的带辅助储能电容的单级充电方案提出一种新的控制算法,该算法不仅实现了更好的恒功率特性,还解除了对辅助储能电容的限制,可以通过控制储能电容电压提高等效激励电压实现升压功能。利用Matlab/Simulink搭建了恒功率输入的电容器充电的仿真模型,仿真结果显示,在电容器充电400~
2025, 37: 035019.
doi: 10.11884/HPLPB202537.240267
摘要:
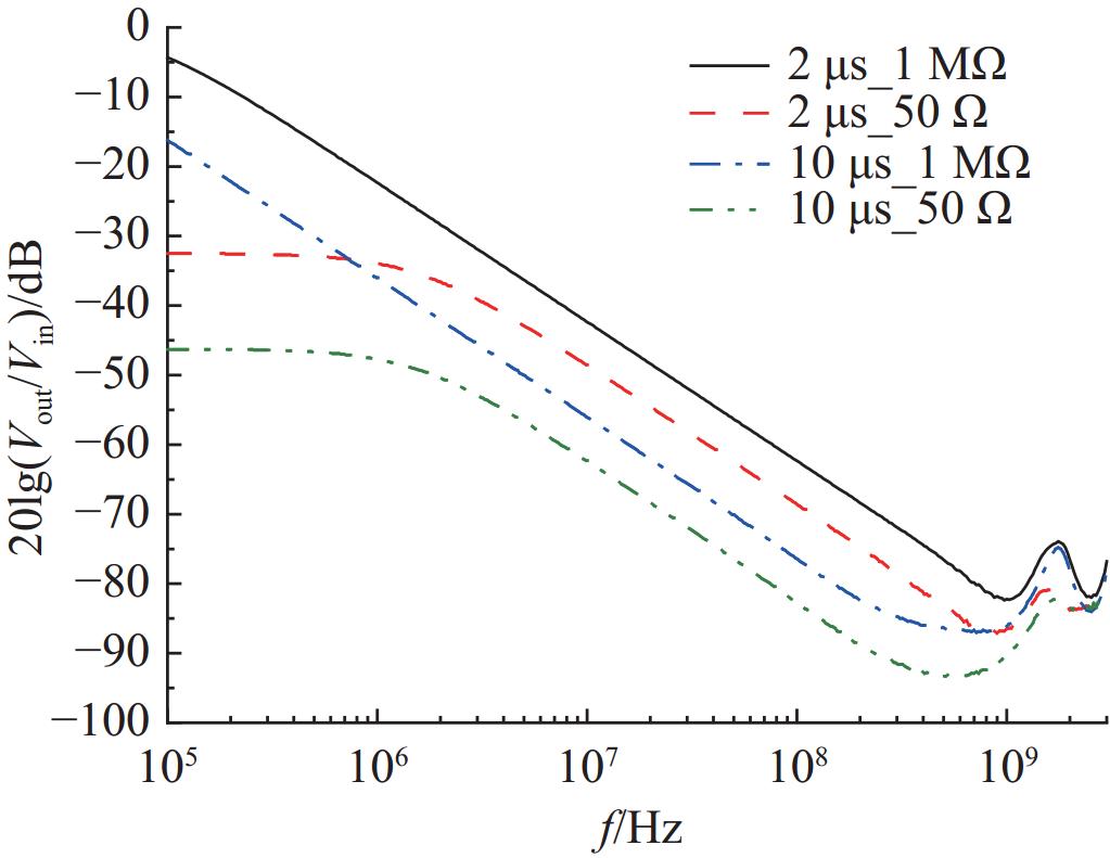
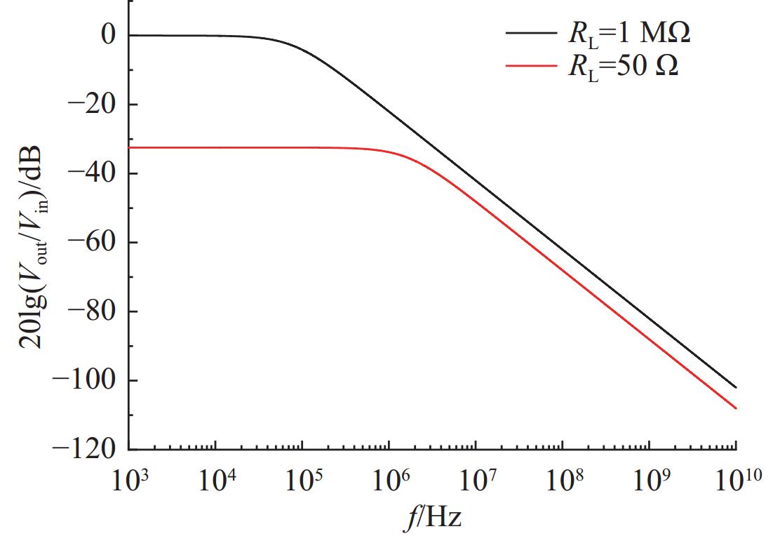
为获取无源积分器实际的带宽以及RC时间常数,使用有源高阻探头配合网络分析仪测量了1 MΩ负载条件下积分器的频率特性。仿真计算表明,积分器连接1 MΩ负载时,低频拐点远远低于连接50 Ω的结果,测量结果与仿真结果一致。实测结果表明,积分器频率特性的高频段背离了与频率成反比的线性衰减的理论趋势,这个结果与实际电路的杂散参数有关。通过转换纵坐标判断积分器的频率上限,结合计算的低频结果,可以得到积分器的工作带宽。应用积分器的幅频特性公式结合扫频测量结果计算RC常数,该方法较为简便且不确定度较小。
为获取无源积分器实际的带宽以及RC时间常数,使用有源高阻探头配合网络分析仪测量了1 MΩ负载条件下积分器的频率特性。仿真计算表明,积分器连接1 MΩ负载时,低频拐点远远低于连接50 Ω的结果,测量结果与仿真结果一致。实测结果表明,积分器频率特性的高频段背离了与频率成反比的线性衰减的理论趋势,这个结果与实际电路的杂散参数有关。通过转换纵坐标判断积分器的频率上限,结合计算的低频结果,可以得到积分器的工作带宽。应用积分器的幅频特性公式结合扫频测量结果计算RC常数,该方法较为简便且不确定度较小。
2025, 37: 035020.
doi: 10.11884/HPLPB202537.240423
摘要:
介绍了为高重频自由电子激光装置的注入器样机沿线布置的数台低能段电源、功率源以及高能段电源等研制的一套基于EPICS的控制系统。由于EPICS自身在加速器领域的国际通用性和国内较为广泛的应用技术基础,本系统采用EPICS的体系结构来部署,利用网络化的分层分布式结构,在TCP/IP协议之上建立CA的通道访问机制,为客户和服务器分别提供应用接口子程序库,并通过其特有的基于数据流的设备通讯驱动软件模块完成了所有底层电源设备的驱动开发,以及基于CSS的客户端控制软件。本系统满足用户对电源的参数设置、状态监测和操作控制等功能的实时集中远程监控需求,以及与装置其他相关子系统的数据共享,提高了装置运行效率和可靠性。
介绍了为高重频自由电子激光装置的注入器样机沿线布置的数台低能段电源、功率源以及高能段电源等研制的一套基于EPICS的控制系统。由于EPICS自身在加速器领域的国际通用性和国内较为广泛的应用技术基础,本系统采用EPICS的体系结构来部署,利用网络化的分层分布式结构,在TCP/IP协议之上建立CA的通道访问机制,为客户和服务器分别提供应用接口子程序库,并通过其特有的基于数据流的设备通讯驱动软件模块完成了所有底层电源设备的驱动开发,以及基于CSS的客户端控制软件。本系统满足用户对电源的参数设置、状态监测和操作控制等功能的实时集中远程监控需求,以及与装置其他相关子系统的数据共享,提高了装置运行效率和可靠性。
2025, 37: 035021.
doi: 10.11884/HPLPB202537.240303
摘要:
为了开展高参数物理研究,研制了满足脉冲发电机组、电网供电需求的长脉冲开关电源模块及控制系统。电源模块通过改变交流接线端接线方式进行模块供电类型切换,通过内置的软启电路减小模块充电过程中浪涌电流冲击对电网及开关的影响,模块控制器满足两种运行方式下的保护、驱动、状态监测设计需求。控制系统采用单片机及可编程逻辑门阵列架构,具有液晶屏本地/上位机远程两种控制功能。在单片机中采用集成电路总线扩展IO的方式实现软启控制、监测功能,减少数据传输链路及系统的复杂性;在可编程逻辑门阵列中实现电源的控制算法,并通过电平信号转换处理,统一了光电转换箱接口设计。在搭建的测试条件下测试结果表明,模块及控制系统设计满足要求,电源实现80 kV/100 s/20 A输出参数测试及保护实验测试。
为了开展高参数物理研究,研制了满足脉冲发电机组、电网供电需求的长脉冲开关电源模块及控制系统。电源模块通过改变交流接线端接线方式进行模块供电类型切换,通过内置的软启电路减小模块充电过程中浪涌电流冲击对电网及开关的影响,模块控制器满足两种运行方式下的保护、驱动、状态监测设计需求。控制系统采用单片机及可编程逻辑门阵列架构,具有液晶屏本地/上位机远程两种控制功能。在单片机中采用集成电路总线扩展IO的方式实现软启控制、监测功能,减少数据传输链路及系统的复杂性;在可编程逻辑门阵列中实现电源的控制算法,并通过电平信号转换处理,统一了光电转换箱接口设计。在搭建的测试条件下测试结果表明,模块及控制系统设计满足要求,电源实现80 kV/100 s/20 A输出参数测试及保护实验测试。
2025, 37: 035022.
doi: 10.11884/HPLPB202537.240272
摘要:
航天器在轨服役期间长期处于复杂恶劣的空间辐射环境,以GaAs为代表的III-V族化合物太阳能电池因具备高光电转换效率和抗辐照能力而被广泛应用于航天领域。采用有限元法,基于计算机辅助设计技术(TCAD)对GaAs太阳能电池的空间辐照损伤效应进行了研究。以AM0光谱辐照下的GaAs太阳能电池电学参数为依据,建立了单结太阳能电池结构模型和辐照损伤模型,获得了在不同电子辐照条件下电池的伏安特性曲线,结合已有实验结果验证了本文模拟结果,分析了空间环境辐照下GaAs太阳能电池电学性能退化规律。结果表明,辐照损伤缺陷使得少数载流子扩散长度减小,降低了光生载流子的收集效率,在一定电子能量下,太阳能电池电学性能的退化幅度随辐照注量水平的提高而增大。
航天器在轨服役期间长期处于复杂恶劣的空间辐射环境,以GaAs为代表的III-V族化合物太阳能电池因具备高光电转换效率和抗辐照能力而被广泛应用于航天领域。采用有限元法,基于计算机辅助设计技术(TCAD)对GaAs太阳能电池的空间辐照损伤效应进行了研究。以AM0光谱辐照下的GaAs太阳能电池电学参数为依据,建立了单结太阳能电池结构模型和辐照损伤模型,获得了在不同电子辐照条件下电池的伏安特性曲线,结合已有实验结果验证了本文模拟结果,分析了空间环境辐照下GaAs太阳能电池电学性能退化规律。结果表明,辐照损伤缺陷使得少数载流子扩散长度减小,降低了光生载流子的收集效率,在一定电子能量下,太阳能电池电学性能的退化幅度随辐照注量水平的提高而增大。
2025, 37: 035023.
doi: 10.11884/HPLPB202537.240371
摘要:
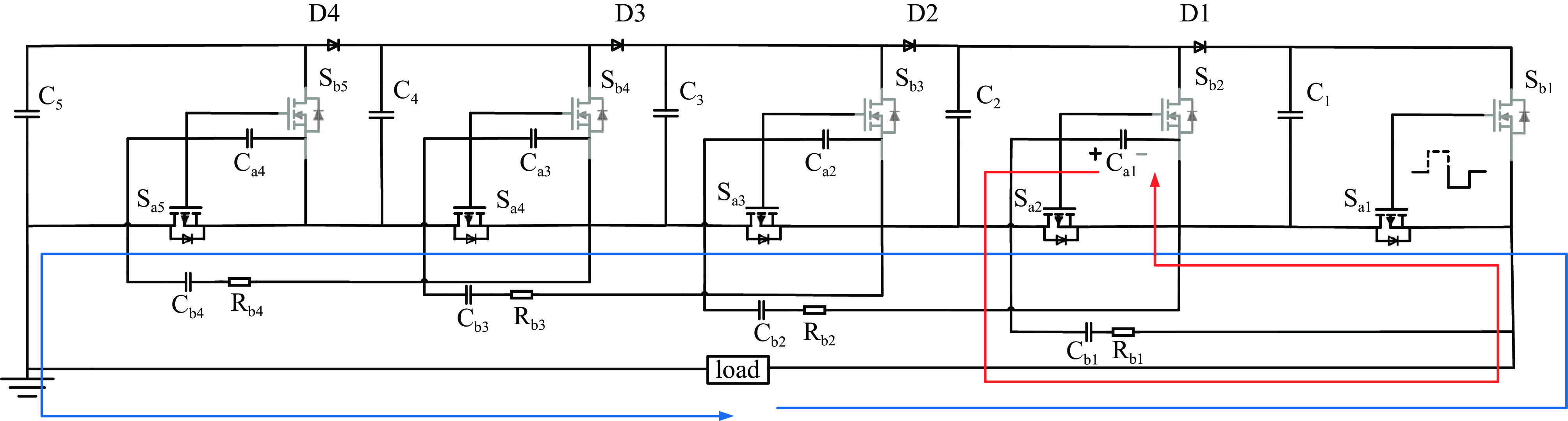
对于数十个基本放电支路并联同步放电的直线变压器驱动源(LTD)模块,触发隔离元件直接影响高功率气体开关的触发导通同步性,进而对整个LTD模块输出性能产生影响。为了优化选择触发隔离元件类型及参数,针对电阻及电感两种隔离方式进行了计算分析和实验对比。结果表明,电感隔离效果优于电阻隔离,同时对于不同的隔离电感参数,5 μH隔离电感下LTD模块输出结果相对最好。
对于数十个基本放电支路并联同步放电的直线变压器驱动源(LTD)模块,触发隔离元件直接影响高功率气体开关的触发导通同步性,进而对整个LTD模块输出性能产生影响。为了优化选择触发隔离元件类型及参数,针对电阻及电感两种隔离方式进行了计算分析和实验对比。结果表明,电感隔离效果优于电阻隔离,同时对于不同的隔离电感参数,5 μH隔离电感下LTD模块输出结果相对最好。
2025, 37: 035024.
doi: 10.11884/HPLPB202537.240263
摘要:
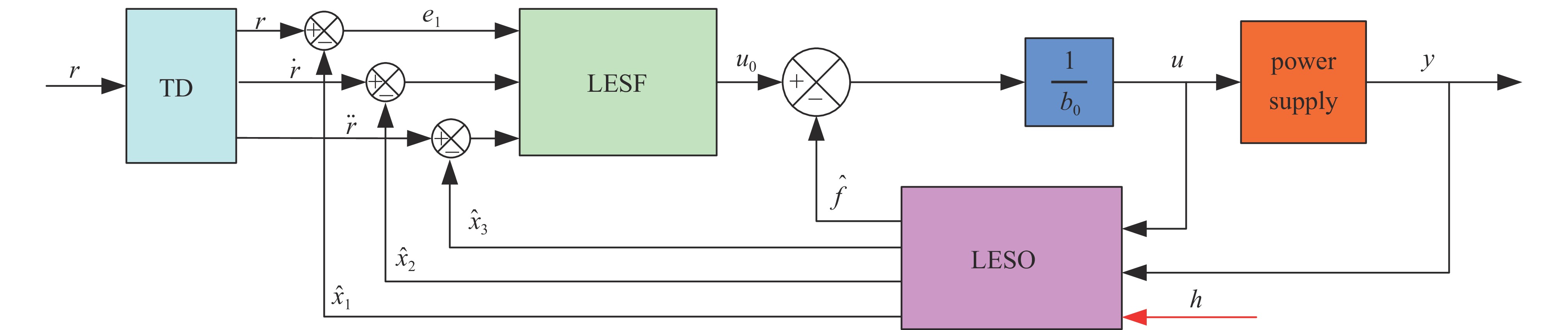
针对托卡马克装置中共振磁扰动线圈电源采用传统PI控制器存在响应速度与超调之间的矛盾以及在复杂电磁环境下工作抗干扰能力差的问题,采用线性自抗扰控制策略,安排过渡过程提取参考信号的微分品质,从而实现快速无超调的电流输出。并基于电源系统部分已知数学模型参数,设计了四阶线性扩张状态观测器,估计系统干扰量作为系统新的状态量进行补偿,从而抑制了电源系统内部不确定因素和外部扰动。最后仿真结果表明:相较于采用传统PI控制策略,自抗扰控制策略能够有效提高输出电流信号的动态特性;同时在复杂环境扰动情况下具有更强的鲁棒性和抗干扰特性。
针对托卡马克装置中共振磁扰动线圈电源采用传统PI控制器存在响应速度与超调之间的矛盾以及在复杂电磁环境下工作抗干扰能力差的问题,采用线性自抗扰控制策略,安排过渡过程提取参考信号的微分品质,从而实现快速无超调的电流输出。并基于电源系统部分已知数学模型参数,设计了四阶线性扩张状态观测器,估计系统干扰量作为系统新的状态量进行补偿,从而抑制了电源系统内部不确定因素和外部扰动。最后仿真结果表明:相较于采用传统PI控制策略,自抗扰控制策略能够有效提高输出电流信号的动态特性;同时在复杂环境扰动情况下具有更强的鲁棒性和抗干扰特性。
2025, 37: 035025.
doi: 10.11884/HPLPB202537.240417
摘要:
为匹配中国环流三号装置磁体线圈功率和能量需求,基于模型预测控制理论,设计电池-超级电容混合储能系统放电策略。以环向场线圈为储能系统输出端负载,建立系统预测模型,根据电池、超级电容特性和负载能量需求设计目标函数,实时求解最优开关序列。对电池储能子系统、超级电容储能子系统分别采用长周期慢控、短周期快控,实现电池稳定放电和超级电容瞬态响应。基于MATLAB/Simulink平台进行仿真验证,混合储能系统稳定输出满足负载需求的平顶电流,其电流纹波为0.22%,验证控制策略有效性。
为匹配中国环流三号装置磁体线圈功率和能量需求,基于模型预测控制理论,设计电池-超级电容混合储能系统放电策略。以环向场线圈为储能系统输出端负载,建立系统预测模型,根据电池、超级电容特性和负载能量需求设计目标函数,实时求解最优开关序列。对电池储能子系统、超级电容储能子系统分别采用长周期慢控、短周期快控,实现电池稳定放电和超级电容瞬态响应。基于MATLAB/Simulink平台进行仿真验证,混合储能系统稳定输出满足负载需求的平顶电流,其电流纹波为0.22%,验证控制策略有效性。

Email alert
RSS
