2022年 34卷 第11期
				推荐文章
			
			
						            2022, 34: 111001.
						             
					            	doi: 10.11884/HPLPB202234.220221 
			    					
							
						            2022, 34: 113001.
						             
					            	doi: 10.11884/HPLPB202234.220184 
			    					
							
						            2022, 34: 115001.
						             
					            	doi: 10.11884/HPLPB202234.220170 
			    					
							
			            2022, 34: 111001.
			             
		            	doi: 10.11884/HPLPB202234.220221 
    					
					
			        摘要: 
						
			   
			        
			        在高功率光纤激光系统中,包层光滤除器能将光纤中包层光滤除以保证输出激光光束质量,光纤端帽通过对输出激光扩束降低输出光纤端面的光功率密度,从而保护光纤端面不受损坏,两者都是高功率光纤激光系统稳定运行的重要核心器件。将包层光滤除器和光纤端帽进行一体化设计,制备了一体化高功率光纤包层光滤除器和光纤端帽并分别应用于20 kW合束系统和单纤系统中,输出功率达到20 kW时,端帽的最高温度约为40 ℃,温升速率约为0.8 ℃/kW。
			            2022, 34: 111002.
			             
		            	doi: 10.11884/HPLPB202234.220232 
    					
					
			        摘要: 
						
			   
			        
			        
			        
				  
				当前光纤激光功率提升受限于模式不稳定效应及非线性效应,为了克服上述功率提升限制因素,自主设计并研制了大模场部分掺杂光纤。最终,采用自研部分掺杂光纤及后向级联泵浦方案,成功实现了10.1 kW的光纤激光输出,对应的光束质量因子(M2)为2.16。
			            2022, 34: 111003.
			             
		            	doi: 10.11884/HPLPB202234.220106 
    					
					
			        摘要: 
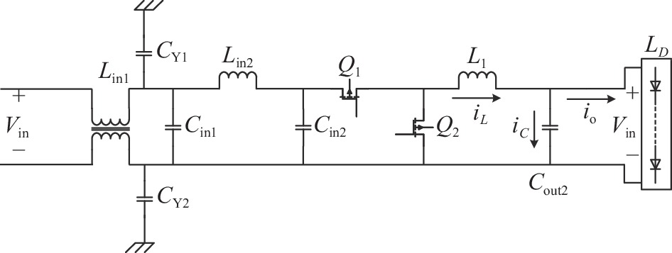
随着半导体制造工艺的进步以及半导体激光器应用领域的拓展,目前半导体激光器对大功率,小型化驱动电源的需求越来越迫切,推动着驱动电源朝着更高功率密度、模块化的方向发展。基于BUCK电路设计了一款全砖激光驱动电源模块,电源模块整机尺寸为116.8 mm×61 mm×12.7 mm,最大输出电流12 A,最大自适应输出电压为50 V,电流纹波峰峰值小于35 mA,电流稳定度达到了0.067%。同时驱动电源模块设计有过流保护电路,保证了激光器负载可靠安全工作,目前也已在某项目中成功应用。
			   
			        
			        
			        
				  
				随着半导体制造工艺的进步以及半导体激光器应用领域的拓展,目前半导体激光器对大功率,小型化驱动电源的需求越来越迫切,推动着驱动电源朝着更高功率密度、模块化的方向发展。基于BUCK电路设计了一款全砖激光驱动电源模块,电源模块整机尺寸为116.8 mm×61 mm×12.7 mm,最大输出电流12 A,最大自适应输出电压为50 V,电流纹波峰峰值小于35 mA,电流稳定度达到了0.067%。同时驱动电源模块设计有过流保护电路,保证了激光器负载可靠安全工作,目前也已在某项目中成功应用。
			            2022, 34: 111004.
			             
		            	doi: 10.11884/HPLPB202234.220102 
    					
					
			        摘要: 
针对双目结构光三维重建中的相位立体匹配效率较低问题,提出了一种极线近似的快速匹配方法。首先依据两相机光心与左像素形成平面与右成像平面交线对极线进行描述;对每行像素中部分区域的对应极线进行近似,结合立体视觉的连续性约束,使得孤立的沿各自极线搜索匹配相位改为区域内沿近似极线连续搜索匹配相位;同时结合双目相机位姿特性,实现全局均匀分区,避免针对每行数据重复分区;计算过程中采用查表法辅助计算。实验结果表明,立体匹配后获得点云平均误差为0.436 mm,属可接受误差范围内,立体匹配计算速度平均提升10.18倍,对640×480尺寸图像可在17 ms内完成立体匹配,可应用于结构光实时三维重建。
			   
			        
			        
			        
				  
				针对双目结构光三维重建中的相位立体匹配效率较低问题,提出了一种极线近似的快速匹配方法。首先依据两相机光心与左像素形成平面与右成像平面交线对极线进行描述;对每行像素中部分区域的对应极线进行近似,结合立体视觉的连续性约束,使得孤立的沿各自极线搜索匹配相位改为区域内沿近似极线连续搜索匹配相位;同时结合双目相机位姿特性,实现全局均匀分区,避免针对每行数据重复分区;计算过程中采用查表法辅助计算。实验结果表明,立体匹配后获得点云平均误差为0.436 mm,属可接受误差范围内,立体匹配计算速度平均提升10.18倍,对640×480尺寸图像可在17 ms内完成立体匹配,可应用于结构光实时三维重建。
			            2022, 34: 111005.
			             
		            	doi: 10.11884/HPLPB202234.220131 
    					
					
			        摘要: 
为探究Bragg光栅结构对TM模反馈特性的影响,利用有限时域差分法对具有TM模的分布反馈(DFB)量子级联激光器Bragg光栅结构进行仿真研究。重点分析了侧向耦合光栅的光学特性以及光栅侧壁倾角对光栅反射谱、损耗的影响及原因,并探究了光栅刻蚀深度及占空比与TM模的耦合系数、损耗的关系。结果表明有效折射率是影响Bragg波长的主要因素,而光限制因子是不同周期的侧向耦合光栅结构耦合系数产生巨大差别的原因,当光栅侧壁倾角90°时镜面损耗最小。光栅周期、占空比、刻蚀深度与耦合系数的关系表明:这些参数不仅影响光栅的相对介电常数,也会对光限制因子产生作用,从而影响耦合系数的大小;耦合系数与刻蚀深度具有正比关系,大周期光栅耦合系数随占空比的变化率较小。对光栅光反馈特性的理论研究有利于提升对DFB量子级联激光器的认识,促进激光器性能的提升和发展。
			   
			        
			        
			        
				  
				为探究Bragg光栅结构对TM模反馈特性的影响,利用有限时域差分法对具有TM模的分布反馈(DFB)量子级联激光器Bragg光栅结构进行仿真研究。重点分析了侧向耦合光栅的光学特性以及光栅侧壁倾角对光栅反射谱、损耗的影响及原因,并探究了光栅刻蚀深度及占空比与TM模的耦合系数、损耗的关系。结果表明有效折射率是影响Bragg波长的主要因素,而光限制因子是不同周期的侧向耦合光栅结构耦合系数产生巨大差别的原因,当光栅侧壁倾角90°时镜面损耗最小。光栅周期、占空比、刻蚀深度与耦合系数的关系表明:这些参数不仅影响光栅的相对介电常数,也会对光限制因子产生作用,从而影响耦合系数的大小;耦合系数与刻蚀深度具有正比关系,大周期光栅耦合系数随占空比的变化率较小。对光栅光反馈特性的理论研究有利于提升对DFB量子级联激光器的认识,促进激光器性能的提升和发展。
			            2022, 34: 111006.
			             
		            	doi: 10.11884/HPLPB202234.220105 
    					
					
			        摘要: 
提出了一种弱耦合领结型椭圆芯应力保偏少模光纤(PM-FMF),通过使用高折射率纤芯,所提出的光纤可在1505~1585 nm波段下,支持32个独立的本征模式。椭圆纤芯和领结型应力区的引入,有效地分离了相邻的本征模式。采用有限元法对领结型椭圆芯应力PM-FMF的纤芯及领结型应力区的结构参数进行优化。评估了光纤参数对模式数量、模式间的最小有效折射率差、模态双折射、应力双折射以及弯曲损耗的影响。此外还分析了该光纤的带宽性能,包括模式间的有效折射率、有效折射率差、差分模式时延(DMD)。经数据分析,在1505~1585 nm波段下,该光纤支持的32个本征模式是完全分离的,相邻模式之间的最小有效折射率差大于1.295×10−4。所提出的弱耦合保偏少模光纤能够提高传输容量,在本征模式复用传输中具有潜在的应用前景。
			   
			        
			        
			        
				  
				提出了一种弱耦合领结型椭圆芯应力保偏少模光纤(PM-FMF),通过使用高折射率纤芯,所提出的光纤可在1505~1585 nm波段下,支持32个独立的本征模式。椭圆纤芯和领结型应力区的引入,有效地分离了相邻的本征模式。采用有限元法对领结型椭圆芯应力PM-FMF的纤芯及领结型应力区的结构参数进行优化。评估了光纤参数对模式数量、模式间的最小有效折射率差、模态双折射、应力双折射以及弯曲损耗的影响。此外还分析了该光纤的带宽性能,包括模式间的有效折射率、有效折射率差、差分模式时延(DMD)。经数据分析,在1505~1585 nm波段下,该光纤支持的32个本征模式是完全分离的,相邻模式之间的最小有效折射率差大于1.295×10−4。所提出的弱耦合保偏少模光纤能够提高传输容量,在本征模式复用传输中具有潜在的应用前景。
			            2022, 34: 112001.
			             
		            	doi: 10.11884/HPLPB202234.220067 
    					
					
			        摘要: 
采用紧聚焦的超强短脉冲激光与固体通道靶相互作用是获得大电量、高准直相对论电子束的一种有效方式。实验中由于激光预脉冲烧蚀靶壁产生预等离子体会膨胀、填充到真空通道中,从而导致电子束品质发生变化。采用二维PIC粒子模拟程序研究了通道靶中填充预等离子体的电子加速过程。模拟结果显示,在功率密度为5.0\begin{document}$ \times {10}^{20}\;{\mathrm{W}/\mathrm{c}\mathrm{m}}^{2} $\end{document} ![]()
![]()
			   
			        
			        
			        
				  
				采用紧聚焦的超强短脉冲激光与固体通道靶相互作用是获得大电量、高准直相对论电子束的一种有效方式。实验中由于激光预脉冲烧蚀靶壁产生预等离子体会膨胀、填充到真空通道中,从而导致电子束品质发生变化。采用二维PIC粒子模拟程序研究了通道靶中填充预等离子体的电子加速过程。模拟结果显示,在功率密度为5.0
			            2022, 34: 112002.
			             
		            	doi: 10.11884/HPLPB202234.220023 
    					
					
			        摘要: 
精密光学元件表面疵病的人工检测分类方法效率低,且准确率易受疲劳等人工因素影响,而基于传统机器学习方法的分类准确率有待进一步提高。提出了一种基于深度学习卷积神经网络的光学大尺寸元件表面疵病识别方法。首先,通过现场实验采集并整理了大尺寸镜面疵病样本;接着,基于单通道灰度图像构建融合梯度的三通道图像,挖掘更深入的特征表达;最后,基于经典的LeNet网络,提出了面向激光惯性约束聚变(ICF)的光学元件表面疵病识别网络ICFNet,该网络不需要复杂的手工特征设计和提取,仅使用原始灰度图像就实现高效的疵病识别。实验结果表明:针对包含麻点、划痕和灰尘的三类疵病数据,ICFNet相较于使用多项特征和支持向量机的传统方法拥有较好的分类准确率。
			   
			        
			        
			        
				  
				精密光学元件表面疵病的人工检测分类方法效率低,且准确率易受疲劳等人工因素影响,而基于传统机器学习方法的分类准确率有待进一步提高。提出了一种基于深度学习卷积神经网络的光学大尺寸元件表面疵病识别方法。首先,通过现场实验采集并整理了大尺寸镜面疵病样本;接着,基于单通道灰度图像构建融合梯度的三通道图像,挖掘更深入的特征表达;最后,基于经典的LeNet网络,提出了面向激光惯性约束聚变(ICF)的光学元件表面疵病识别网络ICFNet,该网络不需要复杂的手工特征设计和提取,仅使用原始灰度图像就实现高效的疵病识别。实验结果表明:针对包含麻点、划痕和灰尘的三类疵病数据,ICFNet相较于使用多项特征和支持向量机的传统方法拥有较好的分类准确率。
			            2022, 34: 112003.
			             
		            	doi: 10.11884/HPLPB202234.220226 
    					
					
			        摘要: 
通过分析虚像连续性和位置分辨,指出点集散判据相比相位差判据更适合用于广角任意反射面速度干涉仪(VISAR)靶虚像模型构建。基于点集散判据计算了椭球镜形状参数、像面记录方式、冲击波面倾斜对广角VISAR靶虚像的影响,发现虚像外内径之比总保持在8左右,且\begin{document}$ {10^{ - 5}}\left( {k - 400} \right)  \lt  m  \lt  {10^{ - 5}}k $\end{document} ![]()
![]()
			   
			        
			        
			        
				  
				通过分析虚像连续性和位置分辨,指出点集散判据相比相位差判据更适合用于广角任意反射面速度干涉仪(VISAR)靶虚像模型构建。基于点集散判据计算了椭球镜形状参数、像面记录方式、冲击波面倾斜对广角VISAR靶虚像的影响,发现虚像外内径之比总保持在8左右,且
			            2022, 34: 113001.
			             
		            	doi: 10.11884/HPLPB202234.220184 
    					
					
			        摘要: 
为了实现高功率微波源低磁场及长时间稳定运行,开展了S波段GW级多注相对论速调管放大器(RKA)的理论模拟设计与实验研究。首先,采用一维大信号非线性理论软件优化设计了S波段4腔多注RKA,找到了器件工作的最佳参数:采用电压550 kV、束流4.7 kA的14注RKA,获得功率1.1 GW、效率43%的输出微波。随后,采用粒子模拟软件对理论设计的束波互作用参数进行了验证,获得了输出功率992 MW,器件效率为37%。最后,根据模拟参数开展了器件重频长时间运行实验研究。采用紧凑同轴Marx功率源驱动S波段四腔多注RKA,在电压530 kV、束流5.4 kA、重频20 Hz、运行时间1 s、引导磁场强度0.39 T、注入微波功率1.7 kW的条件下,获得了功率934 MW、脉宽69 ns的输出微波,束波转换效率33%。在器件重频20 Hz、运行时间10 min条件下,坚实了平均功率889 MW、平均脉宽42 ns的输出微波。该研究结果为S波段RKA的低磁场和长时间运行打下了的技术基础。
			   
			        
			        
			        
				  
				为了实现高功率微波源低磁场及长时间稳定运行,开展了S波段GW级多注相对论速调管放大器(RKA)的理论模拟设计与实验研究。首先,采用一维大信号非线性理论软件优化设计了S波段4腔多注RKA,找到了器件工作的最佳参数:采用电压550 kV、束流4.7 kA的14注RKA,获得功率1.1 GW、效率43%的输出微波。随后,采用粒子模拟软件对理论设计的束波互作用参数进行了验证,获得了输出功率992 MW,器件效率为37%。最后,根据模拟参数开展了器件重频长时间运行实验研究。采用紧凑同轴Marx功率源驱动S波段四腔多注RKA,在电压530 kV、束流5.4 kA、重频20 Hz、运行时间1 s、引导磁场强度0.39 T、注入微波功率1.7 kW的条件下,获得了功率934 MW、脉宽69 ns的输出微波,束波转换效率33%。在器件重频20 Hz、运行时间10 min条件下,坚实了平均功率889 MW、平均脉宽42 ns的输出微波。该研究结果为S波段RKA的低磁场和长时间运行打下了的技术基础。
			            2022, 34: 113002.
			             
		            	doi: 10.11884/HPLPB202234.220185 
    					
					
			        摘要: 
回击通道的光学观测对于研究回击发展过程和物理机制、完善工程回击模型都具有重要的意义。采用雷电发展过程高速光学观测系统(LiPOS)测量了人工引雷中距离通道底部21 m至309 m的一组通道发光波形,基于系统辨识的输出误差(OE)模型建立了回击向上传播过程光辐射脉冲间的传递函数,获得了1 kHz~1 MHz频段内群速度和相速度曲线。时域分析表明,通道辐射光脉冲波形前沿上升时间由靠近底部的1.1 μs变化为309 m高度处的1.84 μs,色散特性是其变化的重要原因。频域分析表明,OE模型能够有效抑制测量噪声的影响、获得清晰的分析曲线,100 kHz以下低频段内群速度呈显著的非单调变化,500 kHz以上区域群速度稳定在58%光速左右。将分析结果与相关文献的研究进行了对比和讨论。研究结果对于定量评价回击电流传播色散特性具有重要参考价值。
			   
			        
			        
			        
				  
				回击通道的光学观测对于研究回击发展过程和物理机制、完善工程回击模型都具有重要的意义。采用雷电发展过程高速光学观测系统(LiPOS)测量了人工引雷中距离通道底部21 m至309 m的一组通道发光波形,基于系统辨识的输出误差(OE)模型建立了回击向上传播过程光辐射脉冲间的传递函数,获得了1 kHz~1 MHz频段内群速度和相速度曲线。时域分析表明,通道辐射光脉冲波形前沿上升时间由靠近底部的1.1 μs变化为309 m高度处的1.84 μs,色散特性是其变化的重要原因。频域分析表明,OE模型能够有效抑制测量噪声的影响、获得清晰的分析曲线,100 kHz以下低频段内群速度呈显著的非单调变化,500 kHz以上区域群速度稳定在58%光速左右。将分析结果与相关文献的研究进行了对比和讨论。研究结果对于定量评价回击电流传播色散特性具有重要参考价值。
			            2022, 34: 113003.
			             
		            	doi: 10.11884/HPLPB202234.220039 
    					
					
			        摘要: 
为研究混响室加载效应,首先分析了混响室内各损耗途径,得出加载损耗是混响室测试过程中唯一人为可控的损耗路径。构建了常见的5种不同测试场景,利用时域法分别对这5种测试场景条件下的混响室品质因数进行测试并进行分析。结果表明,金属天线支架造成的加载效应最小,非金属天线支架会对混响室造成明显加载,降低混响室的品质因数,且随着非金属天线支架数量的增多,这种效应会愈发明显。此外,对加载物的平均吸收截面进行了研究,将混响室内所有加载物视为一个加载吸收截面,得到金属天线支架的吸收截面最小,非金属天线支架的加载吸收截面有明显增加。
			   
			        
			        
			        
				  
				为研究混响室加载效应,首先分析了混响室内各损耗途径,得出加载损耗是混响室测试过程中唯一人为可控的损耗路径。构建了常见的5种不同测试场景,利用时域法分别对这5种测试场景条件下的混响室品质因数进行测试并进行分析。结果表明,金属天线支架造成的加载效应最小,非金属天线支架会对混响室造成明显加载,降低混响室的品质因数,且随着非金属天线支架数量的增多,这种效应会愈发明显。此外,对加载物的平均吸收截面进行了研究,将混响室内所有加载物视为一个加载吸收截面,得到金属天线支架的吸收截面最小,非金属天线支架的加载吸收截面有明显增加。
			            2022, 34: 113004.
			             
		            	doi: 10.11884/HPLPB202234.220100 
    					
					
			        摘要: 
针对现有的放射性物质探测手段有效距离近和效率较低等局限性,考虑到高功率微波(HPM)良好的空间辐射特性,研究放射性物质对微波大气击穿特性的影响,以实现利用HPM远距离探测放射性物质的设想。阐释了微波脉冲等离子体击穿原理和自由电子对击穿特性影响,分析了放射性物质137Cs射线产生自由电子的过程,在此基础上分析了HPM大气击穿时间和击穿阈值。基于HPM大气击穿等离子体实验装置,分别在6000 Pa、7000 Pa和8000 Pa的低气压环境对有、无放射源存在情形开展多次HPM辐照实验。实验结果表明:放射源的存在降低了约10%的HPM大气击穿阈值,缩短约50%的击穿时间。
			   
			        
			        
			        
				  
				针对现有的放射性物质探测手段有效距离近和效率较低等局限性,考虑到高功率微波(HPM)良好的空间辐射特性,研究放射性物质对微波大气击穿特性的影响,以实现利用HPM远距离探测放射性物质的设想。阐释了微波脉冲等离子体击穿原理和自由电子对击穿特性影响,分析了放射性物质137Cs射线产生自由电子的过程,在此基础上分析了HPM大气击穿时间和击穿阈值。基于HPM大气击穿等离子体实验装置,分别在6000 Pa、7000 Pa和8000 Pa的低气压环境对有、无放射源存在情形开展多次HPM辐照实验。实验结果表明:放射源的存在降低了约10%的HPM大气击穿阈值,缩短约50%的击穿时间。
			            2022, 34: 114001.
			             
		            	doi: 10.11884/HPLPB202234.220064 
    					
					
			        摘要: 
为满足重离子治癌加速器装置(HIMM)回旋加速器引出段束流流强的测量需求,设计了新的束流流强测量系统,该系统利用积分电流变换器(ICT)及锁相放大器等配套电子学,能够实现束流流强的非拦截实时测量。文中首先分析了中能束线(MEBT)束流流强的测量需求,并对设计方案进行了实验室系统分析和在线束流强测量。实验室结果表明,锁相放大器的幅度和相位响应一致性满足测量需求。由于ICT对束流流强的测量是相对测量,先使用法拉第筒对ICT进行在线标定;标定前先对法拉第筒(FC)(20 μA档位)和ICT系统的流强分辨在线测量,分别为6.45 nA和5.163 nA。由于束流抖动的影响,测量的束流的稳定性约90 nA,其对应的相对测量误差约8%,ICT系统响应时间小于1 ms。测量结果表明,该系统满足物理测量需求。回旋加速器高频系统参数变化引起ICT标定系数变化的工作将在进一步工作中展开。
			   
			        
			        
			        
				  
				为满足重离子治癌加速器装置(HIMM)回旋加速器引出段束流流强的测量需求,设计了新的束流流强测量系统,该系统利用积分电流变换器(ICT)及锁相放大器等配套电子学,能够实现束流流强的非拦截实时测量。文中首先分析了中能束线(MEBT)束流流强的测量需求,并对设计方案进行了实验室系统分析和在线束流强测量。实验室结果表明,锁相放大器的幅度和相位响应一致性满足测量需求。由于ICT对束流流强的测量是相对测量,先使用法拉第筒对ICT进行在线标定;标定前先对法拉第筒(FC)(20 μA档位)和ICT系统的流强分辨在线测量,分别为6.45 nA和5.163 nA。由于束流抖动的影响,测量的束流的稳定性约90 nA,其对应的相对测量误差约8%,ICT系统响应时间小于1 ms。测量结果表明,该系统满足物理测量需求。回旋加速器高频系统参数变化引起ICT标定系数变化的工作将在进一步工作中展开。
			            2022, 34: 114002.
			             
		            	doi: 10.11884/HPLPB202234.220447 
    					
					
			        摘要: 
在高能同步辐射光源中,为了提高磁铁的准直精度,采用磁中心代替机械中心进行磁铁标定,通过振动线或旋转线等技术获得磁铁的磁中心位置,以及通过电容式位移传感器测量得到丝线的位置,从而实现磁中心与准直靶标的关联。为了实现丝线位置的高精度测量,必须对电容传感器进行精确标定,因此介绍了一种电容式位移传感器,并对其标定方法进行了研究,提出了网格化的数据采集方式以及高阶多项式拟合的数据处理方法,搭建了传感器标定平台并开发了相应的标定控制程序,实现了对传感器的自动控制、数据采集和高精度标定过程。经过分析与对比,标定后的电容传感器达到μm级的位移测量精度,为磁铁的高精度准直提供了基础。
			   
			        
			        
			        
				  
				在高能同步辐射光源中,为了提高磁铁的准直精度,采用磁中心代替机械中心进行磁铁标定,通过振动线或旋转线等技术获得磁铁的磁中心位置,以及通过电容式位移传感器测量得到丝线的位置,从而实现磁中心与准直靶标的关联。为了实现丝线位置的高精度测量,必须对电容传感器进行精确标定,因此介绍了一种电容式位移传感器,并对其标定方法进行了研究,提出了网格化的数据采集方式以及高阶多项式拟合的数据处理方法,搭建了传感器标定平台并开发了相应的标定控制程序,实现了对传感器的自动控制、数据采集和高精度标定过程。经过分析与对比,标定后的电容传感器达到μm级的位移测量精度,为磁铁的高精度准直提供了基础。
			            2022, 34: 114003.
			             
		            	doi: 10.11884/HPLPB202234.220021 
    					
					
			        摘要: 
以航天器舱外用交联乙烯-四氟乙烯共聚物(X-ETFE)线缆为试验对象,采用5倍加速因子对X-ETFE线缆累计进行了8000等效太阳小时(ESH)真空紫外(VUV)辐照,并通过极限耐电压、绝缘材料电阻测试分析X-ETFE线缆电性能,采用FTIR和SEM表征X-ETFE材料分子结构和微观形貌,以此研究不同VUV辐照时间对X-ETFE线缆的影响。试验结果表明,随着VUV辐照时间的增加,材料表面累积了碳而发生暗化,线缆外观颜色逐渐变为深棕色;X-ETFE线缆的极限耐压和绝缘电阻呈总体下降趋势,但整体电性能水平未发生本质变化; X-ETFE材料在1628 cm−1处的吸收峰逐步增大,说明X-ETFE材料分子链中的−C=C−自由基团随辐照时间而增多,致使材料表面出现了微裂纹现象。
			   
			        
			        
			        
				  
				以航天器舱外用交联乙烯-四氟乙烯共聚物(X-ETFE)线缆为试验对象,采用5倍加速因子对X-ETFE线缆累计进行了8000等效太阳小时(ESH)真空紫外(VUV)辐照,并通过极限耐电压、绝缘材料电阻测试分析X-ETFE线缆电性能,采用FTIR和SEM表征X-ETFE材料分子结构和微观形貌,以此研究不同VUV辐照时间对X-ETFE线缆的影响。试验结果表明,随着VUV辐照时间的增加,材料表面累积了碳而发生暗化,线缆外观颜色逐渐变为深棕色;X-ETFE线缆的极限耐压和绝缘电阻呈总体下降趋势,但整体电性能水平未发生本质变化; X-ETFE材料在1628 cm−1处的吸收峰逐步增大,说明X-ETFE材料分子链中的−C=C−自由基团随辐照时间而增多,致使材料表面出现了微裂纹现象。
			            2022, 34: 115001.
			             
		            	doi: 10.11884/HPLPB202234.220170 
    					
					
			        摘要: 
介绍了中能X光机装置触发系统研制和相关实验结果,触发系统包括主机6个支路激光开关的触发和主机放电的触发。其中6个支路的触发由6台YAG四倍频激光器完成,主机放电电触发系统由1台YAG四倍频激光器来触发。实验结果表明:每台激光器出光时间抖动σ小于等于0.3 ns,激光开关导通延迟时间约25 ns,抖动σ小于等于1.2 ns,电触发系统中激光与触发器输出电压之间的时间抖动σ为0.5 ns,匹配负载上电压大于120 kV,前沿约28 ns,脉宽150 ns。中能X光机在杆箍缩二极管负载上获得最大输出为4.2 MV/100 kA的电脉冲,电压脉冲半高宽约55 ns,输出的X射线时间抖动σ为3.4 ns。实验结果表明触发系统具备对6个支路精确调节和控制的能力,确保了中能X光机装置的高可靠性。
			   
			        
			        
			        
				  
				介绍了中能X光机装置触发系统研制和相关实验结果,触发系统包括主机6个支路激光开关的触发和主机放电的触发。其中6个支路的触发由6台YAG四倍频激光器完成,主机放电电触发系统由1台YAG四倍频激光器来触发。实验结果表明:每台激光器出光时间抖动σ小于等于0.3 ns,激光开关导通延迟时间约25 ns,抖动σ小于等于1.2 ns,电触发系统中激光与触发器输出电压之间的时间抖动σ为0.5 ns,匹配负载上电压大于120 kV,前沿约28 ns,脉宽150 ns。中能X光机在杆箍缩二极管负载上获得最大输出为4.2 MV/100 kA的电脉冲,电压脉冲半高宽约55 ns,输出的X射线时间抖动σ为3.4 ns。实验结果表明触发系统具备对6个支路精确调节和控制的能力,确保了中能X光机装置的高可靠性。
			            2022, 34: 115002.
			             
		            	doi: 10.11884/HPLPB202234.220069 
    					
					
			        摘要: 
影响脉冲磁体重频运行能力的关键因素是磁体的冷却速度。提出了一种脉冲磁体快速冷却方法:在磁体导体内开微小通道,在通道内注入液氮,通过增大导体与液氮之间的直接接触面积(换热面积)、液氮单相流动换热、液氮流动沸腾换热这三个途径来大幅提高导体的冷却速度,与此同时尽可能减小对脉冲磁体性能(磁场强度、脉宽和内直径)的影响。阐述了基于微通道内液氮流动、沸腾换热的脉冲磁体快速冷却方法的原理,开展了数值模拟和验证性试验,结果表明,对于25 T的20 mm口径脉冲磁体,采用快速冷却方法,30 s即可冷却至初始温度,为磁体仅浸泡在液氮中的冷却时间(600 s)的5%,冷却速度提高了19倍。
			   
			        
			        
			        
				  
				影响脉冲磁体重频运行能力的关键因素是磁体的冷却速度。提出了一种脉冲磁体快速冷却方法:在磁体导体内开微小通道,在通道内注入液氮,通过增大导体与液氮之间的直接接触面积(换热面积)、液氮单相流动换热、液氮流动沸腾换热这三个途径来大幅提高导体的冷却速度,与此同时尽可能减小对脉冲磁体性能(磁场强度、脉宽和内直径)的影响。阐述了基于微通道内液氮流动、沸腾换热的脉冲磁体快速冷却方法的原理,开展了数值模拟和验证性试验,结果表明,对于25 T的20 mm口径脉冲磁体,采用快速冷却方法,30 s即可冷却至初始温度,为磁体仅浸泡在液氮中的冷却时间(600 s)的5%,冷却速度提高了19倍。
			            2022, 34: 115003.
			             
		            	doi: 10.11884/HPLPB202234.220179 
    					
					
			        摘要: 
在肿瘤消融、污水处理等领域的脉冲功率技术应用中,研究发现双极性电脉冲往往比单极性电脉冲效果更佳,这极大地刺激了双极性高压脉冲电源的研发需求。设计了一台基于Boost闭环控制的恒峰值双极性脉冲发生器,该发生器结合boost电路与Marx发生器的特点,实现了具有升压功能的双极性脉冲的产生,且利用峰值检测电路对双极性脉冲发生器的输出峰值进行取样,并反馈到DSP处理器,实现峰值电压闭环控制,从而实现双极性脉冲恒定峰值的输出。为了验证提出的拓扑电路的可行性与稳定性,对5级恒峰值双极性脉冲发生器进行了仿真和实验研究。实验结果表明,当输入电压在100 V时,可产生重复频率5 kHz、脉冲宽度5~10 μs、电压幅值为±2.0 kV的恒峰值双极性脉冲波形。该脉冲电源使用模块化设计,便于级联,结构紧凑,可灵活输出恒峰值的双极性或单极性正(负)脉冲。
			   
			        
			        
			        
				  
				在肿瘤消融、污水处理等领域的脉冲功率技术应用中,研究发现双极性电脉冲往往比单极性电脉冲效果更佳,这极大地刺激了双极性高压脉冲电源的研发需求。设计了一台基于Boost闭环控制的恒峰值双极性脉冲发生器,该发生器结合boost电路与Marx发生器的特点,实现了具有升压功能的双极性脉冲的产生,且利用峰值检测电路对双极性脉冲发生器的输出峰值进行取样,并反馈到DSP处理器,实现峰值电压闭环控制,从而实现双极性脉冲恒定峰值的输出。为了验证提出的拓扑电路的可行性与稳定性,对5级恒峰值双极性脉冲发生器进行了仿真和实验研究。实验结果表明,当输入电压在100 V时,可产生重复频率5 kHz、脉冲宽度5~10 μs、电压幅值为±2.0 kV的恒峰值双极性脉冲波形。该脉冲电源使用模块化设计,便于级联,结构紧凑,可灵活输出恒峰值的双极性或单极性正(负)脉冲。
			            2022, 34: 116001.
			             
		            	doi: 10.11884/HPLPB202234.210488 
    					
					
			        摘要: 
高能MeV闪光照相所针对的客体通常具有极高的面密度。当X射线穿过客体时,直穿X射线的强度将被极大衰减,到达成像面的直穿信号可能被散射“噪声”所淹没,若直接对图像进行反演将严重影响照相重建精度。从散射抑制角度出发,目前主要采用网柵相机即阵列型准直孔阻挡散射,但网栅相机的应用效果受光源位置稳定性影响较大,且网栅不易加工。提出了一种可实时定量散射强度的照相方案,该方案利用狭缝准直器对散射的抑制能力不随散射强度变化而改变这一特点,对现有照相布局进行小改进,利用已知客体实验结果标定狭缝准直器对散射的抑制能力,进一步自洽确定待测客体的散射量大小。基于蒙卡方法的仿真照相实验结果表明,当采用低面密度客体标定散射抑制系数时,高面密度客体散射强度的估计值与模拟真实值偏差可小于2%。
			   
			        
			        
			        
				  
				高能MeV闪光照相所针对的客体通常具有极高的面密度。当X射线穿过客体时,直穿X射线的强度将被极大衰减,到达成像面的直穿信号可能被散射“噪声”所淹没,若直接对图像进行反演将严重影响照相重建精度。从散射抑制角度出发,目前主要采用网柵相机即阵列型准直孔阻挡散射,但网栅相机的应用效果受光源位置稳定性影响较大,且网栅不易加工。提出了一种可实时定量散射强度的照相方案,该方案利用狭缝准直器对散射的抑制能力不随散射强度变化而改变这一特点,对现有照相布局进行小改进,利用已知客体实验结果标定狭缝准直器对散射的抑制能力,进一步自洽确定待测客体的散射量大小。基于蒙卡方法的仿真照相实验结果表明,当采用低面密度客体标定散射抑制系数时,高面密度客体散射强度的估计值与模拟真实值偏差可小于2%。
			            2022, 34: 116002.
			             
		            	doi: 10.11884/HPLPB202234.220098 
    					
					
			        摘要: 
基于射频负离子源的中性束注入系统是高功率长脉冲(稳态)运行中性束注入系统的最佳选择。负离子源是中性束注入系统的核心部件,需要实现稳定的负离子束引出和加速。在负离子源的运行过程中引出负离子电流会发生变化,尤其在长脉冲、高能量运行条件下会更加明显,因此无法满足稳定运行的要求。为了实现引出束流的稳定引出,开展了束流反馈控制研究,研发了一套基于射频功率调节的束流反馈控制系统,并将束流反馈控制系统应用在射频负离子源测试平台,开展了束流反馈控制测试。测试结果表明束流反馈控制系统能够实现对束流的实时反馈调节以获得束流的稳定引出,验证了基于射频功率调节的束流反馈控制的可行性,为高功率射频负离子源的研制提供支持。
			   
			        
			        
			        
				  
				基于射频负离子源的中性束注入系统是高功率长脉冲(稳态)运行中性束注入系统的最佳选择。负离子源是中性束注入系统的核心部件,需要实现稳定的负离子束引出和加速。在负离子源的运行过程中引出负离子电流会发生变化,尤其在长脉冲、高能量运行条件下会更加明显,因此无法满足稳定运行的要求。为了实现引出束流的稳定引出,开展了束流反馈控制研究,研发了一套基于射频功率调节的束流反馈控制系统,并将束流反馈控制系统应用在射频负离子源测试平台,开展了束流反馈控制测试。测试结果表明束流反馈控制系统能够实现对束流的实时反馈调节以获得束流的稳定引出,验证了基于射频功率调节的束流反馈控制的可行性,为高功率射频负离子源的研制提供支持。
			            2022, 34: 116003.
			             
		            	doi: 10.11884/HPLPB202234.210552 
    					
					
			        摘要: 
在超导磁体电源系统中,失超保护系统具有重要的地位,能够将磁体能量迅速转移并消耗。聚变堆主机关键系统综合研究设施项目对失超保护系统提出了100 kA直流分断的技术要求,其中采用真空断路器作为转移支路开关。针对CRAFT失超保护系统,设计了串联结构的100 kA直流真空断路器并完成了样机制造。通过现场试验,在人工过零电路的配合下,所设计和制造的真空断路器完成了100 kA直流分断测试。
			   
			        
			        
			        
				  
				在超导磁体电源系统中,失超保护系统具有重要的地位,能够将磁体能量迅速转移并消耗。聚变堆主机关键系统综合研究设施项目对失超保护系统提出了100 kA直流分断的技术要求,其中采用真空断路器作为转移支路开关。针对CRAFT失超保护系统,设计了串联结构的100 kA直流真空断路器并完成了样机制造。通过现场试验,在人工过零电路的配合下,所设计和制造的真空断路器完成了100 kA直流分断测试。
			            2022, 34: 116004.
			             
		            	doi: 10.11884/HPLPB202234.220101 
    					
					
			        摘要: 
钚气溶胶测量是进行钚材料相关实验研究的基础。为了确保辐射安全,常需将钚材料密封于密闭容器内以实现对钚气溶胶的包容,商用钚气溶胶监测设备由于难以放入含钚密闭容器而不适用于该应用场景下钚气溶胶浓度的监测。使用ZnS(Ag)闪烁体作为辐射灵敏材料放置于含钚密闭容器内,通过波移光纤将闪烁体信号引出密闭容器,并通过硅光电倍增管实现对闪烁体信号的采集,使用该技术路线建立的钚气溶胶测量系统能够用于密闭容器内钚气溶胶的测量。该测量系统可根据具体需求实现对探测器尺寸、形状的定制,具有功耗低,结构相对简单等优点,实现了密闭容器内钚气溶胶的远程就地测量,具备n/γ混合辐射场下α粒子甄别测量能力。
			   
			        
			        
			        
				  
				钚气溶胶测量是进行钚材料相关实验研究的基础。为了确保辐射安全,常需将钚材料密封于密闭容器内以实现对钚气溶胶的包容,商用钚气溶胶监测设备由于难以放入含钚密闭容器而不适用于该应用场景下钚气溶胶浓度的监测。使用ZnS(Ag)闪烁体作为辐射灵敏材料放置于含钚密闭容器内,通过波移光纤将闪烁体信号引出密闭容器,并通过硅光电倍增管实现对闪烁体信号的采集,使用该技术路线建立的钚气溶胶测量系统能够用于密闭容器内钚气溶胶的测量。该测量系统可根据具体需求实现对探测器尺寸、形状的定制,具有功耗低,结构相对简单等优点,实现了密闭容器内钚气溶胶的远程就地测量,具备n/γ混合辐射场下α粒子甄别测量能力。
			            2022, 34: 119001.
			             
		            	doi: 10.11884/HPLPB202234.220013 
    					
					
			        摘要: 
针对六自由度串联式关节机器人气囊抛光系统因刚度不足引起的加工振动以及引入中频误差的问题,以IRB 6700机器人作为研究对象,基于Ansys Workbench建立模态分析模型,并结合实验分析机器人气囊抛光系统工况频带内动态特性,实验与仿真结果共同表明,机器人气囊抛光系统在工况频带至少存在5阶模态,且共振时机器人末端抖动幅值为mm级,机器人加工严重受限。同时针对机器人气囊抛光系统先进光学元件抛光工艺应用,设计一种阻尼抑振气囊工具头,与普通气囊工具头进行定点抛光与整面抛光对比实验。结果表明:抑振气囊头定点抛光斑粗糙度与频谱幅值普遍低于普通气囊工具头,引入的中频误差较一般气囊工具头低40%,抛光优化效果显著。
			   
			        
			        
			        
				  
				针对六自由度串联式关节机器人气囊抛光系统因刚度不足引起的加工振动以及引入中频误差的问题,以IRB 6700机器人作为研究对象,基于Ansys Workbench建立模态分析模型,并结合实验分析机器人气囊抛光系统工况频带内动态特性,实验与仿真结果共同表明,机器人气囊抛光系统在工况频带至少存在5阶模态,且共振时机器人末端抖动幅值为mm级,机器人加工严重受限。同时针对机器人气囊抛光系统先进光学元件抛光工艺应用,设计一种阻尼抑振气囊工具头,与普通气囊工具头进行定点抛光与整面抛光对比实验。结果表明:抑振气囊头定点抛光斑粗糙度与频谱幅值普遍低于普通气囊工具头,引入的中频误差较一般气囊工具头低40%,抛光优化效果显著。
			            2022, 34: 119002.
			             
		            	doi: 10.11884/HPLPB202234.220190 
    					
					
			        摘要: 
单像素成像系统是通过无空间分辨能力的单像元探测器来获取目标二维分布信息的计算光学成像技术,与传统直接成像技术相比具有高能量收集效率、高灵敏度等一系列优点,在高能物理诊断技术领域有着广阔的应用前景。针对实际单像素压缩感知成像系统在复杂诊断环境中存在的重建噪声较大的问题,提出并实现了基于分块平滑投影Landweber二次重构算法的单像素成像系统。根据算法观测矩阵分布特性以及数字微镜硬件输入要求实现了实际投影观测矩阵的变换,利用二次重构算法实现了单像素诊断的仿真分析与实验测试。仿真结果表明,在采样率为20%~30%的条件下,重建图像峰值信噪比大于20 dB,结构相似性高于0.8。进一步搭建单像素成像平台完成实验研究及验证,实验结果表明,利用二次重构算法模型对目标场景进行恢复的效果优于其余两种传统算法。二次重构单像素成像系统在采样率仅为20%的条件下能够重建出清晰的原始图像,具有较好的噪声抑制特性。
			   
			        
			        
			        
				  
				单像素成像系统是通过无空间分辨能力的单像元探测器来获取目标二维分布信息的计算光学成像技术,与传统直接成像技术相比具有高能量收集效率、高灵敏度等一系列优点,在高能物理诊断技术领域有着广阔的应用前景。针对实际单像素压缩感知成像系统在复杂诊断环境中存在的重建噪声较大的问题,提出并实现了基于分块平滑投影Landweber二次重构算法的单像素成像系统。根据算法观测矩阵分布特性以及数字微镜硬件输入要求实现了实际投影观测矩阵的变换,利用二次重构算法实现了单像素诊断的仿真分析与实验测试。仿真结果表明,在采样率为20%~30%的条件下,重建图像峰值信噪比大于20 dB,结构相似性高于0.8。进一步搭建单像素成像平台完成实验研究及验证,实验结果表明,利用二次重构算法模型对目标场景进行恢复的效果优于其余两种传统算法。二次重构单像素成像系统在采样率仅为20%的条件下能够重建出清晰的原始图像,具有较好的噪声抑制特性。
 
		         
  
					
 Email alert
Email alert RSS
RSS 
				  
	
	
