2023年 35卷 第8期
光学元件中的杂质和缺陷会引起其激光损伤阈值的大幅降低,现阶段这一问题已成为激光装置向高功率、高能量方向发展的“瓶颈”,亟待解决。在对光学元件激光损伤的研究中发现,用低于光学元件损伤阈值的激光对元件表面进行预处理,可以有效提高光学元件的抗激光损伤能力。对激光预处理技术的提出背景、定性作用机理、定量理论模型及国内外技术应用现状进行了概述。并且介绍了一种可在薄膜制备过程中进行原位实时激光预处理的新型薄膜制备技术。最后指出,激光预处理技术作为一种无污染,可有效改善光学薄膜、光学玻璃、光学晶体元件损伤阈值的最有效方法之一,其作用机理、实用化、仪器化还有待进一步发展。
激光驱动惯性约束聚变(ICF),因有望解决全球能源危机问题而备受瞩目。然而,熔石英作为ICF装置终端光学组件中一类重要的功能性紫外元件,其高能激光诱导损伤问题成为限制ICF装置输出能量向更高更强方向发展的关键因素。因此,ICF装置负载能力继续提升对新型高抗强激光损伤紫外元件提出重大应用需求。综述了中国科学院西安光学精密机械研究所研制的紫外氟磷玻璃在高能紫外激光损伤方面的研究现状,并分析了现存的实际问题,最后对高抗损伤紫外氟磷玻璃的发展方向进行了展望。
双端输出光纤激光振荡器可以通过一个单谐振腔结构实现两路激光输出,能够减少高功率光纤激光系统的体积和成本,在工业领域有着很好的应用前景。基于双端泵浦谐振腔结构,采用稳波长981 nm光纤耦合半导体激光器(LD)泵浦纤芯/包层直径为30/400 µm的双包层掺镱光纤,首次实现了总功率大于8 kW的双端输出光纤激光振荡器。在总最高泵浦功率为10.951 kW时,A端输出功率为3769 W,B端输出功率为4400 W,总功率为8169 W,激光器光-光转换效率74.6%,A、B端激光光束质量M2因子分别约2.13和2.36。在最高输出功率时,两端输出激光中均未观察到动态模式不稳定效应(TMI)和受激拉曼散射(SRS),通过进一步增加泵浦功率,有望实现更高功率的激光输出。
时间分辨X射线吸收精细结构谱技术需要产生高亮度、均匀、宽光谱的X射线源。单一靶材产生的M带辐射源亮度高,但均匀性较差,因此提出了一种使用多种金属材料制备的多层膜复合靶产生M带辐射的方案。针对Si的K边X射线吸收谱实验,根据前期单一靶材M带光谱实验数据理论计算了最优的材料比例,制备了Au、Yb、Dy三种材料组成的多层膜复合靶,并在神光II激光装置上开展了脉冲激光驱动的多层膜复合靶辐射光谱测量,实验结果和理论计算基本一致。相比单一靶材,多层膜复合靶产生的M带辐射源具有光谱宽、整体亮度均匀的优点,在时间分辨X射线吸收精细结构谱中具有较大的应用潜力。
结合蜂窝结构传热机制与复合材料烧蚀机制,研究了蜂窝夹芯复合材料结构在激光辐照条件下的热响应。针对典型蜂窝单元,建立了细观导热及烧蚀理论模型。基于有限元软件热分析模块和二次开发程序构建了蜂窝夹芯结构的高温传热数值模型,考虑了热物性参数的非线性变化、树脂热解和纤维烧蚀过程。采用连续激光作为加载热源,设计并开展了大气环境中蜂窝结构的热烧蚀实验,获得了蜂窝结构的动态烧蚀特征。结果表明,蜂窝夹芯复合材料结构在激光功率密度为102 W/cm2量级时具有良好的抗烧蚀能力,数值模型能够较为准确地模拟激光加载蜂窝结构过程中的烧蚀温度和树脂、纤维的烧蚀情况,并获得较为真实的烧蚀形貌。
针对复杂光机系统设计中光瞳光轴位置的传递问题,构建了光瞳光轴镜耦合控制的算法模型以及实施控制的解析公式。依据耦合控制流程,阐述了解析公式中各系数的标定过程及其方法。同时通过搭建的试验光路,验证了上述模型及解析公式的合理性。结合探测器靶面上解算出的光瞳光轴光斑中心,通过光瞳光轴耦合镜各自两电机联动控制,可单步内实现光瞳光轴的快速耦合。执行3次不同控制策略下的光瞳光轴耦合,可使光瞳耦合精度达到近场光斑的0.2%,光轴耦合精度达到3 μrad。
精密高效的脉冲波形调控是大型激光装置满足惯性约束聚变实验需求的重要技术之一。脉冲波形生成原理是通过编辑任意波形发生器中每个子脉冲的电压值,经电光调制器转换为光脉冲强度形成任意形状的激光脉冲轮廓。在电光转换过程中,各子束响应过程并非线性且子束间存在个性差异。为实现此条件下精密高效的脉冲波形调控,制定并开发了基于闭环迭代思路的激光脉冲波形快速调控方法。实验结果表明,算法可在10 min内实现任意脉冲波形整形,并具备23∶1高对比度脉冲波形调控能力,调控精度均优于10% (rms),满足常规物理实验运行条件下对激光参数调控的精度和效率需求。
针对大型激光装置中广空间分布的甚多路高精度(一是长时间时间抖动小于5 ps,二是时间延迟微步进分辨率小于15 ps)同步触发信号的需求,设计了一种“数据流编解码光传输+高速串行收发器粗延时+宽带微带线微步进延时”的同步时序产生方案。通过数据流编解码光传输架构实现了广空间范围内时序的对齐;高速串行收发器粗延时和微带线微步进延时技术解决了同步触发信号低时间抖动和高延迟分辨的问题。通过对系统的时序逻辑和电路板的关键线路进行仿真,完成了整个系统的设计与研制,并开展了实验测试。测试结果表明:该系统可以实现广空间范围内的同步时序信号产生,同步触发信号的时间抖动精度优于3.76 ps(均方根值,8 h),39.6 ps(峰峰值,8 h),时间延迟分辨率优于15 ps;若应用于小空间范围,同步触发信号的时间精度可优于1.27 ps(均方根值,8 h),12.4 ps(峰峰值,8 h)。
研制了一种具有同步时序闭环监控的精密同步机,该同步机输出光同步信号,采用单光纤反馈光模块传输同步信号、基于内插法的时间间隔测量方法,能高精度测量反馈的光同步信号与基准信号的时间差,实现了光同步信号的时序闭环监控,达到的技术指标为同步时序闭环监控误差小于等于250 ps。采用本精密时序闭环监控同步技术一方面可以保证同步信号可靠的送达触发对象,另一方面根据测得的时间差值与设定的时序延时值进行比较,可以获得同步信号经过光传输的固有延时量,从而可以实现精密时序的精确配置要求。
利用自行开发的二维辐射磁流体力学程序,模拟研究在软泡沫柱外嵌套硬泡沫层、中心嵌套结构靶丸的动态黑腔整体动力学行为和热力学性能,以发现硬泡沫层对动态黑腔辐射场的影响和调制作用,以及腔靶耦合相互作用规律。对峰值50 MA、全上升时间300 ns的驱动电流,模拟结果的比较分析表明,嵌套硬泡沫层后靶丸感受到的辐射场温度开始升高时刻延后,辐射均匀更迅速,辐射温度第一峰下降,变化更顺滑,黑腔存在时间变长,达到10 ns以上,后期辐射温度大于350 eV,波形与美国靶丸点火成功实验中的黑腔辐射温度变化曲线比较接近;与没有靶丸的动态黑腔的相同区域辐射温度相比较,嵌入靶丸后,靶丸在烧蚀后期感受到的辐射驱动温度增加。故嵌套硬泡沫层和腔靶耦合都有益于聚变靶丸的烧蚀内爆。
针对从基于压缩超快成像(Compressed Ultrafast Photography,CUP)的任意反射面速度干涉仪(Velocity Interferometer System for Any Reflector,VISAR)中获得的压缩图像中重构出冲击波二维条纹图像的问题,提出一种基于卡尔曼滤波的双约束图像重构算法。该算法首先基于条纹图像具有的稀疏性和平滑性,将问题转化为基于小波与全变分双先验约束的优化问题,然后,考虑到实际成像的噪声问题,采用加权卡尔曼滤波对图像已有信息进行预测和调整,最后将卡尔曼滤波引入二步迭代阈值算法的迭代过程中,进而求解该双约束优化问题,实现压缩图像的精确重构。在大噪声仿真实验中,该算法重构图像的峰值信噪比和结构相似度分别提高了4.8 dB和14.81%,显著提高了图像重构质量。在实际实验中,该算法重构出了清晰的冲击波条纹图像,且将冲击波速度最大相对误差降低了9.57%和平均相对误差降低了2.2%,验证了该算法的可行性。
为掌握雷达装备的抗电磁干扰性能,需要对其进行全面的电磁环境效应测试与评估,为雷达应用及电磁防护加固提供技术支撑。从二阶互调电磁辐射伪信号干扰效应机理出发,引入效应指数的概念将复杂电磁环境适应性的多变量问题用单一变量表征,实现了雷达装备复杂电磁环境伪信号干扰效应的定量表征,建立了二阶互调伪信号干扰效应评估模型。以某型扫频连续波测距雷达为研究对象,针对受试雷达在试验中出现的二阶互调伪信号干扰现象,给出了模型参数的确定方法,提出雷达装备二阶互调伪信号干扰效应预测评估方法。实验验证结果表明:无论是改变伪信号敏感电平,还是在大辐射频偏、大互调频差范围内改变双频电磁辐射组合,采用普适性二阶互调伪信号干扰效应模型对受试雷达进行二阶互调伪信号干扰效应评估,评估误差均在2.5 dB以内,依据效应预测方法能够客观评估雷达装备二阶互调伪信号干扰。
为了实现Ka波段回旋行波管高纯度TE01模式输入,通过在输出口添加滤波结构,对二级功分TE01输入耦合器进行改进,改进后杂散模式传输效率由平均7%下降至2%。该结构主体为一个级联的两级Y型功分网络,能高效地实现矩形波导TE10模式到圆波导TE01模式的转换。在基于传输线理论对功分网络的传输性能理论分析的基础上,借助三维电磁仿真软件进行多次优化迭代,最终得到了一个在31 GHz附近模式转换效率大于99%的宽带TE01输入耦合器, 该输入耦合器具有5 GHz的−0.1 dB插入损耗带宽,同时有效频带内的平均模式转换效率高达98.6%,模式纯度在99%以上并且回波损耗小于−15 dB。采用矢量网络分析仪对该器件进行了背靠背冷测实验,结果表明,其带内衰减约为0.5 dB,与仿真计算结果偏差较小,符合工程实际需求。
梳状谱微波通常指具有中心频率,频谱分布与梳子形状相似,在一定带宽内多个频点具有能量分布的电磁波。梳状谱微波在电子对抗方面具有其它对抗方式所不具备的独特优势,在通信对抗、雷达对抗等领域显现出了极好的应用前景。该文介绍了一种大功率梳状谱微波产生方法,利用路径编码脉冲压缩技术将宽带连续波源产生的微波进行压缩,获得了中心频率2.85 GHz、频带宽度1 GHz、频谱间隙250 kHz、峰值功率160 kW的梳状谱微波。后续实验进一步表明,利用该方法获取的梳状谱微波的中心频率、频带宽度、频谱间隙都是灵活可调的,能够应用在多种电子对抗场景当中提升对抗干扰能力。
介绍了105/140 GHz双频兆瓦级回旋管的设计和最新实验进展。该回旋管的谐振腔、准光模式变换器、BN输出窗采用了双频共用的设计,电子枪采用了双频复用的双阳极磁控注入枪,收集极采用单级降压。在现有实验室电网功率容量有限的情况下,进行脉冲调试,得到的实验结果为:在重频1 Hz、ms连续短脉冲条件下,在105 GHz点和140 GHz点脉冲功率分别达到710 kW和1.057 MW,脉宽0.7 ms,对应总效率分别为34%和49%。在105 GHz点通过脉宽延展和老炼,进一步得到300 kW/2 s和400 kW/1 s的秒级脉宽实验结果,BN窗片的温度在两种状态下温度分别达到606 ℃和503 ℃,波束频率单一,没有杂模。实验基本上验证了该器件的物理设计。
中国散裂中子源加速器上有几百套电源和高频设备。每次开关机过程都要通过操作二十多个控制界面来完成这几百台设备的开关机流程,过程繁琐,耗时较多,容易出错且很难发现。为了简化开关机流程和避免人为错误发生,开发了一套一键开关机程序。该程序将分散于二十多个界面的所有硬件设备开关机操作集成到一个界面中,同时将每个硬件开关机流程抽象为单独线程,界面上一键操作,使用多线程并发完成所有设备的开关机操作。该程序实现了运行模式状态的一键存储和恢复,能够一键完成整个加速器的开关机流程,将原来耗时40 min的开关机流程压缩到约2 min完成,提升了操作效率,很好地满足了中国散裂中子源加速器运行需求。该程序具有一定的通用性,可以在其它装置推广应用。
研制了冷链食品包装箱表面辐照消毒灭菌成套装置,重点针对装置的核心部件小型电子帘加速器进行设计和调试,应用E-gun电子束轨迹跟踪程序对加速器的束流光学进行了计算,合理设计了栅极和聚焦极形状,获得了对束流包络的理想控制,应用多物理场仿真软件CST进行高压结构优化,使电子帘阴极表面高压区电场分布均匀,降低了打火几率。对电子帘加速器进行了整机调试,针对调试中出现的高压打火现象进行了分析,并给出了结构优化设计方案,使得最终调试主要技术参数达到了140 keV/20 mA,束流不均匀度小于10%。通过了连续8 h稳定性运行测试,达到了工业加速器辐照应用标准。
百千伏高压直流电源广泛应用于电子束产生与应用领域。高压直流电源电压纹波是影响束流品质的重要因素之一。某型等效阻抗为4 MΩ的电子枪对加载电压提出峰峰值高压纹波不超过0.06%,同时实现较小高压储能以减小打火时电子枪损伤风险,基于全桥逆变和双极性Cockcroft-Walton倍压电路设计了一种不对称电容布局的高压直流电源,在分析储能与纹波、倍压效率关系基础上给出了倍压电路参数简化设计方法,实验结果表明,不额外采用滤波网络,在25 kHz逆变频率、100 kV/25 mA输出条件下纹波系数优于0.06%,相比于传统设计方法,所需高压储能可降低12%以上。
为实现全固态Marx发生器中多个SiC MOSFET开关的同步驱动,设计了一种基于脉冲变压器的驱动控制电路。多路驱动信号的同步性会影响到Marx发生器的输出波形参数,因此要求驱动信号具有快脉冲前沿、低抖动特点。根据SiC MOSFET驱动原理及要求,分析了SiC MOSFET驱动电路脉冲前沿的影响因素,分析计算其相关参数,进行仿真模拟验证。设计了共初级穿芯10级串联的脉冲变压器,初次级的匝数分别为1匝和9匝,次级经正负脉冲信号调理电路后驱动10级Marx电路。实测结果表明利用脉冲变压器原边漏感与谐振电容构成的谐振电路在断续模式下,驱动功率越大,脉冲前沿越快且同步性越好。该同步驱动电路的脉冲前沿为112 ns,脉宽1~10 μs可调,频率10~25 kHz可调,满足固态Marx发生器参数调整需求。
为使LC谐振充电方案具有更高的升压范围和提高其对供电电压的适应性,采用了一种带有升压结构的电路拓扑,使得LC谐振充电方案具有升压和降压工作能力,同时采用了基于能量实时检测的控制算法,使得该方案能够根据预设参数准确充电和放电,增强了对供电电压波动的适应能力。初步的实验结果表明,在供电电压波动的情况下,该电源能够完成升降压的调节,且最大电压偏差小于5 V。
基于辐射成像系统蒙卡模拟软件NucRPD,对一款以9 MeV加速器作为辐射源的集装箱CT检查系统进行全系统蒙卡模拟,并使用目标晶体笔标记法、散射部件标记法与断层图像计算法综合分析了位于探测器晶体前方的二维防散射滤线栅对散射X射线的压低作用。计算结果表明此款集装箱CT检查系统中二维防散射滤线栅对于降低散射X射线的作用有限,后续在工程应用中无需使用二维防散射滤线栅,这将极大降低后端集装箱CT检查系统探测器与旋转机架等部件的机械设计难度与工程实现成本。
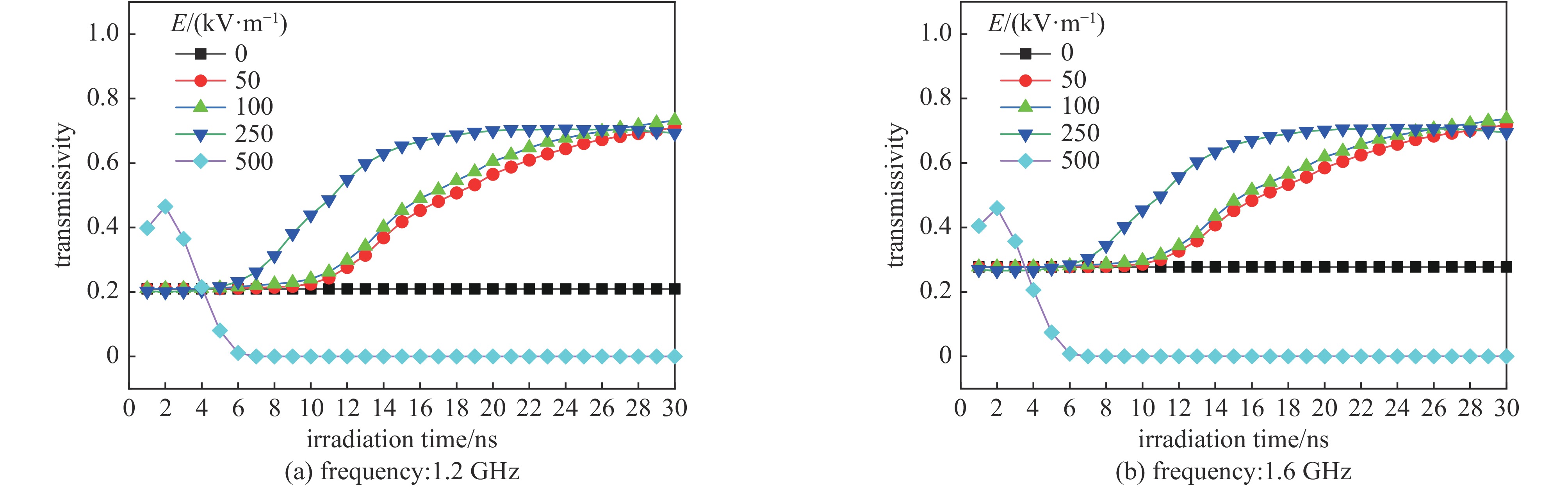
高超声速飞行器飞行期间,由于表面激波的影响,飞行器表面会生成等离子体鞘套。等离子体鞘套会吸收、反射和散射电磁波,导致通信信号发生衰减甚至中断,从而形成“黑障”问题。理论上来说,等离子体鞘套与微波的相互作用随微波电场幅值的变化呈现非线性,所以可能存在一个合适的电场幅值和辐照时间区间,使等离子体鞘套的电磁波透射率上升。针对这种可能性,采用有限元分析方法,对飞行器表面等离子体鞘套流场与电磁场进行二维耦合仿真,得到微波照射后等离子体鞘套透射率的改变情况。分别使用电场幅值为5×104、1×105、2.5×105、5×105 V·m−1的微波对等离子体鞘套进行30 ns的辐照,在辐照后等离子体鞘套对1.2 GHz和1.6 GHz的电磁波的最大透射率提升,为解决“黑障”问题提供了新的可能。
光学元件的健康状态是激光系统稳定运行的关键,如何在激光系统工作状态下实现光学元件的实时监测和故障诊断定位是该专业领域亟需解决的问题。针对该问题,提出了一种基于红外和可见光视频信息的光学元件故障诊断方法。首先,使用长波红外相机和可见光相机采集光学元件工作过程中的视频信息;然后,对采集的视频信息使用异常点检测算法进行处理;最后,结合光学元件温升特性对光学元件进行故障诊断及定位。试验结果表明:相同算法情况下,该方法相较于单独使用红外视频进行故障诊断的方法在故障诊断准确率、虚警率和漏警率3个指标上分别提升9.70%、3.60%和6.10%;该方法相较于单独使用可见光视频进行故障诊断的方法在故障诊断准确率、虚警率和漏警率3个指标上分别提升18.00%、16.00%和2.00%。

Email alert
RSS
