2024年 36卷 第2期
推荐文章
2024, 36: 025001.
doi: 10.11884/HPLPB202436.230241
2024, 36: 025007.
doi: 10.11884/HPLPB202436.230322
2024, 36: 025009.
doi: 10.11884/HPLPB202436.230158
显示方式:
2024, 36: 025001.
doi: 10.11884/HPLPB202436.230241
摘要:
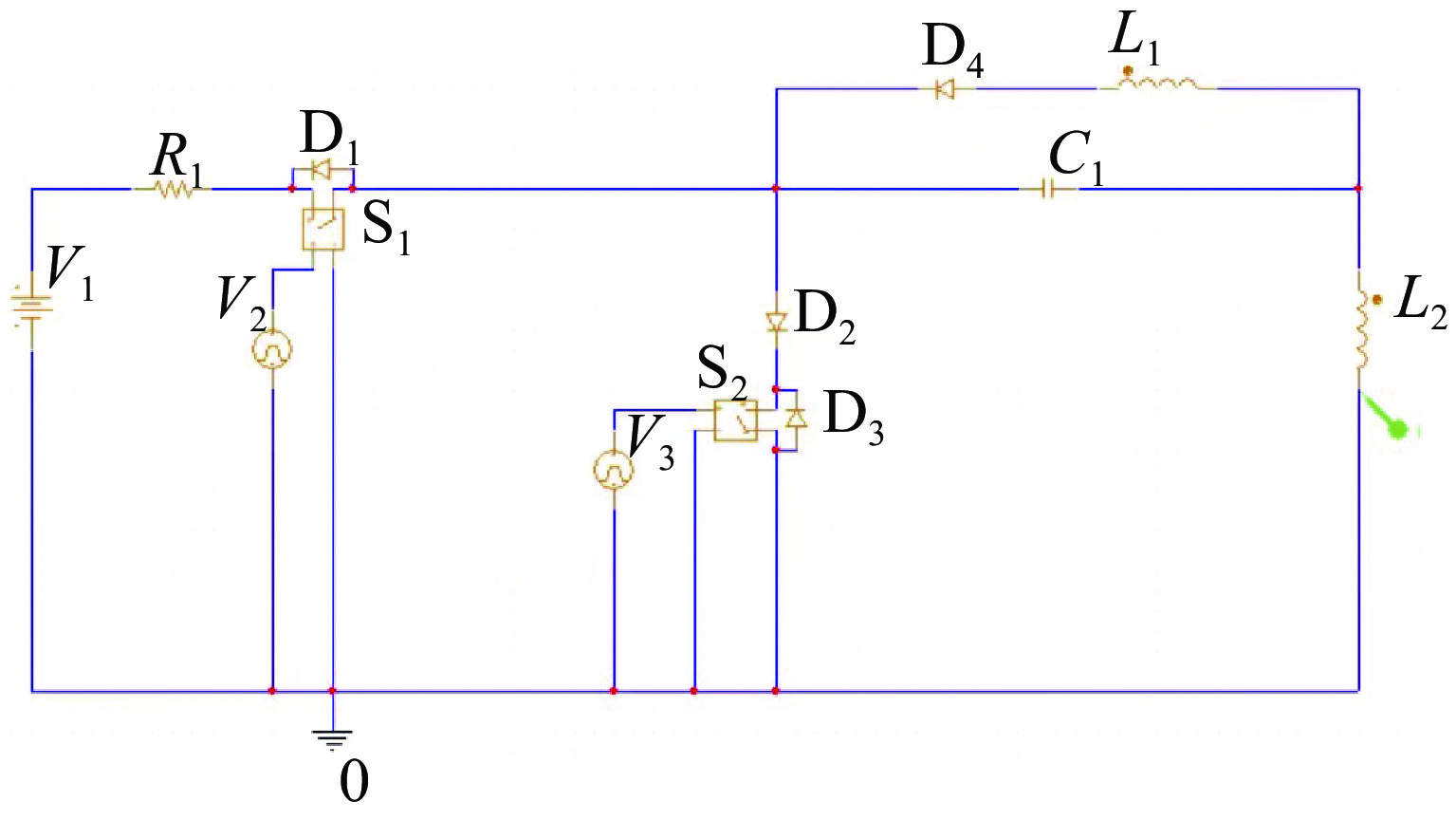
针对雷电间接效应多重脉冲组电流模拟需求,完成了雷电间接效应多重脉冲组模拟源的设计,采用20个Crowbar电路支路,通过分时放电的方式实现1个脉冲串内多脉冲输出需求,每个支路可以实现最小间隔30 ms的重复频率放电,从而实现3个脉冲串的输出需求。对放电支路的参数进行了详细设计,分析了电容、波尾电路电感、波尾电路电阻参数变化对输出特性的影响。分析了采用并联大电容实现放电电容重复频率快速充电的可行性,完成了装置的初步结构设计并结合装置结构简要分析了电路模拟参数设置的合理性。该装置建成后,可为电子、电气设备等开展测试提供技术支持。
针对雷电间接效应多重脉冲组电流模拟需求,完成了雷电间接效应多重脉冲组模拟源的设计,采用20个Crowbar电路支路,通过分时放电的方式实现1个脉冲串内多脉冲输出需求,每个支路可以实现最小间隔30 ms的重复频率放电,从而实现3个脉冲串的输出需求。对放电支路的参数进行了详细设计,分析了电容、波尾电路电感、波尾电路电阻参数变化对输出特性的影响。分析了采用并联大电容实现放电电容重复频率快速充电的可行性,完成了装置的初步结构设计并结合装置结构简要分析了电路模拟参数设置的合理性。该装置建成后,可为电子、电气设备等开展测试提供技术支持。
2024, 36: 025002.
doi: 10.11884/HPLPB202436.230211
摘要:
电磁发射的能力主要取决于脉冲功率电源系统,脉冲功率电源的优化是电磁发射技术取得进一步突破的关键技术之一。电感储能型脉冲功率电源在能量密度方面有很大优势,具备深远的发展潜力。基于串联充电和并联放电的XRAM型脉冲功率电源具有结构简单、可扩展性强的优点。分析了多级XRAM电源拓扑结构中二极管器件的工作原理,按照功能分类,提出了简化二极管器件数量的方案。建立了基于ICCOS的30级XRAM型脉冲功率电源带轨道炮负载的仿真模型,每5级为一个电源模块,系统总储能为365 kJ,发射效率近20%。通过对比简化前后模型性能指标的仿真结果,证明了简化第一级的下臂二极管不利于多级电源的运行。简化多级拓扑中的最后一级逆流电容串联二极管,以及在优化逆流电容参数的前提下简化充电晶闸管的反并二极管,对电源模块的放电电流没有明显影响。
电磁发射的能力主要取决于脉冲功率电源系统,脉冲功率电源的优化是电磁发射技术取得进一步突破的关键技术之一。电感储能型脉冲功率电源在能量密度方面有很大优势,具备深远的发展潜力。基于串联充电和并联放电的XRAM型脉冲功率电源具有结构简单、可扩展性强的优点。分析了多级XRAM电源拓扑结构中二极管器件的工作原理,按照功能分类,提出了简化二极管器件数量的方案。建立了基于ICCOS的30级XRAM型脉冲功率电源带轨道炮负载的仿真模型,每5级为一个电源模块,系统总储能为365 kJ,发射效率近20%。通过对比简化前后模型性能指标的仿真结果,证明了简化第一级的下臂二极管不利于多级电源的运行。简化多级拓扑中的最后一级逆流电容串联二极管,以及在优化逆流电容参数的前提下简化充电晶闸管的反并二极管,对电源模块的放电电流没有明显影响。
2024, 36: 025003.
doi: 10.11884/HPLPB202436.230197
摘要:
纳秒脉冲电场消融要求在100 Ω负载上产生数千伏的纳秒脉冲,加快脉冲前沿有利于获得更窄的纳秒脉冲。提出了一种具有快速前沿的固态Marx发生器,在每级电路中插入一个电感,并且让放电管和充电管同时导通数十纳秒,等放电管完全开通后,关断充电管,对负载进行放电,以消除放电管和放电回路杂散电感对脉冲前沿的限制,获得具有快前沿的高压脉冲。搭建了32级Marx样机,实验中通过调节直通时间,在100 Ω的低阻负载上获得了电压上升沿35 ns、脉宽800 ns、电流186 A的高压脉冲。对比并分析了充电管和放电管直通时间对上升沿的影响,发现直通时间越长,脉冲电流的前沿越快。输出端的峰值电流最大可达186 A。表明该脉冲电压源可以有效地提高电流的输出,提高系统带载能力。该方案相比于传统的改进方法,提高了系统抗干扰能力的同时,也减少了所使用开关管的数量,降低了脉冲电源的成本。
纳秒脉冲电场消融要求在100 Ω负载上产生数千伏的纳秒脉冲,加快脉冲前沿有利于获得更窄的纳秒脉冲。提出了一种具有快速前沿的固态Marx发生器,在每级电路中插入一个电感,并且让放电管和充电管同时导通数十纳秒,等放电管完全开通后,关断充电管,对负载进行放电,以消除放电管和放电回路杂散电感对脉冲前沿的限制,获得具有快前沿的高压脉冲。搭建了32级Marx样机,实验中通过调节直通时间,在100 Ω的低阻负载上获得了电压上升沿35 ns、脉宽800 ns、电流186 A的高压脉冲。对比并分析了充电管和放电管直通时间对上升沿的影响,发现直通时间越长,脉冲电流的前沿越快。输出端的峰值电流最大可达186 A。表明该脉冲电压源可以有效地提高电流的输出,提高系统带载能力。该方案相比于传统的改进方法,提高了系统抗干扰能力的同时,也减少了所使用开关管的数量,降低了脉冲电源的成本。
2024, 36: 025004.
doi: 10.11884/HPLPB202436.230287
摘要:
结合理论求解、仿真分析与实验验证,确定了影响脉冲变压器型触发器输出前沿的主要因素,并研制了一台能可靠触发真空沿面闪络开关导通的快前沿固态触发器。研究结果表明:影响触发器输出脉冲前沿的关键因素为脉冲变压器漏感、匝数比和半导体开关开通速度;不同绕制方式的脉冲变压器漏感差异很大,最小漏感绕法的变压器漏感值低1个数量级;选用开通速度优于15 ns的碳化硅金属氧化物半导体场效应晶体管(SiC MOSFET)、绕制低漏感(小于0.5 μH)的脉冲变压器,实现了前沿为20.4 ns(10%~90%)、幅值为16.5 kV的快前沿输出;控制SiC MOSFET的驱动脉宽在35~55 ns变化可以控制触发电流峰值在35~55 A范围内变化。
结合理论求解、仿真分析与实验验证,确定了影响脉冲变压器型触发器输出前沿的主要因素,并研制了一台能可靠触发真空沿面闪络开关导通的快前沿固态触发器。研究结果表明:影响触发器输出脉冲前沿的关键因素为脉冲变压器漏感、匝数比和半导体开关开通速度;不同绕制方式的脉冲变压器漏感差异很大,最小漏感绕法的变压器漏感值低1个数量级;选用开通速度优于15 ns的碳化硅金属氧化物半导体场效应晶体管(SiC MOSFET)、绕制低漏感(小于0.5 μH)的脉冲变压器,实现了前沿为20.4 ns(10%~90%)、幅值为16.5 kV的快前沿输出;控制SiC MOSFET的驱动脉宽在35~55 ns变化可以控制触发电流峰值在35~55 A范围内变化。
2024, 36: 025005.
doi: 10.11884/HPLPB202436.230329
摘要:
为了满足脉冲电场消融的应用需求,解决单极性脉冲电场分布不均匀的问题,研制了一台基于半桥结构的主电路、具有纳秒级前沿的高重复频率双极性亚微秒高压脉冲电源。该脉冲电源由FPGA提供控制信号,经过驱动芯片放大控制信号后,利用光耦隔离驱动多个SiC MOSFET。驱动电路所需元器件较少,信号控制时序简单,可提供负压偏置,使开关管可靠关断,提高了电路的抗电磁干扰能力,使电源能稳定运行。通过电阻负载实验,对比分析了不同栅极电阻对驱动电压的影响,驱动电压上升沿时间越短对应的双极性高压脉冲前沿越快。实验结果表明:所设计的高频双极性脉冲电源在100 Ω纯阻性负载上能够稳定产生重复频率双极性纳秒脉冲,输出电压0~±4 kV可调,脉宽0.2~1.0 μs可调,正负脉冲相间延时0~1 ms可调,上升沿和下降沿60~150 ns之间。该双极性脉冲电源电路设计结构紧凑,能满足应用的参数需求。
为了满足脉冲电场消融的应用需求,解决单极性脉冲电场分布不均匀的问题,研制了一台基于半桥结构的主电路、具有纳秒级前沿的高重复频率双极性亚微秒高压脉冲电源。该脉冲电源由FPGA提供控制信号,经过驱动芯片放大控制信号后,利用光耦隔离驱动多个SiC MOSFET。驱动电路所需元器件较少,信号控制时序简单,可提供负压偏置,使开关管可靠关断,提高了电路的抗电磁干扰能力,使电源能稳定运行。通过电阻负载实验,对比分析了不同栅极电阻对驱动电压的影响,驱动电压上升沿时间越短对应的双极性高压脉冲前沿越快。实验结果表明:所设计的高频双极性脉冲电源在100 Ω纯阻性负载上能够稳定产生重复频率双极性纳秒脉冲,输出电压0~±4 kV可调,脉宽0.2~1.0 μs可调,正负脉冲相间延时0~1 ms可调,上升沿和下降沿60~150 ns之间。该双极性脉冲电源电路设计结构紧凑,能满足应用的参数需求。
2024, 36: 025006.
doi: 10.11884/HPLPB202436.230148
摘要:
提出利用P型开关作为充电管、N型开关作为放电管串联形成半桥结构,将其门极也短接,以同一个信号同时驱动充电管和放电管。再利用共原边的串心磁环驱动方案,只需一个半桥电路就可以从原边同时传递驱动功率和信号,同步驱动所有充电管和放电管,大幅简化了脉冲电源结构和尺寸,降低了成本。以此搭建了24级固态Marx发生器,在10 kΩ阻性负载上,获得了10 kV、1 kHz、5 μs的高压方波脉冲,验证了方案的可行性,该电源主电路的尺寸仅为20 cm(长)×13 cm(宽)×5.5 cm(高)。
提出利用P型开关作为充电管、N型开关作为放电管串联形成半桥结构,将其门极也短接,以同一个信号同时驱动充电管和放电管。再利用共原边的串心磁环驱动方案,只需一个半桥电路就可以从原边同时传递驱动功率和信号,同步驱动所有充电管和放电管,大幅简化了脉冲电源结构和尺寸,降低了成本。以此搭建了24级固态Marx发生器,在10 kΩ阻性负载上,获得了10 kV、1 kHz、5 μs的高压方波脉冲,验证了方案的可行性,该电源主电路的尺寸仅为20 cm(长)×13 cm(宽)×5.5 cm(高)。
2024, 36: 025007.
doi: 10.11884/HPLPB202436.230322
摘要:
模块化多电平换流器(MMC)已成为新型全固态特种高压电源的有效解决方案,对其进行轻量化设计以节约设备空间成本成为当前研究热点。MMC中限制功率密度提升的首要因素为子模块大尺寸电容,为降低MMC对子模块容值的需求,提高系统功率密度,提出一种改进型MMC(I-MMC)拓扑。应用隔离型开关电容变换器,实现上下桥臂一对子模块高频链互联。研究中相单元内上、下桥臂子模块对并联的高频链两侧采用同步控制,使子模块电容之间呈现开关电容特性,实现波动功率在电容之间的自由传递,进而消除相位相反的基频与3倍频波动分量。结合MMC运行调制比和功率因数分析基频与3倍频波动分量消除后子模块电容取值,完成模块化设计。所提方案可将子模块电容减小至常规MMC的1/4。仿真与实验结果验证了所提拓扑方案的正确性与有效性。
模块化多电平换流器(MMC)已成为新型全固态特种高压电源的有效解决方案,对其进行轻量化设计以节约设备空间成本成为当前研究热点。MMC中限制功率密度提升的首要因素为子模块大尺寸电容,为降低MMC对子模块容值的需求,提高系统功率密度,提出一种改进型MMC(I-MMC)拓扑。应用隔离型开关电容变换器,实现上下桥臂一对子模块高频链互联。研究中相单元内上、下桥臂子模块对并联的高频链两侧采用同步控制,使子模块电容之间呈现开关电容特性,实现波动功率在电容之间的自由传递,进而消除相位相反的基频与3倍频波动分量。结合MMC运行调制比和功率因数分析基频与3倍频波动分量消除后子模块电容取值,完成模块化设计。所提方案可将子模块电容减小至常规MMC的1/4。仿真与实验结果验证了所提拓扑方案的正确性与有效性。
2024, 36: 025008.
doi: 10.11884/HPLPB202436.230173
摘要:
介质阻挡放电 (DBD) 在工业中得到广泛应用,但效率限制了它的进一步应用。提出了一种DBD结构和针板结构相结合的三电极结构。将正极性脉冲电源施加在DBD电极上,负极性脉冲电源施加到针板电极上。分析了不同结构下三电极DBD的放电特性、现象和光谱强度。结果表明,三电极结构更加有利于DBD放电通道的产生,其放电均匀性、发光强度均强于双电极DBD,特别是在丝网接地电极条件下,放电更加强烈。当三种电极结构正极性电压维持在11 kV,负极性电压为−5 kV时,丝网接地三电极中DBD的放电电流峰值达到1.54 A,而实心接地三电极和传统双电极中DBD的放电电流峰值为1.14 A和0.74 A。在负极性脉冲维持期间,针网间隙处于击穿状态,DBD放电出现很大的放电电流。在三电极结构中,随着施加在针板上负极性电压的升高也使三电极DBD放电更加强烈。不同结构下的DBD的放电光谱表明在丝网接地时三电极DBD激发粒子的光谱强度最强。这一趋势与DBD放电电流和功率一致。
介质阻挡放电 (DBD) 在工业中得到广泛应用,但效率限制了它的进一步应用。提出了一种DBD结构和针板结构相结合的三电极结构。将正极性脉冲电源施加在DBD电极上,负极性脉冲电源施加到针板电极上。分析了不同结构下三电极DBD的放电特性、现象和光谱强度。结果表明,三电极结构更加有利于DBD放电通道的产生,其放电均匀性、发光强度均强于双电极DBD,特别是在丝网接地电极条件下,放电更加强烈。当三种电极结构正极性电压维持在11 kV,负极性电压为−5 kV时,丝网接地三电极中DBD的放电电流峰值达到1.54 A,而实心接地三电极和传统双电极中DBD的放电电流峰值为1.14 A和0.74 A。在负极性脉冲维持期间,针网间隙处于击穿状态,DBD放电出现很大的放电电流。在三电极结构中,随着施加在针板上负极性电压的升高也使三电极DBD放电更加强烈。不同结构下的DBD的放电光谱表明在丝网接地时三电极DBD激发粒子的光谱强度最强。这一趋势与DBD放电电流和功率一致。
2024, 36: 025009.
doi: 10.11884/HPLPB202436.230158
摘要:
目前的高压保护开关缓冲电路参数设计缺乏相关理论设计方法,同时缓冲电路方案由于设计过程中并未考虑分布电容影响,因此均为等参数设计方案,这种方法均压效果不够理想。为了解决目前参数设计中存在的问题,首先建立了含缓冲电路和杂散电感的MOSFET模型并对其关断过程进行了分析,从而得到了抑制电压尖峰的缓冲电路理论设计方法及表达式。针对串联均压未考虑分布电容的问题,通过构造等电位点,建立了含有分布电容的等效电路并进行分析,根据电荷方程等式得到了缓冲电路非等参数设计方法及表达式,该参数设计方法可以补偿分布电容造成的电压分布不均,并更好地指导高压保护开关的均压方案设计。为了验证参数设计的合理性进行了仿真分析,结果表明,最终得到的整体设计方案可以满足尖峰抑制以及均压的设计要求。
目前的高压保护开关缓冲电路参数设计缺乏相关理论设计方法,同时缓冲电路方案由于设计过程中并未考虑分布电容影响,因此均为等参数设计方案,这种方法均压效果不够理想。为了解决目前参数设计中存在的问题,首先建立了含缓冲电路和杂散电感的MOSFET模型并对其关断过程进行了分析,从而得到了抑制电压尖峰的缓冲电路理论设计方法及表达式。针对串联均压未考虑分布电容的问题,通过构造等电位点,建立了含有分布电容的等效电路并进行分析,根据电荷方程等式得到了缓冲电路非等参数设计方法及表达式,该参数设计方法可以补偿分布电容造成的电压分布不均,并更好地指导高压保护开关的均压方案设计。为了验证参数设计的合理性进行了仿真分析,结果表明,最终得到的整体设计方案可以满足尖峰抑制以及均压的设计要求。
2024, 36: 025010.
doi: 10.11884/HPLPB202436.230207
摘要:
为满足雷达整机对发射机小型化的需求,针对8~18 GHz宽带脉冲行波管设计了一种小型化高压电源。采用脉冲峰值功率设计方法,结合高压电容储能,实现了行波管在脉冲工作期间高压稳定输出。同时主功率逆变电路采用了移相全桥拓扑结构,高压整流电路采用了碳化硅二极管,这可减轻电源的散热压力,提高高压电源的功率密度。研制的小型化脉冲高压电源,阴极电压−6.5 kV,最大工作脉宽2 ms,峰值功率最大1600 W。与某型号脉冲行波管联调,在脉冲工作期间行波管输出射频信号功率稳定,测试结果验证了该设计方法的可行性。
为满足雷达整机对发射机小型化的需求,针对8~18 GHz宽带脉冲行波管设计了一种小型化高压电源。采用脉冲峰值功率设计方法,结合高压电容储能,实现了行波管在脉冲工作期间高压稳定输出。同时主功率逆变电路采用了移相全桥拓扑结构,高压整流电路采用了碳化硅二极管,这可减轻电源的散热压力,提高高压电源的功率密度。研制的小型化脉冲高压电源,阴极电压−6.5 kV,最大工作脉宽2 ms,峰值功率最大1600 W。与某型号脉冲行波管联调,在脉冲工作期间行波管输出射频信号功率稳定,测试结果验证了该设计方法的可行性。
2024, 36: 025011.
doi: 10.11884/HPLPB202436.230159
摘要:
基于负离子的中性束注入是未来大型托卡马克装置不可或缺的辅助加热方式。中性束系统中的加速极电源需要输出−200 kV电压和5 MW的功率,还经常面临负载短路和断路的特殊工况。过去对加速极电源的研究中缺少高压部分的方案设计,而电源中高压部件的绝缘设计是电源研制过程中必不可少的关键环节。据电源指标和特殊工况的特点,计算了电源高压部分的隔离升压变压器、高压整流器和高压滤波器的电路参数,并对这些部件基于油浸式绝缘进行了工程设计,通过有限元仿真分析进行了绝缘验证。仿真结果表明,这些部件中的电场强度最高为16.22 kV/mm,小于变压器油击穿场强并具有2倍的绝缘裕度。设计的高压部件结构可以满足电源的绝缘要求。
基于负离子的中性束注入是未来大型托卡马克装置不可或缺的辅助加热方式。中性束系统中的加速极电源需要输出−200 kV电压和5 MW的功率,还经常面临负载短路和断路的特殊工况。过去对加速极电源的研究中缺少高压部分的方案设计,而电源中高压部件的绝缘设计是电源研制过程中必不可少的关键环节。据电源指标和特殊工况的特点,计算了电源高压部分的隔离升压变压器、高压整流器和高压滤波器的电路参数,并对这些部件基于油浸式绝缘进行了工程设计,通过有限元仿真分析进行了绝缘验证。仿真结果表明,这些部件中的电场强度最高为16.22 kV/mm,小于变压器油击穿场强并具有2倍的绝缘裕度。设计的高压部件结构可以满足电源的绝缘要求。
2024, 36: 025012.
doi: 10.11884/HPLPB202436.230243
摘要:
托卡马克装置预电离过程中,环向磁场应与电子回旋波频率相匹配,NCST装置现有的电子回旋波频率较低,为了让环向场与已有的电子回旋波频率匹配,提出新的环向场线圈电流产生方案,在原方案的磁场线圈平顶电流产生之前增加一个低电流台阶。回顾NCST球形托卡马克装置环向场线圈电源的原有方案后,设计了全控型和半控型两种方案,从电压电流的高次谐波、电流的可控性和纹波、改动成本和安装便捷性四方面对比两个方案的优缺点,最终选定半控型改造方案。根据现场条件制作电源改造柜,尽量减少对原有电源柜的改动。实际测试结果显示,两个电流台阶衔接正常,低电流台阶宽度可调、幅值可调,满足改造要求。
托卡马克装置预电离过程中,环向磁场应与电子回旋波频率相匹配,NCST装置现有的电子回旋波频率较低,为了让环向场与已有的电子回旋波频率匹配,提出新的环向场线圈电流产生方案,在原方案的磁场线圈平顶电流产生之前增加一个低电流台阶。回顾NCST球形托卡马克装置环向场线圈电源的原有方案后,设计了全控型和半控型两种方案,从电压电流的高次谐波、电流的可控性和纹波、改动成本和安装便捷性四方面对比两个方案的优缺点,最终选定半控型改造方案。根据现场条件制作电源改造柜,尽量减少对原有电源柜的改动。实际测试结果显示,两个电流台阶衔接正常,低电流台阶宽度可调、幅值可调,满足改造要求。
2024, 36: 025013.
doi: 10.11884/HPLPB202436.230151
摘要:
提出了一种两级式可变母线电压的高压电容充电电源技术方案,该拓扑在半桥LLC谐振电路的基础上增加了一级图腾柱无桥功率因数校正(PFC)电路,通过改变母线电压来解决传统LLC谐振电源在输出更高电压时,工作频率变化范围过大带来的充电效率下滑的问题。由于图腾柱电路本身具备功率因数校正的功能,该电源设计还拥有能够直接从电网取电而不影响电网电能质量的优势。首先介绍了本电源设计中两部分的电路拓扑和工作原理,采用等效电阻法分析了电容负载下的电源输出特性。针对前级图腾柱电路设计了双环控制器以实现对母线电压和功率因数的控制,针对后级LLC电路提出了比例积分(PI)加低通滤波的恒流控制器以降低高频噪声带来的不利影响。最后通过模型构建与仿真分析,研究了高压电容充电电源3000 V/1 A时的充电特性,验证了本电源技术方案、设计和控制策略的可行性。
提出了一种两级式可变母线电压的高压电容充电电源技术方案,该拓扑在半桥LLC谐振电路的基础上增加了一级图腾柱无桥功率因数校正(PFC)电路,通过改变母线电压来解决传统LLC谐振电源在输出更高电压时,工作频率变化范围过大带来的充电效率下滑的问题。由于图腾柱电路本身具备功率因数校正的功能,该电源设计还拥有能够直接从电网取电而不影响电网电能质量的优势。首先介绍了本电源设计中两部分的电路拓扑和工作原理,采用等效电阻法分析了电容负载下的电源输出特性。针对前级图腾柱电路设计了双环控制器以实现对母线电压和功率因数的控制,针对后级LLC电路提出了比例积分(PI)加低通滤波的恒流控制器以降低高频噪声带来的不利影响。最后通过模型构建与仿真分析,研究了高压电容充电电源3000 V/1 A时的充电特性,验证了本电源技术方案、设计和控制策略的可行性。
2024, 36: 025014.
doi: 10.11884/HPLPB202436.230195
摘要:
高能同步辐射光源(HEPS)是国内首台第四代同步辐射光源,包括一个储存环、一个增强器以及一个直线加速器。作为典型的低发射度储存环(LER),其动力学孔径远小于物理孔径,对此选择了一种新颖的在轴置换注入方案。其中,增强器负责实现束流从500 MeV到6 GeV的升能。为了降低增强器引出冲击磁铁的冲击强度,在引出环节之前使用4台凸轨磁铁来辅助冲击磁铁完成这一动作。凸轨磁铁磁场波形要求底宽小于1 ms的半正弦波。根据仿真以及测试结果,采用绝缘栅双极型晶体管(IGBT)串联快恢复二极管的经典LC谐振电路拓扑。此外,设计了能量回收支路,来降低电容在充电过程中功率损耗以及对输出脉冲电流波形的影响。目前,已完成脉冲电源样机的研制与测试,各项结果表明,该脉冲电源能够满足高能光源增强器高能引出系统的各项要求。
高能同步辐射光源(HEPS)是国内首台第四代同步辐射光源,包括一个储存环、一个增强器以及一个直线加速器。作为典型的低发射度储存环(LER),其动力学孔径远小于物理孔径,对此选择了一种新颖的在轴置换注入方案。其中,增强器负责实现束流从500 MeV到6 GeV的升能。为了降低增强器引出冲击磁铁的冲击强度,在引出环节之前使用4台凸轨磁铁来辅助冲击磁铁完成这一动作。凸轨磁铁磁场波形要求底宽小于1 ms的半正弦波。根据仿真以及测试结果,采用绝缘栅双极型晶体管(IGBT)串联快恢复二极管的经典LC谐振电路拓扑。此外,设计了能量回收支路,来降低电容在充电过程中功率损耗以及对输出脉冲电流波形的影响。目前,已完成脉冲电源样机的研制与测试,各项结果表明,该脉冲电源能够满足高能光源增强器高能引出系统的各项要求。
2024, 36: 025015.
doi: 10.11884/HPLPB202436.230239
摘要:
快校正磁铁电源是光源和加速器中重要的设备。随着光源性能的提升,加速器对快校正磁铁电源的性能也提出了更高要求。为满足快校正磁铁电源性能要求和简化设计过程,开展了快校正磁铁电源控制策略和仿真研究,并提出了PI控制加二阶相位补偿的方法作为快校正磁铁电源的控制策略;利用伯德图设计快校正磁铁电源的相位补偿参数,以提高电源系统相位裕量。该方法不仅保证了电源系统工作在深度负反馈状态,而且简化了相位补偿的参数计算过程。为了验证控制策略的正确性和有效性,提出用压控电压源代替开关器件开展电源性能仿真的方法。仿真结果验证了上述控制策略的可行性和有效性,同时验证了上述仿真方法的有效性和高效性。
快校正磁铁电源是光源和加速器中重要的设备。随着光源性能的提升,加速器对快校正磁铁电源的性能也提出了更高要求。为满足快校正磁铁电源性能要求和简化设计过程,开展了快校正磁铁电源控制策略和仿真研究,并提出了PI控制加二阶相位补偿的方法作为快校正磁铁电源的控制策略;利用伯德图设计快校正磁铁电源的相位补偿参数,以提高电源系统相位裕量。该方法不仅保证了电源系统工作在深度负反馈状态,而且简化了相位补偿的参数计算过程。为了验证控制策略的正确性和有效性,提出用压控电压源代替开关器件开展电源性能仿真的方法。仿真结果验证了上述控制策略的可行性和有效性,同时验证了上述仿真方法的有效性和高效性。
2024, 36: 025016.
doi: 10.11884/HPLPB202436.230194
摘要:
初始磁场电源系统用于激励千特斯拉级内爆磁压缩装置的初级线圈产生初始磁场,是内爆磁压缩装置的关键设备。在分析千特斯拉级内爆磁压缩装置初始磁场电源需求和技术难点的基础上,系统设计了核心部件选择方案和主脉冲电路及控制系统结构,研制成功一套输出电压1~40 kV可调、主放电电流脉冲上升沿约60 μs、总峰值电流达3.2 MA的初始磁场电源系统,已应用于千特斯拉级内爆磁压缩装置动态试验。
初始磁场电源系统用于激励千特斯拉级内爆磁压缩装置的初级线圈产生初始磁场,是内爆磁压缩装置的关键设备。在分析千特斯拉级内爆磁压缩装置初始磁场电源需求和技术难点的基础上,系统设计了核心部件选择方案和主脉冲电路及控制系统结构,研制成功一套输出电压1~40 kV可调、主放电电流脉冲上升沿约60 μs、总峰值电流达3.2 MA的初始磁场电源系统,已应用于千特斯拉级内爆磁压缩装置动态试验。
2024, 36: 025017.
doi: 10.11884/HPLPB202436.230228
摘要:
随着电气化的发展,电气与电子系统中的电磁兼容问题越来越被重视,为了消除或抑制电磁耦合的影响,实现设备或元件电磁兼容的工作,有必要对线缆间的串扰进行研究。但目前少有相关研究关注独立的发射回路与接收回路构成的双差模回路间的电磁串扰问题。提出了一种基于多导体传输线理论的五导体传输线模型,并基于此研究了双差模非屏蔽线缆回路间的串扰问题。该方法根据耦合机理,首先建立单位长度五导体传输线等效模型,然后根据有限差分的方法列写基尔霍夫方程组,最后补充边界条件后求解得到串扰的频域解。将串扰计算结果与CST软件仿真结果进行对比,验证了该模型和计算方法的可行性与有效性,经计算分别研究了感性耦合与容性耦合,分析得到了不同因素对线束间串扰的影响规律,可为实际工程中采取措施抑制线缆间串扰提供指导,体现出该模型的先进性。
随着电气化的发展,电气与电子系统中的电磁兼容问题越来越被重视,为了消除或抑制电磁耦合的影响,实现设备或元件电磁兼容的工作,有必要对线缆间的串扰进行研究。但目前少有相关研究关注独立的发射回路与接收回路构成的双差模回路间的电磁串扰问题。提出了一种基于多导体传输线理论的五导体传输线模型,并基于此研究了双差模非屏蔽线缆回路间的串扰问题。该方法根据耦合机理,首先建立单位长度五导体传输线等效模型,然后根据有限差分的方法列写基尔霍夫方程组,最后补充边界条件后求解得到串扰的频域解。将串扰计算结果与CST软件仿真结果进行对比,验证了该模型和计算方法的可行性与有效性,经计算分别研究了感性耦合与容性耦合,分析得到了不同因素对线束间串扰的影响规律,可为实际工程中采取措施抑制线缆间串扰提供指导,体现出该模型的先进性。
2024, 36: 025018.
doi: 10.11884/HPLPB202436.230155
摘要:
电源中的磁性元件对外部磁场天然敏感,其工作特性直接影响电源的输出特性。实现背景磁场的建模是研究电源中磁性元件受强杂散磁场干扰问题的重要前提,但目前关注这一应用场景的相关研究较少,且常用的电磁场分析方法难以兼顾计算的精度和效率。基于等效磁路网络法提出了一种杂散磁场效应的分析方法,该方法将研究对象等效生成磁路单元,离散形成网络模型,并通过求解等效磁路系统方程得到模型的场量分布。以一款具体的环形铁氧体磁芯为例,利用等效磁路网络法计算了环形磁芯在直流激励和均匀正交磁场下的场量分布,分析了背景磁场对其等效电感的影响。通过对比等效磁路网络法与有限元法的计算结果,验证了该方法的准确性与高效性,且适用于电源受背景磁场干扰问题的分析。
电源中的磁性元件对外部磁场天然敏感,其工作特性直接影响电源的输出特性。实现背景磁场的建模是研究电源中磁性元件受强杂散磁场干扰问题的重要前提,但目前关注这一应用场景的相关研究较少,且常用的电磁场分析方法难以兼顾计算的精度和效率。基于等效磁路网络法提出了一种杂散磁场效应的分析方法,该方法将研究对象等效生成磁路单元,离散形成网络模型,并通过求解等效磁路系统方程得到模型的场量分布。以一款具体的环形铁氧体磁芯为例,利用等效磁路网络法计算了环形磁芯在直流激励和均匀正交磁场下的场量分布,分析了背景磁场对其等效电感的影响。通过对比等效磁路网络法与有限元法的计算结果,验证了该方法的准确性与高效性,且适用于电源受背景磁场干扰问题的分析。
2024, 36: 025019.
doi: 10.11884/HPLPB202436.230212
摘要:
作为脉冲系统的核心部件,开关承担着脉冲成形、功率调制等重要作用,开关通断速度往往决定脉冲上升时间,高速开关是纳秒短脉冲形成的关键。提出一种高速SiC-MOSFET叠层封装结构,整体布局无引线、无外接,具有极低寄生电感。开展了电磁场仿真研究,揭示了脉冲形成过程中封装多介质界面电磁场分布规律,明确了封装结构电磁薄弱环节,为进一步绝缘优化提供指导。搭建双脉冲测试平台,对研制的SiC-MOSFET叠层封装开关与同芯片商用TO-263-7封装开关的动态性能进行测试。结果表明,大电流工况下,所提封装电流开通速度提升48%,关断速度提升50%,开通损耗降低54.6%,关断损耗降低62.8%,实验结果验证了所提叠层封装结构对开关动态性能的改善。
作为脉冲系统的核心部件,开关承担着脉冲成形、功率调制等重要作用,开关通断速度往往决定脉冲上升时间,高速开关是纳秒短脉冲形成的关键。提出一种高速SiC-MOSFET叠层封装结构,整体布局无引线、无外接,具有极低寄生电感。开展了电磁场仿真研究,揭示了脉冲形成过程中封装多介质界面电磁场分布规律,明确了封装结构电磁薄弱环节,为进一步绝缘优化提供指导。搭建双脉冲测试平台,对研制的SiC-MOSFET叠层封装开关与同芯片商用TO-263-7封装开关的动态性能进行测试。结果表明,大电流工况下,所提封装电流开通速度提升48%,关断速度提升50%,开通损耗降低54.6%,关断损耗降低62.8%,实验结果验证了所提叠层封装结构对开关动态性能的改善。
2024, 36: 025020.
doi: 10.11884/HPLPB202436.230163
摘要:
全膜脉冲电容器是脉冲功率系统的重要储能单元,其寿命影响着整个系统的可靠性。在脉冲工况下,全膜脉冲电容器的失效多为突发失效,且寿命的分散性较大。为探究全膜脉冲电容器老化失效机理,开展了其寿命试验及电场与温度场的仿真。利用LTD基本放电单元(Brick)实验腔体对电容器进行寿命测试并获得失效电容器,分析了失效电容在不同故障形式下的失效原因,并利用有限元分析软件对电容器局部“电场易畸变”区域进行了电场仿真,说明上述区域存在的畸变电场是发生绝缘介质击穿的主要原因;对电容器进行温度场分析,发现电容器温度与充放电频率成正相关,温度最高点位于电容器几何中心处附近,在充放电频率较低时,电容器温升不明显,说明在较低充放电频率下,电容器绝缘介质老化以电老化为主,而非热老化。
全膜脉冲电容器是脉冲功率系统的重要储能单元,其寿命影响着整个系统的可靠性。在脉冲工况下,全膜脉冲电容器的失效多为突发失效,且寿命的分散性较大。为探究全膜脉冲电容器老化失效机理,开展了其寿命试验及电场与温度场的仿真。利用LTD基本放电单元(Brick)实验腔体对电容器进行寿命测试并获得失效电容器,分析了失效电容在不同故障形式下的失效原因,并利用有限元分析软件对电容器局部“电场易畸变”区域进行了电场仿真,说明上述区域存在的畸变电场是发生绝缘介质击穿的主要原因;对电容器进行温度场分析,发现电容器温度与充放电频率成正相关,温度最高点位于电容器几何中心处附近,在充放电频率较低时,电容器温升不明显,说明在较低充放电频率下,电容器绝缘介质老化以电老化为主,而非热老化。
2024, 36: 025021.
doi: 10.11884/HPLPB202436.230171
摘要:
随着航空航天技术的不断发展,航天器对于霍尔电推进功率处理单元(PPU)的需求不断提高,高增益、大功率以及高效的PPU成为研究的主流方向。LLC拓扑能够在全负载范围内实现软开关,因此在PPU阳极电源中具有广阔的应用前景。原边LLC因其原副边增益特性,给阳极电源高增益变换器的谐振电感设计带来极大的挑战。针对上述问题,提出了一种改进的副边LLC谐振拓扑,在保留原边LLC谐振电路软开关特性的同时,有效解决了谐振电感设计问题,使得PPU阳极电源具备高增益的性能。首先利用时域分析法建立了副边LLC拓扑数学模型,其次在模型的基础上给出其峰值增益的计算方法,最后通过一台样机验证了所建模型的正确性并验证了副边LLC电路的有效性。
随着航空航天技术的不断发展,航天器对于霍尔电推进功率处理单元(PPU)的需求不断提高,高增益、大功率以及高效的PPU成为研究的主流方向。LLC拓扑能够在全负载范围内实现软开关,因此在PPU阳极电源中具有广阔的应用前景。原边LLC因其原副边增益特性,给阳极电源高增益变换器的谐振电感设计带来极大的挑战。针对上述问题,提出了一种改进的副边LLC谐振拓扑,在保留原边LLC谐振电路软开关特性的同时,有效解决了谐振电感设计问题,使得PPU阳极电源具备高增益的性能。首先利用时域分析法建立了副边LLC拓扑数学模型,其次在模型的基础上给出其峰值增益的计算方法,最后通过一台样机验证了所建模型的正确性并验证了副边LLC电路的有效性。
2024, 36: 025022.
doi: 10.11884/HPLPB202436.230233
摘要:
高镍材料具有较好的电化学性能,但其存在着表面稳定性较差的问题,通过钛酸四丁酯在NCM811材料表面水解生成TiO2,改善了高镍材料的表面稳定性。利用SEM和TEM对改性后的材料进行表面分析,结果表明,实验成功将TiO2层均匀地包覆在高镍NCM811表面,并且发现,在表面包覆过程中,还发生了体相掺杂。利用表面包覆和体相掺杂的共同作用,在1C放电的条件下,循环200圈后,材料的容量保持率从81.40%提升至92.39%,改善了材料的电化学性能。
高镍材料具有较好的电化学性能,但其存在着表面稳定性较差的问题,通过钛酸四丁酯在NCM811材料表面水解生成TiO2,改善了高镍材料的表面稳定性。利用SEM和TEM对改性后的材料进行表面分析,结果表明,实验成功将TiO2层均匀地包覆在高镍NCM811表面,并且发现,在表面包覆过程中,还发生了体相掺杂。利用表面包覆和体相掺杂的共同作用,在1C放电的条件下,循环200圈后,材料的容量保持率从81.40%提升至92.39%,改善了材料的电化学性能。

Email alert
RSS
